Fórum témák
» Több friss téma |
Fórum » Tranzisztoros előerősítő
Témaindító: balazs1989, idő: Máj 7, 2008
Témakörök:
Üdv mindenkinek!
A segítségeteket szeretném kérni egy tranzisztoros előerősítő méretezésében. Nagyon kezdő vagyok a témában. Az iskolában most tanulom, de az oktatás színvonala nagyon gyenge. Elnézést kérek, ha már létezik ilyen, vagy ehhez hasonló téma, de a feladat sürgőssége miatt inkább újat nyitottam. Szóval az volna a feladatom, hogy méretezzek egy olyan előerősítőt, amihez a következő adatok állnak rendelkezésemre: Táp. feszültség: 9V. Bemenő áram változása: 20 mikroA. Kimeneti áram: 50mA. És 1kHz-en felüli jeltartományt vigyen át. Más adatot nem tudok róla mondani. Akinek van egy kis szabadideje, és energiája ehhez a feladathoz, azt kérem segítsen. Előre is köszönöm: Balázs.
Éppen ma fejeztem be egy mikrofon előerősítőt. Nekem nagyon jól műkszik.Ez az a kapcsolás amit megépítettem.
Javaslom olvasd el az angol dokumentációt ami fent van, érdemes! Valószínűleg egy-két értéket meg kell változtatnod, ahhoz, hogy számodra tökéletes legyen. Remélem tudtam segíteni. U.I.: nekem a visszacsatolásnál a 2k2 helyett 10k van(R5)-> nagyobb az erősítés.
[off]Én még nem nyitottam témát, de szerintem nem sokkal tart tovább a keresőbe beírni valamit, mint új témát nyitni. De majd a "főnök" eldönti... (én csak harapok ma a töri miatt
)
Hali!
Szerintem a célra tökéletesen megfelel egy egyszerű A-osztályú erősítő. Pl.: a melléklet +Ut = 9V Üdv: Markifiu
esetleg végerősítőre alacsony teljesítményű, alacsonyfeszültségű, 1 amperos kapott áramra, mély hangokra van valami?
szerintem nem az oktatással van a baj, hanem hogy egy nappal beadás elött majrézunk, és ilyen a hozzáállásunk. Végrősítő az enyém
Ilyen szöveggel adják meg a feladatot?
Nem igaz..........
#220832-es hsz-ben "lidi" rakott fel egy linket ( szomszéd topik), ott találsz magadnak valót.
A válasz gombot pedig használd..... Ilyen pongyola megfogalmazással meg kíméld a társaságot, ha lehet..
Köszönöm mindenkinek a segítséget!
Jó napot mindenkinek!
Olvastam már itt valahol h Sokol rádióbol lehet erősítőt készíteni az lenne a kérdésem h hogyan? Rádióm és elszántságom is van!
De a rádió funkció megmarad nem? az ellen mit csináljak?
Bemondja gyakorlás közbe a vízállást!
Kipróbáltam: a rádió része mindig belerecseg, vajon hány wattos hangszórót bír el max?(így legalább van egy kis tranyós erősítőm)
Le fényképeztem:
Sorba kötöttem két hangszórót, német és osztrák adókat tud fogni
A poti "alja" a (+) tápra megy, az a test !
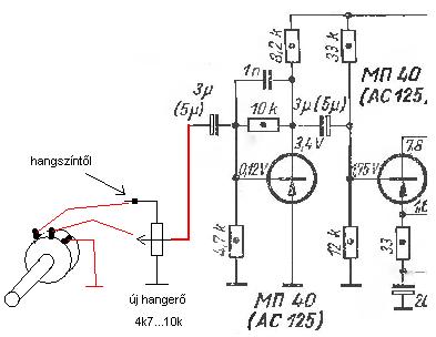
A poti "tetejére" egy 15k-s ellenállás megy, ez jön a demodulátortól ( rádiótól), azt vedd ki és a helyére csatold be a jelet, ha akarod használni a hangerőszabályozást. Ha nem, akkor a poti csúszka sem kell ( kiveszed, kicsíped) és a 10µF-s elkó (+) felére mehet a jeled. Ezek után már nincs rádiózás.. Ez a 3 vezeték megy a potiból ki, most nemtudom melyiket kössem le
a poti hátulján ez a 3 vezeték van bekötve. az nem megoldható h külön kössek egy hangerőpotit meg esetleg egy hagszínt mellé?
így lenne egy kis erősítőm A rádióm kapcsolási rajzát mellékelem
Ez a Sokol picit más.. a különbség annyi, hogy két ellenállást kell kivenni, amik mennek a poti "tetejére".
Viszont ha bekötsz külön hangerőt, hangszínt , akkor a poti nem kell, a csúszkája amire megy 3 ( 5) uF, oda vidd be a szabályozott, "színezett" jeledet. A poti csúszkáját csípd el.
Elfelejtettem válaszolni... a kék drót alatti a csúszka, azt kell szakítani... elvileg az 5 közül a középső...
Köszönöm!
Nem tudnál légyszíves egy rajzot csinálni h az új potikat(hangerő, hangszí)és a jack dugót hogy kössem be? Megköszönném mert összezavarodtam kicsit!
A hangerőt úgy tedd hozzá, ahogy már leírtam.
Hangszín verziót válogass össze, van elég a hobbin... A jack-dugót egyszerű bekötni... attól függ, sztereo a forrás vagy nem - nem értem, ezért nem tudod vagy másért. A GND a hosszú, külső "cső", a gyűrű és a végén a csúcs a jobb és a bal csatorna ( sztereo). Ebben az esetben két db 4k7-es ellenállással közösíted , ha mono hangszínt csinálsz.
Köszönöm!
Gitárhoz kell az erősítő, tehát monora fogom megcsinálni! Mostmár értem!
Ezt találtam:
jó vajon? ahogy nézem mono
Tegyél eléje előerősítőt, mert a lepke sokat elvisz..
Tranyó lehet BC177,178, 182A, 327, 328, stb.. A táp a Sokol miatt 9 voltnál nagyobb nem lehet, mert a pnp végfok nem szereti. Az 1 megás ellenállás cseréjével ( vagy potival) az első kollektoron -4...6 volt közötti feszt állíts be.
Hello!Nekem egy Tda 2003 hoz kellene előerősítő.Tud valaki adni egy rajzot?
Hello...!
Beírod a keresőbe, hogy "előerősítő", aztán kapsz 6-700 hsz-t, abból válogathatsz...
WOW!
Akkor ezt hogy kombináljam a lepkével? Most megint a semmitseértek állapotba vagyok Ma megvettem mindent a lepkéhez
Nagyon egyszerűen... a gitárod megy az előerősítőre, az a lepkére, ez pedig a potira és a rádió végfokára.
Összevágom és elküldöm... Na mostmár megvan a projekt hétvégére! Köszönöm még 1szer!
tudnátok felteni egy kapcsolási rajzot : dinamikus mikihez : 2tranzisztoros erösítő hangkártyához
|
Bejelentkezés
Hirdetés |




)


Ez a 3 vezeték megy a potiból ki, most nemtudom melyiket kössem le












