Fórum témák
» Több friss téma |
Fórum » Tranzisztoros előerősítő
Témaindító: balazs1989, idő: Máj 7, 2008
Témakörök:
Hello!
Most hirtelen nem találtam, de van pár erősítős fórum itt a hobbin! Próbálj meg visszaolvasni! Egyébként csöveset vagy tranyósat akarsz csinálni?
szerintem egyértelmű :
"2tranzisztoros erösítő hangkártyához"
Ugy akarom megoldani, hogy a hankártyáról jövő feszultséget ami 2volt használjam fel, tehát egy 2 tranyos erösítőkéne ami 2 voltos táp. fesz-ről megy.
nem kaptam megoldást a forumban igy elhatároztam, hogy magam oldom meg egy tranzisztoros erösítő dinamikus mikihez a táp fesz nálam 2 vol enyi jön ki a hangkártyábol.
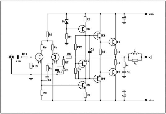
Itt a rajz:
Hali!
Nem hacsak nem egyszerű tranzisztoros végerősítőt akartok építeni. Egy kérdés: miért 2 voltos táp fesszel próbáltok meg erősítőt építeni mikor a szám gépben kapásból van 12 ill. 5volt. Üdv:Markifiu
nem mert ez egy komplet végfok rajz és már irtam, hogy "kézbe vetem" a probléma megoldását.
Markifiunak már szintén irtam, hogy Idézet: vagyis a sztereo jack dugaszon van a test, a táp feszültség és a jelbemenet.„a táp fesz nálam 2 volt enyi jön ki a hangkártyábol.” Nem kell máshonét veni a tápfeszet!. A hangkártyám Realtek ac97'. Más hangkártyán lehet több vagy kevesebb feszültség jön ki ezért tetem fel a rajzot amit el is készitetem és jól mükődik, ha valakinek kell álljon rendelkezésére.
persze van nekem elektret mikim is és tudom anak taláták ki. A din.miki azért nálam job :eljen: ban megy
Építettem házilag egy kültéri akkumlátoros erősítőt.
Az erősítő egy régi lemezjátszóbol van. és van egy mikrofonom és arra lennék kiváncsi hogy hogyan lehetne rákötni. Egyépként egy mp3 lejátszóról szól a zene
"na ilyen nincs!"
két helyt teszed fel a kérdést, már válaszoltam ott!!!!!
Üdv mindenkinek!
kis segítségre lenne szükségem; egy elsőszériás(még szám néküli) Sokol rádióhoz kellene pár dokumentum(pl nyákrajz) ha jól tudom gyárilag sok papírt adtak hozzá, azért kellene, mert erősítőt akarok építeni belőle Előre is köszönöm!
Mégis milyen erősítőt akarsz épiteni a germániumos tranyokkal? Mikor vannak kiszajú tranyok,melyekkel jobbat lehet építeni velük!
Remélem, Te is ismered azt a viccet, miszerint:
-Milyen az Orosz HiFi? -Egy sámlin a Szokol rádió, és mellé két súlyzó, erősítőnek. Gondolom, ezt azért Te is viccnek szántad. A paraméterek alapján azért sejteni lehet az elérhető hangminőséget (félvezetős alapigazság: Ha egy erősítőt jónak mérsz, még nem lesz feltétlenül jó hangú, de ha rossznak, akkor bizonyosan pocsékul fog szólni). A szokol 4 tranzisztoros HF része egész biztos ebbe az utóbbi kategóriába tartozik. Egyébként volt szerencsém kihagyni az átviteli láncból a - rosszabbra talán el sem készíthető - Szovjet hangszórót, de úgy is katasztófális volt a hangja. Hasonlóan egyszerű kapcsolások - nem kőkorszaki germánium tranyókkal - sokkal többet nyújtanak. A Szokol nyáktervét kár figyelembe venni, mert a kimenő trafótól a potiig ez húzódik, kb. 2 cm széles sávban. Gondolom, nem ilyen formára gondoltál.
Igazad van!
Kipróbáltam és, hát elég gatya a hangja, kombinálgatni is kár(gondoltam lepkére, de az sokat eszik ezért még előerősítő is kéne) ennyi erővel már komplett erősítőt építek, csak vmi hordozható kis erősít akarok ami gyakorláshoz elég, nem is kéne bele csak hangszín és hangerő, meg egy 2w körüli hszVagy mondjuk egy 417-es IC?
Hi all!
Én is szeretnék előerősítőt építeni! Igazság szerint tökmindegy hogy IC-s vagy tranzisztoros lesz-e. Nagyon egyszerű lenne a feldata! Egy autó rádió RCA kimenetének a jelét kellene erősítenie, mert az autó hangszórói elég gyengék, és ha nagyobb hangerőtartományokba tekerem a hangerőt, akkor krepegnek a mélyet meg szinte nem is lehet hallani! Sajna az fejegységben nincs olyan menüpont hogy az RCA több jelet kapjon ill. olyan sem hogy a hangszórók kevesebbet! Ezért azt szeretném megoldani, hogy jön ki RCA-n a jel, aztán ez az előerősítő felerősítené, mondjuk egy potival lehetne állítani hogy menyire, aztán tovább az autós erősítőbe! Semmilyen hagszín és egyéb nem kell, csak egy hangerőpoti rá! Ennek a feladatnak a megoldásához szeretnék kérni kapcs rajzokat! Előre is köszönöma segítséget!
Ez egy 4x50W ot tudó Pioneer fejegység! A fejegység 4 csatornájára van kötve a 4 hangszóró, a két első illetve a 2 hátsó! Ezen kívül az RCA kimeneten van az autós erősítő, amiről a csomagtartóban elhelyezkedő mélyjáda működik! Az a gond hogy, az autó hangszórói nem tudják azt a telljesítményt amit a fejegység maximálisan lead, ha nem tudom maxig tekerni a hangerőt, akkor pedig az RCA kimenő jele is kisebb lesz, ezért az erősítő a kisebb bemenő jel miatt halkabban szól! Azt sem értem különben hogy ugye van egy olyan állítási lehetőség is, hogy az első vagy a hátsó hangszórók kapjanak több jelet! Azt nem értem hogyha ezzel leveszem a jelet az első hangszórókról kisebbre, akkor azok elkezdenek kreppegni kis hangerőn is! Ennek mi lehet az oka?
Azt tudom hogy nincs baj a fejegységgel! Az első hangszórók kreppegnek ha a faderrel állítom hogy vegyen le róluk jelet! Ezt nem értem hogy elvileg kisebb jelet kap és mégis csúnyábban szól
szevasztok!
az lenne a kérdésem,hogy pontosan mit jelent az hogy egy végfoknak 0dB-es bemenet kell? eddig annyit tudok hogy a bemeneti és a kimeneti feszültség-és teljesítmény viszonya=1. milyen (egyszerűbb) előfokot tudnátok ajánlani ami lehetőleg nem IC-s, (eddig egy sem működött amit megépítettem ) és esetleg magas-illetve mély frekvenciákat is tud szabályozni?köszi
Sziasztok.
Először is bocs az új témáért, de csak elavultat találtam ezzel kapcsolatban. Szeretnék kérni nagyon egyszerű előerősítő tervet amihez pár tranzisztor kellene meg néhány különböző alkatrész. Nem lényeges csak az, hogy minnél egyszerűbb legyen. 6-9V a táp feszültség A pc hangszóró elé kellene, mivel, ha telefonnal kapcsolom egybe, akkor nagyon halkan szól. Köszönöm előre is.
Üdv!
Nekem is ez a gondom, hogy telefonrol halkabban szol az erösitö. Ezt talaltam, de meg nem épitettem meg. Remélem ez segit
Még megfontolom.
Hátha lesz jobb is. De ez is elég jónal tűnik. Kösz szépen.
Ez a rajz nem jó erre a célra, mert ez ha jól elolvasod, láthatod, hogy mikrofon jelének előerősítésére szolgál.
Amúgy a telefon kimenete is tökéletesen kivezérli a pc hangszórót, de még 1 nagy teljesítményerősítőt is, de ha mindenképpen akarsz előerősítőt elé, akkor google-ba beírod, hogy "preamplifier" és kapásból millió kapcsolást fog kidobni a képek között.
Hello!
Én jelenleg ennek építésébe fogtam bele! Egyszerű kis előerősítő 2 tranzisztorral. Idézet: „Először is bocs az új témáért, de csak elavultat találtam ezzel kapcsolatban.” Olyan NINCS, hogy elavult téma. Ha írsz egy topikba, az felfrissül, a baloldali topiklista legtetejére ugrik!
Kösz a rajzokat, de nekem ez nem felel meg, mivel nincs 9Vom csak terhelés nélkül.
És akkora kellene, hogy beleférjen még a pc hangszóróba a sztereó változat.
Megcsináltam az előerősítőt.
Szinte könyeztem, mikor kész volt, mert oéyan szép lett. Végül bekapcsolom és nem működik. Babráltam vele pár dolgot és működik valahogy, de alig erősít. Sőt inkább halkít. Ha direktbe bedugom a hangszórót a telefonba akkor sokkal hangosabb. Jah és, ha ösze értetek pár ellenállás lábat, vagy a tranzisztok 2 lábát akkor valamivel hangosabb, de igy is jóval elmarad az alap hangerőtől. Mi lehet az oka? Kérek, mindenkit, hogy segítsen. Elég fontos lenne.
Szia. Markifiu. Eltudnád nekem ezt a kapcsolást Küldeni valami Képfájlba? Nemtudom mivel megnyitni az sch-t. Nagyon megköszönném. Szia
hát sajna nem nagyon jött a válasz, Valaki nemtud adni egy egytranyós előerősítőt ?
|
Bejelentkezés
Hirdetés |






két helyt teszed fel a kérdést, már válaszoltam ott!!!!!

kombinálgatni is kár(gondoltam lepkére, de az sokat eszik ezért még előerősítő is kéne) ennyi erővel már komplett erősítőt építek, csak vmi hordozható kis erősít akarok ami gyakorláshoz elég, nem is kéne bele csak hangszín és hangerő, meg egy 2w körüli hsz
