Fórum témák

» Több friss téma
Fórum » Videoton RA 6363 és EA 6383 javítása
Lapozás: OK   45 / 124
(#) laci6662 válasza vgyre hozzászólására (») Máj 8, 2012 /
 
Valóban nem nagy ezeknek már a hőfokfüggésük, más célokra tökéletesen meg is felelnek pl. a drapp színű színkódos ellenállások, vagy az NDK-ban gyártott vékonyabb halványzöld szintén színkódosak, de ilyen kritikus helyen a hőfoktényező sokszorozódik, így kicsi elmászás is pont elhúzza kisebb-nagyobb mértékben is a hanglófeszedet az adóról.
Ha csak a tűrésük lenne nagy (nagyban eltérnének a gyári értéktől), attól nem mászna, hanem állandóan rosszul működne/néhánynál észre sem vennéd.

A 4pF (UC111-et) ahogy a bekeipeter is írta mindenképpen vedd ki, ezeknek van egy viszonylag meredek hőfokgörbéjük, amit az eredeti kapcsolásban a TDA oszcillátorköre elmászásának kompenzálására használtak.

Üdv: Laci
(#) laci6662 válasza bekeipeter hozzászólására (») Máj 8, 2012 /
 
Szerinted gyárilag miért nem 10V-os tápfeszről járatták rendesen a keverőegységet is, sokkal stabilabb a működése így az általad leírt módosítással, (mint a 4pF-al bestabilizálgatva az oszcillátort)?
Pl. a KF feszstabjáról is meg lehetett volna könnyedén oldani ezt.

UL18 nálam 4 modulból 4-ben nincs beültetve, át van simán kötve, szerinted van ennek valami jelentősége és érdemes lenne beültetni, vagy jó ahogyan van?
(#) laci6662 válasza laci6662 hozzászólására (») Máj 8, 2012 /
 
Ha az oszcillátor primer tekercsét hagyom ahogy van, és csak simán kiszedem a 10 Ohmot, annak szerinted mennyiben van jelentőséget?
Nincs most itt előttem, így nem tudom gyárilag az hány menet?
(#) bekeipeter válasza laci6662 hozzászólására (») Máj 9, 2012 /
 
Megkeresem, valahová fel vannak írva az eredeti menetszámok is. A módosított tekercsekkel tudja csak a 0,8uV-os érzékenységet!
Továbbá módosítottam egy kicsit a KF erősítő tranyó körét is, de ezt majd a rajzon ábrázolni fogom!
A próbák alapján a 15V sok a 3089-nek. Ekkora tápfesznél össze-vissza sétál a referencia. A 15V tápfeszhez a dekóder miatt ragaszkodhattak. Ez egyaránt sok minden egységnek, de ebből le vannak osztva RC szűrőtagon keresztül a tápok helyileg.
Az UL18-nak szerintem sincsen semmi jelentősége sem, de én ide raktam az UR17 ellenállást, a szórt induktivitások miatt, Az UR17 helyére pedig átkötés került.
A 10 Ohm-nak igazából a megnövekedett tápfesz miatt volt lényeges hatása. Enélkül becsuklik az oszcillátor. Az én ős Cleopatra rádiómban bent sem volt (még), emiatt a CCIR sáv igen érdekesen működött.
(#) laci6662 válasza bekeipeter hozzászólására (») Máj 9, 2012 /
 
A 3089-nél az én rajzaimon/moduljaimban egyáltalán nincs 15V a 3089 környékén, 9,3V van neki a kis tranyós zener-es feszstabon keresztül, pont ezért kérdeztem, hogy szerinted a TDA és környékét miért nem ugyan innen járatják ~10V-ról ahogy a TFK gyári adatlapban is ajánlják?
Tehát nem látom az okot, hogy miért inkább a +15V-ra tették a TDA-t egy ellenállással csak kb. 13,5V-ra csökkentve azt, miért nem pl. úgy ahogy te is javasoltad a módosítást ami működik is rendesen, vagy a 3089 tápjára kötve?

Az oszcillátor primer áttekerése után ugyan úgy megvannak a CCIR sávhatárok is és az OIRT sáv is?
(#) vgyre válasza bekeipeter hozzászólására (») Máj 11, 2012 /
 
Szia!
Kicseréltem a Laci által javasolt ellenállásokat, jelenleg tesztelés alatt áll a modult. A 10ohmot is kivettem, ennek hatására az oszcillátor kört újra kellett hangolni. Természetes ez, vagy valami más gond is van? Esetleg a primer tekercset is ki kellene cserélni, mivel így mintha rosszabb lenne a oszci stabilitása.
A KF IC- a rezgőkörrel párhuzamosan van egy ellenállás a rajzon 3,9kOhm, a valóságban viszont 6,8kOhm. Van ennek jelentősége? Más készülékeknél és a gyári adatlapon is 3,9K van.
Már kíváncsian várom az átalakított rajzot, ugyanis annyi változtatás található ebben a témában, hogy lehet kioltják egymás hatását.
Gyula
(#) szilva válasza vgyre hozzászólására (») Máj 11, 2012 /
 
A demodulátor rezgőkörének a jóságát, ezáltal a sávszélességet, a demodulátorkarakterisztika szélességét és linearitását befolyásolja a párhuzamos ellenállás. Igazából csak valami vobblerrel és RF szintmérővel lehetne megmondani, hogy korrekt-e a gyári értéknél nagyobb ellenállás használata, de én inkább hajlok arra, hogy nem feltétlenül. Ha a gyári értéket beleteszed, akkor ugyanakkora FM löketnél kisebb lesz a demodulált jel amplitúdója, viszont jobb a linearitása és valószínűleg a fázishibái is kisebbek lesznek. Csakhogy a kisebb jelszint lehet, hogy már határset a szereo dekódernek, és az elé kellene akkor egy előerősítő, amit így ki lehet spórolni.

De ha már ennyire a gyáritól történő eltérések kerülnek szóba (a korábbiakban is több ilyenre hivatkoztatok): a sztereo dekódernél is a de-emphasis tagok (uA758 3-as és 6-os lába) nagyon érdekesen lettek kitalálva a Vidinél: a gyári ajánlás 75us-ra 3.9kohm és 22nF, ehelyett a Vidi 3.9k és 4.7nF(!) értékeket használ. Még ha nem is 75, hanem csak 50us-ra tervezzük a de-emphasis értékét, akkor is 15nF körüli érték kellene oda. A gyári értékek egy jó kis középmagas-magas kiemelést adnak a frekimenetben FM vételnél. A 75us az 2120Hz, az 50us pedig 3180Hz környéke, a Vidi tagok valahol 9kHz környékén élednek, így a kettő között egy folyamatosan emelkedő amplitúdómenet alakul ki, 9kHz-en és afelett már olyan 8dB körüli emeléssel (elég régen számolgattam már ezt a tagot, de valahogy így emlékszem rá). Talán ezért is van olyan "éles", "csilingelő", "tolakodó" hangja a rádiónak egyesek szerint.

Ha jól találtam meg nemrég a neten, akkor aszerint Európában 50us, Amerikában pedig 75us pre-emphasist használnak. Én lehet, hogy kicserélném a de-emphasisban lévő 4.7nF-okat 15nF-ra (50us).
(#) vgyre válasza szilva hozzászólására (») Máj 11, 2012 /
 
Este kipróbálom, kicserélem a 4,7nF-ot 15 nF-ra.
Gyula
(#) Class-A-. hozzászólása Máj 11, 2012 /
 
Nagyon aktiv lett ez a fórum! Én örülök ennek,mert manapság nem igen foglalkoznak az emberkék a rádióval.Én meg egy megszállott vagyok az FM N. - Kérdésem .-110 ,150 khz s kerámia szűrőt hol tudok beszerezni? FM-DX re kellene át építenem néhány taneremet. Köszönöm a segítséget előre is.
(#) bekeipeter válasza vgyre hozzászólására (») Máj 11, 2012 /
 
Ha azt a 6,8k-t kicseréled kisebbre, akkor te is beleesel abba, amibe én! Nem fog működni a zajzár, vagyis állandóan némítani fog. Valamelyik adatlapon említik is, hogy a fázistoló rezgőkörön mekkora feszültségnek kell keletkeznie a zajzár helyes működéséhez.
(#) bekeipeter válasza szilva hozzászólására (») Máj 11, 2012 /
 
A Dual tunerekben 4,7k és 10nF van beépítve. Azt kipróbáltam, de igen érdekes hangkép lett az eredménye. A Blaupunkt első szereó autórádióiban ugyan ilyen IC-vel 4,7k 15nF volt beépítve, de egyik készülékben sem alkalmaztak Pilot szűrőt. A Vidi Pilot szűrőjét megmértem, már 10kHz-nér mérhetően el kezd dolgozni. Szerintem ez az értékválasztás egy igencsak kompromisszumos megoldás volt.
(#) szilva válasza bekeipeter hozzászólására (») Máj 12, 2012 /
 
Igazad lehet, és elképzelhető, hogy valóban a pilotszűrő miatt került be ez a "kompromisszumos" érték a deemphasis tagba. Ellenben ha a pilotszűrő tényleg csak 10kHz környékén lép be, akkor még mindig fennáll az, hogy a 3-10kHz sávban van egy, a frekvenciával folyamatosan növekvő kiemelés az amplitúdómenetben.
(#) vgyre válasza bekeipeter hozzászólására (») Máj 12, 2012 /
 
Üdv!
Nos kezdjem azzal, hogy a jó pap is holtiglan tanul. Kicseréltem a Laci által javasolt ellenállásokat és láss csodát a két modulból az egyik mindjárt meg is javult. majd ma estére a másik is megadta magát. Összegezzük sorban az elkövetett módosításokat. A stabilitáshoz szükség volt Bekei Peti által leírt TDA feszültség beállítására, 9V-os tápjára valamint Laci által javasolt ellenállások cseréjére. Ezen kívül, az oszcillátor körből kivettem a 4 pF kondit, a KF egységből az 5pF kondit (CA3089E MF IC van benne). Ezeken kívül ki lett cserélve az összes trimer poti és a 741 TL071-re. Az oszcillátor körben viszont szükség volt a 10 ohmos ellenállásra. A második modulból ki volt szedve, ezért nem volt jó az ellenállások cseréje után. Egy érdekesség, mint már egyik előző hozzászólás írtam, a 10 ohm kiszerelése után újból be kellett állítani az oszcillátor kört. Most egy R534 típusú ellenállást forrasztottam vissza és érdekes mód nem kellett az oszcillátor körhöz nyúlni. Valószínű az eredeti ellenállásnak induktív jellemzői is voltak. Most már csak egy dolog van vissza, a modulon kívülre száműzött tranzisztort visszaköltöztetni eredeti helyére.
Megköszönöm Bekei Petinek és Lacinak a segítséget, nélkülük nem valószínű, hogy sikerült volna.
A módosított modul rajzára még mindig kíváncsi vagyok.
Üdv Gyula
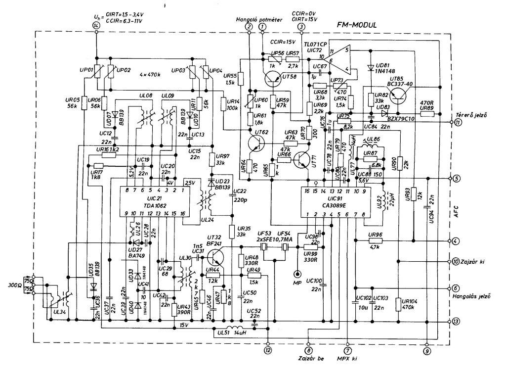
(#) bekeipeter válasza vgyre hozzászólására (») Máj 13, 2012 /
 
Íme a módosított FM modul! Az összes ellenállást vadonat új fémrétegre érdemes cserélni. A csíkos ruszki ellenállások olyan jók, hogy az 1K-os (1089 Ohm) egy rálegelés hatására kapásból 1114 Ohm lett!

FM modul2.jpg
    
(#) vgyre válasza bekeipeter hozzászólására (») Máj 13, 2012 /
 
Szia!
Köszi a rajzot! Az enyémmel összehasonlítva több ellenállás értéke nem egyezik meg. Pl. nálam az UR55, UR57 8,2k, az UP56 10k, az UR 68 2,7k. A KF erősítő körében is tapasztaltam jelentős eltéréseket, nálam UR44 100k, nálad 12k stb. A rajzon lévő értékek végül is tökéletesen működnek? A tekercs adatokban történt e változás?
Azt ellenállások cseréjekor nekem is eszembe jutott, hogy érdemes lenne az összeset kicserélni, nem egy nagy összeg.
Üdv
Gyula
(#) bekeipeter válasza vgyre hozzászólására (») Máj 13, 2012 /
 
UR55-57-UP56 értékek az újabb modulokban a nálad szereplő értékek voltak, semmi jelentősége ennek az eltérésnek. A jelentős eltérés a kf erősítőben van. Érdemes lenne az én rajzomat egy eredetivel összehasonlítani. Ugyanis vettem ki alkatrészeket a modulból!!!
UC101,105,
UL18
UR38,106
UD95
(#) vgyre válasza bekeipeter hozzászólására (») Máj 14, 2012 /
 
Szia!
Igen láttam az eltéréseket, csak nem akartam végig felsorolni az összes alkatrészt.
A tekercsekkel kapcsolatban végül is van e eltérés? Egyik előző hozzászólásodban utaltál a módosított menetszámokra.
Üdv Gyula
(#) bekeipeter válasza vgyre hozzászólására (») Máj 14, 2012 /
 
Igazából az összes tekercs primerét újra csináltam 0,4mm-es CuZ huzalból.
UL34 2x1menet CuZ, Az ezüstözött rézből készült tekercs "hideg felénél" kezve, a menetek közé kell tekercselni a 2x1 menet 0,4mm-es zománcozott rézhuzalt. Érdemes két darab huzalt egymás mellé ragasztani pillanat ragasztóval, és így lényegesen könnyebb a tekercs elkészítése.
UL08 4 és 3/4 menet 0,4mm CuZ, 6 és 3/4 menet CuAg
UL09 2 és 3/4 menet 0,4mm CuZ, 6 és 3/4 menet CuAg
UL24 3 és 3/4 menet 0,4mm CuZ. 7 és 3/4 menet CuAg de jók az eredeti CuAg tekercsek is, csak a menetemelkedést kell kb. 1mm-re pontosan beállítani! Én egy sima csavarra tekercseltem őket fel és utána úgy húztam rá a tekercstestekre őket.
(#) vgyre válasza bekeipeter hozzászólására (») Máj 14, 2012 /
 
Köszi!
Még van két bontott modulom, egyiket átalakítom így, a másikat pedig a TDA1062 adatlapja szerint.
A KF erősítő átalakítására a frekvencia elmászása miatt volt szükség, vagy csak így egyszerűen jobbak lettek a paraméterek?Az UC88-at úgy látom kicserélted 150p-ra. Milyen típusú és minőségű kondenzátor került bele?
Üdv Gyula
(#) bekeipeter válasza vgyre hozzászólására (») Máj 14, 2012 /
 
A TDA1062 eredeti tekercskészletével az OIRT sávnak harangozni fognak!!! Nem, mintha lenne értelme...
A KF erősítőt azért módisítottam, mert ebben a beállításban kisebb a zaja és "laposabb" az átvitele. Az eredeti kapcsolásnak eléggé "lehajlanak" a szélei. Ha ügyeskedsz, akkor bele tudod tenni az SFJ10,7MA szűrőt is. Én is azt tettem az egyik esetben. Jóval szebb az átviteli görbéje. Az UC88-at azért kellett módosítani, mert az UL86 tekercset nem a gyári tekercstestre csináltam meg, hanem egy Philips TV KF-ből kitermelt tekercstestet használtam fel. Ebben a hangolómagot jóval finomabb műanyag menettel látták el, mint az eredeti KŐPORC hangolómagot, ezáltal be lehetett könnyedén állítani, míg az eredetivel trükközni kellett, ha 2% alatti torzítást akartam összehozni. Így egyszerűbb volt...
(#) vgyre válasza bekeipeter hozzászólására (») Máj 15, 2012 /
 
Az OIRT sávot nem tudom használja még valaki. Itt nálunk, közel a határhoz, az ukránok is a CCIR sávban nyomulnak. Elég sok gondot is okoznak a románokkal egyetemben. Az RDS-t például el kell felejteni, állandóan valami ukrán adóra ugrik a rádió a kocsiban. A vidi rádiónál pedig 100MHz felett nem lehet két adó közzé hangolni, mert valamilyen adó biztos "magára rántja" még kikapcsolt AFC-vel is. A gyengébb jelű adókat e miatt nem is lehet vele fogni, egyszerűen átugorja. Egyébként a torzítással kapcsolatban, a 80-as évek végén a Rádiótechnika folyóiratban volt egy cikksorozat, FM rádió építése, vagy valami hasonló néven. Ott szintén 3089 vagy 3189 volt KF IC, és a torzítások csökkentése érdekében két tekercset használtak, ráadásul fazékvasmagon. Ha érdekel előkeresem.
Üdv Gyula
(#) pucuka válasza vgyre hozzászólására (») Máj 15, 2012 /
 
Ilyen már nem létezik, hogy OIRT sáv, legalábbis az 1 körzetben. Más szolgálatoknak van a sáv kiosztva.
Sajnos a Videoton elég silány minőségű tunereket fejlesztett, nem valami stabil jószág. Ezt a problémát úgy gondolták orvosolni, hogy nagyon erős AFC -t építettek, ezért aztán egy erős zavar is leugrasztja a vevőt a venni kívánt állomásról.
(#) vgyre válasza pucuka hozzászólására (») Máj 15, 2012 /
 
Valaki még biztosan ad rajta, mert ha átállítom a rádiót, még van adó, igaz nem magyar nyelvű.
(#) bekeipeter válasza vgyre hozzászólására (») Máj 15, 2012 /
 
Köszönöm szépen, ismerem az említett cikksorozatot. A két tekercses megoldás nem onnan, hanem a 3089 adatlapjáról származik, mivel az első tekercs, a "durva" a második a "finom", tehát a haranggörbe hegyére van hangolva. Az összes nem szocialista gyártó így alkalmazta a 3089-et a '70-es években. Feltehetőleg azért, mert nem állt rendelkezésre olyan műszerpark (kokom lista), amivel mérni tudták volna a két megoldás közti különbséget. Az egy tekercses fokozatot is be leget állítani egész jól, csak nem az eredeti tekercstesttel és hangolómaggal. Az eredeti tekerccsel nem igen lehet 1% alá menni, de egy stabilabb és finomabban állítható tekercstesttel már sikerült az LA1230 IC-vel 0,15%-ot is kihoznom, a két tekercses verziót is kipróbáltam, wobblerrel precízen belőve ezzel a verzióval 0,1% alatt lehetett a torzítás, mivel a műszerem ennél kisebb RF torzítás mérését nem teszi lehetővé.
(#) csubííí hozzászólása Máj 16, 2012 /
 
Van 2db Vidi RA 6363S és 2db Vidi EA 6383S készülékem.
Mindegyiken megmértem a hangfalcsatlakozásnál a kimeneti egyenáram értéket,minden eseteben a műszer + ja a hangfalcsatlakozó + ára, - a hangfalcsatlakozó - ára. Azt tapasztaltam,hogy az egyik RA 6363S-en és az egyik EA 6383S-en -0,1-0,2 közötti értékeket mértem,még egyszer jelezném,hogy mínuszba kaptam az értékeket. A másik RA 6363S és EA 6383S mérésekor azt vettem észre,hogy mindegyiknek az egyik csatornáján viszont + értéket jelez a műszerem,a másikon jelzi a mínuszt. A kis brumm ami hallható engem nem zavar,a tápkondikat majd valamikor kicserélem. Mindegyik készülék eredeti és sok éve kifogástalanul üzemel,még most is. A hangzásban sincs különbség a mély hangok is mindegyiken ugyanúgy szólnak. Viszont mi okozhatja ezt,hogy egyik oldali érték negatív a másik oldali pedig pozitív? Lehet-e orvosolni ha igen mit kellene cserélni?
(#) laci6662 válasza csubííí hozzászólására (») Máj 16, 2012 /
 
A brummot valószínű, hogy nem a puffer okozza, főleg az RA-6363S esetében, hanem egy sajnos gyárilag meglévő földhurok, a bekeipeter-által néhány oldallal visszább leírt módosítással megszüntethető, pontosabban nagy mértékben csökkenthető, de ha nem zavar akkor nem érdemes foglalkozni vele.

Üdv: Laci
(#) bekeipeter válasza csubííí hozzászólására (») Máj 16, 2012 /
 
A VR09 helyére tegyél be egy trimmerpotit (1k5 ellenállás és 1k trimmer sorban) és azzal be tudod állítani a kimeneten az abszolút "0"-t. Természetesen előtte zárd rövidre a végfok bemeneteket! Ez az eltérés a differenciál erősítőnél alkalmazott ellenállások szórása miatt van. Gondolok itt az áramgenerátora emitter ellenállására.
(#) csubííí válasza laci6662 hozzászólására (») Máj 16, 2012 /
 
Kösz! Engem nem zavar,mert nem vészes,meg megakarom hagyni eredeti állapotában.
(#) csubííí válasza bekeipeter hozzászólására (») Máj 16, 2012 /
 
Neked is kösz! Szóval nem probléma,ahogy a válaszodból ítélem meg. Csak valahogy azt nem értem,hogy egy adott készüléken ugyan azt az értéket mutatja mindkét csatornán a műszer csak egyik felén mínuszat a másik felén pluszt. Vagyis nem készülékenként változó hanem egy adott készüléken belül változó + - ( az érték egyező). Ha ez sem probléma akkor ebben az esetben is meghagynám az eredeti állapotot.
(#) laci6662 válasza csubííí hozzászólására (») Máj 17, 2012 /
 
Azért változik készüléken belül is, mert ahogy a Péter írta, ez az egyes végfokpaneleken lévő differenciálerősítő ellenállásainak szórásából adódik, az egyik (pl. a bal) végofknál lehet jobban eltalálták az ellenállásokat, így ott szinte semmi DC nincs a kimeneten, a másik végfokon pedig kevésbé így ott kicsit több van.
Szerintem ha ahogy írtad ilyen tized V-okról van szó nem probléma ez sem, szóval ha meg akarod hagyni az eredeti állapotot nyugodtan használhatod így is.
Következő: »»   45 / 124
Bejelentkezés

Belépés

Hirdetés
XDT.hu
Az oldalon sütiket használunk a helyes működéshez. Bővebb információt az adatvédelmi szabályzatban olvashatsz. Megértettem