Fórum témák
» Több friss téma |
Valószínű hogy a helytelen irányba könnyebb a rugó ellen dolgozni.
Lehet menthető, amikor rá van hangolva egy csatornára és megkocogtatom a műszer tetejét beall a jo iranyba egy pillanatra, de csak akkor ha be van hangolva. Különben meg sem mozdul.
Szia!
Az könnyen eldönthető, hogy a műszer jó-e, nézd meg a gépkönyv 7.5 pontjában levő próbakapcsolással. (Ha nem tudod megnyitni: 15V táp, 1k soros ellenállással a 2 3 pontokra, kettes a pozitív, ha nincs megcserélve. Így a leírás szerint a nyolcasig kell kitérnie.)
Köszönöm, a műszer rossz, ahogy megkapta a 15 voltot, elmozdult az ellenkező irányba, de ha kicsit megmozgattam elugrott a 8-as jelzésig. Szerintem szakadt lehet a műszerben a tekercs.
Ha felkeresel egy valódi órást, pillanatok alatt meg tudja javítani. Valószínüleg a másnes ragasztása adta meg magát.
Sziasztok,
Egy kis segítséget szeretnék kérni tőletek egy Cleoval kapcsolatban, hátha találkoztatok már ilyen hibával és van rá valami ötletetek vagy megoldás. Nemrég jelentkezett egy hiba amit (lévén kezdő vagyok e téren, vagy bátortalan) nem igazán mertem hozzányúlni. A jelenség a következő. Bekapcsolás után nem jelenik meg a hang, gyakorlatilag néma a készülék. Az VU mutató kilengése, a hangerő potméter csavargatására reagál, tehát ha felveszem a hangerőt akkor erősebb jelet mutat. Mind rádió mind erősítő módban ezt produkálja. Létezhet az, hogy nem volt levéve a hangerő (kb. negyedén volt) és ezért kapott egyet a bekapcsolás következtében az elektronika? Előre is köszönöm a segítségeteket. Üdv.:Zsolti
Szia!
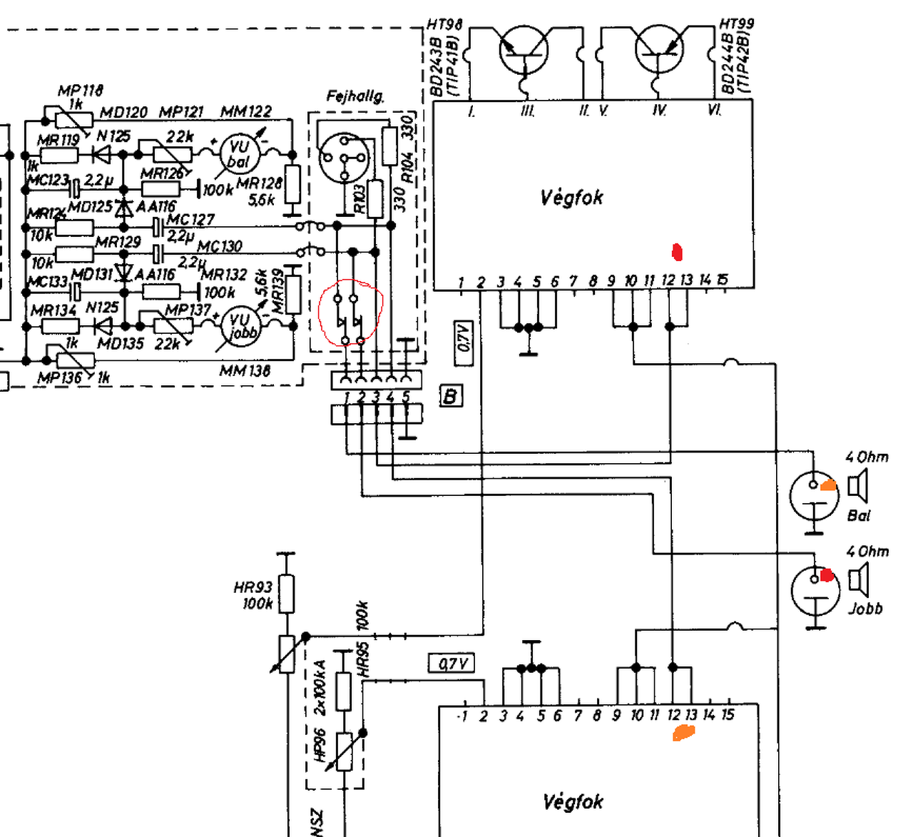
A végfokok kimenete a 12-13 lábon át az alsó nyákon a fejhallgató csatlakozóig megy, majd onnan vissza, a kimenethez. Vagy le van húzódva a csatlakozó (az, ami a fejhallgató aljzatról megy az alaplapra-de nem hiszem, mert akkor a műszer sem mutatna), vagy hibás a fejhallgató csatlakozó, esetleg nem húztad ki a fejhallgatót. Ha van műszered: mérd meg a folytonosságot a kimeneti csatlakozóban a kerek luk és a végfok 12-es lába között. jobb-jobb, bal-bal. Keresztbe nem jó a folytonosság Valószínűleg nem lesz, a fejhallgató csatlakozó vagy a nyák hibája miatt.Ha nem kell fejhallgató, akkor forraszd össze az 1-4 és 2-3 lábakat fajhallgató csatlakozóján (ami az alsó nyákra megy), de dugd vissza, mert onnan megy a műszer is, és nézd meg, hogy úgy van-e kimenet. Ha ez sem segít, akkor a nyák szakadt, köss kábelt közvetlenül a 12-es lábról a kimeneti csatlakozóra. Az oldalakat nehogy összecseréld kötögetésnél, mert ha mégis elkezd érintkezni az eredeti bekötés, akkor zárlatot okoz. Ha nincs kimenet így se, akkor mérd meg, hogy a végfokon biztos van-e jel (vagy egy próbahangszóró a 12-es láb és 3-as láb közé) A leírásod alapján kell lennie, mert a végfokról megy a műszer. Aztán lehet, hogy nem lesz, akkor kell egyéb hibát keresni (meg azt, hogy akkor hogyhogy kilengett a műszer) A hozzászólás módosítva: Nov 7, 2017
Szia antiktelefon,
Nagyon köszönöm a segítséget, sikerült megoldani a problémát. A fülhallgató aljzattal volt a probléma ezért azt kiiktattam, mivel nincs rá szükségem ![]() Üdv.:Zsolti
Örülök, hogy sikerült megoldani
![]() Én alapból kis szoktam kerülni, egy direkt kábellel a csatlakozóra, mivel csak fölöslegesen tekergőzik meg megy át érintkezőkön a jel. Azért bekapcsoláskor mindig vedd le a hangerőt, meg bemenetváltásnál is. Nagyon könnyű kilőni a végfokját, cserében viszont ha jó biztosítékok voltak benne, megjavítható 600Ft-ból. Üdv.: Máté
Üdv. Mindenkinek!
Egy kis segítséget szeretnék kérni, avval kapcsolatban, hátha találkoztak már ilyen, vagy érdekes jelenséggel. (A "Cleopátra" Rádió-erősítőm 1981-óta meg van, és azóta csak skála izzókat kellet cserélni benne, pedig használom minden nap.) Nemrég jelentkezett a következő hiba: a legtöbbször használt Mg PU bemenetre, (Tesla NC 420-as lemezjátszó) csatlakoztatva. Üzem közben a Sztereó-Mono kapcsoló megnyomva, sztereóból Mono állásba, akkor azonnal több basszussal lehet hallani a zenét. Eddig ez nem volt, és más üzem módban sem tapasztaltam a hibát. Mitől lehet? A másik jelenség amit megfigyeltem, hogy az utóbbi időben hangosabban zúg a trafó, főleg halk zene, beszédnél egy kicsit zavaró. Előre is köszönöm a segítséget. Üdv. Lele
A trafó zúgását okozhatják a nagyobb teljesítményű skálaizzók is. Létezik 100 és 300mA-es változat is. A rádióba eredetileg 100mA-es verzió volt. De okozhatja menetzárlat is. Ezt egy feszültség méréssel meg lehet állapítani.... A menetzárlatra utalhat, ha terhelés nélkül is erőteljesen melegszik. Ki kell venni a 800mA-es biztin kívól a másik kettőt. Ha pár perc után melegszik a trafó, akkor esélyes a menetzárlat...
Sziasztok! Egy kis segítségre lenne szükségem a kistestvérrel az Aida ra 6350 el van olyan gondom, hogy a jobb végfokban tönkreteszi a BD243 at. Kiforrasztott tranzisztornál: B 52V C 24V E 0.003V A bal oldalon ami tökéletes: B 006V C 23,5V E 0V A testhez képest. Tudnátok segíteni hogy merre keressem a hibát?
Szia! A kiforrasztott BD243 bázis és emitter közé tegyél be egy 100 ohm körüli ellenállást, azon mérj feszültséget!
Szia!
Tápoldalt érdemes végig mérni, a világításra jutó feszültséget csökkenteni/ soros ellenállással/ trafó , vezeték közé illesztve. Ezenkívül a kapcsolókat tisztítani.
(Érdekes Aida ez BD140-nel. Ha van benne védelem is, valószínűleg cserélt Cleopatra panellel van dolgod)
70Ft egy BD140, 15Ft a BC182- amiből van benne 3db is, ha van védelem, így nem tudni, melyik a rossz. Én mérés nélkül cserélnék minden tranzisztort a panelon, ha már más is rossz, nem csak a vég és a meghajtója. BD139/BD140 helyett MJE340/MJE350 teljesen jó, ha csak azt kapni. (Végtranzisztornak a BD911/BD912 is jó) Ha már cserélgetsz, a 22k lin trimmert sem árt kicserélni. Vele kell a modul 14-es lábán a fél tápfeszt beállítani. A hozzászólás módosítva: Jan 12, 2018
Idézet: „Én mérés nélkül cserélnék minden tranzisztort a panelon” Meg az összes kondenzátort és minden egyebet is, gondolom
Nem BD140 van benne hanem BD 137 és BD138 . bekeipeter írta 140-et és nem volt előttem nem figyeltem megtévesztett azért irtam én is.
A kék MM elkókat nem árt, főleg a kimeneten lévő 2200µF-ost 35V-osra. A sárga Remixek jók és a 330pF fólia is maradhat. Ha Philips elkók vannak benne, akkor azokat sem muszáj cserélni. Eddig még csak a 2200µF-ost láttam eldurranni. Amikor ki van szedve minden tranzisztor, akkor elég könnyű végigmérni mindent a panelen. A mérés nélkül cserét azért írtam, mert már volt olyan, hogy a multi szerint jó volt, azonban valójában nem. (Illetve én a boltban mindig sokkal nagyobb bétájú darabokat kapok, mint a régiek, így elkerülhetetlen párban cserélni őket.) Egy pár végtranzisztor ára többszöröse a többi tranzisztor árának, nem éri meg kockáztatni. Ha a készülékből kiszedve éleszti valaki, akkor zárja rövidre a bemenetét.
otthonpc20: akkor az Aida modul. A hozzászólás módosítva: Jan 12, 2018
Mérés nélkül, egyiket sem szabad cserélni, kivétel, ha a szemrevételezés esetén hibát találsz.
Az alkatrészeket, ahogy írod minden esetben párban, válogatva mérve érdemes cserélni.
Miért nem szabad cserélni mérés nélkül? (A mérés nélkül itt arra vonatkozott, hogy nem méregetni, melyik tranzisztor rossz, mindet cserélni.)
Ha kiszed minden félvezetőt, utána végigmér minden passzív alkatrészt, rak bele jó tranzisztorokat, és beállítja a fél tápfeszt, akkor jól kell működnie. Az új biztosan jó, és a kiszedettet mindig el lehet rakni alkatrésznek, ha kiderül, jó. Érdemes párba válogatni, ha van rá lehetőség, de anélkül is működik, ha nem nagyon nagy a különbség köztük.
Idézet: „Ha kiszed minden félvezetőt, utána végigmér minden passzív alkatrészt, rak bele jó tranzisztorokat,” Egyáltalán nem biztos, hogy a most beszerezhető típus azonos alkatrész jó. A készülék javítása szerintem a hiba alkatrész szintű behatárolása kell, hogy legyen. Természetesen ehhez szükséges a megfelelő felkészültség, gyakorlat, és műszerezettség, valamint szabad idő. Idézet: „Érdemes párba válogatni, ha van rá lehetőség, de anélkül is működik, ha nem nagyon nagy a különbség köztük.” Kapcsolástechnika, felépítés a meghatározó, de lehetőség szerint a leírtak alapján, azért minimum a szerviz dokumentációban rögzített ellenőrzéseket, beállításokat illene elvégezni.
Van itthon 4 Cleó, egy EA6380, amiket mind végfok hibával szereztem. A papír szervizkönyv is megvan, amit elektrotanyáról is le lehet tölteni. Van egy videoton_ra-6350-s_aida_sm nevű djvu is, amiben egy kicsit többet ír a végfok beállításáról.
Eddig nem volt gond a típusazonos cserével, és a javasolt helyettesítőkkel is jól működik (helyettesítőknél természetesen a párját is helyettesítőre kell cserélni). Két perc alatt ki lehet mérni a hibát, de ehhez tapasztalat és műszerek kellenek. Ezek nélkül szerintem a legbiztosabb a csere. A kérdező írásai alapján úgy mértem fel, hogy a leggyorsabb és legbiztosabb minden aktív kiszedése, passzív alkatrészek mérése és új tranzisztorok berakása. Ha BC182 repked a végfokban (ami nem a védelemé, mert ebben nincs védelem), akkor ott más is hibás lesz.
Igen, a 6 db skála izzóból már csak 3 db világított, és mindegyik 6 V 300mA-esek. Ujjakat tettem belel 7 V 100mA-es. De a csere előtt, a 800mA-es biztin kívül a másik kettőt kivettem, és a próbát elvégeztem, és nem melegszik a trafó, de nagyon halkan zúg.
A fadobozban hangosabban lehet hallani. Terhelés nélkül a feszültségek: 58,9 V 15 V, és 6,2 V a skálaizzóknak. Terhelve: 56,2 V 15 V, és 6,0 V, ha viszont csak az erősítő üzemben van, akkor 6,1 V a feszültség. Bal végfok: BD 244B, E: 56,2 V, C: 23,9 V, B: 55,8 V, a féltáp mérve: 23,9 V. BD 243B, E: 0,0 V, C: 23,9V, B: 0,6 V. Jobb végfok: BD 244B, E: 56,3V, C: 23,9 V, B: 55,6 V, a féltáp mérve: 23,7 V. BD 243B, E: 0,0 V, C: 23,9 V, B: 0,6 V. Szabályzóhoz a feszültség: 35,7 V. Előfokhoz: 34,1 V. Üzem közben a trafó nem melegszik, ill. a meghajtástól függetlenül, egy kicsit langyos. Üdv. Lele
Szia!
A feszültségeket leírtam a "bekeipeter" válaszára. A kapcsolókat próbáltam tisztítani, befújni "contact spray" -vel. Változás nem történt, továbbra is ki hagy a bal oldal, MgPU, sőt a magnó bemenet is. A KR.PU. bemenet, ami jól működik,. Viszont újabb, hiba merült fel. Az AM sáv rendben van, de az FM sávban állomás nem fogható, csak a súgás van. Üdv. Lele
A Mért feszültségértékek rendben vannak, ennek örülök!
Nézd meg a modulok tüskéit, ha nagyon feketék, akkor Izopropil alkohollal könnyedén lejön az oxidréteg. Az etilalkohol sajnos nem hozza le!
Szia!
Én nem vagyok híve a szétszerelés nélküli spary-s megoldásnak. Főleg, saját részre és folyamatos használat esetén, ennyi idő után mindenképpen szükséges, egy teljes tisztítás. Én a tuchel /din/ aljzatokat is ilyenkor kezelésbe veszem. Az újabb hibánál/ is/, nézd át a vezetékek csatlakozásait, forrasztásokat, ezenkívül az FM modult kiszerelni, mint Péter is javasolta érintkezőket tisztítani, majd vissza a helyére. Trafó zúgásnál a rögzítő csavarok meghúzása, valamint rugalmas alátét behelyezés,valamint lakkal történő felületkezelés segíthet.
Meg kezdtem a teljes felújítást, a modulok kiszerelését. A tüskék tisztítása Izopropil alkohollal, tényleg szépen lehet dolgozni. A tüskék fém tiszták lettek.
Köszönöm a segítséget. Az alaplapon található elkókat kicserélem, a modulokon is, a végfok modulon még 1977-es is van. Például, a VC02 100mF. A táp TC07 4700mF kicseréljem? Esetleg 6800mF/80V-ra? Bár a táppal semmi gond nincs.
Szia!
A tuchel /din/ aljazatok tisztítását is, alkoholba mártott ellen darabbal (dugóval) végeztem, és az aljzatban lévő érintkező kis fülek, szép tiszták lettek. Találtam két át kötést, amik az alaplaphoz voltak szorítva, az előfok, és az FM modulok rögzítésével. Csak a vezeték szigetelése van megsérülve. Trafó csavarokon, (a felső kettőt mert a tápot még nem szereltem ki) nem lehet húzni semmit. Milyen lakkal végezzem a felület kezelést? Akrilan lakkal? Hogyan szedhetem le az előlapot anélkül, hogy a skálahúrt ne kelljen szétszedni? Mert ha jól látom a lendkerékről is le kell szedni. Szeretnék hozzá férni elölről is az "isostát" kapcsolókhoz, potikhoz, és a program kapcsolókhoz, AFC kapcsolóhoz is. Csak a HP55 a hangerő potit kéne megfújni, ha lehet, mert lezárás előtt egy kicsit elkezdet sercegni, de csak bekapcsolás után néhány másodpercig. |
Bejelentkezés
Hirdetés |





Valószínűleg nem lesz, a fejhallgató csatlakozó vagy a nyák hibája miatt.



