Fórum témák
» Több friss téma |
Fórum » Villanymotor bekötése
Nem a kivezetés a lényeg, hanem az, hogy a tekercselés nem birná el a 400V-ot. Ha a motor többi része egy adott teljesítményre van méretezve, akkor a te szempontodból mindegy, hogy ahhoz csillag vagy háromszögkapcsolást álmodott meg a tervező.
Tibor magyarázata szerint a motorod "nagycsillagban" jár 400V-ról (ami köztudottan a klasszikus 380V). Mivel nálunk ilyen hálózat van, ezért semmiben nem különbözik a többi 3 fázisú motortól. Ez a motor terheléssel is el kell induljon, a 3 LE pedig már sok mindenre használhatóvá teszi. Pl, egy közepes körfűrészt is képes elhajtani.
Hello!
Úgy látom én is, hogy ez a motor egy csapda. Gondolom a tekercselést azért alakították így, mert amerikában hol 110V, hol 220V feszültség volt. És ennek vonali feszültsége a 200/400V. A két bekötés, valószinűleg innen született. "Ha 1 mód van rá azért szerentém cs-d-be kötni, mert jó lenne terhelés alatt is indulnia... " Hát ismereteim szerint ez nem így működik. A Y/D kapcsolást, nem a motor teljesítményének v. indító nyomatékának növelése miatt találták ki, hanem indítás alatt a hálózat túlterhelésének megakadályozására. És pont ott alkalmazható előnyösen, ahol nem túl nagy az indítónyomaték igény. üdv! proli0
Hello!
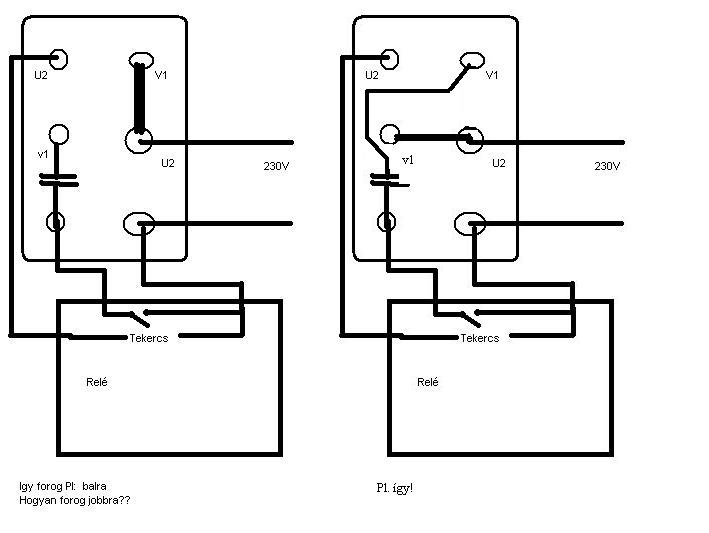
Szeretnék segítséget kérni! Hogyan kell azt megoldani hogy, van nekem egy 230V indító kondis egyfázisú motorom, elindítani eddig sikerült, de szeretném azt megcsinálni hogy 2 relé segítségével forgásirányt váltani. Csörlőben van és ahova lesz ott nincsen 3 fázis.A mellékelt képen van most bekötve.Be tudnátok rajzolni hogy mit kell cserélni??
Üdv!
Lerajzoltam a bekötést. Nem kell mégegy relé, legalábbis nem olyan indítórelé, ami most is van benne. Legegyszerűbb lenne pl. egy KK0-s vagy KK1-es kapcsolóval irányt váltani és azzal egyben kapcsolni is lehetne a motort. A pontos típusát így fejből nem tudom. Olyan kell, amiben van legalább két váltó érintkező és még egy a főáramkört lekapcsolni. ( 0 - 1 - 2 állású)
Üdv!
Itt a rajz, ha külön kapcsolót szerelsz irányt váltani.
Üdv!
Elfelejtettem előbb, a többi bekötési ponthoz ne nyúlj! Az marad úgy. Csak ezt a három pontot kell megbontani. Egyébként ezeknél az egyfázisú motoroknál mindig úgy lehet forgásirányt váltani, hogy az egyik tekercs két végét meg kell cserélni. Lehet akár a segédfázis vagy a főfázistekercs. Akkor van gond, ha csak három kivezetés van, mert a motoron belül közösítették a két tekercset, így nincs kívül áthidaló. Ilyenkor csak akkor lehet forgásirányt váltani, ha a két teketcs azonos(mindegy melyik a fő ill segédfázis). Ha nem azonos, akkor csak a motor szétszedésével, és az állórész fordított felszerelésével fordul meg a forgásirány. Természetesen ez menetközben nem alkalmaható
Hello!
Köszönöm a választ és a segítséget, ezzel most életet mentettél mert holnap délutánra kell készen lennie a szerkezetnek.
Sziasztok!
Van egy 0,37kW 3fázisú motorom, aminek az adatlapján ez áll: 380V csillag 1,3A 220V delta 2,3A Ha jól sejtem akkor ezt 1 fázisról delta kapcsolásban egy 24-28 mikros 450V segéd kondival el lehetne indítani, ugye? Esetleg mekkora indító kondit javasoltok, ha egyáltalán kell rá? Mérni nem mértem semmit, ha kell, akkor holnap meg tudom tenni.
Én ezt úgy oldottam meg, hogy nagyon vékony lyukat fúrtam a nyomó ágba, és behegesztettem úgy, hogy ne zárjon rendesen. 2 bekapcsolás közt annyi szökik el, hogy pont elindul a kompresszor.
MEnet közben jelentéktelen ami ott kijön. 220-as 1.1kW-os motor simán viszi a 2 hengeres vízhűtéses ZIL kompresszort. 10bár főlé nyomattam próbanyomáskor. Amúgy 5-7báron működik.
Hello!
Úgy van, ahogy gondolod, de kondi mindenképpen kell hozzá. (De nem 450V-os, hanem 250V~ kondit kell alkalmazni, mert a 450V-ból elkóra gondolok. Az nem jó!) üdv! proli007
Majd megmondom az eladónak, hogy motor indításhoz kell, de lehet hogy van is itthon, úgy emlékszem maradt egy másik motorról.
Indító kondit mekkorát tegyek rá, hogyha nehezen indulna? Betonkeverőn lesz, eddig is egy kb. 3-400W-os motor vitte, csak nem emlékszem annak idején hogy csináltuk meg
Üdv mindekinek!
Nos,én nem vagyok sem villanyszerelő,sem elektronikai bűvész. Nekem a falon van 400V-os aljzat,de a régi fajta,azaz 3+1 villa megy bele. Nemrég viszont vettem egy hegesztőt,az is megy 400v-tal,de a dugója annak már újabb,azaz 4+1 tűs. Kérdésem az lenne,megoldható-e az,hogy marad a régi aljzat + régi dugó egy hosszabító egyik végén,a másik végén meg egy új 5-ös lengőaljzat,de akkor mit hogy kell rajta átkötni? Vagy a falon is ki kell cserélnem az aljzatot,és úgy hozzá egy 5-ös hosszabító? Ja,és miért van azon 5 villa? Köszönöm annak aki segít előre is! ![]() Gondolom a régin 3 fázis + 1 a negatív.
Üdv!
Indítókondinak valóban jó a 250V~, de állandóra kicsi!! Oda 400-450V~ kell!! A 250V~ felrobban hosszabb üzem után. ( Természetesen nem elko) A boltban tudják. Üdv! Tomi
Üdv!
A 3+1 aljzat sem régi. Ma is használják. Ebben 3 fázis van + a földelés. Az 5 pólusúban meg 3 fázis, nulla és földelés van. (ezt olyan gépeknél használják, ahol nulla is kell, pl mágneskapcsolónak,stb.) Elvileg szabályosan nem lehet átalakítani a 4 pólusút 5-re, mert abban nincs nulla. Egyébként meg tudod nézni a bekötést. A dugóban és az aljzatban is jelölve van. L1, L2, L3, N, F( a földelést a jelével!, de a föld a vastag!) Esetleg a régiekben lehet a fázisok jele R, S, T. Szokták úgy átalakítani, hogy a nullára is a földelést kötik, de ez szabálytalan és életveszélyes! Inkább nézd meg a hegesztő dugóját, lehet nincs is bekötve benne a nulla. Ekkor cseréld ki a dugót 4 polusúra és kész is. Ha be van kötve, akkor a fali dugaljat kell kicserélni, de valószínű oda meg csak 4 eres kábel van húzva, így ha szabályosan akarod szerelni, másik kábel(5 eres)is kell, amibe a nullát is be tudod kötni. Üdv! Tomi
Ok kösz!
Az a baj,hogy Einhell cucc,de kínai összeszerelés.,és a kínaiak szeretnek mindent összeragasztani,vagy összeönteni vagy ragasztani,és a végén meg az van hogy semmi csavar,ha pedig szétakarod szedni vagy törni kell vayg vágni. Ezen meg 2 év gari van. De megnézem h csavaros-e és hogy mi a helyzet!
Na megnéztem,és tévedtem!
Csavarral van összerakva szerencsére,és 4 eres! Na,ha szembenézek a dugóval,akkor ilyen kiosztás van a nagydugó (földtől) óramutatójárásával ellentétesen: barna fekete üres (nincs erre a lábra semmi dugva) kék zöldsárga meg ugye a föld alul Akkor a sima 4-eres dugónál a z-sárga a föld ugyanúgy,a többinek sorrendjében van valami fontossági rend,vagy ugyanúgy kössem át mint ennél van a sorrend?
Köszönöm a segítséget, volt egy 25mikrós kondi itthon egy másik motorról, gyönyörűen indul vele, indító nem is kell rá.
Üdv 3+1 ajzatban 3fázis van + a nulla Az 5 pólúsuban meg 3 fázis
,nulla és a föld van ! A nullára lehet földelést kötni mivel a nullázás elfogadott érintésvédelni mód !(A null vezető a talajszondánál össze van kötve a védőföldel (N=F) Fázis nulla 230V, Fázis fázis 400V, Fázis föld 230V, Föld nulla 0V(Szakadás vizsgáloval vizsgálva át kell vezetnie( Ha nem vezet át szakadás van (életveszélyes a hálozat))
Szerintem Tomi írta jól a 3+1 -ben nincs nulla a vastagabb pöcök a védővezető....mivel ma már nem szabványos nem is szerelik sehova.
Ezt a "nullára lehet földelést kötni" dolgot gondold át és olvass utána. Ne adjunk életveszélyes tanácsokat! Helyesen : A védővezetővel egyesített nulláról leágaztatod a nullát és a leágazási pontot földeled. Innen külön vezeted és véletlenül sem kötöd többé össze. Tehát az áramszolgáltató hálózatán nem nulla vezető van!!! Hanem nullával egyesített védővezető! Az áramszolgáltató ezen okból kb. 200m-nként földeli ezt a vezetőt. Szabványos jele PEN vezető. PE=védővezető, N=Nulla... Nem kötözködésből csak a pontosság okán!
Sziasztok!
Van egy 2.2kW 1400RPM 380/220V 5.7/9.9A motorom, ezt szeretném 1 fázisról használni körfűrésznek. Azt már tudom , hogy elvileg Delta kapcsolásba kel bekötni és kb.: 155µF/400V üzemi kondi kell hozzá(szabvány?). Ha kell hozzá indító, akkor mekkorát? Mekkora fordulat kell egy 35-ös tárcsának? A 3fázis bekötését mennyiért csinálja meg a szolgáltató, vagy mi kell hozzá? Várom az észrevételeket! Köszi!
Üdv
Egy 2,2kW-os motorra 120uF(2db 60µF-os) üzemi kondi elég, indító kondi feltétlenül kell hogy rendesen elinduljon és az legalább legyen 160µF és deltába kell kötni a motort, de arra kell számolni hogy annak a 2,2kW-nak csak 2harmada lesz a teljesítménye. Azt tudom hogy 3fázist bekötetni az egy kisebb vagyon, nem hinném hogy megérné, ha csak nincsenek más ipari gépeid is.
Azt tudom hogy gyengébb lesz. A 2 üzemi kondit párhuzamosan kell bekötni? Mert gondolom az indítót is párhuzamosan egy nyomógombbal megszakítva.
Köszi a segítséget.
Igen párhuzamosan kell kötni, és az indítót is párhuzamosan vele, az indító elé meg egy nyomó gomb
Üdv!
Szerintem Tomi rosszul írta mert a 3+1-ben NEF vezető látja el a földelés szerepét ! (L1,L2,L3,NEF) (NEF=N+PE) (TN-C-S hálózat) 5-ben (L1,L2,L3,N,PE) (TT-hálózat) És a nullázás elfogadott érintés védelmi mód mint a kettős szigetelés és a védelem törpefeszültségel. ((VDE 0100) Érintésvédelmi osztályok) Ahol nincs a dugaszolóajzatban védőföld ott a nullvezetőtt kötik a dugaszolóajzat föld pontjához (A nullavezető mindig le van földelve a házadban !) Az áramszolgáltatótól kapott csatlakozási ponton tehát a hegesztőgépen nyugottan lehet a nullvezetőt és a földet öszekötni ! ( A dugaszoló ajzatban csak a fázis rázhat meg ! (ennél jelez a fázis ceruza !) A null vezető nem rázhat meg ! Idézet az Elektrotechnikai alapismeretek című tankönyvből ! A családomban mindenki műszaki végzetségű ! (Villamosmérnők (BME),Erősáramú technikus(VLVT),Számitástechnikai műszerész)(CSMSZ) Dudus tomi azért irta rosszul mert szerinte a föld van benne csak pedig a nullával egyesitet védővezető van benne idézet töled: A védővezetővel egyesitett nulláról leágaztatod a nullát és a leágasztatott pontot földeled !Én a Nullát a házban lévő nullára értetem !(Ami már öszevan kötve a védővezetővel és a védővezetőt azért jelöltem F-el mert igy jobban érthető hogy a foldről van szó és nem másról mert a szabványos jelőlést (NEF vagy PEN ) nem bisztos hogy minden forumozó érti ! Ha a tanácsomnak meg felelően áramtalanitott hálozaton szakadás vizsgálóval rámér bárki a dugaszolóajzatban a nullvezető és a védővezetőre azt fogja tapasztalni hogy átvezet kivéve ha TT hálozata van mert ott a nullátó (N)l külön van a védővezető (PE) (5 polusu) hálozat azért van itt külön hogy alkalmazható legyen a Hibafeszültség védőkapcsolás ami TN-hálózatoknál (3+1 polusu)l nem használható !A TN-C-S hálozat van a lakásokban 98%ban ! Nem kötözködésből csak a pontoság okán mert azért van a forum hogy segitsünk egymásnak !
Azért nézz utána egy kicsit, mert nem pontos amit írtál.
Mert a következő lehetőségek vannak. 1; L1.L2.L3.N.PE. mindegyik külön vezetve ezt nevezzük (T-N-S) rendszernek. Ez az elfogadott fogyasztói hálózat. 2; L1.L2.L3.NPE...N.PE. itt a hálózat egy részében a nullavezető és az érintésvédelmet szolgáló vezeték közös, de ha egyszer szétválasztottuk utána újra közösíteni szigorúan tilos. E módszer alkalmazhatóságát a vezeték keresztmetszet és a kötelezően előírt ÉV. határozza meg. 3; L1.L2.L3.NPE.i tt a hálózat egészében a nullavezető és az érintésvédelmet szolgáló vezeték közös, Ezt a módszert alkalmazzákaz elosztói kábelhálózatokon.
Hello
Idézet: ( A dugaszoló ajzatban csak a fázis rázhat meg ! (ennél jelez a fázis ceruza !) A null vezető nem rázhat meg ! „Ahol nincs a dugaszolóajzatban védőföld ott a nullvezetőtt kötik a dugaszolóajzat föld pontjához :eek2:” Amig a nullavezető ép bizony nem ráz. De utánna...
sziasztok nekem is lenne egy motorom 2,2 kw
3 kivezetésű mekkora üzemi kondit tegyek rá, mert itt láttam valahol kw-ént 70-et írt, de volt olyan is ahol valakinek a szintén 2,2kw-osa 100-assal már melegedett?
Ha csak a 3 vége van kihúzva akkor felejtős a dolog, mivel akkor 99% hogy csillagba van elkötve a motor, de nekünk deltába kell! KW-onként kb. 70µF az jó, de mindegy hogy hogyan számolod azt az 1KW-ot!
Ott van neked például az a 2,2KW-os motor, azt kell nézned hogy annak a teljesítménynek kb. 2harmada fog kijönni belőle, vagyis kb. 1500-1600W, ehhez ha az ember kiszámolja akkor 100mikro körül jön ki az üzemi kondija, plusz kell rá ez indító kondi is főleg ha 2800-at pörög a motor, annak legalább 160µF-osnak kell lenni-e. Egy párat már én is átkötöttem és 2darab 60µF-os kondit szoktam rájuk tenni párhuzamosan, plusz egy inditó, és eddig mindegyik működött! A melegedés szempontjából van többféle motor pl. a régi motoroknak 70-80Cfok volt az üzemi hőjük, de viszont a mostani motoroknak 100Cfok körül van és ezek viszont már üresen is elég rendesen melegednek!
Helló!
Az imént olvastam 191474-es hozzászólásodban, hogy van neked egy állványos fúród. Nos az lenne a problémám, hogy nekem is van pontosan egy ugyanilyen állványos fúróm. Nemrég szereztem be, eddig 3 fázisról ment, de itthon csak 1 fázis áll rendelkezésemre, hogy használhassam. Le tudnád nekem írni, hogy miként helyezted üzembe, esetleg egy kapcsolási rajznak nagyon tudnék örülni. Mekkora indítókondi kell hozzá, hogy 1 fázisról tudjam üzemeltetni? |
Bejelentkezés
Hirdetés |








Amig a nullavezető ép bizony nem ráz. De utánna... 
