Fórum témák
» Több friss téma |
Szia! Nincs a közelben slagos távolságban (20m) sem vízvételezési lehetőség? A tartályos megoldás az kérdéses, mert én úgy tudom, hogy oda kell folynia a víznek ahhoz, hogy a nagynyomású szivattyú fel tudja turbózni (szárazon futása tönkremenetelhez vezet). Tehát nem lehet levegős a rendszer, ebből adódik, hogy talán ejtőtartályos megoldásban kellene gondolkodni. A szivattyús megoldás az úgy lesz jó, hogy annak hirofornak kell lennie, úgy oda teszed a tartályt ahová akarod.
Igen, ahogy VIM is írja:
Idézet: , erre nagyon figyelj. Ha már légtelen a rendszer akkor a mélyebben levő hordóból is tudja produkálni a magasnyomást. Valamilyen *előtét* szivattyú mindenféleképp fog kelleni. „szárazon futása tönkremenetelhez vezet”
Van egy keringető szivattyum ,az szerintetek fel tudná szívni a hordóból a vizet ?
Szívni semmiképpen, felnyomni minden bizonnyal igen.
Sajnos az se alkalmas ilyen feladatra mert ha a legkisebb levegő is van a rendszerben, csak üresen fog járni.
Egy ötlet beugrott: ha a hordó alsó részére rá tudod építeni a keringtető szivattyút akkor az már felnyom annyit, hogy a nagynyomású mosó beinduljon. Ebben az esetben figyelni kell, hogy a vízszint ne menjen az alsó cső szintje alá.
Induláskor elöször a keringtető majd ha megjelent a víz fent akkor a nagynyomású induljon. A hozzászólás módosítva: Jan 1, 2016
Ha a tartály magasabban van mint a szivattyú, működni fog.
Idézet: „Ha a 200 literes hordót leteszem az autószerelő aknába...” Ez a gondja a kérdezőnek.
Felrakja négy téglára. Ennyinek elégnek kell lennie, még légteleníteni sem kell ha a keringető motorja nem függőlegesen felfelé áll hanem lefelé.
Bocs, félreértettem a választ, így már értem.
Üdv! Nekünk van egy wap márkájú 120 bar-os kismosónk, az 1,5m-ről hordóból még felemeli a vizet, de van egy Kranzle 150 bar-os az akkor se működik ,ha 1,5 bar-nál kisebb a hálózati nyomás, szóval először utána kell nézni a tied milyen, vagy ki kell próbálni...
Sziasztok
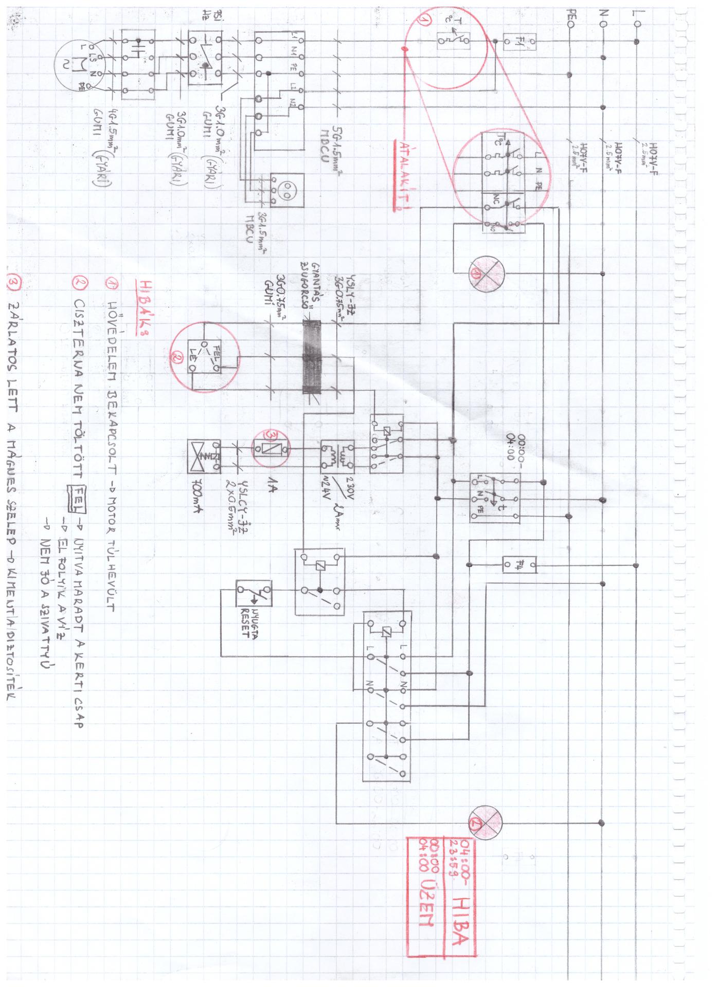
Adott egy O K HWW 28000 hidrofor vizszivattyú az összes tömítés cseréje után elértük rajta a 3,5 bar nyomást ahhoz hogy magától kikapcsoljon. Megynyitottuk a házban a csapot akkor volt is víz. Ahogy a szivattyú érzékelte a nyomáscsökkenést be is kapcsolt. A gond az hogy nem értük el azt az állapotot hogy teljesen levegőmentes legyen a csőhálózat ami a házban van.A bojlerből sem jött víz a meleg oldalon.Folyamatosan megy a szivattyú 1,2 bar körüli nyomással.Ősszességében nincs kellő teljesítmény.A szivattyú elméletben jó mert ajavítása előtt kellő teljesítménye volt. Mi okozhat alacsony teljesítményt?
Szia!
Úgy néz ki, hogy valahol elfolyik a víz. Ha a vezetékhálózat tömör, akkor rákötés után is el kellene érni azt a 3,5 bar nyomást.
Ha így van ez hol lehetséges leginkább?
A gumimembránt/lufit nem cseréltük egyedül. Ha a csere lufi az nagyobb az mennyire okozhat gondot? - ha ezzel lehet a gond/nem lukas mert ellenőriztük.
Idézet: „Folyamatosan megy a szivattyú 1,2 bar körüli nyomással.” Hová kerül a termelt víz? Meg kellene keresni, de ez már itt nagyon off téma.
Viszonyításképpen;
1.2 bar 1óra alatt mennyi vizet tud termelni literben? Ha jol sejtem azt mondod a szivattyú után valahol elfolyik a víz? Nem tudom számít e; Van az akna tetejére kivezetve egy kerti csap, annak van egy elzáró szepe lent az aknában.Amikor elzártam a szelep alsó felén kifolyt egy minimális mennyiségű víz. Na most amikor a kerti csap is nyitva volt az aknában akkor megvolt a 3.5 bar és miután lezártuk az aknában és így újraindulva a szivattyú már nem érte el a kellő nyomást. Lehetséges hogy az aknában levő szelepen falsot kapna a hálózat és azért nem éri el a kikapcsolási nyomást?
Szia
"Amikor elzártam a szelep alsó felén kifolyt egy minimális mennyiségű víz." Ezek szerint, látod a szelepet. Amikor csökken a víz nyomás (1,2 bar) és nem folyik nem ott lesz a gond. A kerti csap víztelenítő szelepe, olyan hogy elzárja a kerti csap felé menő víz útját, és a kerti csapból,( ha nyitva van ) visszaengedi a benne lévő vizet. (ne fagyon be ) Ha fordítva lett bekötve, akkor zárt állapotba, folyamatosan engedi ki, a vizet. "A szivattyú elméletben jó mert ajavítása előtt kellő teljesítménye volt." Igen, csak szét lett szedve. Gondolom a lakás, nem. Ha összerakásnál, nem törekedtél, az álló és a forgó lapátok közötti legkisebb hézagra, mind nyomásra, mind szállított víz mennyiségre, lehet gond. üdv.
Sziasztok!
Van egy 40-es PVC fúrt kút csonkom. Erre keresek valami 12V-os szivattyút amivel 1000l tartályt tudok tölteni. Ha valakinek van ötlete kérem ne tarsa vissza! Előre is köszönöm!
Ez egy 40mm-es PVC cső, tetején visszacsapó szeleppel. A nyugvó vízszint 5-6 méter.
Szegedi kút A hozzászólás módosítva: Nov 5, 2018
Sziasztok!
Van egy AL-KO mélykuti szivattyú, ami 40 méteren van lent. A motor vezérlését egy AL-KO hydrocontrol látja el, ami 3 in 1 (Nyomáskapcsoló, Áramlás kapcsoló, Frekiváltó). A szivattyú hővédelmét egy sima nyomógombos KUOYUH 88 10A-es Hőkioldó látja el. Ezt szeretném lecserélni egy Hókioldó automatára, ami két polusú, és rakható rá NO/NC segéd kontaktus. Eddig csak olyan fajtát találtam, ami Mágneskapcsoló után köthető, nincs olyan változat ami sorkapcsos? Másik kérdésem hogy ezek az automaták hogyan működnek? Nekem arra lenne szükségem, hogy ha túlhevülést észlel, akkor kapcsoljon ki 5-10 percre, aztán vissza. Ha ezek után második alkalommal is túlhevül, akkor kapcsoljon le végleg. Köszönöm a segítséget.
Ilyen nincs szerintem, csak ami leold és úgy is marad. A hőkioldónak (motorvédőnek) az a feladata, hogy megvédje a motort a leégéstől. Ha leold és tényleg meleg a motor, akkor ott baj van. Esetleg a képen látható komolyabb motorvédők vannak még.
Bár, ha van benne frekiváltó, akkor a motorvédőnek nincs sok plusz haszna. A frekiváltó elvileg hamarabb leáll hibára.
Szia.
A legtöbb motorvédő hiba esetén kikapcsol és úgy is marad, neked kell visszaállítanod. Kétféle megoldás van alapvetően. eSDi által küldött képen a főáramköri kioldású van. Azaz, ez megszakítja a motorra menő feszültséget. A másik (lásd a csatolt képem) a segéd-áramköri megoldású. Ezen csak átfolyik a motor árama, hiba esetén egy segédérintkező kapcsol. Itt kell egy áramkör, ami kikapcsolja ki a mágneskapcsolót. Ahogy a képen láthatod, ennek van egy kék beállítója H (Hand) és A (Automatic) állással. Automatic állásban visszaáll magától, ahogy a bimetall "visszahajlik". Ekkor újra bekapcsolja a mágneskapcsolót például. DE: ennek a visszakapcsolásnak az ideje értelemszerűen nem állítható, továbbá ezt a kioldás és automata visszakapcsolás ciklust a végtelenségig fogja játszani. Amennyiben mást szeretnél, akkor elektronikával kell a motorvédő jelét feldolgozni. De ahogy eSDi is írta, ha van frekvenciaváltó a motor előtt, akkor nincs szükség a motorvédőre, csak egy kismegszakító kell ide. De ha nem frekvenciaváltó, hanem lágy indító az eszköz, még abban is lehet megfelelő védelem. Kimenet a túlterheléses hibáról és bemenet a visszaállításhoz pedig (típustól és persze beállítástól függően) mindkét eszköz esetében lehet. Tehát valamilyen elektronikával itt is megoldható a kioldás utáni időzített visszaállítás egyetlen alkalommal.
Ez a "hőkioldó" túláram hatására melegszik és old le. Pl. három fázisú motor esetén fázis kimaradáskor a megmaradt fázisokon folyó nagyobb áramok miatt.
Frekvenciaváltónál elvileg ez nem fordulhatna elő, talán beállítási hiba is lehet. (Nem szereti a motor azt a frekvenciát, amit kap, nagyobb a vesztesége stb., vagy a melegedéskor menetzárlatos lesz. Az igazi hővédelem - elvileg - benne van a motorban (Pl. klixon, vagy termisztor formájában). Elsőként arról kell meggyőződni, hogy a motor valóban melegszik-e. A hozzászólás módosítva: Jan 2, 2019
|
Bejelentkezés
Hirdetés |








