Fórum témák
» Több friss téma |
Cikkek » 4 csatornás erősítő TDA1558Q IC-vel 4 csatornás erősítő TDA1558Q IC-vel
Szerző: titi, idő: Jún 17, 2009, Olvasva: 57041, Oldal olvasási idő: kb. 1 perc
Ebben a cikkben egy TDA1558Q IC-vel megvalósított, 4 csatornás erősítőt szeretnék bemutatni. De a kialakításából adódóan mód van rá, hogy hidalva, vagyis sztereó erősítőként is használhassuk. A cikkben ennek megvalósítására is kitérek majd.
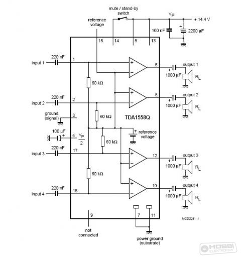
Miért erre az IC-re esett a választásom? Több oka is van. Egyrészt mivel elsősorban autós használatra tervezték, így a táplálása akár egy PC táppal is könnyen megoldható. Először vegyük szemügyre az IC adatlapját, és az abban található kapcsolást.
Mint láthatjuk, a tok két invertáló, és két nem invertáló erősítőt tartalmaz. Ebből kifolyólag van lehetőségünk a kimeneteket hidalni. Négycsatornás módban a hangszórók kicsatoló kondenzátorokon keresztül kapcsolódnak a kimenetek és a föld közzé, ezzel választva le a hangszórókról az egyenfeszültséget. (Ami a tápfeszültség fele.) A táp szűrését a "szokásos" 100nF-os kerámia, és egy 2200µF-os elektrolit kondenzátor végzi. Az IC 4-es lábán a tápfeszültég felét mérhetjük, ezt azért vezették ki, hogy egy megfelelő értékű elektrolitkondenzátorral stabillá tehessük. (supply voltage ripple rejection.) A kapcsolásban alkalmazott elektrolit kondenzátorok minimum 25V feszültségűek legyenek! Talán még azt említeném meg, hogy fordított polaritás ellen védve van az IC, azonban én azt javaslom ezt ne próbáljuk ki. A cikk még nem ért véget, lapozz! Értékeléshez bejelentkezés szükséges! |
Bejelentkezés
Hirdetés |




