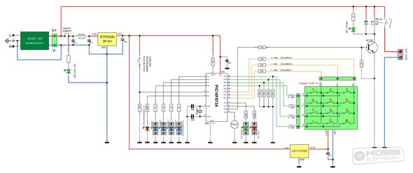
Mint látható, tényleg nem bonyolult áramkörről van szó. PIC16F876A kontrollert használtam fel a megvalósítás során. A billentyűzet gyakorlatilag bármilyen típusú 3x4-es numerikus billentyűzet lehet. Néhány kiegészítő alkatrész, és kész is a kódzár. A lényegi rész a programban van, ez végzi a munka dandárját. A program Flowcode V9.2-ben készült. A 3,3 V-os stabilizátorra érdemes tenni egy kisebb hűtőbordát, vagy hűtőzászlót, mert a billentyűzet háttérvilágítás kb. 230-240 mA-t fogyaszt. Természetesen, ha nem használunk háttérvilágítást, akkor nem szükséges beültetni a 3,3 V-os stabilizátort. Ha kapcsolóüzemű tápegységet használunk, a földelést feltétlenül kössük be, illetve a fölelést a V- sorkapcsoba is kössük be! Ezek hiányában nagyon sok zavarjel keletkezik a táp kimenetén, ami megzavarja a kontrollert.
Kattints ide a pdf letöltéséhez: Kapcsolási rajz

A cikk még nem ért véget, lapozz!
Értékeléshez bejelentkezés szükséges!