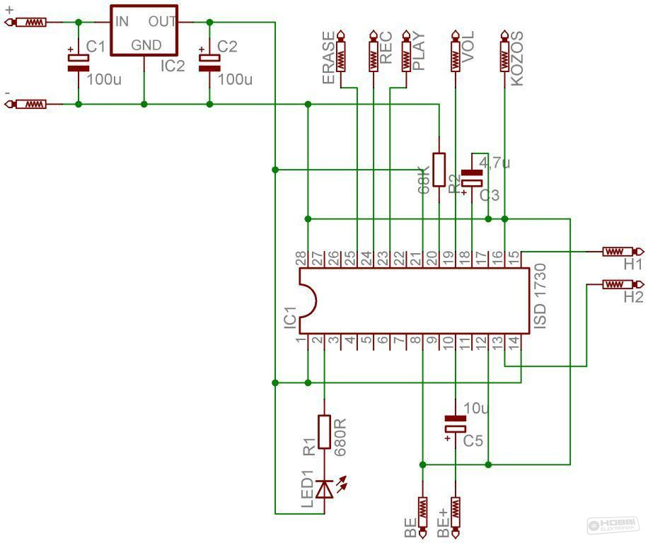
A kapcsolási rajz:

Az ERASE (törlés), REC (felvétel), PLAY (lejátszás), VOL (hangerő) kivezetések egy-egy nyomógombhoz csatlakoznak. A nyomógombok másik fele a KOZOS (közös) kivezetéshez.
A + - kivezetésre kapcsoljuk a tápfeszültséget (9-12V). A H1, H2 kivezetésekre egy legalább 8 ohm-os hangszórót csatlakoztassunk.
A 'BE" kivezetésekre csatlakoztassuk a rögzítendő jelet ami lehet valamilyen vonalkimenet (pl. számítógép hangkártyája, MP3 lejátszó, deck ) vagy a hangszórót is átköthetjük a bemenetre dinamikus mikrofonként felhasználva azt.
Alkatrészlista:
ISD 1730 IC
1 db 7805 stab. IC
1 db 4,7ufF16v elko
1 db 10uf 16v elko
2 db 100µF 16v elko
1 db 680 ohm
1 db 68K ohm
1 db 3mm LED
1 db 8 ohm-os hangszóró
A cikk még nem ért véget, lapozz!
Értékeléshez bejelentkezés szükséges!