Fórum témák
» Több friss téma |
Cikkek » Inkrementális szögadó illesztése mikrokontrollerhez Inkrementális szögadó illesztése mikrokontrollerhez
Szerző: ATtiny, idő: Feb 1, 2010, Olvasva: 22720, Oldal olvasási idő: kb. 2 perc
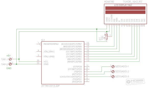
Gyakorlati megvalósítás: A következőkben bemutatok az egyszeres, kétszeres dekódolásra egy-egy működő példát. Mivel a célom az, hogy egy egyszerű és könnyen megérthető példát mutassak, így nagyon egyszerű a hardver és a szoftver is csak a dekódolás bemutatására szorítkozik. Illetve az egyetlen extra funkció egy karakteres LCD meghajtása. Ezt is csak ezért raktam bele, mert kell valami visszajelzés a külvilág felé, hogy a szögadó milyen állapotban van. A kód C nyelven íródott és mind a két példa a szögjeladó abszolút helyzetét igyekszik kijelezni. Ez csak az után jelez ki helyes értéket, ha a szögjeladó index jelét már megtalálta a szoftver. A kód elején a #define -k között meg kell adni a a szögadó felbontását. A kód így ebben az állapotban csak a dekódolás elvét mutatja be. Ha valaki hasznos feladatra akarja használni, akkor át kell majd írnia az adott feladathoz igazítva. Kapcsolási rajz: Felhasznált eszközök:
Meglepően rövid a lista. De ez már csak így van mikrokontrolleres áramköröknél. A hardver egyszerű és a szoftver bonyolult. Pár szó a felhasznált szögjeladóról. Én a BEI cég X25D-SS-2048-ABZC-4469-SM18 -as típusát használtam. Ez egy minden szempontból szabványosnak tekinthető, igen jó minőségű szögjeladó. Az adatlapja elérhető itt, ha valakit érdekel. Érdemes megnézni, mert minden jó nevű gyár hasonló adatlapot ad a szögadói mellé. Mint látható a fizikai felbontása 2048 lépés ás A,B,Z csatorna kimenete van, illetve ezek inverzei is rendelkezésre állnak. A kimenetek nyitott kollektorosak, ez nagyban megkönnyíti az illesztésüket a mikrokontrollerhez, hiszen az AVR-ek esetében beépített felhúzó ellenállások bekapcsolása után semmilyen külső alkatrész nem kell. Azért megjegyzem, hogy ipari környezetben illik valami leválasztást és zaj szűrést is berakni. Tápfeszültségnek szerencsére elegendő 5V is, így lehet a mikrokontrollernek és a szögjeladónak is közös a táp. Egyszeres dekódolás: A kapcsolási rajz alapján a SZÖGADÓ-1 csatlakozóhoz kell kapcsolni a szögjeladó B csatornáját. A SZÖGADÓ-2 -es csatlakozóra jön a szögjeladó Z (index) csatornája, míg a SZÖGADÓ-3 -as csatlakozóra a szögjeladó A csatornáját kell kötni. Beégethető hex file Kétszeres dekódolás: A kapcsolási rajz alapján a SZÖGADÓ-1 csatlakozóhoz kell kapcsolni a szögjeladó Z (index) csatornáját. A SZÖGADÓ-2 -es csatlakozóra jön a szögjeladó B csatornája, míg a SZÖGADÓ-3 -as csatlakozóra a szögjeladó A csatornáját kell kötni. Beégethető hex fle Végül egy kép működés közben a demó panelemen:
Remélem sikerült megértenetek a szögjeladók működését és dekódolásának mikéntét. Ha kérdés vagy észrevétel van a cikkel kapcsolatban, nyugodtan lehet írni. Üdvözlettel: Értékeléshez bejelentkezés szükséges! |
Bejelentkezés
Hirdetés |




