Fórum témák

» Több friss téma
Cikkek » Propeller Clock
Propeller Clock
Szerző: vicsys, idő: Jún 2, 2005, Olvasva: 120222, Oldal olvasási idő: kb. 1 perc
Lapozás: OK   4 / 6

Elektronika

A propeller rész nincs közvetlen fizikai kapcsolatban a bázissal, ezért a tápfeszültséget egy speciális trafón keresztül juttatja el a bázis. Ez, egy légmagos trafó ami 2 tekercsből áll. Egy külső álló (primer), és forgó tekercs (szekunder). A primer oldalt a bázison lévő FET kapcsolgatja méghozzá változó szélességű impulzusokkal. A szekunder oldalon ezáltal feszültség indukálódik amit egyenirányítunk szűrünk, stabilizálunk.

 Amint az látható, egy mikrokontroller vezérli a ledeket 1-1 tranzisztoron keresztül. Az egyenirányítás után van kötve egy 15V/5W-os zener ami a keletkező (akár 50V-os) tüskéket vágja le, majd egy 1000µF/16V-os kondival puffereljük. A kontroller 20MHz-es kvarccal megy,a 2-es lábán kijövő 2,5KHz-es mérőjellel lehet pontosan beállítani az óra késését-sietését a kvarc melletti forgó (trimmer) kondival. A fototranzisztor a propeller forgását szinkronozza. Az infra vevő (TSOP17xx) pedig majd a beállításnál és funkció váltásnál fog szerepet játszani.

A bázis több dologban is résztvesz.

 Tápfeszültséget biztosít (a trafón keresztül), szinkronizálja a propellert fordulatonként, vezérli a ventillátor fordulatszámát, vezérlőjeleket fogad a távszabályzótól.
Az LM2941 egy speciális stabilizátor IC. A különlegessége abból adódik, hogy van egy vezérlő bemenete amin keresztül ki-be lehet kapcsolgatni. Ezt a funkciót a bázis, a forgás szinkronizálásához, és leállításához használja. Az eredeti kapcsolásban MIC2941 szerepel-VIGYÁZAT-más a lábkiosztása mint a nálunk kapható LM2941 ! (én is az utóbbit építettem be)

Távszabályzó

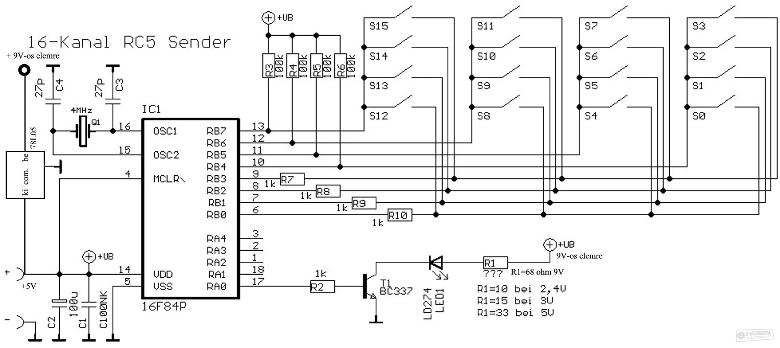
 Mivel a propeller rész nincs galvanikus (fizikai) kapcsolatban az álló résszel, ezért arra nyomógombokat nem lehet szerelni. Így a legegyszerűbb megoldás, hogy egy infrás távirányítóval kapcsolgassuk. A lényeg az, hogy a propeller és bázis a Philips által kifejlesztett RC-5 szabvány alapján kezeli a távszabályzó jeleit. Sok távszabályzó működik ezzel a szabvánnyal az újabbak közül. Könnyen elképzelhető, hogy egy DVD vagy TV távszabályzó gombjai is "viszik". A rajzon látszik, hogy én még 1db. 5V-os stabIC-t beraktam mert a PIC-nek 5V-os a tápfesze, és ha többet kap, -elhalálozhat. (az egyszerűség kedvéért 9V-os szárazelemről üzemeltetetem)

Jöhet a szoftver?


A cikk még nem ért véget, lapozz!
Következő: »»   4 / 6
Értékeléshez bejelentkezés szükséges!
Bejelentkezés

Belépés

Hirdetés
XDT.hu
Az oldalon sütiket használunk a helyes működéshez. Bővebb információt az adatvédelmi szabályzatban olvashatsz. Megértettem