Fórum témák
» Több friss téma |
Ilyen esetben szoktak olyan megoldást alkalmazni, hogy két sorbakötött tranyó (mint egy erősítőnél) emittereivel kialakítanak egy virtuális földet. Ezt egy műveleti erősítővel hasonlítják két egyforma ellenállásból álló feszültségfelező ponthoz, és a két tranyót olyan értelemben vezérlik vele, hogy a lehető legkisebb eltérés legyen a fél feszültséghez képest.
A 2. ötleted nem igazán jó, mert ugyan szimmetrikus, de egyutas, ráadásul - terheletlenül - 2x akkora a feszültség, mint kéne.
ha megfelelően összekötök 2 egyforma trafót akkor abból elő lehetne állítani középmegcsapolt trafót????
de akkor azt úgy kell megfelelően összekötni hogy a primer oldalt párhuzamosan a szekundert pedig sorba kötöm??
Igen, de nagy mákod kell legyen ahhoz a két egyforma trafóhoz,..
Könnyebb kétszerezni vagy a célnak megfelelő közép-ágas trafót szerelni,..
és hogyha a primer oldalt is sorba kötöm akkor mi fog bekövetkezni??megfeleződik a primer oldali feszültség??
de ha tegyük fel van 2 db 1x-es 12V-os trafóm és ha összekötöm őket sorba akkor kapok 2x-es 12V-os trafót igaz??ebben mekkora lenne a veszteség??
Kétszerezés alatt mit értesz??
Ha a két trafód kimenete névlegesen egyezik is, az nem jelenti azt, hogy pl. induktivitásra is csont egyformák, akkor pedig már jobban melegít, mint hajt...
Nem tudom, mit szeretnél működtetni szimmetrikus tápról, de ha van otthon mondjuk egy bontható rádiós ébresztőóra, vagy régebbi magnó, azokban mindig ott a két szekunderes trafó, néhány 100 mA-t le tudnak adni.
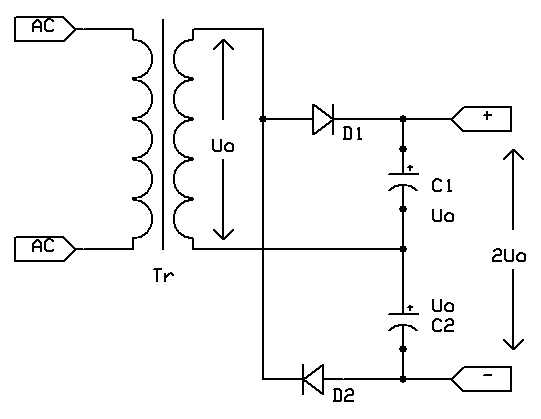
Kétszerezés alatt e hsz -ben csatolt képet értem. Amgy igen ha összekötöd azt a 2db 12v -os trafót akkor 2x 12v -od lesz a kimeneteken, ahol összekötötted őket az lesz a közös, ún majd a null és a másik kettő megy az egyenirányitó vagy egyenirányitókra, attól függ hogy akarod majd megoldani,
(de sztem akkor sincs két egyforma trafó, induktivitás, áram, stb), nincs benne semmi veszteség a kimeneten, csak a villanyórád, mivel 2db primért táplálsz egy helyett. Es pontosan, ha a primér oldalt sorbakötöd akkor megfeleződik, tehát kb 110v -ol megy majd.
erre gondoltam a legelején hogy így is lehetne csinálni!!de itt a végpontokon akkor 2szeres feszültséget fogok mérni!!a másik az hogy a szűrésre gondosabban kell odafigyelni!!
az előző hozzászólásomhoz itt a kép
a szimmetrikus trafóval egy végfokot szeretnék meghajtani!!
|
Bejelentkezés
Hirdetés |






