OK
Mégsem
Hobbivasút
|
HESTORE
|
Kislexikon
Hírek
Cikkek
Fórum
OK
Hírek
Cikkek
Fórum
Lexikon
Segédprogramok
Apróhirdetés
Fórum témák
PIC kezdőknek
AVR - Miértek hogyanok
NYÁK-lap készítés kérdések
Ki mit épített?
Ez milyen alkatrész-készülék?
Elektronikában kezdők kérdései
[OFF] Pihenő pákások témája
- Elektronika, és politikamentes topik
ARM - Miértek hogyanok
•
Mosogatógép hiba
•
Elfogadnám, ha ingyen elvihető
•
Számítógép hiba, de mi a probléma?
•
Forrasztási 1×1 forrasztástechnikai miértek
•
Felajánlás, azaz ingyen elvihető
•
Futópad
•
3D nyomtatás
•
Házilag építhető fémkereső
•
K típusú hőelem alkalmazása
•
Frekvenciamérő
•
Gigatron TTL számítógép
•
Gázkazán vezérlő hibák
•
Villanymotor bekötése
•
SDR (Software Defined Radio)
•
Castone erősítő javítás
•
Rendelés külföldről (eBay - Paypal)
•
Alternativ HE találkozó(k)
•
DC motor/lámpa PWM szabályzása
•
Akkumulátor töltő
•
Erősítő mindig és mindig
•
Energomat mosógép
•
Androidos okos telefonok
•
Dobozolási technikák, műszerdobozok
•
Mikrohullámú trafóból hegesztő
•
Opel Astra elektromos hibák
•
Kapcsolóáramkör MOSFET-tel
•
Frekvenciaváltó
•
LG okos tv
•
Tápegységgel kapcsolatos kérdések
•
Labortápegység készítése
•
Arduino
•
Vásárlás, hol kapható?
•
Vicces - mókás történetek
•
Mosógép vezérlők és általános problémáik
•
Kapcsolóüzemű tápegység
•
Gáztüzhely elektromos szikráztatója
•
MyElecParts alkatrészkereső és készletnyilvántartó
•
Kombikazán működési hiba
•
Aszinkron motor teljesítményének meghatározása
•
Mikrokontrollerek zavarszűrése
•
Érdekességek
•
Izzítás és izzítógyertya teszter
•
Motorindító kondenzátor
•
Philips TV
•
Szárítógép problémák
•
HESTORE.hu
•
Sprint-Layout NYÁK-tervező
•
Kazettás magnó (deck) javítása
•
555-ös IC-s kapcsolások
•
Bojler fűtése közvetlenül napelemmel
•
Autóelektronika
•
Videókártya probléma
•
Rádióamatőrök topikja
•
Tekercs induktivitás kiszámítása
•
Hangszínszabályzó
» Több friss téma
Fórum
Keresendő kifejezés
Keresés módja
Intelligens keresés
Hozzászólás keresés
Fájlmellékletben
Fájlmellékletben (képek)
Kategória
Minden kategória
Alapismeretek
Ellenállások
Kondenzátor
Áramforrások
Tekercsek
Kapcsolók
Érzékelők
Motorok
Műszerek
Egyéb
Analóg áramkörök
Erősítők
Szabályzók
Egyéb
Digitális áramkörök
Flip - Flop és tárolók
Kapuk
Vonali választók
Multiplexerek
Dekóderek
Demultiplexerek
Bufferek és meghajtók
Számlálók
Regiszterek
Aritmetikai áramkörök
Logikai áramkörök
Memóriák
Egyéb
Mikroprocesszorok
PIC
Memória / EEPROM
Memória / EPROM
Memória / RAM
Egyéb
AVR
STM32
STM8
Espressif, ESP
LPC
SAM
PIC32
ARM általános
Speciális
Csövek
A/D konverterek
Időzítők
Komparátorok
Egyéb
Technika
Audiotechnika
Fénytechnika
Vezérlés technika
RF technika
Méréstechnika
Keresés
Új téma nyitása
Lapozás:
1. - 50. elem
51. - 100. elem
101. - 150. elem
151. - 200. elem
201. - 250. elem
251. - 300. elem
301. - 350. elem
351. - 400. elem
401. - 450. elem
451. - 500. elem
501. - 550. elem
551. - 600. elem
601. - 650. elem
651. - 700. elem
701. - 750. elem
751. - 800. elem
801. - 850. elem
851. - 900. elem
901. - 950. elem
951. - 1000. elem
1001. - 1050. elem
1051. - 1100. elem
1101. - 1150. elem
1151. - 1200. elem
1201. - 1250. elem
1251. - 1300. elem
1301. - 1350. elem
1351. - 1400. elem
1401. - 1450. elem
1451. - 1500. elem
1501. - 1550. elem
1551. - 1600. elem
1601. - 1650. elem
1651. - 1700. elem
1701. - 1750. elem
1751. - 1800. elem
1801. - 1850. elem
1851. - 1900. elem
1901. - 1950. elem
1951. - 2000. elem
2001. - 2050. elem
2051. - 2060. elem
OK
12 / 42
IMG.jpg
IMG_20190906...jpg
DSC_0241.JPG
DSC_0242.JPG
DSC_0243.JPG
DSC_0244.JPG
DSC_0239.JPG
DSC_0331.JPG
DSC_0236.JPG
DSC_0234.JPG
DSC_0232.JPG
IMG_20190630...jpg
IMG_20190630...jpg
IMG_20190629...jpg
adattabla.jpg
motor.jpg
frekivalto.jpg
E1_Kart.jpg
IMG_20190619...jpg
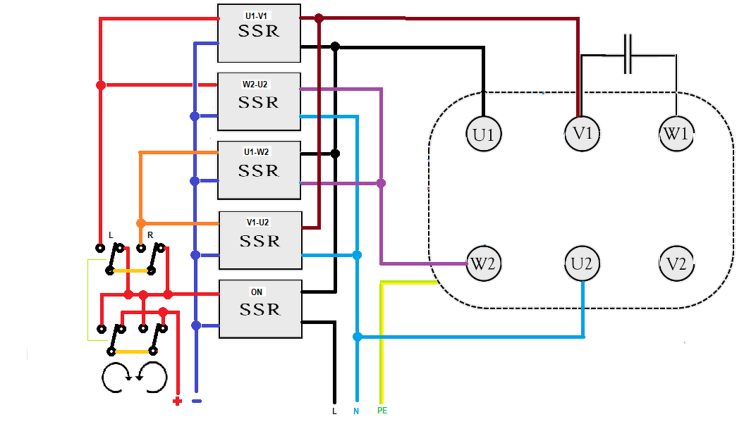
Motor-SSR.png
msmotor.jpg
Motor-SSR.png
Motor.png
20181201_185...jpg
zenbit_katbi...jpg
AL-KO TB 100...gif
bekötés.jpg
8e4d2a88d5b3...gif
IMG_20190513...jpg
Forgásirán...jpg
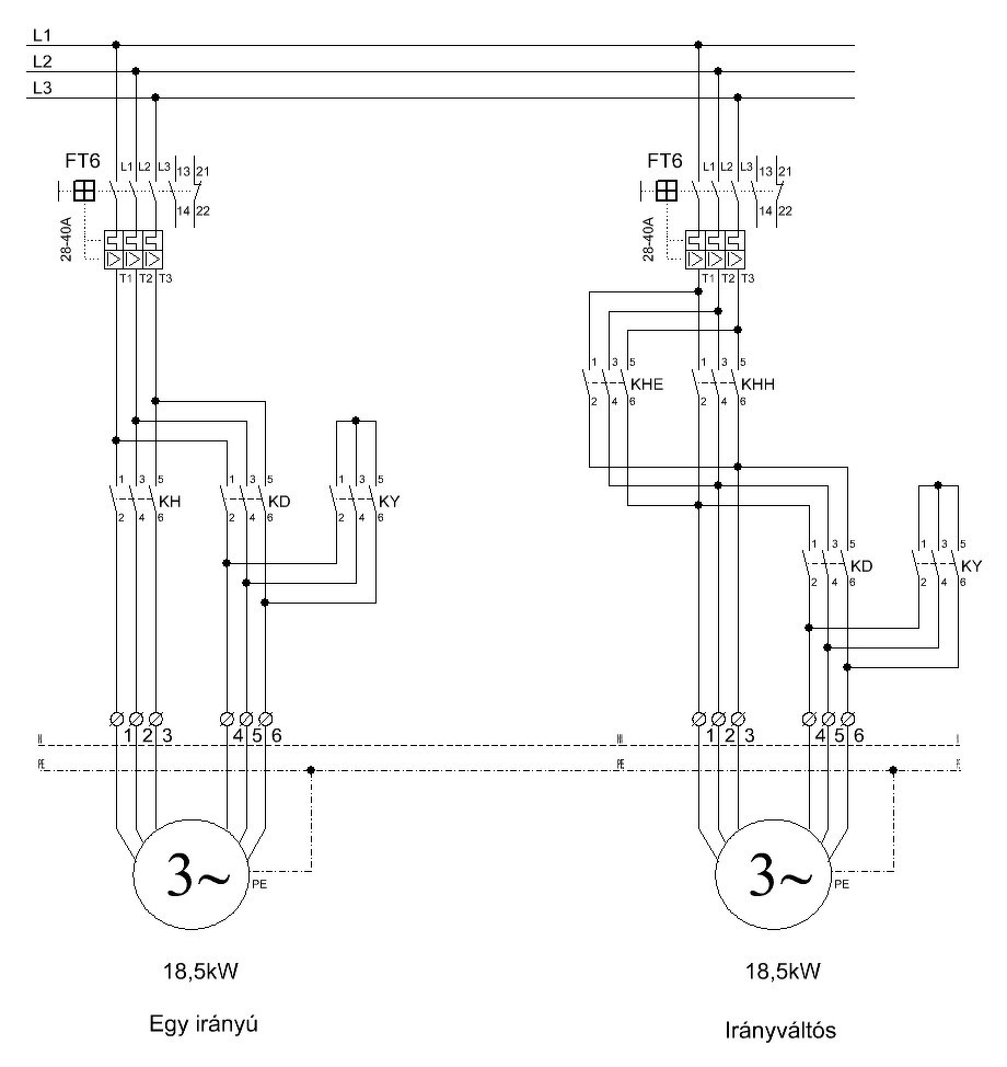
Iranyvaltas.JPG
Iranyvaltas.JPG
s-l300.jpg
20190503_104...jpg
20190501_090...jpg
20190430_232...jpg
20190430_232...jpg
segédfázis.JPG
1.jpg
2.jpg
Villamos mot...jpg
20190417_162...jpg
24y8y5qivsfu...png
mnc3itidhcjg...png
Delta-230V.png
Fűrész.png
20190413_181...jpg
20190413_181...jpg
1.jpg
DSC_0360.JPG
Következő:
1. - 50. elem
51. - 100. elem
101. - 150. elem
151. - 200. elem
201. - 250. elem
251. - 300. elem
301. - 350. elem
351. - 400. elem
401. - 450. elem
451. - 500. elem
501. - 550. elem
551. - 600. elem
601. - 650. elem
651. - 700. elem
701. - 750. elem
751. - 800. elem
801. - 850. elem
851. - 900. elem
901. - 950. elem
951. - 1000. elem
1001. - 1050. elem
1051. - 1100. elem
1101. - 1150. elem
1151. - 1200. elem
1201. - 1250. elem
1251. - 1300. elem
1301. - 1350. elem
1351. - 1400. elem
1401. - 1450. elem
1451. - 1500. elem
1501. - 1550. elem
1551. - 1600. elem
1601. - 1650. elem
1651. - 1700. elem
1701. - 1750. elem
1751. - 1800. elem
1801. - 1850. elem
1851. - 1900. elem
1901. - 1950. elem
1951. - 2000. elem
2001. - 2050. elem
2051. - 2060. elem
»»
12 / 42
Bejelentkezés
Felhasználónév
Jelszó
Jegyezz meg!
Belépés
» Elfelejtett jelszó
» Regisztráció
Hirdetés
A használat feltételei
•
Adatvédelem
•
GY.I.K., Használati útmutató és szabályok
•
Impresszum
•
Elosztó
•
Hiba jelentése
Az oldalon sütiket használunk a helyes működéshez. Bővebb információt az
adatvédelmi szabályzatban
olvashatsz.
Megértettem