Fórum témák
» Több friss téma |
Információ egy hazai fejlesztésű OTL kapcsolásról - van köze az A osztályhoz is
![]() https://audiodiyers.hu/viewtopic.php?f=62&t=4178 TJ.
Nálam hosszabb ideig vendégeskedett visszacsatolatlan végfok. Valami Gryphon. Az S100 és a Diablo. Amellett, hogy (az én fülemnek) bántóan csattogós, rikoltozós hangjuk volt még kegyetlenül sziszegtek is. Aztán állítólag a Grpyhon később kitalált valami szupertitkos sziszegés-mentesítő elektronikát (aluláteresztő?). Valami nekik sem tetszett ezek szerint.
De kísérletezni azért lehet ilyennel is... én már nem fogok.
Átfutottam az oldalt. Nem olyan rossz az a 2.5%-os hatásfok. És a hozzászólások is tanulságosak. Örülök, hogy nem csak nekem vannak ellenségeim.
Amúgy mi köze is van az "A" osztályhoz? Hogy meleg (forró)? Idézet: „Amúgy mi köze is van az "A" osztályhoz? ” A párhuzamosan kötött 2 db 6336A dual végtriódán kb. 1A munkaponti áram folyik. TJ. A hozzászólás módosítva: Feb 9, 2023
Nekem meg eszembe sem jut... tanultam szabályozástechnikát.
Úgy szoktuk kezdeni, hogy szerintem. Azaz szerintem a fokozatonként visszacsatolt erősítő és az átfogó visszacsatolással rendelkező között van egy óriási különbség. Egyetlen erősítő elem, vagy komplementer párral épített fokozat durván egyetlen RC tagnak fogható fel, aminek maximális fázistolás a 90 fok. Ezt visszacsatolva nem fog begerjedni, vagyis nincs szükség szándékosan belassítani, vagy lerontani az erősítését hogy ne oszcilláljon. Ilyen fokozatokból aztán sorba lehet kapcsolni többet, hogy nagy erősítést lehessen elérni. Hátránya, hogy egyetlen fokozat sem lehet gyenge, mivel ez fogja meghatározni az egész erősítő minőségét. Rossz lesz a táp elnyomás is, tehát jó tápegység kell minden fokozathoz. Cserébe hatalmas szávszélességet kapunk. Nézd az oszcilloszkópok vertikális erősítőjét.
Az átfogó visszacsatolással rendelkező erősítőt meg nem kell bemutatni.
Jó az a 2,5% hatásfok. Az emberek többsége - 40dB kivezérlésen hallgatja a nagy hifit. Az pedig még tiszta "B" osztályú topológia esetén is kevesebb mint 1%.
Ide most szmájli kellene, mert annak ellenére hogy jól ki lehet tárgyalni az ilyen erősítőket, nem sok embernek támad kedve ilyet vásárolni vagy építeni. Én is csodálattal nézem Mad Max filmek 1000 lóerős benzin faló masináit, nem vágyok birtokolni egyet sem.
Azért kezdtem úgy, hogy " nem tudok elképzelni..." Ha más tud, az az ő dolga. Veheted úgy, hogy azt írtam, "szerintem... ".
Szkóp? Más világ. De azért ugye állandóan kell állítgatni az offsetet mert folyton elmászik az utolsó kikapcsoláshoz képest? És nem kell olyan túl nagy amplitudót sem előállítani, csak mondjuk 2 x 10...15V-ot. Nagy sávszélesség? 500kHz-et nem olyan nehéz elérni. De az is minek kell? Egy szalagos stúdiómagnó ennek a töredékét tudja. Aztán minden régebbi felvétel onnan jön létre. És egész jól szólnak. A Sonynak volt egy régi végfoka, az 1 MHz-et tudott. Nagyon szép volt, de nem emlékszem, hogy valami nagy szám lett volna. Mert különben még ma is gyártanák. Azért vannak olyan opampok, amik nagyon gyorsak, még visszacsatolva is. És az átfogó visszacsatolású nélküli erősítőkről legalább annyi rosszat mondanak, mint jót. A hozzászólás módosítva: Feb 9, 2023
Itt most konkrétan arról volt szó, hogy 400 W a teljesítményfelvétel és 10 W a maximális kimenő teljesítmény.
Az első (vagy második), leglassúbb fokozatnak kell a lehető leggyorsabbnak lennie.
Mondjuk 200 kHz-en van az első töréspont, 40 dB a visszacsatolási tényező, akkor 20 MHz a sávszélesség. Ezt aránylag könnyen meg lehet valósítani diszkrét alkatrészekből és akkor jól fog szólni (ha nem torzít). Egy 100 MHz-es opamp-nak 100 dB nyílthurkú erősítés mellett 1 kHz-en van az első töréspontja. Ez a gond velük szerintem. Ilyesmivel szórakozom éppen..
Azért jeleztem a szmájli igényemet mert bár van ilyen de nem kívánom hogy ez legyen a kandalló. Bár most nem jönne rosszul.
Nem nézem le aki ilyet hallgat, mert hol vagyok én ahhoz. Talán igazuk is lehet.
Szervusztok,
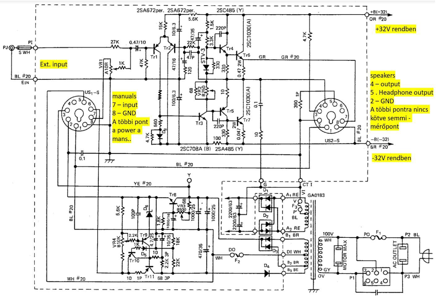
Segítséget szeretnék kérni az alábbi erősítő hibájának beazonosításában. A gyermek szeret zongorázni ezért a szinti mellé hozzánk került egy öreg yamaha b20br elektromos orgona. Alapos belső és kontakt tisztítás után bekapcsoltuk, sajnos van egy folyamatos alapzaja illetve hasonlóan mint egy hangerő poti kontakt hiba, időnként reccsen kisebben vagy nagyobban és rövidet vagy hosszabbat. A játék szól rajta, de így nyilván nem jó. Az összes trimmert megtisztítottam, az erősítő modulban a hangerőt állítót ki is cseréltem de nem segített. A kimeneten nincs DC. Sajnos nem vagyok jártas az erősítők beméréseben, ideiglenes megoldásként az erősítőt kikötöttem az áramellátásból, in-outot kivezettem egy külső erősítőre, így a gyerek tudja nyüstölni. Kicsi digitális skóp van, a recsegést a tr3 bázisán nem, de a kollektorán láttam, a táp tiszta a recsegéskor. A szimetrikus táp 0 pontja földelve van. Csatoltam az erősítő modul kapcsolását. Hogyan tudám kimérni, hogy hol a hiba? Köszi előre is a javaslatokat! csuti A hozzászólás módosítva: Ápr 7, 2023
Szia!
Bár ez az erősítő áramkör nem A-osztályú, de egy rövid javítási tanácsadást remélhetőleg elbír a topic. A panel felületén nem lehet olyan szennyeződés amiből parazita vezetés származhat. Kíméletes mechanikai igénybevétellel kiszűrhető, ha forrasztás, vagy ellenállás repedés okozza a hibát. Az elektrolit kondenzátor kiszáradás és a tranzisztor elöregedés (korhadás) épp ilyen tüneteket okoz. Az elkó méréssel, a tranzisztor fagyasztással vizsgálható. Ilyen eszközök hiányában az elkók és a kis (TO-92) tranyók teljes cseréje az olcsóbb megoldás. A rajzon látok 10/6.3 és 100/6.3 kondenzátorokat. Ha azok 6,3 V feszültségtűrésűek az nagyon nem jó, mert a 10 µF-oson 25 V, a 100 µF-on 32 V az üzemi feszültség. Tranzisztor helyettesítő kiválasztásában igény szerint segítek/segítünk.
Szia reloop,
köszi a tippeket, mechanikai vizsgálatot már próbáltam, pár dolgot újraforrasztottam, illetve 1-2 kondit cseréltem. A 6,3V nekem is feltűnt, de mindkettő 63V-os. Nem vagyok gyakorlott javító, így a tranzisztor fagyasztásról még nem hallottam, azt hiszem lehet kapni vmi hűtő spayt, kipróbálom. Elnézést, h nem jól találtam el az osztályt, abból indultam ki, hogy mindkét vég npn, és a B/AB osztályú kapcsolásokat npn-pnp párokkal találtam. Megnézem az összes test csavart illetve a végfok tanzisztorok test szigetelését, bár talán ha az utóbbi lenne már nem működne ennyire sem. Köszi +1szer, megyek tovább, a helyettesítő tranzisztorban -ha ide jutok- lehet kérek majd segítséget,úgy látom 1-2 típus már nem népszerű manapság!
A fagyasztó egy javítás kedvéért nem éri meg Bővebben: Link.
Ha van közelítő értéked és még nem tetted meg, cseréld a bemeneti 0,47 µF / 10 V és a visszacsatoló 47 µF / 16 V kondenzátorokat! Értékben a felétől a tízszereséig bármit használhatsz próbára, vagy akár véglegesre is. A többi elkó képes regenerálódni többórás használat során - szerencsés esetben. Tegyél fel egy-két képet a panelről!
Szia,
valóban, ebből az árból kijönnek a tranyók. Pont ezen kondikat cseréltem, illetve még a 47/35-öst. Képet rakok fel, de sajnos csak kedden tudom folytatni, akkor leszek ismét mellette. Addig is nézegetem a tranyó cseretípusokat! Köszi szépen, jelentkezem!
Valóban, ha már így alakult igyekeztem legalább megkeresni milyen erősítő ez, ha jól sejtem ez a Quasi complementary AB osztályú erősítő. Elnézést a nem témába vágó típusért!
Jól határoztad meg az erősítő osztályt. Ha további problémák adódnak menjünk át az Erősítő mindig topicba, ott szoktunk általános erősítőjavításról beszélgetni.
Sziasztok!
Vannak még ismertebb A osztályú erősítők az alábbiakon kívül? JLH 1969 Hiraga Le Monstre Nelson Pass F5
Üdv, a kedvencem: Susan Parker: zeus erősítője.
Én épp most építgetem Hiraga 20W-os "A" osztályú erősítőjét . . . ez is elég ismert.
A kedvenc az azt jelenti, hogy megépítetted, meg is lehet nálad hallgatni?
A kedvenc, mint konstrukció, koncepció. Elnézve az eddigi építési sebességet, még pár év mire elkészül...
Ismert. 30 éve építettem meg ezt a kapcsolást. 8db ROE 22.000 U/25V kondik. Induktivitással.(Tranzisztoros! erősítőben) Utána Audio Innovations 300 lett győztes.
Én is ROE-t raktam a tápba, 4x82.000/25V de ellenállással.
Egyébként mi a véleményed erről az erősítőről? Azért ami leváltotta az csöves, egy jó csövesre valószínű én is elcserélném
1969-et írunk. A tervező megpróbálta kihozni az akkori félvezetőkből a legjobbat. Sikerült. Azóta modifikálják, "tökéletesítik", bonyolítják. Sajnos hivatkoznak is a nevére.
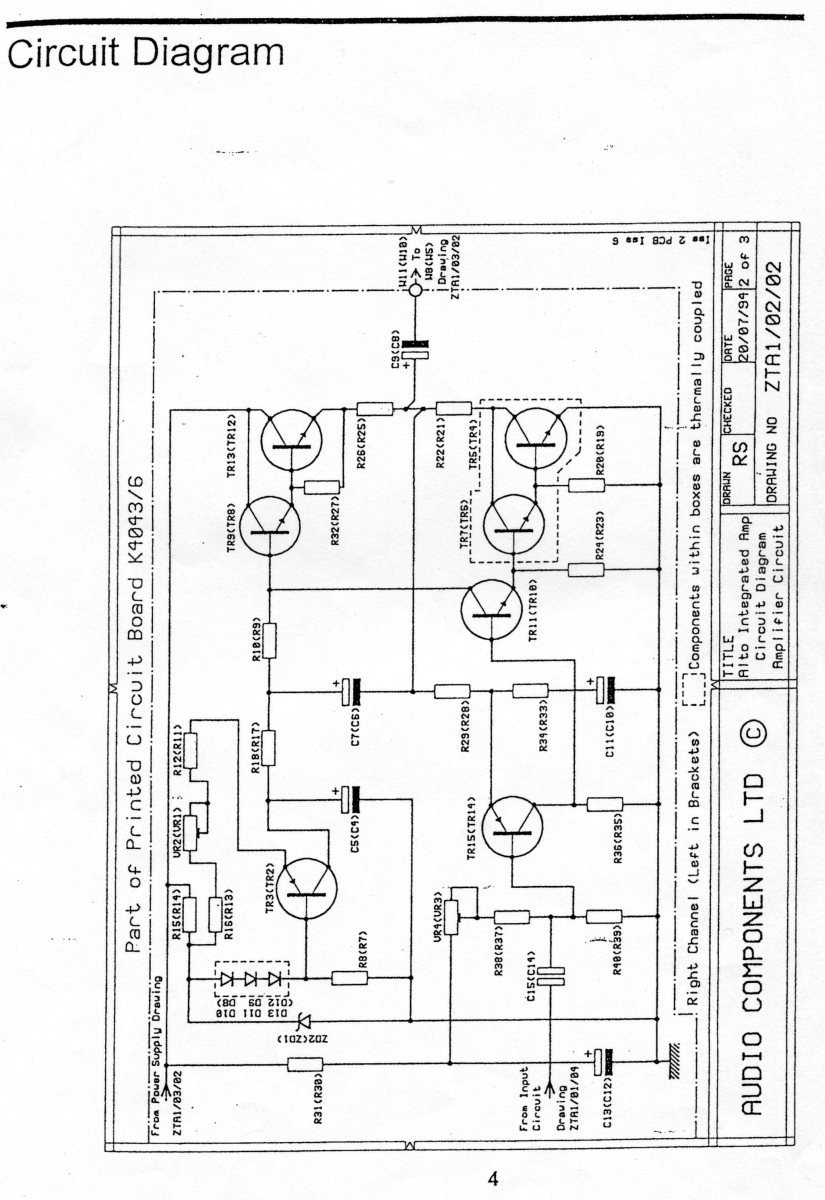
Én megnézném a hasonló felépítésű, első generációs Audio Innovations ALTO kapcsolását, meg a kommenteket. Nem A osztályú. A hozzászólás módosítva: Nov 30, 2023
Audio Components Ltd. Alto kapcsolási rajza.
TJ.
Megvan. Anno Vass-Andrási Gy küldte
Alkatrész jegyzékkel. Megépíthető. Egy kritikus alkatrész van benne. Egyszerű, nagyszerű. |
Bejelentkezés
Hirdetés |








