Fórum témák
» Több friss téma |
Fórum » AC motor szabályzó
Témaindító: tibor.bata, idő: Szept 25, 2006
Témakörök:
Értem naggyából.
Akkor elvileg itt semmi se figyeli a motor áramfelvételét. Időre nyit zár a motor. Van egy fázishasitásos triakos vezérlés amivel szabályozva van a motor sebessége tehát ugye a nyomaték is változik. Ha nagyobb az erő mit a motor tud igy megáll. Gondolom amig lejár az idő addig kapja a feszt a motor pár másodperc addig nem ég le.
Még egy info kérés.
Tegyük fel berakok egy kis értékü ellenállást a motor körébe és azon mérnék feszt amit beküldenék a pic ADC lábára 0-5 v ig mérnék rajta feszt. Ezt hogy tudom beküldeni pl opton keresztül? 0-5v lehetne rajta de ezt le kéne választani galvánikusan. Köszi előre is
Analóg jelet nem nagyon lehet optocsatolóval átvinni. Esetleg a csatolás előtt a feszültséget frekvenciára alakítod át, persze ez is belevisz némi pontatlanságot.
Igen jó ötlet csak drága lenne egy új vezérlőbe.
Arra jutottam és köszönöm mert sokat segíettél, hogy egyenlőre úgy csinálom meg egy kolbásztöltöt fog hajtani a motor. Csinálok egy triakos meghajtást azon tudok variálni a sebességgel meg rakok egy ellenállást a motor körébe be egy optóba és ha megemelkedik a fesz mert ugye nő a motor áramfelvétele tehát megszorul vagy a végénél van az orsó kapcsolja az optot és a pic érzékeli. És szerintem igy elvileg jónak kéne legyen. Tudom állitani a sebességgel a nyomtékot az ellenálláson pedig lessz feszkó a beállitástól függetlenül és müködik az optó. remélem.
Csak valahol a váltót egyenirányítani kell., mert a kisértékű soros ellenállásról az árammal arányos váltófeszültség jön le.
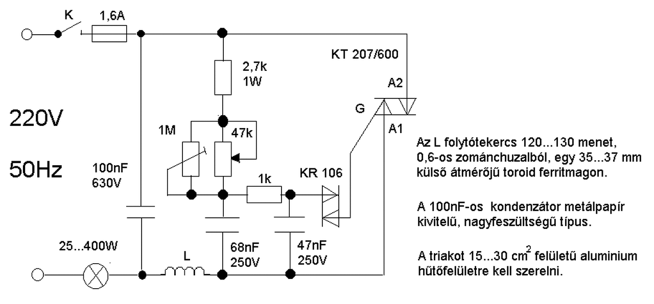
Üdv!
Most már van időm a műszerek és kellékek a helyén, úgyhogy elővettem a készüléket. Kicseréltem az ellenállást és a potit 1Mohm és 500Kohm-ra a C1 kondit 470nF-ra. A szkópon egy igen érdekes jelalak van csatolom, de a poti tekergetésre nem ragál nem vátozik a fényerő sem a jelalak. A kapcsolást próbapanelon összerakva az alábbi módosított rajz alapján készítettem el Az r1 értéke 1Mohm a p1 500kohm a c1 kondi összerakva 800 nF. A tiac Bt139 a diac DB 3. A hozzászólás módosítva: Nov 24, 2013
Sziasztok!
Az lenne a kérdésem, hogy lehet-e SSR-t AC szabályozásra használni PWM vezérléssel? Azt tudom, hogy a motorok nem nagyon szeretik ezt a módszert, de mondjuk fűtőszálat vagy fűtő ellenállást? Kis feszültségű PWM jellel lenne a vezérlés és az SSR másik oldalán kb. 1-2 kW teljesítményt kellene szabályozni. A válaszokat előre is köszönöm. ÜDV: Fulcrum A hozzászólás módosítva: Jan 31, 2014
Nullátmenet kapcsolós SSR-t keress, a PWM periódusideje folyadékok fűtésénél akár 10s is lehet.
Helló!
Egyszerű asztali ventilátor (egyfázisú, kalickás asszinkron motor hajtja) fordulatszámát hogy tudnám csökkenteni? Az sem baj, ha először indul direktben, majd műk. közben szabályoznám vissza? Valahol olvastam (lehet nem a leg elegánsabb megoldás): x teljesítményű izzó + dióda sorosan kötve a ventilátorral? Az izzó teljesítményével lehetne beállítani a fordszám csökkenést. Nem precíz szabályozásra lenne szükség, éjszaka kissé mozgassa a levegőt, de ne kapja le a paplant! Bocs, ha hosszú voltam.
Szia!
Köszönöm a gyors választ. Egy gondom van: nyaralás miatt viszünk biztos ami biztos alapon ventilátort és pár nap múlva indulunk gyerekekkel. A ventilátor mindössze 65 W teljesítményű. Nincs valami egyszerű kapcsolás? (nem napi szinten művelem az elektronikát, alkatrészeket összeszedni most már nincs idő) Az a dióda+ ohmos terhelés (izzólámpa) provizór nem működik?
Hello! Egy soros kondival is csökkentheted a fordulatot. Pld. egy fénycső fázisjavító kondival. De váltófeszültségű kondi legyen pld. 275Vac X2 típusú. Kapacitását ki kell kísérletezni mi a megfelelő számodra.
A soros izzólámpa működik, de a diódát felejtsd el. AC motorról van szó, a diódával garantáltan leégetnéd.
Sziasztok!
Szerintetek fel tudom használni ezt az áramkört 24V AC membrános pumpa vezérlésére? A triakból kell vajon másik típus, vagy jó lesz ez? Gondolom a lényeg a gate áram, az feszültség független. Illetve a potinál a feszültségosztó ellenállásokat kell átvariálni a kisebb feszültségre ha jól értem. köszönöm A hozzászólás módosítva: Jan 9, 2015
Szia!
A fenti kapcsolás biztosan nem fog jól működni 24V-on, mert a benne lévő diak billenési pontja kb. 30V lehet. Ha kiváltod a diakot kisebb billenési feszültségű áramkörrel, akkor működhet. Vagy ha transzformátoron keresztül táplálod meg, és a trafó primerjét szabályozod. Arról nincs tapasztalatom, hogy a membrános pumpa hogy viselkedik fázishasításos táplálásra.
Hello!
Ezzel a kapcsolással biztos nem. Mert a Diac kb. 32V-on billen át, itt meg a csúcsfeszültség van kb. annyi. Tehát vagy UJT vagy PUT alkalmazása lehetséges. Kb. ahogy a rajzon látod. De az induktív terheléssel is meggyúlhat a bajod.. (Mert gondolom az nem motor, hanem egy elektromágnes.)
Jogos... gyanítottam, hogy jó lesz utánajárni!
![]() Igen, ezekben a pumpákban valami elektromágnes féleség van, a váltóáram ingadozását követve ide-oda húzza a pumpákat hajtó vasmagot ha jól sejtem: http://www.swelluk.com/blog/noisy-air-pumps-how-to-turn-down-the-volume/ A primer körbe nem fogok beavatkozni az tuti, akvarisztikáról lévén szó az érintésvédelet komolyan kell venni. Köszi!
Üdv!
Szerintem ezt nehéz lesz így szabályozni, hisz itt a frekvencia a mérvadó. Egyszerűbb a csőbe egy fojtást betenni a szívó vagy nyomó oldalon vagy a nyomó és szívó oldalt bypass-szerűen összekötni, persze állíthatóan az átfolyást.
Teljesen egyetértek Tomival. A triac nem fogja szeretni az induktív terhelést. Abból az egyszerű okból kifolyólag, hogy ott az áram a feszültséggel nincs fázisban. A triakot a feszültséggel arányosan kapcsolod be, kikapcsolni meg az áram nullpontja fogja. Nagy lehet a hiszterézis, kicsi a szabályozási tartomány, vagy kapkodhat. Vagy RC taggal fázist javítasz, vagy párhuzamos OHM-os terheléssel lehet "letörni" az induktív jelleget.
De gyanúm, hogy a szabályozásra nem azt fogja tenni a pumpa, amit elvárnál tőle. Egyébként 40 évvel ezelőtt is sokkal komolyabb olasz pumpákat láttam mint ez..
Köszönöm szépen a tanácsokat mindenkinek!
Nagyon jó ötlet a levegőt kevergetni, és gépészeti megoldásban gondolkozni az elektromos helyett ![]() PWM szabályzásra gondoltam még (primitív négyszögjellel is elmegy a pumpa tekercse gondolom). Itt nehézkes lehet a +/- tápot megoldani (nem 0...+24V amplitúdó kell, hanem -12...+12) illetve jelentős rádiós zavartatást okozhat a négyszögjel + elektromágnes kombó
Sziasztok,
szerintetek ez a Teljesitmény szabályzó megfelelő lenne egy 370W-os eszterga fordulatszámának állításához? Vajon a nyomaték hogyan változna? Az ékszíjtárcsa-sort szeretném kiváltani ezzel, hogy fokozatmentes és gyors legyen a szabályozás. Mivel nagyon poros helyre kerülne, nem bánom ha drágább, mintha én csinálnám, de ez legalább teljesen zárt rendszer, kivéve a potmétert. Köszönöm szépen! A hozzászólás módosítva: Feb 4, 2015
Szia!
Milyen motorod van? A kefés motorokhoz jó, de alacsony fordulaton semmi nyomaték. A kefés motorokhoz (univerzális motor) van egy nagyon jó motorvezérlő IC TDA1085 névre hallgat és van neki visszacsatolása is, amivel nyomatéktartóvá válik kis fordulaton is. Mosógépekben is általában ilyen hajtja a motort.
Köszönöm a választ, remélem megtudom, hogy ilyen IC van-e benne.
Nem jól értetted! Ne keress ilyet a motorodban, hanem azt nézd meg, hogy kefés-e a motorod. Ha kefés, akkor egy ilyen IC-vel felépített áramkörrel elérhető az általad említett követelmények.
nem a motorban keresném, hanem a conrad-os szabalyzóban megkerdeztem a gyartot mi van benne. Vagy Conrad sajat markas, vagy pedig Kemo, remelem elaruljak, mert a datasheetjuk nem emliti. A motort csak hetvegen latom, belenezek, mi van benne. Koszonom
Ne is keresgéld, ez nem jó a motorodhoz. Ellenben ha a motort kicseréled egy komolyabb automata mosógép kefés motorjára, akkor hasonló, de kicsit nagyobb szabályzóval már jó lesz. Ennek a teljesítménye is kevés. Lámpákhoz, kisebb fúrógéphez való. Az árán kapsz egy fúrógépet beépített szabályzóval.
A hozzászólás módosítva: Feb 4, 2015
Jó bocs, én értettelek félre.
![]() Nem tudom elárulják-e, de ha nem is akkor utánépíted és van is egy saját áramköröd, ami teljesíti az elvárásaidat. |
Bejelentkezés
Hirdetés |














