Fórum témák

» Több friss téma
Fórum » Akkumulátor töltő
 
Témaindító: josephx, idő: Jan 18, 2006
Lapozás: OK   260 / 310
(#) szarvas56 hozzászólása Okt 16, 2019 /
 
Sziasztok Gyuri vagyok,és az volna a kérdésem,hogy valaki közületek találkozott már villamos autó akkutöltővel,és tudja-e a bekötését akár az 1 akár a 3 fázisú berendezésnek.Illetve van-e valami különleges dolog a bekötés körül.
(#) Atis57 válasza szarvas56 hozzászólására (») Okt 17, 2019 /
 
Szia!
Mármint a zöld rendszámos személykocsira gondolsz?

Semmi különös a bekötéssel; a lassú töltés sima dugaljjal 16A kismegszakitóval .
Ahogy haladunk felfelé 10kW . 16kw ....egészen a 300KW s gyorstöltőig .
Na ezeknél már van benne mindenféle reteszelés ,kommunikáció.

Persze megtalálható a NETen , csak én nem foglalkoztam vele .
Simán bekötöttem a parkolóban ,ahogy a terven volt .
Gondolat ébresztő ; https://e-cars.hu/2018/02/22/egy-elektromos-auto-felepitese/
A hozzászólás módosítva: Okt 17, 2019
(#) Tyutyu 49 hozzászólása Okt 21, 2019 /
 
Tisztelt fórum lakók!
Az után érdeklődnék,hogy egy Accu-Mat kapcsolást miként lehetne átalakítani úgy hogy ne 50 Hz.-es trafóval menjen hanem egy kapcsoló üzemű táppal / inverterrel/.Mi a bajom a hálózati trafóval? A súlya,a mérete,és a hatásfoka. Egy cirka 200VA.-os trafó az már nehéz tud lenni.
(#) mnyugger válasza Tyutyu 49 hozzászólására (») Okt 21, 2019 /
 
Egyszerűen sehogy.
Nagyon bonyolultan, de minek?
Azért nem ajánlatos, mert a graetzben tirisztorok vannak. Azok pedig az 50Hz nullapontjában oltódnak ki. Ez így működik.
Ha rákapcsolsz egyenfeszt, akkor nem fog működni. Ha 100kHz-es váltót, akkor sem.
Ha a tirisztor helyére IGBT-t tennél akkor talán, de át kell alaposan tervezni az áramkört.
A hozzászólás módosítva: Okt 21, 2019
(#) Tyutyu 49 válasza mnyugger hozzászólására (») Okt 21, 2019 /
 
Köszönöm válaszod! Akkor marad így.
(#) pucuka válasza Tyutyu 49 hozzászólására (») Okt 21, 2019 /
 
Idézet:
„Mi a bajom a hálózati trafóval? A súlya,a mérete,és a hatásfoka.”

Hatásfoka? Az elég baj, ha bajod van vele. Minél nagyobb a trafó, annál jobb a hatásfoka. a hatásfokát csak a vas, és rézveszteség csökkenti, ami csak néhány százalék.
Az invertered hatásfoka a nyomába se jöhet, örülhetsz, ha 70 % feletti a trafó 90 % feletti hatásfokának.
Az elektronikus áramköröknek tápfeszültségre van szüksége, a trafónak nincs.
(#) Alkotó válasza Tyutyu 49 hozzászólására (») Okt 21, 2019 /
 
Csak tájékozódásképpen elmondod miért zavaró a toroid súlya egy töltő áramkörben?
Sőt inkább úgy kérdezem, milyen racionális előnyt ígér ha mondjuk nyersz 0,5 kg-ot?
(#) Tyutyu 49 válasza Alkotó hozzászólására (») Okt 21, 2019 /
 
Nem nekem zavaró,hanem a havernak akinek készítettem egy példányt.Őt zavarja a súlya,meg a méretei.Ja kérem egy 10A változatnál nincs az hogy csak úgy bevágom a motortérbe mint a román töltőjét. Azt úgy nem akarja mint nálam van ahol is fel van fúrva a garázsban és van rajta vagy 5 méter 2,5mm2 töltőkábel.Ha baj van elér a kocsihoz meg a motorhoz is. Ezért gondoltam rá,de látom nem lehet. Ne haragudj rám!
(#) Doky586 válasza Tyutyu 49 hozzászólására (») Okt 21, 2019 /
 
Nekem meg olyan akkumulátor kellene aminek csak 10 dekagramm a súlya és 12V 55Ah..
A hozzászólás módosítva: Okt 21, 2019
(#) mr.Cara hozzászólása Okt 22, 2019 /
 
Bocs a belevauért ! Csak annyit szeretnék hozzáfűzni, hogy nálam be vagyon raktározva Proli007 mester Accu-Mat paneljaiból. Az egyik havernak kellett volna, de azután rájöttem az E...-on kapható kicsi.., könnyü..., 4000Fityingért vagy akörül. Nem tudom ilyen olcsón kihozni. (A panelektől a világért sem válnék meg!!!) Viszont nem vagyok tisztában vele : minek kell autóhoz akkutöltő (nem az elektro- kalandorokra gondolok) ? Bár csak egy ignácra telik, de nem szoktam soha tölteni . Amikor tölteni kellene, úgy is akkor fog lemerülni csontra, amikor a legsürgősebb menni . Jobb cserélni a drágát !
Szóval az építés örömén kívül sok értelmét nem találom... Még egyszer bocsánat !
Ilyen:Bővebben: Link
A hozzászólás módosítva: Okt 22, 2019
(#) mnyugger válasza mr.Cara hozzászólására (») Okt 22, 2019 /
 
Az akku töltőnek akkor van értelme, ha az autóval nem közlekednek naponta, vagy csak rövid távokon.
(#) Chipmunk1960 válasza mr.Cara hozzászólására (») Okt 24, 2019 /
 
Szia, Ilyen van nekem is, csak a 10A -es változata. Tányleg pár perc/fél óra alatt nyom annyit az akksiba, hogy tudok indulni, még ha heteket állt is az autó. Érdekes, hogy csak az új CA típusú akksival van ilyen galiba.....
(#) mr.Cara válasza proli007 hozzászólására (») Okt 29, 2019 /
 
Megkérnélek tedd fel légyszives a kapacitás teszter NYÁK rajzát normális formátumban (pdf) , mert csak szenvedek a jpg-vel... Nem akarja a nyomtató méretarányosan kinyomtatni .
Köszönöm szépen !
(#) Alkotó válasza mr.Cara hozzászólására (») Okt 29, 2019 /
 
Ugyan nem nekem címezted a kérést, de én rajzoltam egy kétoldalas paneltervet az áramkörhöz, ami hamarosan elérhető is lesz. Ha ez is szóba jöhet, akkor kis türelmed kérem.
A mellékleten látod hogyan képzeltem el.
(#) proli007 válasza mr.Cara hozzászólására (») Okt 29, 2019 /
 
Hello! Nekem ugyan nyomtatóm sincs (nem egészen igaz, de a hócipőm tele van vele), de hátha a *.png-vel boldogulsz. Vagy azzal, amit Alkotó javasolt.
(#) janigel válasza proli007 hozzászólására (») Okt 29, 2019 /
 
Én átkonvertáltam a png képet pdf-re, és utána kinyomtattam kicsinyítve.
A nyomtatás beállítása van a képen.
29.5% - ban nyomtattam, és így lett pontos a méret.
(#) proli007 válasza janigel hozzászólására (») Okt 29, 2019 /
 
Én nem tudom mi van a nyomtatással. A programból bmp-ben konvertálom a file-ba. Aztán az Xnview programmal körbevágom és png-be konvertálom. Ott pld. a png-nél a méretet nézem jól mutatja. Akkor miért nem nyomtatható ki rendesen? Nem igazán értem.. A nyomtatásnál sokszor az oldalhoz igazítja a képet eleve és sokszor ezért nagyobb. A jpg azért nem jó mert az fényképez való, elmossa az éleket. A png nem. A bmp-nek meg nagy a mérete. De konvertáltam már xps-re és a pdf kreátorral is pdf-re. Ott is gond volt. (Már mint a visszajelzések alapján.)
Gondolom a nyomtató gyártó szövetségben van a papírgyárral..
A hozzászólás módosítva: Okt 29, 2019
(#) janigel válasza proli007 hozzászólására (») Okt 30, 2019 /
 
Egy másik megoldás. (kép)
Beolvasod a PAINT-ba a képet.
Kattintás : Kép > Nyújtás/döntés.
Leveszed a kép méretét pl. Vízszintes 29 Függőleges 29.
Elmented így a képet.
Nyomtatod.

Fájl.jpg
    
(#) Doky586 hozzászólása Okt 30, 2019 / 1
 
Én a saját akkutöltőmet nem bonyolítottam agyon. (nem lett belőle alkatrésztemető)
De a szünetmentes aksijait simán feltölti és "rajta merem hagyni". Még nyák sem kell hozzá.

Sima bolti kész lemezestrafóból.
A hozzászólás módosítva: Okt 30, 2019
(#) mr.Cara válasza proli007 hozzászólására (») Okt 30, 2019 /
 
Velem van a baj... !
A win felkínált officérmenágere nálam nem akarja engedni a méretezést !?
Megkeresem ezt az Xnview-et...
Köszönet mindenkinek !
Azért remélem az Alkotó műszere fent lesz...!
(#) mr.Cara válasza Doky586 hozzászólására (») Okt 30, 2019 /
 
A tescicás ilyen....
Egy kopasz trafó + egy diódahíd.
Még feszszabályzó sincsen benne.
(#) mr.Cara válasza proli007 hozzászólására (») Okt 30, 2019 /
 
Upsz !
Lemaradtam !!
Ez nem az a rajz ami a cikkben van !
https://www.hobbielektronika.hu/cikkek/akkumulator_kapacitas_meres.html
A hozzászólás módosítva: Okt 30, 2019
(#) kaqkk válasza proli007 hozzászólására (») Okt 30, 2019 /
 
A tervező programból rögtön PDF be kéne menteni ,az méretarányos és nyomtatható
(#) Ge Lee válasza Doky586 hozzászólására (») Okt 30, 2019 /
 
Pedig a gyáriakhoz képest az is agyon van bonyolítva. Hogy nem fő meg a stab IC? Hiszen a töltés elején végig áramkorlátban kell működni szegénynek.
Ugye, az embernek legrosszabb esetben is úgy 4-5 évente egyszer van szüksége töltőre, akkor meg elég a trafó is a 4db diódával. Nálam 10 éven keresztül készült egy töltő, azaz sosem volt kedvem nekiállni, mire rászántam magam, addigra meg adott a szomszéd egy gyárit, ingyen. Egyszer kellett volna használnom az elmúlt 15 évben, de akkor is inkább az egyik labortápot vittem ki, mert az egyszerűbb volt, meg annak látom a kijelzőjén hogy mi történik.
(#) Alkotó válasza Ge Lee hozzászólására (») Okt 30, 2019 /
 
Vannak másfajta élethelyzetek is. Nálam most napi szinten történik targonca akkumulátor töltés. Részben mert már nem elég jó az aksi, részben mert nagyon keveset megy és nem tudja az indításkor eltűnő energiát pótolni, részben jó nagy motor van a targoncába, ami nem indul be egy pöccintésre.
Nem elengedhetetlen, de mivel sok információt nyújt, ezért én a régi töltőmre is tettem mérőegységet. Ebben is csak egy kapcsolgatható trafó van (500 VA), és 4 dióda, de akár 100 A-el is terhelhető ameddig le nem old a kismegszakító (2-3 s).
(#) Alkotó válasza mr.Cara hozzászólására (») Okt 30, 2019 /
 
Időnként problémaként merül fel akármilyen kép méretezett nyomtatása. Fejlett grafikai programok erre megoldások garmadáját kínálják, de ezek drága dolgok, és ismeretet igényelnek.
Szóba került itt az XnView program, ami ingyenes, és tud szinte mindent ami kellhet otthon, meg még egy csomó egyebet is. Ezzel készítettem egy rövid tesztet, tökéletes eredménnyel.
1. Proli007 cikkéből kimásoltam a képet. Nem is tudom milyen formátum, mert csak a másolást választottam.
2. Beillesztettem az XnView-be (Sift+Ctrl+V). Itt látjuk, hogy nem fekete hanem szürkés és elmosódott, ezért kiadtam rá a "fekete-fehér" parancsot (Kép/bináris konvertálás/bináris). Ettől tökéletes fekete a rézfelület, és hófehér a környező rész. Az kérdés lehet mennyire jó az eredeti kép kontúrja, mert itt a lyukak kis keresztként látszanak, és a körök széle is cakkos, de ez se a fúrást, se forrasztást nem fogja zavarni.
3. Végeztem egy próbanyomtatást, ahol a méretezést választottam, és találomra beállítottam mindkét irányba 5-szörös szorzót. Mindegy milyet állítunk, én csak azt akartam, hogy biztosan nagyobb legyen mint az eredeti, mert azt könnyebb megmérni. Kinyomtattam.
4. A nyomaton lévő tényleges méretet megmértem, lehetőleg pontosan. Ez azért jó így, mert ebbe már a saját nyomtatónk mindenféle anomáliája is eleve benne van. Kép-1-en látszik mit mértem, és mit számoltam ebből.
5. Az arány alapján újra nyomtattam, ahol már a számított 3,82-es szorzót adtam meg aránynak. Ha a nyomtatónk torzít, akkor a két iránynak eltérő arányt is adhatunk. A beállítás kép-2 alapján történt.
6. A nyomatot visszaellenőriztem, és várakozásnak megfelelően pontosan annyi mint amit vártunk (kép-3 és kép-4 ezt mutatja).

Azt gondolom, könnyen megoldható egy kép arányos nyomtatása, amihez összesen 1 db A4-es lapot kell elpazarolni ha a tesztet és az eredményt a lap egy-egy oldalára nyomtatjuk.
(#) proba válasza Ge Lee hozzászólására (») Okt 30, 2019 /
 
Idézet:
„Hogy nem fő meg a stab IC?”
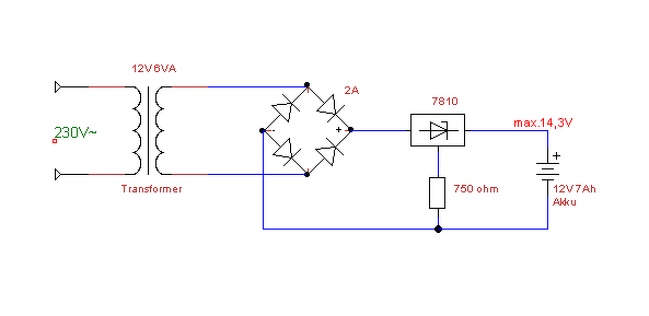
Mivel a transzformátor 12V 6VA az áramkorláttól messzire lesz. ( bár így meg a transzformátor fő.) Legjobb lenne valami hegesztő transzformátor szerűség. A vasmag adná az áramkorlátot, a feszültséget meg a tekercselés. Örök élet meg két nap. De a mai rohanó világban már túl lassú lenne, a túl alacsony töltőfeszültség miatt.
(#) Doky586 válasza Ge Lee hozzászólására (») Okt 30, 2019 /
 
Az ilyen kis trafó (6VA) egyszerűen nem tud annyi energiát biztosítani ami bármit meg tudna főzni, hamarabb beesik a feszültsége mert nagy a belső ellenállása. Ő maga az áramkorlátozó ellenállás.

Amelyik egyszerű töltőben csak diódahíd van de nincs stab ic azt nem hagyhatod magára mert 15V fölé tölti az aksit és tönkreteszi.
Az enyémet akár napokig ott felejtheted.

A trafó se melegszik túl mert 10V alá merült selejtes trafót nem célom tölteni vele.
Az ilyen kis aksik amihez használom gyorsan 11-12V fölé mennek töltéskor. Nem terheli túl. Ez egy lassú töltő, nekem elég ha 10 óra alatt végez. Nem véletlenül nincs egy kondenzátor se benne.

Amelyik töltő kimenetére aksi helyett egy 100µF kondit rakva 14.4V fölötti fesz mérhető az nem megfelelő. Az enyém ezen próbát kiállja.
A hozzászólás módosítva: Okt 30, 2019
(#) proli007 válasza mr.Cara hozzászólására (») Okt 30, 2019 /
 
Bocs, valóban.. Talán most.
@kaqkk Arra sajnos ott nincs mód. Az nyomtatni szeretne mindenféle "nyelven", pld. GDI PCL HPGL PS DIN és BMP to disk..
A hozzászólás módosítva: Okt 30, 2019
(#) Alkotó válasza proli007 hozzászólására (») Okt 30, 2019 /
 
Pdf-et is megcsináltam belőle.

panel.pdf
    
Következő: »»   260 / 310
Bejelentkezés

Belépés

Hirdetés
XDT.hu
Az oldalon sütiket használunk a helyes működéshez. Bővebb információt az adatvédelmi szabályzatban olvashatsz. Megértettem