Fórum témák
» Több friss téma |
Az alap E5CN-hez külön modul kell ha egynél több alapjelet akarunk használni, azaz gyakorlatilag digit bemeneti bővítés kell. Végül így oldottam meg a problémát beiktatva még egy Siemens LOGO-t így a világítást, szellőzést, fűtést kényelmesen tudom vezérelni/szabályozni az idő és hőmérséklet függvényében. Szerencsére sikerült a bolti ár töredékéért beszereznem a fentieket így reális lett a bekerülési összeg, de ha újonnan, boltban kellett volna megvennem őket akkor abból a mikrokontroller programostul, a programozó 3 napi teljes ellátása is kijött volna
![]() Egyébként annyi okos és hasznos dolgot csinálnak már hozzáértő hobbisták mikrokontrollerrel, de ez a jellegű masina valahogy kimaradt a szórásból, pedig nagyon sok mindenkinek van akváriuma ezen belül jelentős azoknak a száma akik precízen szeretnék megoldani a rendszert.
Bővebben: Link Azért annyira nem vagyunk lemaradva.
Hasonló cipőben járok, szabályozható fűtőszálra lenne nekem is szükségem. Az egyik út (könnyebb, drágább), hogy veszek egy digitális termosztátot, a hőmérő részét belesüllyesztem az akváriumba, s a kimenetre pedig egy 2*10 W-s ellenállást teszek, amit jól leszigetelek. Mivel ez a drágább, ezt csak utolsó lehetőségként használnám. (feltéve, ha jó az elgondolásom)
Másik megoldásként arra gondoltam, hogy bőven elég egy relé, termisztor és az ellenállások háziasítása egy áramkörben. Ehhez szeretnék segítséget kérni.
Az utóbbi egy hónapban sikerült vadászni egy kapcsolási rajzot komplett leírással. (link) Van valakinek esetleg olyan rajza, amihez nem kellene IC?
Sziasztok!
Ha jól láttam víz hőmérséklet mérésre/szabályzásra nem nagyon volt még példa(én legalábbis nem találtam), ezért nyitottam a témát. A problémám a következő: Van egy 4L-es akváriumom, amibe kb 5w-os akvárium fűtőt javasolnak, viszont ezekben nincs még termosztát, így ez addig működik amég ki nem húzom. Akár túl is fűthet. Egy olyan elektronikára és érzékelőre lenne szükségem, ami nézi a víz hőmérsékletét és ha 25fok alá csökken a hőmérséklet, bekapcsolja a 230as fűtőmet, 31foknál pedig kikapcsol. A nagyobb, pl 25w-os termosztátos azért nem jó, mert az ugyanúgy túlfűti magát elvileg mivel az már 30l-re van méretezve. Előre is köszönöm a segítségeteket!
A keltetőgép témában van több termosztát kapcsolás ami jó lehet , csak a hőérzékelő vízmentesítését kell megoldanod. Ha egy kicsit "kreatívabb "vagy még témát sem kellett volna nyitnod , elég lett volna a keresőt használni
A hozzászólás módosítva: Okt 9, 2013
A segítségegeteket szeretném kérni, hogy mit csinálhattam rosszul.
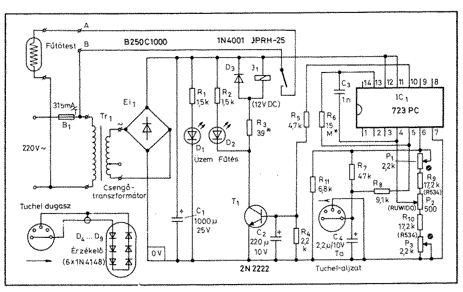
Én ezt már egyszer megépítettem, de akkor elsőre sikerült. Most viszont nem működik. Hibajelenség: Nem kapcsolgat a relé, ha állítom a potikat, bármilyen ellenállással próbálkozom (R9-R10). Rajz szerinti tranyó bekötésnél a relé folyamatosan be van húzva, hiába melegítem a diódaláncot, hiába állítom a potikat. Az első építésben a tranyó fordítva(C-E) van bekötve, így kipróbálva, nem csinál semmit, de egy érdekes jelenség, ha nem csatlakoztatom a diódás érzékelőt a relé behúz. Segítségeteket előre is köszönöm.
Ez lemaradt.
Meg kell mérned a feszültségeket a 723-as:
6-os lábán, itt kb. 7,15V refenerciafeszültség kell mérhető legyen, ha nem annyi, 723 csere 5-ös lábán, itt kb 6*0,6V..0,7V-ot kell mérjél, 3,5V-4,5V között valahol, egyébként R7, R8, C4, diódás mérőszonda vizsgálandó 4-es lábán, ezt állítod a potméterrel + ellenállásokkal. A 723 arra törekszik, hogy a 4-es és 5-ös lábán ugyanakkora feszültség legyen. Tehát a 4-es lábon a potméterrel képesnek kell legyél az 5-ös lábon mérhető feszültség körül állítgatni és ekkor kattog a relé... egyébként P1 P2 P3 R9 R10 vizsgálandó A mérőszondát még vizsgálhatod melegitve, minden Celsius fok változásra 6*2,1=12,6mV nyitófeszültség változást kell lássál. Ja és hibás lehet az R6 ami a hiszterézisért felel, meg még a C3 is lehet szakadt vagy zárlatos és gerjedhet tőle a 723, stb. Hacsak el nem néztem valamit. A hozzászólás módosítva: Márc 11, 2014
És ha jól számoltam, kb. 6mV a hiszterézis, tehát 0,5 Celsius fok hőmérsékletváltozás után fog reagálni az áramkör.
A tranzisztor fordított állapotáról nincs valami okosság? Ha hazamentem lefényképezem és felteszem.
Először is a kondikat cseréltem.
IC láb feszültségei negatívról mérve: 4-es láb: A diódalánc melegítésével változik. 2,16-2,40V 5-ös láb: A diódalánc melegítésével változik. 2,16-2,40V 6-os láb: 7,11V 7-es láb: na itt semmit nem mértem negatív ágról, pozitívról mérve tápfeszültséggel azonosat mértem. Tehát az lehet a probléma, hogy meghalt az IC. Csak az a kérdés mitől? A fordított tranyó állás viszont piszkálja a fantáziám.
De miért? nyilvánvalóan el van rontva a NYÁK. Berakod értelemszerűen és nincs vele dolgod. Mérd meg a tranzisztort is, bár ettől nem kéne tönkremennie óhatatlanul. A 7-es láb test, ott jó az érték. A 4-5 lábon nem kéne azonos értéknek lennie, ha az IC jó, akkor erről a C3 átvezetése, zárlata tehet.
Szia!
Felraktam a kapcsolás általam elkészített lay formátumát is nézd át. A tranyót és az 1n-s kondit is cseréltem már. Az ellenállások is jók. az R6 nagy megás ellenállással is kísérleteztem, de nincs változás.
Nem tudom a .lay formátumot megnézni, Tangót használok. Képként fel tudod rakni? A 723 itt komparátorként üzemel, az 5-ös lábon a referenciából leosztott feszültségnek kell lennie, a másikon meg a mért hőfok szerinti változó feszültségnek. Olyan, mintha zárlat lenne a két láb között.
Diódalánc érzékelőt kikötve, R6-ot kiforrasztva az 5-ös és 6-os láb ugyanolyan feszültségen kell legyen, míg a 4-esen a potméterrel változtatható feszültség kell legyen.
Ha nem így van, akkor nyák vagy forrasztási hiba, rövidzárlat 4-es és 5-ös láb között. Ha nem találsz hibát a nyákon, forraszd ki a 723-at és úgy mérd meg. Ha ekkor sem jó, csoda van.
Szia!
Küldöm JPG formátumban
Szia!
Na, 5-ös lábon 6,6V, 6-os lábo 7,04V Ha a diódaláncot visszadugom az 5-ös lábon leesik a feszültség 2,49V-ra. A potikat ha változtatom, potinként 0,9V szeszültség különbség jelentkezik. Ha a tranyót az első építésem szerint rakom be ha kiveszem az IC-t akkor elenged a relé, ha be van rakva az IC akkor viszont behúz, mindez akkor ha a diódalánc nincs csatlakoztatva. Ha viszont csatlakoztatom a diódaláncot a relé elenged. De még megpróbálok venni egy IC-t és meglátom mi lesz. Sajnos nem a közelemben van az elektronikai bolt. De mondj már valamit(vagy aki olvassa ezt), hogy van az hogy az első építésemben fordítva van betéve(akkoriban még nem volt internet) a tranyó(C-E), mostani szerint viszont épp fordítva kellene berakni. De ha a mostani szerint teszem be a tranyót semmire nem reagál a relé, a fentebb leírt (IC kivesz-betesz, diódalánc csatlakoztat-nem csatlakoztat) kísérletezés szerint.
Vedd ki a T1-et.
Ekkor a T1 bázisa helyén R4 R5 közös pontján, ha ki-be dugdosod az érzékelődet, akkor hol 0, hol a tápfesz kb 1/3-ada kell megjelenjen. Amúgy szerintem valami nem passzol az érzékelőddel sem, 6 darab Si dióda nyitófeszültsége 2,16-2,4V között lenne? (milyen hőmérsékeleten mérted ezeket?) Ez kicsit kevésnek tűnik. Ha tényleg ekkora a feszültség és ha jól számoltam, hogy a rajzon levő potméterekkel sosem viszed le az 5-ös láb feszültségét 3,26V alá, akkor sosem fog szabályozni a kapcsolás... A 4 és 5 lábon mérhető feszültségnek egymás közelében kellene lennie, ha jól számoltam az 500 ohmos potméter mindössze 0,09V szabályozási tartománnyal rendelkezik, tehát kb 7-8 C fokon belül tudsz vele állítani a két végállás küzött. A két trimmerrel kb 3,26 és 3,77V között tudod beállítani, hol legyen ezen belül az a 0,09V tartomány, amin belül kell szolgáltasson feszültséget a diódaláncod a kívánt hőmérsékleti határok közt.
Akkor javítsunk...
Ha tényleg ekkora a feszültség és ha jól számoltam, hogy a rajzon levő potméterekkel sosem viszed le a 4-es láb feszültségét 3,26V alá, akkor sosem fog szabályozni a kapcsolás... Amúgy meg mérd meg mekkora 4-es láb feszültsége a valóságban, ha a két trimmert rendre végállásokba tekergeted, milyen feszültségtartományt ad a 500 ohmos potméter tekergetése... Ebbe az ablakba kell beleessen a diódák által szolgáltatott feszültség is.
Amúgy T1-et mindkét módszerrel bekötve tud kapcsolgatni elvileg és nem pusztul bele, mert az R4 vagy R5 korlátozza a bázisáramot.
Gondolkozzunk: A diódalánc az 5-ös, nem invertáló lábon van. Ha nő a hőmérséklet, akkor csökken a diódák nyitófeszültsége. Emiatt az nem invertáló lábon csökken a feszültség, egy idő után a komparátor kikapcsolja az áteresztőt, emiatt R4 a T1 bázisát földre húzza. Ki kell kapcsolni a fűtést, mivel melegedett a víz, tehát a rajzon szereplő bekötés a helyes. Amúgy mekkora a tápfeszültség a 11-12 lábon?
Szia!
Na még nem volt időm átolvasni amit írtál. Megnézem ha lesz egy kis időm(sajnos a munka). Vettem közben egy másik IC-t de ugyanaz a helyzet. Már arra gondoltam kib****om a pi****a. De még megnézem az instrukcióid alapján. Csak az a bosszantó, hogy én ezt már egyszer megépítettem és akkor elsőre működött. Semmit nem csináltam másképp kivéve a nyákrajzolást amit annak idején alkoholos filctollal csináltam, most meg a modernebb nyomtatós technikával. És ez a fordított tranzisztorállás is piszkálja még mindig a fantáziám.
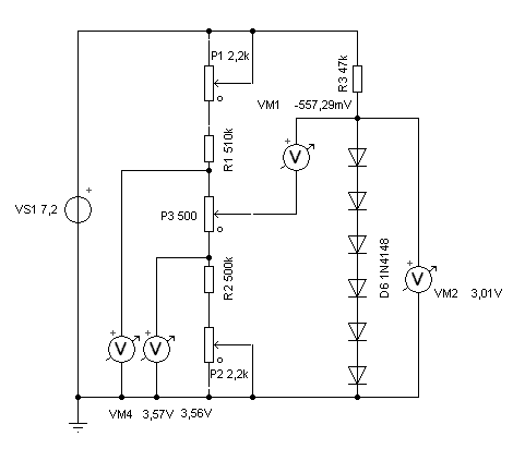
Hello! Nem idegeskedni kell, hanem mérni és gondolkodni! De leszimuláltam, kb. mit kellene mérned. (Potik középállásban vannak.)
- Látható, hogy a P3 poti alatt 3,56V van, felette 3,57. Tehát ez a két érték között állítható be. - A 6 soros diódán 3,1V van. (27°C mellet) - A komparátor akkor billenne át, ha a diódákon eső feszültség megegyezne a potin beállított feszültséggel. De ez nem teljesülhet, mert a különbség nem nulla, hanem -557mV. Mivel a potin csak összesen 10mV-ot tudsz állítani. A szimulátor szerint így soha nem komparálni ezen a hőfokon. - Kolléga is írja, hogy valami gond van a diódák terén, mert azon a 2,49V nagyon kevés. A hihető érték, diódánként az 500..550mV közé kellene hogy essen. Ez 6db diódán, 3..3,3V között kellene lenni. A mérésed 5db, vagy 5+1db zárlatos diódát sugall. Tehát elsőként diódákként kellene a feszültségesésé megmérni. - Ha ez rendben, akkor a poti alatt-felett ellenállást addig változtatni, míg a diódák feszültsége az 500ohm-al be nem állítható. Különben hiába tekergeted a potit. A poti beállítási tartománya így is minimális, vagy is nagyon el kell találni a diódák feszültségét. Mert a -2mV/°C dióda hőegyütthatóját nézve, a potin mintegy 5°C állítható csak be. A két trimmerrel (alul-felül) meg nagyon kis tartomány állítható, hiszen 500kohm-al vannak sorba a 2,2kohm-os trimmerek. - A tápfeszt is meg kell nézni, nem alacsony-e, vagy szűrése nem elégtelen-e. Mert a 723 stabinak valahol 7,15V átlagos feszültsége van. Bár adatlap szerint a 7,04V még simán belefér. VAgy is ha a tápfesz 12V körül van, akkor ez is jó lehet. - A tranyó beültetése a nyák szerint helyes. Feltéve, hogy ilyen lábkiosztású tranyót tettél bele. Ha megfordítod a tranyót, akkor a bétája 5..10 közé fog esni, az kevésnek kell lenni a relé meghúzásához. üdv!
Szia!
Tranyó kivéve, R4 R5 közös pontján: érzékelő bedugva 0,38V van. Érzékelő kihúzva 3,45V Egy dióda rossz volt pedig előtte diódaállásban megnéztem mind. Kicseréltem az volt az első amit megnéztem most. 5-ös láb feszültsége 2,96 ha be van dugva az érzékelő, kihúzva 7,14V. 4-es láb feszültsége 3,61V ha be van dugva az érzékelő, kihúzva2,97( melegítve ~60-70 C 2,60V) A tápfeszültséget stab fesszabályozóról adom és pufferolva. Egy gondolat mindezt az eredeti kapcsolás szerint R9-R10 ellenállások kicserélve. Még egy gondolat: rajz szerinti tranyó állásban, a relé be van húzva, ha be van dugva az érzékelő ha nincs. Az én első verzióm szerint viszont ha be van dugva az érzékelő nem húz be a relé, de amint kihúzom az érzékelőt behúz a relé. Na ennyi szerintem nem küzdök tovább vele, feladtam építek egy másik fajta kapcsolást, ezt találtam.
Szia ih.he!
A te instrukciód jött be, és ez a -"csoda van"- kategória. A panelt kidobtam, készítettem egy újat az eredeti panelvezetés szerint, első összerakásom által berakott tranyóállással. Szinte elsőre beindult(hőfok beállítgatás). Annyi volt még a variálásom, hogy az IC-t beforrasztottam a panelba nem raktam foglaltba.
Szia Proli007!
Írtam ih.he-nek, olvasd el. Annyi még a változtatás, hogy a 2.2k trimmereket kicseréltem 100k-ra.
Még egy gondolat. Én ezt a kapcsolást ventilátor ki be kapcsolására használom. Most kipróbáltam dupla érzékelővel (párhuzamosan kötve) és lássak csodát így is működik. A két hűtőbordámat simán tudom két érzékelővel egy kapcsolással üzemeltetni.
Na örülök, hogy megjavult.
>Egy dióda rossz volt pedig előtte diódaállásban megnéztem mind. Ez sok mindent megmagyaráz, mert ahogy proli007 is írta, a diódák feszültsége sosem érte volna el a potméterrel beállíthatót, ergo sosem kapcsolt volna. Egyébként a tényleges csoda ez volt: >amit megnéztem most. > 5-ös láb feszültsége 2,96 ha be van dugva az érzékelő, kihúzva 7,14V. > 4-es láb feszültsége 3,61V ha be van dugva az érzékelő, kihúzva2,97 >( melegítve ~60-70 C 2,60V) A rajz alapján a 4-es invertáló láb feszültsége csak és kizárólag a potméter állásától függhet, a diódalánc, ha ott van, ha nincs, ha rövidrezárod, akkor sem befolyásolhatja a 4-es láb feszültségét. NYÁK, vagy forrasztási hiba volt (átvezetés), ez szinte tuti. A diódalánc csak és kizárólag az R7 R8 közös pontján és az 5-ös lábon befolyásolhatja a feszültséget, ezeken kell mérni melegítés közben...
Ez viszont nem csoda
![]() A két diódalánc párhuzamosan kötve (ha jól értem...) azt eredményezi, hogy a két érzékelő által mért hőmérsékletek közül a nagyobbik fog számítani. Ugyanis a hőmérséklet növekedés hatására csökken a diódán eső nyitóirányú feszültség. Tehát a magasabb hőmérsékleten levő érzékelőn kisebb feszültség esik. Ez lesöntöli a másik, hidegebb helyen levő, nagyobb feszültséget szolgáltató érzékelőt. Vagyis bármelyik hűtőborda kezd el melegedni, bekapcsol a ventillátor és úgy is marad, amíg mindkettő ki nem hül. |
Bejelentkezés
Hirdetés |


















