Fórum témák
» Több friss téma |
Szia!
Miért használsz ehhez mikrokontrollert? Nem jó ha hagyományos analóg? Pl ami a mellékletben van? Üdv. bencikusz
Próbáld meg az AVR topikban...
SZiasztok,van egy düwi kft által forgalmazott 110 fokos 220-240v-os mozgérzékelős alkonykapcsolom, kb 2évig jól működött,megmakacsolta magát, és most állandóan ki-be kapcsol,mi ment benne galyra?Kerestem afórumba de nem találtam megfelelö gyógyirt.Ti mit tudtok ebbe nekem segiteni?Igaz hogy kinai, de nem volt olcsó,(5300Ft).Kösz előre is asegitséget.Üdv:Kajtár.
Sziasztok!
Szeretnék egy kis segítséget kérni. Szükségem lenne egy alkonykapcsoló kapcsolásra. A feladat a következő lenne. 10db nagyfényerejű led tápját kellene bekapcsolnia mikor besötétedik, nappal pedig lekapcsolja róluk a tápot. A táp egy 4,5V-os, telefontöltő lenne úgy néz ki, de ha találok nagyobb feszültségűt lehet azt használom majd. Szóval olyan 12V-ig jó lenne ha bírná a feszt. a kapcsolás. Lehetőleg egyszerű, könnyen beszerezhető alkatrészekből kellene összeállítani a dolgot. Úgy képzeltem el, hogy egy tranzisztor tölti be a kapcsoló szerepét, de minden ötletre nyitott vagyok ![]() Köszönöm a segítségeteket! A hozzászólás módosítva: Nov 23, 2012
Itt a második rajz: Bővebben: Link A kimeneti relé meg a kapcsolód... és kész!
Köszi!
Relé nélkül ezt nem lehetne megoldani? Úgy értem, minden maradna, csak a relé tekercse helyére kötöm a Led panelt (ledek és előtét ellenállásaik). Az LDR fotoellenállásnak milyet kell választani? Típus, érték? Vagy mindegy?
Hello!
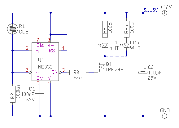
Egy NE555-el, és néhány alkatrésszel, viszonylag egyszerű kapcsolás építhető. A CDS fotoellenállás helyett, lehet használni BPW34, vagy BPW41-es, vagy szinte bármely más fototranzisztor-diódát. Mindössze az R1 ellenállást kell a kívánt fényerőhöz beállítani. A Led kapcsolás csak minta, az előtét ellenállásokat a tápfesz és a Led-ek árama/száma szerint kel megválasztani. A Fet, 2..4A- terhelésig bírni fogja. Ha a tápfesz alacsony, (4,5..5V) akkor IRLR024N-t érdemes használni. egyébként szinte mindegy. üdv! proli07
Köszi a kapcsolást! Viszont ha a CDS fotoellenállás helyett valamelyik fotodiódát használom, akkor , hogy érted az R1 hozzáállítását a fényerőhöz?
Bocsi, ha nagyon hülye a kérdés
Hello!
Egyszerű. Kipróbálod a 100kohm-al, ha túl sötétben kapcsolna csak be, akkor csökkented. De 1kohm alá ne.. üdv! proli007
Sziasztok lenne egy nagyon egyszerű alkony kapcsolásom és abban szeretnék segítséget kérni hogy át kellene alaktani a tápfeszültséget 12Voltra a meglévő 9Volt helyett, illetve a led helyére egy 12Voltos relét kellene behelyezni.
Ki tudnátok segíteni ebben a feladatban ? / a kapcsolást fájlba mellékeltem /
Pár sorral lentebb (Bővebben: Link).
Relét a FET drain körébe teheted, egy diódával záróirányban párhuzamosan kötve. De szilárdtest relé is lehet jó megoldás, akkor nem kell a FET sem.
Es ez mukodik es a ledet hova kellene kapcsolni???
Üdv!
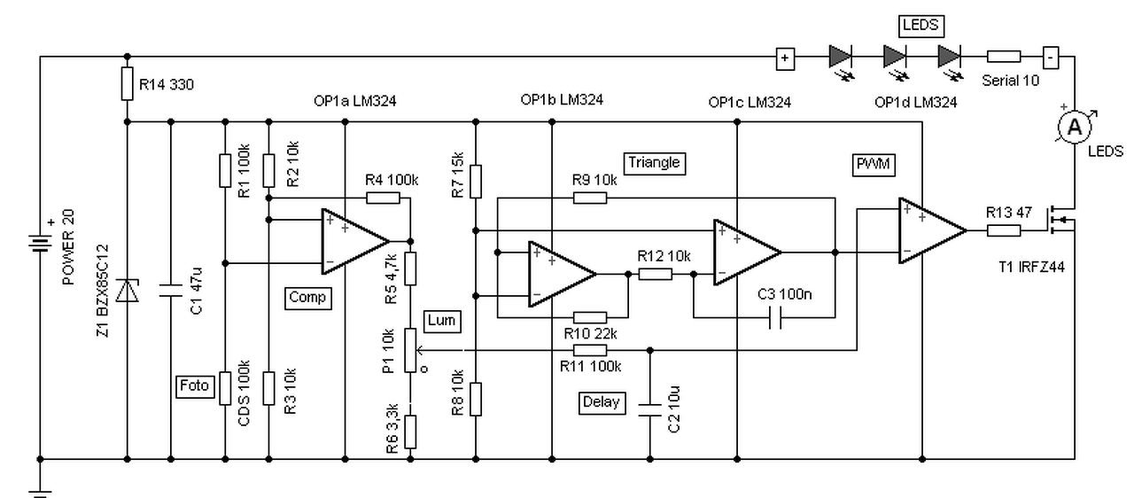
20V-os tápról megy 3×6, 1 wattos LED, jócskán az üzemi árama alatt (500 mA megy a főágon az 1050 helyett). Ehhez szeretnék egy alkonykapcsolót betenni, oly módon, hogy reggel kapcsoljon fel és este le. Kérdéseim lennének: fél éve kezdtem el elektronikával foglalkozni, érdemes belevágni egy ilyen projektbe? Ha igen, akkor a főágra tegyek, vagy a táp elé? A honlapon található kapcsolások valamelyike alkalmas lenne e célra? Ha nem milyen változtatásokkal? Mennyire bonyolítja meg a dolgot, hogyha szabályozhatót szeretnék? (télen kicsit sötétebb van, nyáron meg nem akarom, hogy idő előtt az arcomba világítson) Válaszokat előre is köszönöm A hozzászólás módosítva: Okt 1, 2014
Hello! Amit szeretnél, az kissé összetettebb, de megrajzoltam. Hogy mi érdemes, mi nem azt helyetted nem tudjuk eldönteni.
".. a főágra tegyek, vagy a táp elé?" Ezt nem igazán értettem, mire gondoltál. A 20V-os táp, nem tudom mit takar. De ha az egy "kimondott Led-táp", akkor általában azt nem tudod szabályozni. Ha egy 20V-os tápegység, és a Led-eknek előtét ellenállása van, akkor pld. PWM szabályozással lehet a fényerőt szabályozni. Egyébként meg biztos, hogy reggel kell bekapcsolnia? Mert akkor az nem "alkonyat kapcsoló". De mindegy, hozzávetőlegesen leírom mit takar a kapcsolás. (Az OP1a..OP1d egy tokban lévő 4db. műveleti erősítő, ami LM324 névre hallgat. Természetesen nincs nyolc tápfesz lába csak kettő, az csak a szimulátor miatt kellett.) - A fényérzékelő a CDS ellenállás. Itt egy 100kohm-os van írva, de bármely másik típus megfelelő. Hogy hol kapcsoljon be, azt az R1 ellenállás változtatásával beállítható. - Az OP1a műveleti erősítő egy komparátor. Tulajdonképpen ez megoldja az alkonyt kapcsolót. Ha nappal van, akkor a kimenete magas, ha éjjel, alacsony. - Az OP1b és OP1c egy háromszög generátor a PWM szabályozás részére. Frekvenciája kb. 500Hz. Tehát villogását szemmel nem lehet látni. - A fényerőt a P1 potival lehet 0..100% között beállítani. Hogy a lámpa ne hirtelen kapcsoljon be, hanem fokozat mentesen, azt a "Delay" időzítő áramkör végzi. A teljes fényerőt (vagy sötétséget visszafelé), kb. 1 másodperc alatt éri el. De az időt az R11-C2 értékének megváltoztatásával (ésszerű határok között) megváltoztatható. - Az OP1d fokozat a PWM komparátor. Ez összehasonlítja a háromszög jelet a C2 kondiban lévő feszültséggel, és amikor a kettő egyenértékű, kapcsolja ki-be a Led-eket. (Persze a háromszög jel frekvenciájának meg felelően.) - A Led-ek áramát, a T1-es MOS fet kapcsolgatja. Az áram maximális értéke kb. 2A lehet. Nos, ennyi a kapcsolás. Remélem számodra még nem túl komplikált. - Az áramkört és a Led-eket, ugyan az a 20V-os tápfeszültség táplálja. A hozzászólás módosítva: Okt 1, 2014
Tisztelt Fórumtársak és hozzáértők!
Szeretném saját kezűleg megjavítani a a mellékelt fotókon látható alkonykapcsolót, melynek típusa AK-11 220V-50Hz-60W.MAX 10 1X A hibajelenség annyi, hogy a szerkezet folyamatosan világít, azaz mindig bekapcsolt állapotban van bármilyen fényviszonyok mellett sőt még akkor is, ha közvetlenül az érzékelőbe világítok. A visszajelző led egy kicsit hunyorog, ami talán az 50Hz-es váltóáram miatt van, de csak találgatok – ennek valódi oka számomra ismeretlen. Célom az, hogy a szerkezet rendeltetésének megfelelően csak akkor kapcsoljon ha már sötét van és világosban önműködően kikapcsoljon. Valakitől azt a tippet kaptam, hogy mivel ez egy régi szerkezet, talán kiszáradt benne a kondenzátor amit azonban szétszerelés után nem látok benne (vagy csak nem ismerem meg) Mely alkatrész vizsgálatával illetve cseréjével érdemes elkezdeni a javítást és hogyan? Ez az összes felirat, amit az egyes alkatrészeken találtam a többin csak színkód van: AK-11 220V-50Hz-60W.MAX 10 1X Tranzisztor A (lapos részén fémszínű tónusos nyomat, fekete betűkkel) PE7059 E B-C Tranzisztor B (ebből kettő is van, a másikon is ellenőriztem a feliratot) BC237 Fekete dióda az alsó/belső panelen M E 1N 4 Áttetsző piros dióda a felső/külső panelen 41 48 Ellenállásnak tűnő henger alakú tárgy a szekezet közepén egy áttetsző szigetelő gumicsőbe húzva, az alján fehér műanyag gyűrűvel 1Π5M Narancs színű, korong alakú ?ellenállás?nak látszó tárgy, amely a felső/külső panelről lefelé néz 560K J A tetején az opálosan sárga led melletti áttetsző alkatrész talán egy fotodióda, ismeretek hiányában legalábbis erre tippelnék. A képek egy részét terjedelmi okokból ide töltöttem fel, de az itt mellékelteken is elég jól látszik minden. Ellenállásméréssel megállapítottam, hogy nincs szakadás az elektronikáig és vissza; az áramkör a lámpatest, foglalat külső érintkezőjét kapcsolja össze (a világítótest középső érintkezője összeköttetésben áll a foglalat középső részével, zárlat sincs) Máshová feltöltött, nagyított képek: AK-11 alkonykapcsoló elektronika A szerkezet elvben úgy működne, hogy miután becsavarom egy szabvány E27-es foglalatba sötétre (pl. este) magától bekapcsol, világosban (reggel) pedig kikapcsol. Ha valakit érdekel, mert például szeretne ilyet építeni szívesen lerajzolom a kapcsolást is (ha kapok valamilyen útmutatást arra, hogy ezt hogyan szokás) Állítólag megbízható szerkezet volt ameddig működött és úgy látom, jelenleg is forgalmazzák (ezt, vagy ennek egy utódját) bár az általam ismert helyeken és webeken nem találtam belföldön. Elképzelhető, hogy egyszerűbb volna venni egy másikat vagy ha nem pont ilyet, akkor hasonlót de érdekel a téma és ezért szeretnék vele "játszani". Ezen felül egy 13 elemből álló áramkör javítása nem tűnik lehetetlennek (1db feltételezett fotodióda, 2db egyéb dióda, 1db led, 3db tranzisztor, 6db ellenállás, ha jól számolom) Bármilyen tippet vagy kérdést örömmel fogadok ezzel kapcsolatban. A hozzászólás módosítva: Jan 27, 2015
Sziasztok,
A mellékelt képen lévő egyszerű alkonykapcsolóban a led-ellenállás helyett relé van diódával. Az a gondom vele, hogy lassú fényváltozásnál a billenési küszöb környékén prellezik a relé. Hogyan lehetne határozottá tenni a váltást?
Ennek elvileg át kell billennie,nem prellezhet.
"Az LM358 műveleti erősítő komparátor üzemmódban dolgozik, ezért a 2. lábra adott referencia feszültséghez képest a trimmerrel beállítható a billenési küszöb." A potmétert próbáltad állítani?
Természetesen a trimmert állítom a kivánt fényerőhöz de ha lassan sötétedik akkor 1-2 percig megy a prell. Egy relémnek már beégtek az érintkezői. Tavi szivattyúmotort kapcsol.
Üdv! A műveleti erösítő 1-es és 3-as lába közé tegyél egy ellenállást. Pontos értéket nem tudok, úgy 100k-470kOhm körülivel próbálkozz!
U.i: ez az ellenállás lesz a visszacsatolás. Nem is értem, miért nem volt benne eredetileg. Bár a LED-nek nem számít, ha nincs. A hozzászólás módosítva: Dec 14, 2015
Kipróbáltam 100K + 560K potival, javult de még mindig ki lehet hozni belőle a prellt. Viszont hirtelen felindulásból
tettem helyette egy 47uf-os kondit (negatíiv a 3-asra) és most úgy néz ki, hogy használható. Bár nem tudom, hosszabb távon az IC szeretni fogja-e?
Sziasztok!
Méhek itatójának a fűtését szeretném akkumulátorról 12V-al megoldani gazdaságosan. A víz mennyisége nagyjából 10 l lenne, amit egy wartburg torok előmelegítő egységével oldok meg. Az elektronikai része az egésznek ott lenne, hogy a vizet éjjel nem kell melegíteni, csak nappal. Szóval egy alkony "lekapcsolóra" gondoltam, ami este lekapcsolja az egészet, valamint szükség lenne egy hőkapcsolóra is, ami mondjuk 20 C fokos víznél felkapcsol, valamint 25C-nál lekapcsolja a fűtést. Így éjjel egyáltalán nem fűt, nappal pedig csak a beállított hőmérséklet eléréséig kapcsolja fel a fűtést és tartja a beállított tartományban. Az oldalt böngészve találtam Cavalier egy Cikk-ét ahol egy alkonykapcsolót ír le, valamint ugyanezen kapcsolás egy kis módosítással termosztátként funkcionál. Véleményeztek szerint ezen kapcsolások kombinálásával megoldható a feladat, vagy létezik valamilyen egyszerűbb megoldás? Végül egy kérdés a cikkel kapcsolatban, mégpedig, a rajzon szerepeltetett 10 lábas K1 alkatrész egy bistabil relé? A válaszokat előre köszönöm!
Hello! Két komparátor kell, egyik a fényre, másik a hőfokra. És a fény komparátorának hatástalanítania kell a hőfokot. Ezt pld. így lehet megoldani. Nem tudom a Wartburg fűtése mekkora áramot vesz fel, 3..4A-ig lehet használni egy Fet-et is. De ha sokkal többet, vagy számodra a relé szimpatikusabb, akkor lehet a Fet helyett egy tranyót (bázis ellenállással és relére védődiódával) használni helyette. (Egyébként ez egy sima és nem egy bistabil relé)
Köszönöm a segítséget. Ez egy egyszerű és általam is kivitelezhető megoldásnak tűnik.
Mindenképpen szeretném FET-tel megoldani a kapcsolást. Az IRFZ44 nálam több egyszerű, nagyobb áramigényű kapcsolásban is bevált. Egyébként ha jól emlékszem 4A-t vesz fel a fűtés, valamint a FET-en keletkező hő se megy kárba, mert az edényzethez lehet rögzíteni.
Hali Mindenek!
Alkonykapcsolót szeretnék csinálni. És mivel foto ellenállásom van azzal szeretném meg csinálni. Nézegettem már az oldalon, de csak tranzisztoros és diódás kivitelben láttam. Az ellenállásom sötét helyzetben kb 1,5 Mohm. És bárhogy próbáltam összerakni sehogy nem sikerült. 3-tól 12 v-ig mehetne a feszültség. Köszönöm!
Hello! Csak nem írtad, hogy mit kapcsolnál vele. De itt egy 555-el. Ha túl érzéketlen, az R2-őt lehet növelni. Ha túl nagy a hiszterézis, akkor Az R2-őt két felé lehet osztani. És az osztáspontot lehet a Tr lábra kötni. stb..
|
Bejelentkezés
Hirdetés |




















