Fórum témák
» Több friss téma |
Ha szkóp-képet teszel fel, legyen látható a kezelőszervek beállítása, vagy add meg a beállításokat!
Köszönöm lusta voltam megnézni a szkópomon
Ha jól látom a képen, az előlap bal alján a "focus" gomb mellett van "ROTATION" feliratú luk, itt lehet benyúlni csavarhúzóval a sugárforgatás beálító trimmerhez. Óvatosan benyúlni, nem mellé, hátha zárlatot is lehet csinálni. Vagy műanyag csavarhúzóval.
A vízszintes pozíciót tedd úgy, hogy a bal legszélső függőleges osztásvonalon legyen a triggerpont, azaz a jel kezdete.
Működik! Köszönöm mindenkinek a segítséget!
Van még otthon egy RFT EO174, még 10 évvel ezelőtt kaptam, jövőhéten az kerül a műtőasztalra, le van vágva a betáp kábele még az is lehet hogy egyébként semmi baja.
Van egy hibás régi ruszki szkópom. Sok mindent nem tudok róla, főleg mert ami felirat van rajta, az is cirill betűs.
Ha bekapcsolom semmit nem mutat, csak erősen remegve zúg a trafója. Mintha valami erősen leterhelné a szekundert. Amit egy multiméterrel ki lehet mérni benne, azokat kimértem , bár a hűtő csillagos alkatrészeket nem mértem, mert csak így rögtönözve mértem rá. tranzisztorok, diódák jók. Van benne két dil tokos ic, számuk KP140УД1Б és egy kalapos ic. Ezek nem tudom milyen ic-k, és hogy jók-e? De gyanúm szerint inkább a nagy áramú körben lehet baj, nem a kis áramú, nagyfrekvenciás körben. Áramkorlátot nem tettem elé, így nem tudom okoztam-e további károsodást a bekapcsolás során, de zárlatra, égésre, melegedésre utaló nyomot nem látok, primer biszti épp. Esetleg a katódsugárcső köre lenne hibás? Mire érdemes rámérni, hol keressem a bajt? Csatoltam pár képet róla.
Nekem is van ilyen szkópom. Ez volt az első. A trafó veszettül zúg, de önmagához képest jó működik. Ha kell előhalászom a kapcsolását. Én csak kondikat cseréltem rajta mikor hozzám került.
Szerk: Egy tranyót is cseréltem, de fölöslegesen mert akkor még nem tudtam, hogy jó csak én a tudatlanságom miatt gondoltam rossznak. Egyébként véleményem szerint nem egyszerű eladat vele jelalakot megjeleníteni. A hozzászólás módosítva: Márc 2, 2013
Pedig aki keres az talál.
Nekem is ilyen szkópom van, még működik hibátlanul.
Köszi a doksit! Ebben a doksiban nem véltem felfedezni az IC-ket. Vagy nem ismertem fel az orosz jelölési módot?
Szia!
A doksi 27-ik oldalán látható háromszög lesz az IC. Ez a műveleti erősítő a 702-es orosz megfelelője, amit valamilyen más, gyors erősítővel helyettesíthetsz.
Ezt az oldalt észre sem vettem.
Lehet átgörgettem rajta...ilyenkor mikor se kép, se hang, mire érdemes rámérni először? A katód sugárcső egyenáramú meghajtást kap?
Át kell szépen méregetni a tápegységet, meg kell nézni, hogy fűt-e a ks-cső, a csőre menő feszültségeket kell ellenőrizni, meg ilyesmi. És igen, egyenfeszültségek vannak a csőre kötve.
Szia. A 24.-oldalon található a lap tetején a feszültség érték amiket mérned kell optimális esetben. Igaz, nem egyszerű kivakirgászni ezeket az orosz gépeket, a doksijuk nekem elég sajátságos, de azért lehet belőle dolgozni. Én első körben, ahogy István mondja a tápokat ellenőrizném, amig ezek nincsenek meg biztosan, addig kár tovább erőszakoskodni vele. A kondik egyébként is megértek már egy cserére.
Köszönöm, ezeket átellenőrzöm, és az eredmények tekintetében még írok.
A kondikat mindenek előtt kicserélem.
Bár, ezek az orosz kondik meglepően jól bírják, én a 78-as kiadású C1-70-esembe cseréltem ki őket, és meg is méregettem, de nem találtam rosszat, de az katonai motyó, a tiédben nem tudom ezek vannak e, persze az új a biztos, csak jót teszel vele.
Még nem szedtem szét annyira, meglehetősen zúfolt ketyere. Három kondit látok a tápban, natúr aluk, értéjüket nem tudom, mert takarva van. Szét kell szedni a tápot, de tuti nem katonai élettartamú.
Az a helyzet, hogy abszolut ismeretlen a szkóp előélete előttem, hibásan kaptam, de hogy mikor és mitől halt le, rejtély. Annyi bizonyos, évek óta méltatlanúl porosodott a kicsike, én meg szívesen elbütykölök vele. A szkópok lelkivilága új terület még. Majd kinyomtatom a kapcsolásokat, és átmérem a feszültségeket.
Szerintem sem katonai kivitel. Igazából ezekkel nem szokott gond lenni, inkább a kondik öregedése ami lerontja a működést. A potik, ha ez a tipus Bővebben: Link szerintem nagyon jók. Zártak, így nem megy be a por, nincs lespórolva az anyag az ellenállás pályáról, és tippem szerint szén csatlakozású, nem fém, így borzasztó sokáig bírják, én még nem találkoztam ilyenből rossz tipussal. Szerintem ezek jó potik. Bár a maiak is ilyenek lennének. (olcsóbb kat.)
Igen ezek a potik vannak benne.
Láttam már orosz készüléket párat, és van némi halovány emlékem a sokol rádiókról. nem az a fajta teknika, mit csak úgy összehajigáltak! Használatra szánt termékek. Az áramkör topográfiája is szinte pihentető a szemnek, szellős, nem alkatrész temető. Jó volna talpra állítani! ![]() Erősen nehezítő körülmény, hogy a beültetési oldal nincs feliratozva. Le kell vennem az elő-, hátlapot is, szinte miszlikbe szedni. Valahogy most kissé viszolygok eme készülék ennyire szétrámolásától... A hozzászólás módosítva: Márc 3, 2013
Csak az elektrolit kondikat cseréld első körbe, lehet itt meg is oldod a problémát.
Közben még rákerestem a neten, és találtam is némi infót a készülékről. De még majd kutatok. Van már infó arról, honnan szerezzek magyar leírást.Legnagyobb meglepetésemre az RT igen részletesen foglalkozott a készülékkel anno!
![]() ![]() Mint sok minden mást, a kapitalizmus ezt is megölte! Mikor közölnek le manapság egy készülék teljes dokumentációját... Tegnap este tört rám a késztetés, hogy belemásszak a gép lelkivilágába, de nem futottam extra köröket, ide írtam elsőnek. Elképzelni sem mertem volna, hogy ennyire elterjedt készülék volt ez régen. Meggyőződéssel hittem, hogy valami antik ritkaság, de amatőr körökben a jó ára miatt olyan gyakoriságú volt majdnem, mint egy multiméter. ![]() A Ge Lee által csatolt doksi szerintem hiányos. De irányadónak jó...
Sziasztok !
Ha nem haragszotok bekapcsolódnék és mindjárt küldök egy jobban olvasható de sajnos ez is orosz gépkönyvet. Nekem is van egy ilyen szkópom, de már csak mint retro tárgyat őrzöm. A rádiótechnika számokban közölt leírás nem minden része egyezik meg a gépkönyben közölttel a triggergenerátor más felépítésű újabb változat
Ha jól emlékszem az RT-ben a triggert feszegették, vagy ahhoz volt valami kiegészítés már nem emlékszem.
Mi lenne veled ha olyan rajza lenne ami kinyomtatva 12 oldalnyi A4-es zsúfolva, apró betűkkel. És ez csak a mezei szkóp, semmi tárolás vagy egyéb digitális kiegészítés. Ezekben élmény turkálni...
Na valószínű ahhoz már nem fognék hozzá! Pont az egyszerűsége ami motivál.
Van hozzá egy kis dobozkám, ami az x1 csatlakozóra kapcsolódik. Van két poti rajta, de hónapok óta nem volt kezem ügyében, majd előkerítem. Jobb szkópok rendelkeznek külső triggerrel, vagy rosszul tudom? Rég volt dolgom szkóphoz. Na azt akarom mondani, lehet trigger kiegészítő. grenek: isten hozott, meg a jó szándék! . Mindennél jonban jőtt egy olvashatóbb doksi! Bár még mem néztem, telóról művészkedek most.Tényleg óriási meglepetés, hogy ennyire ismert készülék! A hozzászólás módosítva: Márc 3, 2013
http://retroelektro.uw.hu/muszer/h313.html
Egy kis érdekesség A dobozka amit említettél egy kétsugarasító kapcsolás nekem is van ilyenem. A hozzászólás módosítva: Márc 4, 2013
Köszi a képeket! Ezt az oldalt mit belinkeltél, én is megtaláltam. De nem néztem meg, hogy vannak dikumentumok is. A jobb minőségű képeket onnan töltötted fel?
Mennyire pontos ez a készülék? Olvastam a retro műszer oldalán, hogy +/-20%-os hiba faktora van. Ha sikerűlt üzemképessé tenni, egy másik komolyabb szkóppal hitelesítem majd, ha lehet...
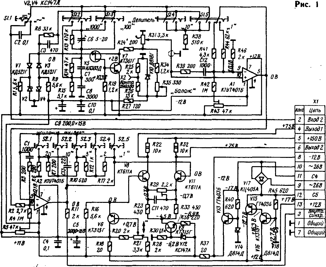
A függőleges csatorna 1 MHz-ig +/- 1,6 %
a vízszintes csatorna azaz az X eltérítés viszont +/- 20 % A rajzok innen valók RADIО № 4, 1978 45-47 oldal
a kis dobozon van négy poti, és négy csatlakozó. Az előlapi csatlakozók meg vannak jelölve, de a hátlapi nincs. Mire valóak a hátlapi csatlakozók, és a potik mit állítanak?
Nézegettem az utolsó csatolt rajzod mit közöltél. Nagyon hasonlít a vízszintes csatorna áramkörére, csak az R21-nél a nyíl függőleges. Letöltöttem a képet a tabomra, így majd jobban össze tudom vetni a djvu-s rajzokkal, amit előzőleg küldtél. Ja, még valamit. A linkelt oldalon a szerző méltatja a trimmerpotikat. Érdemes kicserélni azokat, vagy ha be van állítva kár lenne bolygatni. A hozzászólás módosítva: Márc 4, 2013
Szia!
Nem csak "elbújt" a sugár? Hálózati szinkron (Cem6 ), 1ms/div, fekete gombokat kiengedve kellene megpróbálni. Adj neki 10 perc bemelegedési időt, majd a a cső melletti (függőleges nyilakkal jelölt) és a 4. (vízszintes nyilakkal jelölt) potenciométerrekkel próbáld meg a sugarat behozni a képernyő közepére. Nem érdemes benne potenciométert stb (a hibásaktól eltekintve) cserélni, most "egyenszilárdságú" a berendezés... |
Bejelentkezés
Hirdetés |




Van még otthon egy RFT EO174, még 10 évvel ezelőtt kaptam, jövőhéten az kerül a műtőasztalra, le van vágva a betáp kábele még az is lehet hogy egyébként semmi baja. 



Lehet átgörgettem rajta...



