Fórum témák
» Több friss téma |
Ha szkóp-képet teszel fel, legyen látható a kezelőszervek beállítása, vagy add meg a beállításokat!
Akkor a C3-sem? csak simán kössem a diódát a trafóra?
Amúgy erre jó a sima 8:1200 audiótrafó?
A C3 kell , az a pufferkapacitás, arra írtam hogy legalább 8-10 kV-os és 500 pF-1 nF értékű legyen.
Ferrit fazékvas vagy E magú trafó szükséges, PC-tápból bontott is jó. Tv sortrafó magja is jó. Magas az üzemi frekvencia 50-100 KHz között ezért csak ferrit alkalmazható. Primer menet 20-30 0,8 mm zománchuzal, szekunder 400 menet 0,3 mm zománchuzal soronként szigetelve. Alul a primer felül a szekunder közte ötszörös szigetelés.
Sziasztok, Pár év/tized után elővettem a Siemens M 07190 tip szkópomat, Sajnos eléggé "hurutosan" indult, nem lehet a szinkront megfogni + egyébb nyalánkságok. Valamikor volt hozzá komplett rajzom, de sajnos a költözések során, az élet szele elsodorta őket. Nem volt időm, mind a 111 oldalt végigolvasni, s az oldal keresője sem hozott rá találatot, ezért megkérdezném a Tisztelt Kollégákat, hogy van-e valakinek valamilyen leírása róla?
Kontaktusokat nézd át, csatlakozók, kapcsolók, potik, stb. Ennyi állás után biztosan korrodált sokminden. Mozgatással javulhatnak a kontakt oxidációk.
Sziasztok! Kaptam ajándékba egy EMG TR-4655 nevezetű szörnyet, működőképes állapotban. A segítségeteket szeretném néhány dologban. Ha a gépet kalibráló állásba rakom, és a beépített négyszöget mérem mérőfejjel a vonalak nem egyenesek, és a mérőfejen is hiába állítok, sosem bírom teljesen szépre kihúzni. A másik gond, hogy az egész kép lassan horizontálisan pulzál. A harmadik gond pedig, hogy a világítás alacsony állásában a fényerő folyamatosan gyorsan változik, néha elmegy, röcög, néha egész fényes lesz. Ha kicsit adok neki kakaót, egész stabil a fényerő. Feltettem egy videót: Bővebben: Link
A CH2 csatorna mintha kicsit négyszögesebb meg stabilabb lenne minden szempontból, bár a fényesség probléma ott is fennál. Van esetleg tippetek, hogy mi okozhatja a fentieket? Előre is köszönöm!
Mérőfej nélkül a kalibráló kimenetet össze kell kötni a csatornák bemenetével és belül
az osztók kompenzáló kapacitását állítva a szervizmanuál leírása alapján be kell állítani az ideális négyszögimpulzust. Ne legyen túllövés és ne legyen tetőesés sem. Ezt azonban csak azután ajánlom miután a nagyfeszültségű egység áramkörét átvizsgáltad és javítottad mert szerintem a fényerő ingadozását eltűnését majd úja megjelenését a nagyfeszültség kimaradása változása és instabilitása okozza.
Nagyfeszültség változása képméret változást okoz, a négyszögjel mérete eléggé változna. Itt viszont nem változik a méret, szerintem nem nagyfesz hiba van. Nem tudom mi, talán a fényerőszabályozás körül kellene vizsgálódni.
Sziasztok!
Nemrég végeztem a topik elolvasásával, nagyon tanulságos volt.Rögvest kedvet kaptam a szkópom javításához (meg el is romlott).ITT-Metrix gyártmány OX 7520 tip. Rajzot kellene találni hozzá, de nemigen sikerül.Alapvetően "csak" kontakthibás, de szinte mindenütt. Ezt valószínűleg én okoztam : kb 23 évvel ezelőtt vettem, vigyáztam rá, inkább csak akkor használtam amikor a digitális részére volt szükség. Sűrűbben kellett volna kapcsolgatni. Most odáig jutott, hogy nincs látható sugár csak a sugárkeresőt használva jön be egy pötty, eltérítés sincs.A kontakthibákkal remélem megbirkózom, de ha nem is lesz más gondja biztos hogy kalibrálni kell.Ezért keresek rajzot vagy valakit aki ismeri. Köszönöm
Ha esetleg Nagyfesztrafó a rossz tudok újat adni .
Ha használnád a "Válasz"-t, tudnánk, kinek is írtad...
Sziasztok!
Van nekem egy ULTRON 553P "ős" szkópom, ami külsőleg/belsőleg gyári állapotban van. Használtam, aztán egyszercsak "annyi". A NET-en rendesen szétnéztem, de nem találtam rajzot hozzá. Ha valakinek lenne, megköszönném.
Sziasztok! Van egy RFT EO 213-as szkópom aminek nem megy a "B" oldala, és csak egy sugár van az ernyőn. Hogyan kezdjem el a hibakeresést? Rajzom van. Köszönöm a segítséget előre is!
A tápfeszültségekkel a nem működő oldalon, és a két csatorna részletes összehasonlításával.
Ha minden stimmel, akkor az elektron kapcsoló ellenőrzésével folytatni.
Sziasztok! Lenne egy ilyen '81-ben gyártott orosz szörnyem, ami nem működik. Mivel nincs oszcilloszkópom és sajnos jelenleg pénz sincs ilyenre (tudjuk mennyibe kerül) ezt szeretném valahogyan működésre bírni, ha lehetséges. Szeretném megkérdezni, hol kellene elkezdeni a méréseket? Elsőként főleg a képcső működését szeretném ellenőrizni, mivel ha az ment tönkre azt hiszem felesleges a további munka. Előre is köszönöm a segítséget!
Első körben vedd szemügyre a csövet.Ha a fényes Getter-réteg fehér,akkor levegős lett...kuka.Ha ez jó,akkor építs vissza a helyére,és mérj.Ha fűt,azt látni, a nagyfeszt is ki lehet fáziscerkával mutatni.Elsőnek kb ennyit tennék.
Ezek szerint a cső működőképes.A beépítési pozíciót el tudod dönteni ha tekergeted a vízszintes és függőleges pozíciót beállító potikat.Utána ki lehet deríteni,hogy mi a további javítanivaló.
nos, ez megvan.. most pedig hol kell erre jelet kapcsolnom? miért van két csatlakozó az előlapon?
Az "Y" jelű BNC-re kell kötni. Megvan a vízszintes csík?
A hozzászólás módosítva: Dec 22, 2013
Nos, ez itt 10Hz lenne, a jelet a számítógép hangkártyájával generáltam...
Ez miért van? 1kHZ-et generáltam neki, 100us-al mérve...
A szinkron "CTAB" potmétert próbáld meg tekergetni.Azzal meg lehet fogni.A jobb felső fehér sor kapcsolók is azt állítják.A "CETY" feliratú a hálózati 50Hz-hez szinkronoz.A mellette lévő (jobbról) a belső szinkron,a bal oldali pedig a fel vagy lefutó élre történő szinkronozást állítja.
A jel már megvan, bármit nyomok ugyanazt adja be.. viszont van egy YPOBEHb (LEVEL) potméter, ha azt letekerem szinte teljesen, egy ponton csak egy szinuszjel marad... Ja és mi az X BNC csatlakozó?
A hozzászólás módosítva: Dec 22, 2013
A szint potméterrel lehet azt a pontot állítani,hogy hol kezdje a szinkronizálást.(Feszültségszint).Az X bemenet a külső vízszintes eltérítésre szolgál.Az úgynevezett Lissajous ábrák,karakterisztikák rajzolására pl frekvenciamérésnél,átvitel mérésnél...
Itt találsz egy jó leírást
Na, most úgy néz ki, valami történt... annyit vettem észre, egy kis füst száll fel a szkópból, ki is kapcsoltam egyből, majd ez fogadott... a szkóp bekapcsol és működik, de ez az ellenállás melegszik mint a bolond, így nem merem hajtani tovább.. ígyis már fekete.. az okát nem is látom mi lehet..
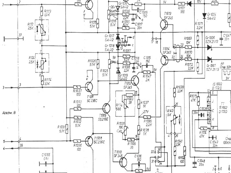
Szerintem a csatolt doksi 24 oldalán található rajz szerint az R34 vagy R35 pörkölődik. Valami túlterheli.
A hozzászólás módosítva: Dec 23, 2013
Méregettem pár helyen, és találtam egy elég jelentős feszültség különbséget: aT1010-es tranyó emiterén egyik oldalt 0.2V, a nem működőn 5.4V A rajzrészlet:
A hozzászólás módosítva: Dec 23, 2013
Nos, most már teljesen jó lett a szkóp... Már csak annyit kellene tudni, lehet-e még szerezni valahonnan ezt a méretű BNC-t... Ja és mi az az 5 tűs DIN csatlakozó a hátulján? X1 felirata van...
A hozzászólás módosítva: Dec 23, 2013
Szerintem sima BNC csatik vannak rajta,ami szabvány méret.Azt meg lehet venni.
A HE-Storeban is Miért füstölt az ellenállat? A hozzászólás módosítva: Dec 23, 2013
Nem sima, orosz szabvány, magyarul sehonnan nem tudsz szerezni. A hátuljához csatlakoztathatsz egy "két sugarasító" dobozkát eredetileg.
|
Bejelentkezés
Hirdetés |






















