Fórum témák
» Több friss téma |
Szívesen!
![]() Még az is eszembe jutott, hogy a 7812-nek az a 46mA meg se kottyan, tehát nem kell rá hűtőborda (szerintem).
Ennek mi a neve?
Sokszor láttam már ilyet de sose tudtam hogy miez köszi
Sziasztok!
Látván az előző HSZ-eket,számolgattam kicsit én is. 5 lábú relém van,megvan a behúzótekercs 2 lába. 320 Ohmot mutat a műszer. Akkor elvileg sorbakötök vele egy 330 Ohmos,min. 1 Wos ellenállást akkor úgy jó is? Egyébként a relé 'fajtájára' is kíváncsi lennék:Úgy van hogyha nem húz be akkor pl 3-4 láb között vezet 4-5 között szakít...ha meghúz akkor pedig a 3-4 láb szakít és 4-5 zár. (1-2 a behúzótekercsé) Szóval még a nevére lennék kíváncsi illetve hogy a számolásom helyes-e...köszi mindenkinek!
Mi lenne, ha nem toroid lágyinditó
.A tipusa SG160
Sziasztok.
Egy olyan kérdésem lenne hogy egy 800VA-es toroid trafó elé kell e lágyindító? Egy ien trafó induláskor körülbelül mekora áramot vesz fel? Trafó erősítőbe lenne 2x150W-osba de ara gonoltam hogy a tápfeszt kapcsoloval lelehet majd venni a végfokokról és így üresjárásba mekora áramot vesz fel? Előre is köszönöm szépen. sziasztok
Ekkora trafót már érdemes lágyindítani.
A kialakuló csúcsáram nehezen számítható, inkább védekezni kell ellene. Nem is elsősorban a pufferelkók okozzák a nagy áramlökést, hanem a trafóvas remanens fluxusa.
Igen azt tudom mi okoza. Csak tanár azt mondta fölösleges ezt beraknom. De nem bízok én anyira benne mondot már párszor butaságot volt hogy majdnem baj is lett belőle. Azt gondoltam itt is megkérdezem! Nem tudod véletlenül hogy egy ilyen relé mien árban van? mert kondiaim ellenállásaim vannak! csak relé kellene.
köszönöm szépen
Az én 400VA-es Toroid trafóm lágyindító nélkül bekapcsoláskor a 4 amperes biztosítékot primeren elégette mint a rongyot. A tiéd bekapcsoláskor rövid ideig ugyan, de akár 10A-es áramot is produkálhat ami nem kevés. Amúgy hivatalosan 200W felett már erősen ajánlott lágyindító használata a torroid trafókhoz.
"Csak tanár azt mondta fölösleges ezt beraknom." A tanárod, ha ilyet mondott akkor idióta. Ehez megfelelő relét 4-500Ft-ért kapsz bárhol.
Hát igen! Mi is ezen a véleményen vagyunk.
Köszi. Találtam itt az oldalon egy kapcsolást egy ien lágyindítóról de 330 n-os 250 volt os kondi helyett csak 390n-os 250 v.os kondm van ez szerinted nem jelent gondott?köszönöm szépen http://www.hobbielektronika.hu/kapcsolasok/toroid_lagyinditas.html?pg=2
szia Nyugodtan rakd össze...
Szia.
Köszi.
Sziasztok!
Nekem van egy 230V~ 140A-es CO2 védőgázas hegesztőgépem. Az elektromos hálózat 3*16A -es B típusú kismegszakítóval van az óradobozban bekötve. Egyszer kicseréltettem, mert nagyon könnyen leverte anno az öcsém 230~ MIG 160-as gépe, vagy egy nagy flex stb. (pedig sohasem volt semelyik túlterhelve) Persze hiába, a probléma velem maradt. A hegesztőgépem vadonat új és sajnos ezzel is jelentkezik a gond. A 4 fokozatból, csak kettőt tudok használni. A 3-as lenne jó kicsit vastagabb anyagokhoz, de csak nagyon ritkán tudok vele hegeszteni, mert amint megnyomom a gombot leveri a megszakítót. Csak a dobozban lévőt veri le mindig. C-típusút pedig csak feketén lennének hajlandóak beszerelni. Lágyindítóra gondoltam és láttam a neten egy céget ( http://www.rior.hu/lagyindito.html ), akik elviselhető áron kínálják a portékát. Van információtok erről? Érdemes megvenni, vagy kezdjek el kísérletezni és barkácsolni az itt (is) megtalálható információkból kiindulva?
Sziasztok.
Egyik ismerősöm megkért hogy a 2200w-os makita flexéhez csináljak egy lágyindítót, mivelhogy mindig leveri induláskor a kismegszakítót. Pedig anno mikor ezt a flexet vette már létezett lágyindítós tipus is, csak sajnálta azt a plusz 5 ezrest. Vajon milyen lágyindító lehet ezekben a gépekben, frekiváltós vagy fázishasításos? Vagy esetleg próbálkozzak a torroidokhoz használatos lágyindítókkal? Remélem tudtok segíteni. Üdv.
Sziasztok.
Megépítettem ez a lágyindítást: Bővebben: Link De valamiért csak 12-14V van a kondiknál max. ezért a relé be sem húz, minden alaktrészt kimértem, mind jó. Mit tehetek? Már nem először csináltam meg, de eddig mindíg elsőre és tökéletesen működött. De most nem. Melyik alkatrészt kell cserélnem ahhoz, hogy nagyobb feszt kapjak a rélénél?
Szia!
A lágyindítós kivitel kapcsolója teljesen más mint a normál típusé. Valamint a gépház is egy kicsit más mert van benne egy előtét ellenállás az állórészre felcsavarozva. Az indításkor ezt az ellenállást köti sorba a hálózattal,majd kb 1s múlva ezt rövidrezárja egy triac , ami a kapcsolóba van építve. Az újabb típusoknál már a markolatban van a lágyindító egy komplett elektronika formájában( akkora mint két kockacukor) de a kapcsoló ennél is speciális. Ja, és mindkét elektronika fázishasítós.
Valószínűleg az alkalmazott relé tekercsellenállásában keresendő a hiba oka. Magyarán, túl kicsi tekercs ellenállású relét választottál . Keress egy kb. kétszer akkora tekercs ellenállású relét, és a gondod megoldódik.
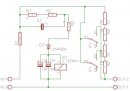
http://www.hobbielektronika.hu/kapcsolasok/toroid_lagyinditas.html?pg=2
Ez a kapcsolas hogy biztositja, hogy a kondik/tekercs feszultsege ne menjen 24V fole, illetve, hogy kb 21mA aram follyon max. a rele tekercsen? Ahogy szamoltam sehogy nem jott ki, persze lehet rosszul kalkulaltam. Amugy ehhez hasonlot szeretnek megoldani, csak nem GRAETZ hiddal, hanem 1 szal diodaval (ekkor a rele+kondik a N vezetore lennenek kotve) Ilyenhez eleg a felhullamu egyeniranyito is, nemde? Viszont a fenti agban az a 330nF akkor nem tud ervenyesulni, mert nem valtofeszt kap... de ennek szerepevel sem vagyok teljesen tisztaban.
Igy gondoltam atrajzolni, de gondolom az ertekek valtoznak.
Velemeny kellene a kovetkezo gondolatokrol: -330nF foloslegesse valik, mert nem lesz ugysem dolga, abban az agban felperiodusonkent luktet csak a fesz. -1.1kOhm tekercsellenallas eseten a fennmarado ellenallasok osszerteke ~14kOhm kell, hogy legyen a 21mA-es allandosult aramhoz, viszont akkor nagyobb teljesitmenyuek kellenek, hiszen nem tudjak disszipalni a rajuk eso 1-2W-ot. -Kondi erteke RC allandobol a kivant kesleltetesi idonek megfeleloen valasztando. hm?
A 330nF reaktanciája 100Hz (mert kétutas az egyenirányitás) esetén:4825 ohm. Ez ~47mA effektiv áramot jelent 230V feszültségnél. Ennyi az induló áramerősség amivel az elektrolitkondik töltődni kezdenek. Külön nem biztositott a pufferek 24V-nál nagyobb feszültségre való töltődése, de ezt egy 24V-os zenerrel orvosolni lehet, és kell is. A zenert egyszerűen párhuzamosan kell kötni a pufferekkel. A relé meg annyi áramot vesz fel a névleges feszültségén, amennyit a tekercsellenállása lehetővé tesz. Ügyelni kell, hogy olyan tipust válassz, ami nem eszik többet 47mA-nál.
A helyedben nem tervezném át, ha még a működését sem látod tisztán. Az egyutas egyenirányítás nem fog működni.
A rajz + hozzá tartozó alkatrész lista, úgy jó, ahogy van !
Ez mind igaz, amit írtál.
De... azt, hogy nagyobb feszültség ne essen a relén, az maga a relé tekercs ellenállása biztosítja. Az alkatrész szórásból adódó +/- 10% feszültség különbséget a relé még lazán elviseli. Tehát szerintem nem kell Zener... Természetesen csak akkor igaz amit leírtam, ha az eredeti rajzon megadott alkatrészeket használja valaki. Más relé alkalmazása esetén természetesen ki kell számítani a soros kondenzátor értékét, úgy ahogy leírtad.
Oigen, a reaktancia amit figyelmen kivul hagytam. Koszi!
Viszont alkatreszileg akkor igy tenyleg jobb a kihozatal, mint egyutas eseten...
Igen, átgondoltam, helyesen méretezett kondi, adott relé esetén automatikusan beálló feszültséget eredményez. Tehát nem szükséges a zener.
21mA nevleges aramu rele eseten ez a kapcs akkor OK, csak a 220 Ohmot kell kicserelni?
Azt sem kell, csak áramlökésgátló szerepe van, akkor korlátoz amikor a pufferek még töltetlenek.
Hum, gondolkodtam ezen az aramkoron, de meg midnig nem stimm par dolog.
A 330nF a Graetz hid elott van... akkor miert 100Hz-el szamolunk??? Egyeniranyitas utan a "ripple" (miaz magyarul... zajfesz) az 100Hz, nem a betap... OK, vili, a 330nF szerepere ravilagitott a kollega, de akkor nem 100Hz-el kene szamolni hm?
50Hz-el szamolva a 330nF ertekebol ~23mA adodik, ami megfelel a legtobb 24V-os Rele aramanak.
Node mostmar legalabb ossze merem rakni a kacatot ![]() Amugy a kondival akkor az a majdnem MegaOhm parhuzamosan mire jo? Es elnezest a benazasert, dehat akkor kerdez az ember, ha nem tud valamit... Egyebkent kellemes karacsonyt mindenkinek!
Nnnna..., megy ez !
A párhuzamos ellenállások a kondenzátort sütik ki. Ha a berendezés kikapcsolása pl. éppen a színusz csúcsánál történik, akkor a kondiban akár 380V feszültség is maradhat, ami a villásdugó érintésekor, több mint kellemetlen lehet. Az ellenállások kb. 0,7sec alatt 48V alá csökkentik a kondi feszültségét, aminek érintése már nem veszélyes. |
Bejelentkezés
Hirdetés |





.A tipusa SG160

