Fórum témák
» Több friss téma |
Ott a diac tölt be hasonló szerepet.
Az a lényege a zenernek (ha olyan kapcsolást használsz), hogy az időzítő kondenzátoron ne tudjon szükségtelenül és veszélyesen nagyra nőni a feszültség. Mert ha semmi sem korlátozza, akkor addig nőne, amit az időzítő áramkorlátozó előtétje és a relétekercs, mint feszültségosztó-pár megszabna. Ami egy nagyobb ellenállású relétekercs esetén lehet a hálózati csúcsfeszültség harmada-fele is (100-150V)! A hozzászólás módosítva: Jún 30, 2014
Ha a tirisztoros változatot építem akkor ne is tegyek bele vagy jó ha benne van?
Nagyjából elkészült a nyákterv próbáltam mindenütt tartani a 3mm-t ahogy eddig néztem sikerült legalább is ahol szükséges, talán csak a diódahídnál mentem le 2,7mm-re a lábak között, de szerintem ez sem vészes. Az alkatrészek körvonala kicsit nagyobb mint a valóságban, így nem gond, ha a vonalak érik egymást főleg az ellenállások és a reléknél van pár mm eltérés amit bele is kalkuláltam az elhelyezésbe. Gondolom a relék környékén a távolság még elmegy. Szerinted jó lesz így? Elég ha csak nagyjából ránézel. A szűrőt egy ipari jellegű valamiből bontottam legalább 1,5-1,6-os tekercs van benne, az alapján terveztem az elejét és valószínűleg azokat az alkatrészeket is fogom átpakolni (kondi, biztosíték...stb.).
Itt van a nyákterv.
Mostanság szétszedtem pár áramkört - monitor, tévé. Azokban a fóliaszigetek/forrpontok közti nyák átvágásával is biztosítják a szükséges szigetelést, ha nem lehet a lábtávolságot szabadon növelni a szükséges mértékre. Ezt csak mellékesen mondom. Ugyanis elébb szóba került a tok szűk lábtávolsága, de mégis nagy feszültségtűrés esete. Az nem indok, hogy a tok milyen.
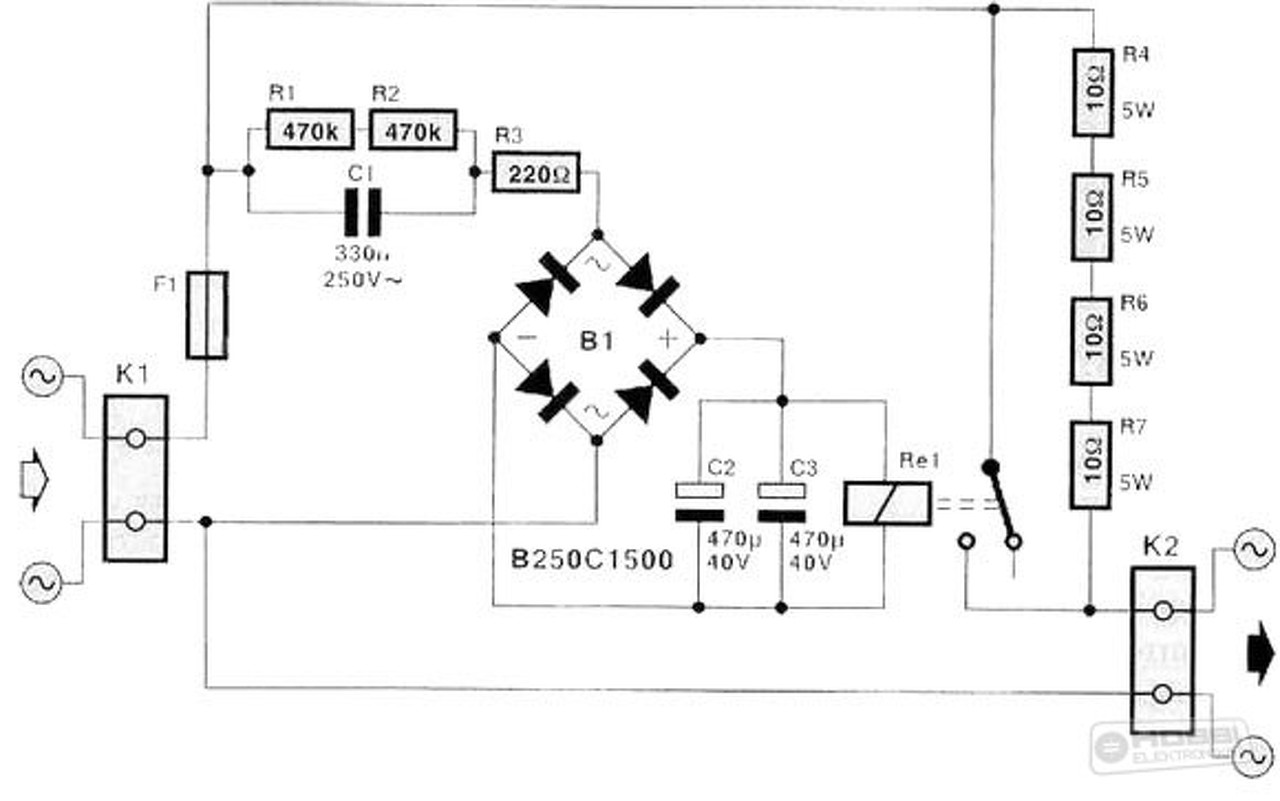
A kapcsolási rajzot sosem közölted. Csak tippelem, hogy a Skori-félét építed. A relék érintkezőit miképpen hozod összefüggésbe az áthidalandó ellenállásokkal? A nyákrajz hiányosnak látszik. Hogy hidalod át az ellenállásokat a relékkel? Azt nem tudom innen, hogy mekkora a teljesítményellenállások lábkeresztmetszete és mekkora a teljesítményük. A lábkeresztmetszetek összegének (ebben az esetben 3 ellenállás egyoldali lábkeresztmetszeteiről van szó, nehogy az összeset összeadd) megfelelőnek kell lennie, az áramsűrűség alacsonyan tartása céljából. Mivel a kép nem méretarányos (valójában mekkora a nyák?), ezért azt tudom mondani, hogy kiegészítő vastag rézhuzal ráforrasztása nélkül a nagyáramú rézfólia-területen a szélesség önmagában nem elegendő a vázolt üzemi áramerősség elviselésére. A be- és kimeneti nagyáramú forrpontok kicsik. Upd: én nem zsúfolnám ennyire a nagyáramú részt, azért nagyobb nyákot terveznék. Upd2: szerintem a nyákrajz nem jó, nem látom, hogy az ellenállással nem megspékelt, közvetlen ki-bemenet hol megy ki. Tehát a szűrőtekercs jobb alsó lába sehova sem távozik nagyáramú kivezetéssel, csak az Y-kondik és a grätz felé van továbbmenetel. Tehát valószínűleg a kapcsrajz sem pontos. A hozzászólás módosítva: Júl 2, 2014
Nem akartam a láthatóságot rontani, de fel van címkézve az egész. A nyák mérete 150x75mm. Nem részletezném miért ennyi de meg van rá az okom a 150mm fix és lehetőleg tartanom kéne a 75mm-t. Az ellenállások 5W-osak a lábkeresztmetszetet nem tudom most fejből a sima 9,5x9,5-ös 5W-os ellenállások mennek darabonként 75 ohm. Igen a skori féle kapcsolás és előtte egy szűrű van. Kiegészítő vastag rézhuzal épp tehető, de talán elég lehet ha kicsit átónozom. Elég nagy a nyák szóval nem igazán szeretném ennél jobban széthúzni mondom az alkatrészek körvonala a valóságban kisebb. Csak a mérvadás miatt lemértem a diódahíd közepén futó sáv a lábaktól fent és lent is 2,8mm-re van.
A padek ha jól emlékszem 4mm-resek, a keresett kimenet az alsó biztosítéktól jobbra van kicsit lefelé. A csatlakozást direkt nem írtam gondoltam hátha nem kérdezel rá. Szerencsére olyan reléim vannak amelyek csatlakozókkal vannak ellátva mint az autós csatlakozók csak egyel kisebb méret (4,8mm) Ezek a relék tetején vannak, majd egy kis kábellel kell elvinni őket a helyükre ezért is csináltam ugyan olyan csatlakozót a nyákra ahova csatlakozni kell, de az is lehet inkább forrasztom. A relék téglalap alakú padjei csak rögzítést szolgálnak el vannak szigetelve mindentől.Nem tudom mennyire tudtam válaszolni a kérdéseidre, hogy jobban átlásd lehet pár kép jobban segítene, de már elég késő van és most nincs kedvem egy kapcsolási rajzot is keresni vagy a reléket lefotózni. Az ellenállást meg venni kell bár kicsit félek tőle 50 ohm 30W az eredő, bár mondjuk alu borítással és rövid idejű kapcsolással talán nem melegednek annyira. A lábtávolsághoz még annyit hozzáfűznék, hogy ismét találtam egy áramkört (rossz frekiváltót egy részét). A teljesítmény elektronika résznél ahol a pufferelt és egyenirányított 230V van ahol kb 2mm a távolság helyenként és ez gyári kapcsolás nincs nyákkivágás stb. Feltehetőleg nem emiatt ment tönkre. Igaz azon van valami fólia cucc.
Na, akkor megnyugodtam, megvan a kimenet, most már én is látom. Sejtésem volt, hogy a relék felül kivezetésesek, bár erről nem nyilatkoztál előzőleg. Ilyeneket láttam már pl. mikrókban. Van is pár darab.
A teljesítmény-ellenállások lábkeresztmetszete valószínűleg jó lesz, hiszen nem is lesz sokáig igénybe véve. Azért az ónozást kevésnek érzem a keresztmetszet növelésére. 20-25 A-ről van szó, mint írtad, az már nem játék. Az ónnak sokkal nagyobb a fajlagos ellenállása, mint a réznek, ezért javaslom a plusz rézhuzalt (egy közönséges másfeles tömör csupasz villanydrót jó, végigfektetve a forrpontok közé a fóliák vonalán). Különben melegedni kezd az ón (hiába szélesedik ki a fólia, az áram a legkisebb ellenállás vonalát követi főleg), a réz viszi a prímet alatta, hevül-hevül, aztán leég neked. De a tied, ha gondolod, el is ronthatod. De azt azért jó ha tudod, hogy az áram tudja a fizikát ![]() A 150 x 75 mm jól hangzik. Azon már lehet terpeszkedni. Jó, ha a kapcsrajz az első, hogy azt szeretnéd megcsinálni. A Skori-félét megtalálom magam is, láttam már. Csak legközelebbre javallom a teljes körű tájékoztatást részedről, mint kérdezőtől. Azért kis bibi még, hogy nehogy jólérezd magad ![]() A szűrőtekercs jobb alsó lábán felesleges az a kanyar, ahogy a távozó széles sáv megkerüli a forrpontot. Kösd közvetlenül a fóliasávot át a láb forrpontján. Ilyen áramoknál nem kacskaringózunk feleslegesen. Megbosszulhatja magát. Más: A kivágást forrpontok közé teszik (illetve a kínosan elszigetelendő részekre, pl. visszacsatoló optocsatolók alá), mert a nem forrasztott rézfóliát lakkal szigetelik, de ezt a forrponton nem lehet megtenni. Az általam szétszedett áramkörökben a pl. grätz lábai között is volt.
Ok, javítottam a nyáktervet, igazából én is gondolkodtam, hogy nem túl szép megoldás az a kanyar, de az alapáramkörnél is a tekercs után haladt a rézfólia a kondihoz és onnan tovább, csak nekem az elrendezés miatt nem jött ki úgy. Kapcsolási rajzot mellékelhetek ha esetleg mégis rápillantasz.
Rajta hagytam a feliratotok egy részét a nyákterven, igaz 10A-es biztosíték van oda írva de az inkább 15-20A több biztos nem kell. Kicsit utánaszámoltam talán a 15A is elég lesz szóval annyira nem vészes a helyzet. (De ha már megcsináltam a nyáktervet akkor jobb ha fel van készítve nagyobb igénybevételeknek hátha máskor majd kell nagyobb teljesítményű.) Relékből is van még több fajta ugyan olyan kinézettel csak más a felfogatás lábkiosztása, a nyákterven is látszik lent a reléknél mindkét fajta feltehető. ![]() Kösz a segítséget, akkor majd forrasztok a vezetősávra rézdrótot is. Nyákterv Kapcs rajz Még annyit nem vitatkozásként, de újabb nyákokat megnézve bizony kapcsolóüzemű tápknál a lábtávolság van ahol 1,5mm és nincs átvágás a to220-as tokozásnál sem. Viszont van pár érdekesség láttam ahol ilyen fekete fólia vagy festék szerűség van a forrponton, ahol pedig közel van a vezetősáv egymáshoz és be van futtatva ónnal ott érdekesen néz ki vagy ilyen mintázott vagy ilyen lyukacsos. Én a forrpontokat is le szoktam lakkozni, ha az áramkör már működik és minden teszt rendbe van. Ha mégis valamikor javítani kell rajta akkor vagy lekaparom kicsit a lakkot vagy leégetem a forrasztóval. (A nitrohigító is lehozza ugyan, de az sajnos a nyák feliratokat is.) ![]() Természetesen egyetértek veled, ha lehet inkább a biztonság az első és inkább legyen túlméretezve. A hozzászólás módosítva: Júl 2, 2014
Akkor sínen lesz a lágyindító
![]() A biztosíték méretezésénél majd mindig figyelj, hogy túl ne méretezd, mert akkor nem ér semmit. Mellékelek két képet egy monitor áramköri lapjáról. Az egyik a hálózati táprész, a másik a sorkimenő rész. Lehet látni, hogy nem a lábtávolság a lényeg, hanem mekkora hely maradna a forrcsúcsok között, és figyeltek is erre. Át is vágták a nyákot. Szerintem ez a követendő példa.
Ok, kösz a segítséget. Biztosíték méretezésnél csak az számít ha pl 16A-nél nem szeretnék többet megengedni akkor 16A-es biztosítékot teszek ugye? Max. azon lehet vacillálni, hogy gyors vagy lomha.
Én is találkoztam ilyen megoldással monitorban, de talán a lakkozás is segíthet ilyenkor bár a képen tényleg elég közel vannak a forrpontok (így saccra 1-1,5mm). Csak a kivágás kicsit macerás furkálgatni lyukakat meg pici tűreszelővel reszelgetni. ![]() Még meglátom milyen lakkot tudok szerezni van csónaklakk bár annyira azt nem szeretem, a gemini elfogyott, pedig az jó volt nagyon, viszont ahogy néztem nagyon drága már. Talán a csónaklakk is megteszi bár annak nem ismerem a szigetelési képességét.
Az áramkör tranziens viszonyai szabják meg a biztosíték szükséges sebességét.
Lakkozásra van áramkörlakk, azért inkább azt használd. Vagy színtelen nitrolakkot. Ilyen csónaklakkos dolog nem túl jó.
Sziasztok.
Biztos sokszor elhangzott már,de legyenszives valaki egy sarokcsiszolóhoz (1000w) való egyszerű könnyen megépithető megbizható,kis helyen elférő lágyinditó kapcsolást! Valami olyasmit amit egyszerű megépiteni,azt olvastam a triakkos-ak a jók. Köszönöm szépen.
Egy ideje foglalkoztat az a kérdés, hogy egy lágyindítónak hogyan kell viselkednie, ha rövid idejű áramszünet jön közbe? Konkrétan sima 50Hz-es hálózati trafó kapcsolására gondolok, hogy hogyan számítható, mérhető, hogy mennyi idő után kell lágyindítást alkalmazni, és mikor maradhat bekapcsolva a szünet alatt végig. Ideális az lenne, ha az áramkör tudná ezt mérni és igazodna magához a trafóhoz, illetve ha számít, a mögötte lévő áramkör fogyasztásához.
Azonnal lágyindítást kell alkalmazni. Hiszen a trafó mágnesezettsége megszűnik.
Tehát ha relével van működtetve, annak el kell engednie, és a lágyindítási időzítésnek újra kell indulnia.
Még nem próbáltam, de valahogy ugyanúgy, ahogy a DC tápomban az áramkorlátot. Ugyanis akkus fúróval szoktam trafót tekercselni, és nagyon hasznos, mert így nem szaggatja el olyan könnyen a vékony huzalokat. Nem tudom, mennyire vagy számolgatós, kísérletezgetős típus? Kell bele egy triakos szabályzó. Kell egy elenállás az 1000 Wattos fogyasztóval sorba, mint például a vasalókban is van, a fűtőszál egy darabja, erről világít a bekapcsolt állapotot jelző izzó. Kell egy eszköz, ami túl nagy áram esetén leállítja a triakot, (Katód-Gate rövidre zárásával.) például egy tranzisztor, vagy egy optocsatoló. Relé nem jó, mert ehhez túl lassú, ugyanis a túl nagy áram megszűnésekor azonnal vissza kell adnia a teljesítményt, a cucc így szaggatja az áramot, amíg a gép teljesen felpörög. Kell egy potenciométer, amivel beállítod a kellően lágy indításd, ha kicsiben akarod, és fixen, akkor ezt később egy ellenállásra cseréled. A motor felpörgése után az ellenáláson már nem esik akkora feszültség, ami nyitja a triakot tiltó eszközt, és az ilyenkor teljesen nyitva van, a gond az, hogy túlterhelés esetén is a motor könnyen lefullad, ha nem akarod gyengíteni a nyomatékát, akkor valami időzítős megoldást válassz helyette. Tehát mi van akkor, ha a korong valamiért megszorul, tépje ki magát, vagy inkább álljon le a gép? Az áramkorlátos megodás esetén is egy kapcsolóval ezután direktbe kapcsolhatod, de megoldhatja ezt egy időzítő kapcsolás automatikusan.
A hozzászólás módosítva: Szept 5, 2014
Háát köszi,azt hiszem ez nekem nem sokat segitett!Nem sokat értek az elektronikához!
Idézet: „a gond az, hogy túlterhelés esetén is a motor könnyen lefullad,” Szerintem megelőzhető a "fulladozás", ha az áramhatárolás csak bizonyos áramszint felett lép működésbe, ami csak az indulásra jellemző, de normál terheléseknél nem lép fel. Be kell lőni, a leszabályzó körbe célszerű helipotos állítási lehetőséget tenni és akkor finoman kikeresgélhető, mi az, ami még elfogadott terhelés, és mi az, aminél már érdemes leszabályozni - ami a motor védelmét is szolgálja. Olyan védelem kell, ami soha nem veszi le nullára az áramot, így ezzel is segíti a jó szabályozást, csökkentve a "fulladásveszélyt". Ha megszorulás van, akkor leszabályoz, de ha megszűnik a terhelés, fel tud pörögni a motor és a leszabályozás abbamarad.
"Ha megszorulás van, akkor leszabályoz"
Ez kifejezetten jó lenne pl flex vagy kézi körfűrészbe ahol elő fordulhat a megszorulás,ilyenkor kimélve lenne a motor!!
Sziasztok!
Megépítettem a mellékletben található lágy indítót. Innen az oldalról származik. A transtformátorom 300VA-es toroid. Azért építettem meg, mert még a 3,15A-es (lomha) biztosítékot is mindig kiégett. Most ezzel 2A-essel nincs probléma (1,5A elég lenne elvileg), csak egy esetben. Ha a kikapcsolom, majd gyorsan be, akkor kimegy a biztosíték, azért mert a relé még be van húzva. Elég lenne az 1000µF-ot csökkenteni? Persze ez akkor is probléma, ha rövid időre elmegy az áram, majd visszajön, akkor még bent van a relé.
Szia! Mérd meg mennyi a relé üzemi feszültsége! Ez legyen kicsivel a névleges alatt. C1 csökkentés, R3 növelés segít ebben. A C2, C3-at ezután kezd el csökkenteni.
A relé 24V-os. A relére 22V jut, vagyis annyit mértem.
A 22V viszonylag jó érték. A C2, C3 csökkentése rövidíti a meghúzás késleltetését, próbálj optimumot keresni.
Lágyindító építése során mérni szoktam a relé minimális meghúzási feszültségét és ehhez méretezem a C1-et, kis rátartással a hálózati ingadozásra. Az eredmény 1 másodperc bekapcsolási késleltetés és szinte azonnali bontás szokott lenni.
Sziasztok! Van egy lágyindítóm amit beszeretnék kötetni! Sajnos nincs hozzá bekötési rajz. A kompresszor elé kéne mivel annélkül kiüti a biztit inditáskor. A német kollégák negyed órás müveletröl beszéltek, aki ért hozzá az tudja hogy nem tart tovább egy ilyen szerkezetet bekötni. Csak az összekötésröl van szó, minden ott van helyben. Helyileg Bp. 22 ker., csatoltam a képet.
Priviben is várom ajánlatokat. Elöre is köszönöm!
Szia!
Ez egy csillag-delta kapcsoló, aminek a bekötéséhez gyakorlat kell és 230/400V-os motorokhoz nem lehet használni.
Szia!
Pedig ez egy 400V-os 4 KW-os Delta motoral Volt üzemeltetve!
A 400V deltához jó. a 230/400 delta-csillaghoz nem jó.
Sziasztok lágyinditót szeretnék csinálni 300w-os toroidhoz..
A képen látható relé valameikéből szeretném meilyik lenne nekem a legalkalmasabb?Esetleg kapcsolást is tudnátok adni?Vagy ez is jó ami a képen van? A hozzászólás módosítva: Dec 20, 2014
Ha szükségét érzed, akkor sokkal inkább ezt ajánlom.
|
Bejelentkezés
Hirdetés |













