Fórum témák
» Több friss téma |
A klónok CH340 Soros-USB illesztőjének drivere (Letöltés)
Köszönöm megnézem azzal a fordítóval amit írtál.
de csak holnap tudom. Köszönöm az ötletet. A hozzászólás módosítva: Okt 17, 2016
Igen de fel van telepítve meg bele is másoltam a libraries könyvtárba is.
Mégis hiányolja.
Idézet: „fatal error: MySensor.h: No such file or directory” A hozzászólás módosítva: Okt 17, 2016
Nem írtad el véletlenül a MySensor.h nevét a programkódban?
Lehet, főleg ha magad írod meg azt is. Másik: google segítségével szétnéztél már? Ha komolyan érdekelne a kérdés, akkor igen. Ha ott nem találtál megoldást, akkor valószínűleg nem foglalkozott ilyennel senki. Miért is tenné, hiszen a csip nem lesz támogatott Arduino alatt, csak ha ismét beletúrsz rendesen, de a 100% kompatibilitást el lehet felejteni. Ennyi erővel egyszerűbb a digitalwrite() fv. helyett megtanulni hogy miért kell portd=(1<<pd3); . És mehet a nyers programozás, ami mindog azt fogja csinálni, amit te mondasz neki, plusz bootloader sem kell hozzá.
Őszintén, én Arduinot csak arra használok, ha ki akarok próbálni pl. egy TFT kijelzőt, vagy 2.4GHz-es adó-vevő párost, de ha élesben kell, akkor vagy keresek egy lib-et, azt átbogarászom, hogy tudjam mi mit csinál, vagy fogok egy Arduinos esetleg más forrásból származó lib-et, és kiveszem belőle ami kell. Ezen kívül az Ardu nem sokra jó.
ATmega644 - Itten megtalalod a „Sanguino”-t, meg a tobbit is
A hagyomanyos ISP -vel mukszi a Sanguino, nekem ment Itt van a modszer Bővebben: Link A hozzászólás módosítva: Okt 18, 2016
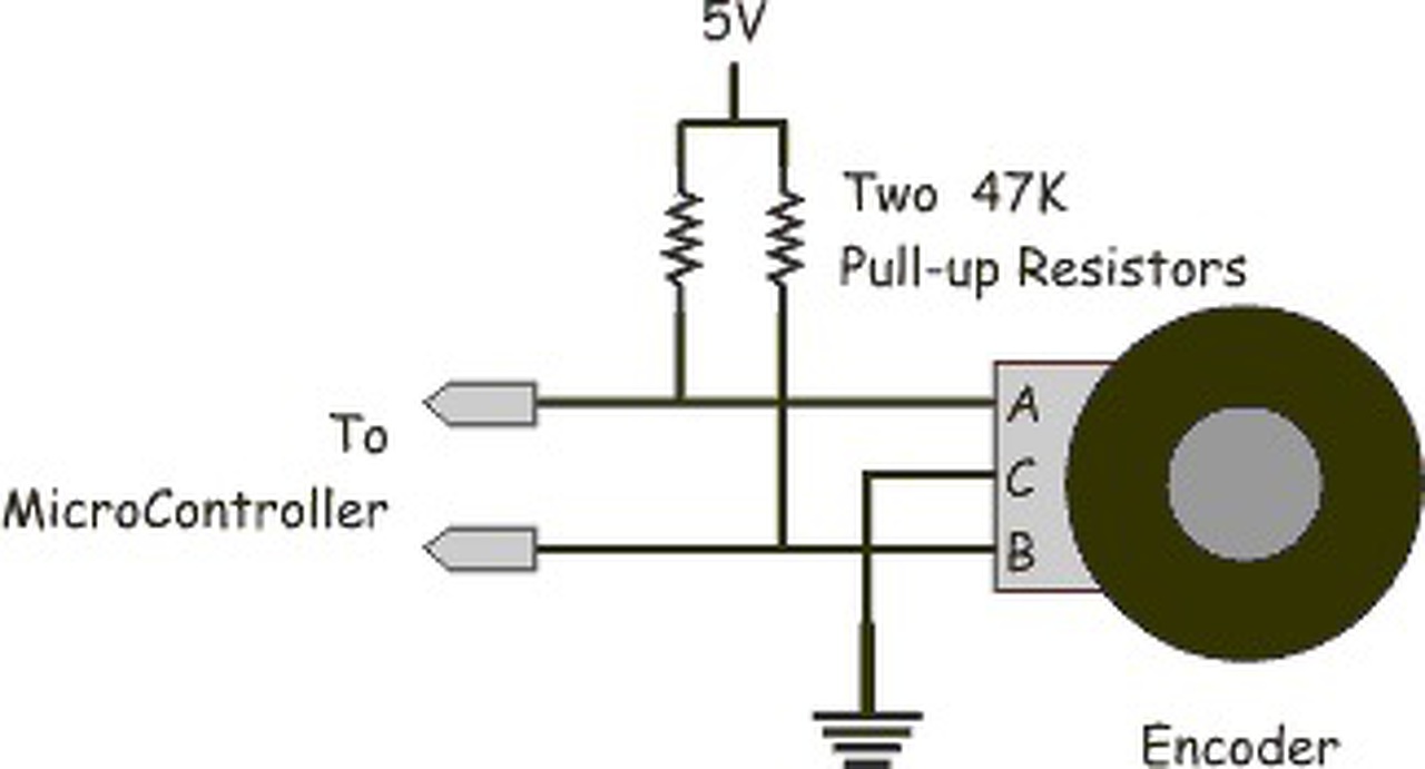
Bekötöttem így, viszont semmi nem változott. Továbbra is bármerre tekerem csak növeli az értéket.
Megpróbáltam már másikkal is (ugyan ilyen fajta), nem e csak ennél van, de ott is ezt csinálja. A hozzászólás módosítva: Okt 18, 2016
Ugyan az a helyzet, csak növeli az értéket!
Kimaradt a kodból az elmozdulás vizsgálata:
Sajnos ugyan az a helyzet! :S Nem értem egyszerűen miért lehet ez...
Próbáltam 10K-s ellenállással is, legalábbis azt olvastam, hogy 10-47K-ig válasszunk, de sajnos a hiba megmaradt!í
Lehet félre értem a kódot, de ha az "encoder0PinALast = n" sor miatt ha a változás megtörtént, akkor az encoder0PinALast = HIGH lesz, mert "n != encoder0PinALast" csak akkor fut le, ha a kezdeti encoder0PinALast==LOW -ról HIGH-ra vált.
Ez a feltétel teljesül, majd a végén átadod ezt az n értékét az encoder0PinALast-nak , ami HIGH lesz, ezért a fentebb kifogásolt if szerkezet feltétele nem fut le. A hozzászólás módosítva: Okt 18, 2016
Csak zárójeles megjegyzés:
Nem lenne jobb interrupt-tal megoldani ezt? Ott van lehetőség rögtön figyeltetni, hogy a láb magasról váltott alacsonyra, vagy épp fordítva. Mindkét esetnek egy-egy külön függvény és annyi.
Nekem csak az a furcsa, hogy külföldi fórumon beszéltem egy sráccal és azt mondta neki egyből ment az alábbi kód:
A srác, amúgy ezt a midit csinálta, szóval biztos érti a dolgát.
Tényleg nem értem már ezt.
Nem lehet szerintem egyik kód sem jó azért amit írtam. Nem kell bele az a && - if feltétel szerintem, vagy ha igen, akkor kell egy másik is. Nem elég erre az, hogy változást Figyelünk egy lábon, és ha az bekövetkezik, akkor olvassuk a másik lábat ami ha magas akkor + ha alacsony akkor -? Ha ez igaz, akkor az is a gond, hogy az első kódnál a figyelt lábak a setup-ban fel vannak húzva, az enkóder nem tudja lehúzni 0-ra. (ebben nem vagyok biztos) Ezért csak a felfelé tekerés volt megengedve szerintem. lopott kód:
Próbáld ki. A hozzászólás módosítva: Okt 18, 2016
Sajnos ez sem működik, hiba ugyan az... Nem lehet, hogy vagy a vezérlő vagy az encoder (bár kipróbáltam egy másikkal is) rossz, mert ez már nem igaz, hogy semmivel se működik.
Nyugalom, lehet a kódom még nem jó, sajnos nincs itthon ilyenem, nem tudom kipróbálni.
Csak felfelé megy?
A kódokkal van gond.
Az is fontos, hogy a változás milyen irányú volt. Ez nincs figyelembe véve sehol sem. A hozzászólás módosítva: Okt 18, 2016
|
Bejelentkezés
Hirdetés |







