Fórum témák
» Több friss téma |
A klónok CH340 Soros-USB illesztőjének drivere (Letöltés)
A delay már ott a kódban.
A szenzoron van 2 elektróda, valószínűleg a köztük mért ellenállás függvényében ad valamilyen értéket vissza a szenzor.
Ja igen most már értetem a kérdést igen igy van ebay-os cucc.
Lehet kapni földnedvességmérőt?
Ha DC komponens nélküli váltófeszültséggel mér 1V alatt akkor nem lehet gond.
Állítólag az sem jó hosszútávon, a gyári nedvességmérők messze nem ilyen elven mérnek.
Itt leírnak pár módszert: Wikipédia. Az elektromos mérés csak akkor jöhet számításba, ha csak alkalmanként használod. A gyári műszerek szondáját le kell dugni a földbe, mérsz egyet és kész. Ezekben úgy számolnak, hogy nem dugod kétszer egy helyre.
Hellotok,
Kellene egy otlet hogy mikent vizsgaljam meg szoftveresen hogy egy DS3231 oramodul mukszi? vagy sem. Vagyis, ha valami okbol leall (szakadas, vagy ilyesmi) akkor azt erzekelje a futo kod es aszerint cselekedjek tovabb. Koszonom. A hozzászólás módosítva: Feb 6, 2017
Időnként kiolvasod belőle az időt (összehasonlítod az előző olvasással) vagy bekapcsolod az SQW kimenetet/figyeled a 32 kHz-es kimenetet.
A hozzászólás módosítva: Feb 6, 2017
Nincs meg egy szabad lab. Az SQW-nek lottek.
De akkor feltetlen szukseg van egy idozitore, egy par masodpersesre legalabb, millis vagy ilyesmi. Remeltem hogy anelkul is lehetne, valami logikai kulcsokkal. Koszi
Sziasztok!
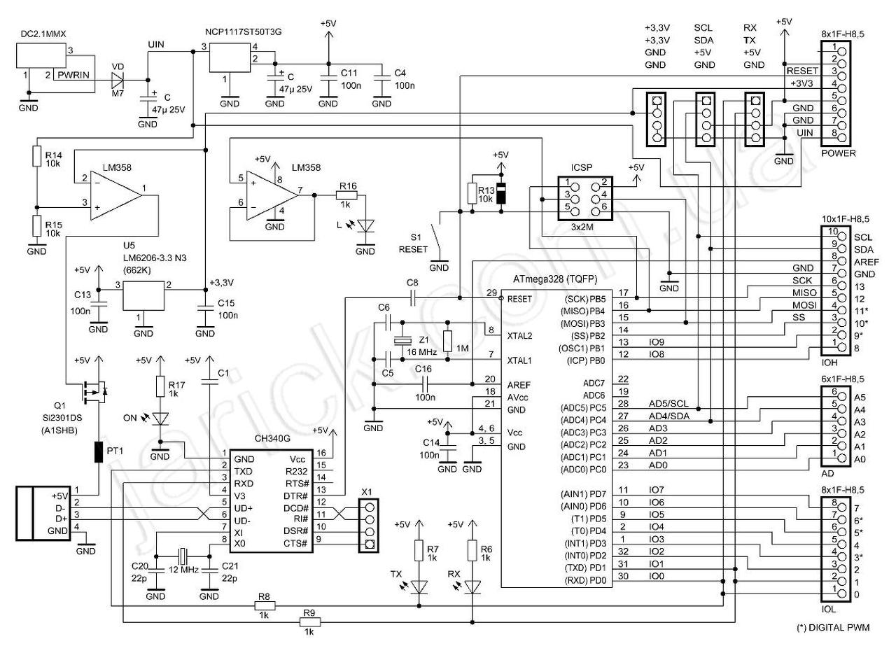
Tanácsot szeretnék kérni, hogy a mellékelt képen szereplő kapcsolást hogyan tudnám arduino uno-hoz illeszteni a CH340T IC-t kihagyva? Köszi!
Ha kiveszed nevezett IC-t, marad két vezetéket: TX és RX. A CH340T IC egy USB-UART átalakító.
Az okés, viszont nem kaphat az arduino az LM339-től magasabb feszültséget, mint 5V?
Mert akkor ugye tönkremegy.
Két ellenállással leosztható a feszültség könnyedén.
Eléggé alap dolog az elektronikában, mondhatni az alfája: Bővebben: Link.
Ok, tudom mi az és alkalmazom is más kapcsolásokban, de arduinora most kell először használjam. Értékekre gondoltam, hogy elég nagy legyen a jel és ne is károsodjon. Nyilván csak az RX vonalra kell.
A hozzászólás módosítva: Feb 6, 2017
Mondjuk 20k/10k még 14 volton is csak 4.66v. Megpróbálom.
Viszont a képen van egy 5,6k felhúzó, az mire jó?
Az akkor érdekes leginkább, ha az LM339 nincs az áramkörben. Anélkül a kontroller bemenete lebegne, bemenetet pedig nem hagyunk lebegni.
Nem azt írtam, hogy 10 és 20 kOhm-os ellenállások kellenek, hanem azt, hogy ilyen tartományban keress ellenállásokat a készletedből. Egyébként 4,66 V-ot már magas szintnek érzékel a kontroller, tehát akár jó is lehet.
Mivel az LM339-nek nyitott kollektoros a kimenete (csak GND-re tud húzni), nem tud nagyobb feszültség kerülni az RX bemenetre, mint 5V (mivel R3 arra van kötve). Emlékeim szerint a CH340 kimenete 1kOhm ellenálláson van az RX-re kötve, ezért ha az R3 felhúzó ellenállást jócskán lecsökkented (mivel a komparátor IC 20mA-t tud), kb. 270Ohm-ra akkor nem kell szétbarmolnod a panelodat. Ez ugyan nem túl szép megoldás, de a próbához talán megfelel.
Értem. Az arduino a 3.75voltot is magasnak látja?
Mert ha 22k/10k osztót használnék, akkor az 12 volton 3.75, viszont 14 voltnál 4v. Tehát a 12 és a 14 volt a két szélsőség, ahol működnie kellene a kapcsolásnak.
Igazad van, nyitott kollektoros. Szerintem repül a CH340 és bekábelezem arduinora feszültség osztó nélkül.
Az 5,6k marad nem terhelem az IC-t feleslegesen. Köszönöm neked és Bakmannak is a hozzászólásokat
Sziasztok,
Az Arduino Leonardóban egy ATmega32U4 uC van és az USB-ről direkt programozható a bootloader segítségével vagy két uC van benne és az egyik csak a másik programozására szolgál? Itt van a rajza, a rajzon van egy ATmega32U4-XUMU és egy ATmega32U4-XUAU? Ez két külön uC vagy hogy van ez? A választ előre is köszönöm!
Erről a rajzról nehéz eligazodni, de ha megnézel pár fotót a leonardóról, csak 1db atmega van rajta.
Hosszasan túrom a googlit és erre bukkantam !
http://www.johngineer.com/blog/?p=648 Kérdésem a következő ennek a végére az X-Y ra építenék egy HDD Galvot akkor úgy működne ahogy az oszcilloszkóp ?
A mellékelt rajzon levő verzió esetén az R8-ra.
|
Bejelentkezés
Hirdetés |












