Fórum témák
» Több friss téma |
Sziasztok!
Elkészítettem egy astabil áramkört NE555-el de a kis hangszóró csak kattog. valaki segítsen nekem ![]() Köszönöm előre is!
Szia, csökkentsd az időzítés kapacitását.
R1 10 kOhm C 22µF és nem jó
Jó az, de ha nem tetszik, tégy úgy, ahogy írtam
10µF kondival is csak kattog
Teljesen üzemszerű!
Mekkora frekvenciát óhajtasz? A hozzászólás módosítva: Jún 7, 2014
Egy regi mobil telobol bontottam egy pici hangszórót,ezt szeretném folyamatosan sípoltatni vagy egy piezo lapot.
Legyen mondjuk 10 és 100nF között, ha marad a 10k mindkét helyen (!)
10k mindkettő 100nF találtam sajnos ezzel sem jó feladom
rendelek egy gyárit ![]() azért köszönöm nagyon kellemes hétvégét
Hello! Milyen hozzáállás ez? A legkisebb gondnál, már feladod?
A két 10k-val, és 100nF-al, kb. 480Hz a freki, avagy majdnem a normál "A" hangon kellene sípolnia. Ha ez nincs így, akkor valami hiba van, pld. az ellenállások mégsem 10kohm-osak.
szia oké oké igazad van
most mértem az egyik 9,91 a másik pedig halott ![]() holnap még megpróbálkozom újra köszönöm a segítséget
Extrém lassú astabil billenőkört szeretnék építeni. Az egyik tranzisztornak 5 percig a másiknak 5 másodpercig kellene zártnak lenni és ennek az 5min/5sec időzítésnek kellene váltakozni. Az alap astabil multivibrátor kapcsolás megfelel erre a célra?
Erre már az astabil multivibrátor nem nagyon alkalmas, különösen nem, ha viszonylag pontosnak kell lennie.
Ez inkább időzítési feladat. Egyszerűbb, és pontosabb ha számláló lánccal oldod meg az időzítést, az astabil csak az órajelet adja.
Akkor billenőkör helyett inkább mikrokontrollert használok. Kösz!
Az mégjobb megoldás.
Üdv mindenkinek.
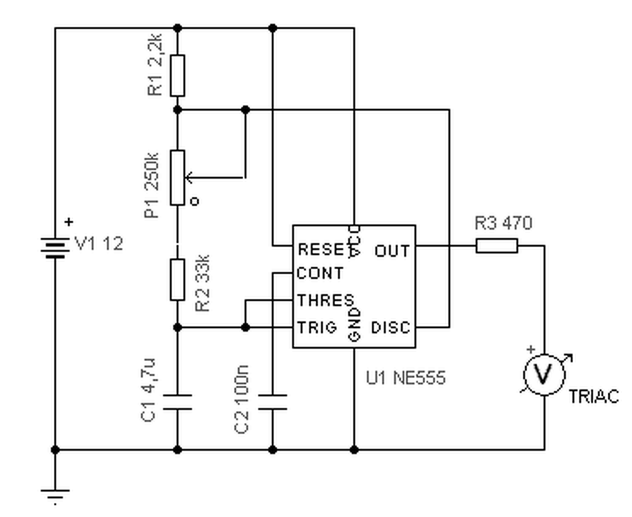
Segítségeteket kérném. Olyan áramkört kellene összeraknom, aminek a kimenetén 0.5-5 Hz között változtatható frekit kellene előállítanom egy triak működtetéséhez. Azért kellene az állíthatóság, mert a helyszínen kell hozzáállítanom a rendszerhez. Aki tud, kérem egy kapcsolási rajzzal segítsen. Előre is köszönöm.
Esetleg a kis mindenes, az LM555 szóba jöhet.
Hello! Mondjuk így..
Üdvözletem!
Meg kellene terveznem egy astabil multivibrátor logikai elemekkel,de elképzelésem,hogy az miképpen is kellene.Valaki lenne olyan szíves,hogy elküldené hogyan is kell egy pár sor kíséretében,hogy el is tudjam majd mondani? Előre is köszönöm!
Hello! Itt megtalálod. A lényeg a két visszacsatolás. Az ellenálláson keresztül negatív a visszacsatolás, így a kapu (v. inverter) analóg üzemmódba kerül. A kondin keresztül pedig pozitív visszacsatolás jön létre, ami szükséges a rezgés fenntartásához. Az időt így az RC elem időállandója határozza meg, némi konstans "kíséretében", ami a kapu erősítésnek és a tápfesz értéke határoz meg a gyakorlatban.
Másik lehetőség hiszterézises inverter használata. Ott a kimenet egy ellenálláson keresztül tölt egy kondit. A bemenet a kondi feszültségét figyeli. Ha az elérte a küszöbfeszültséget, átbillen a kimenet és pld. töltésről kisütésre vált az áramkör. Tart ez addig, míg az alsó billenési küszöböt el nem éri és onnan kezdődik ismét a töltés.. Ezt pedig itt találod.
és ez nem megfelelő?http://tudasbazis.sulinet.hu/hu/szakkepzes/elektronika-elektrotechn...kodese
Egyébként még egy kérdésben tudnál segíteni?Ami így hangzik:Értékelje a logikai elemekből gyártott billenő áramkörök gazdasági előnyeit.
Megfelelőnem megfelelő lehet, de a gyakorlatban csak valaha a TTL korszakban alkalmaztak ilyen kapcsolást. (Mert két felesleges RC időzítő tagot is alkalmaz, ha már a gazdaságosságnál vagyunk.)
Ez meglehetősen tipikus "béna" iskolai kérdés. Mert előnye csak annyi lesz, hogy ha van egy-két feles kapuáramkör abban amit építesz, és szükség van egy nem túl pontos ütemjelre, akkor azzal elő lehet állítani. De nem csak gazdaságosság létezik, hanem paraméter elvárások is. Így annak ismerete nélkül, semmi értele a gazdaságosságról beszélni. De megkérdezhetnéd az iskolába járó kollégákat, hátha Ők birtokában vannak az "egyetlen helyes válasznak". Amúgy ez egy tipikusan "mai kérdés", mint a közbeszerzésnél. "Az a jó, ami a legolcsóbb!.." Lehet, talán nem így és ezt kellene tanítani az iskolába..
Azt hiszem értem a válaszodat.Már kérdeztem a tanárokat mielőtt a fórumra jöttem volna segítségért ,de tőlük csak olyan választ kaptam,hogy ők ezt nem fogják lediktálni mivel már ezt 4 év alatt tudnom kellene és keressem ki az interneten.Keressem én bár erre a kérdésre semmilyen választ nem találok.Nekik ilyen gyakorlati szempontból kellene a gazdasági előnye teszem azt a bistabil,monostabil,astabil multivibrátorokat hol használják?
Sót ott használnak, ahol sótlan az étel.. A gazdasági előnynek és a felhasználás szükségességének köze nincs egymáshoz. De..
Astabil multit akkor használunk, ha ütemjelre van szükség. Bistabilt, ha információt szeretnénk tárolni. Monostabilt, ha időzíteni szeretnénk egy logikai állapotot.
Ebben igazad van,de mivel leírom fingom sincs mit írhatnék oda ezért valamit mondok a felhasználásról esetleg,ha valakinek lenne valami jobb ötlete azt szívesen venném.
Valószínűleg az előállítás gazdasági előnyei, az elállítás költségeire gondoltak.
A költségeknél a legdrágább az emberi munkaerő, (kézi összeszerelés diszkrét elemekből) a második a sorozatnagyság. Minél nagyobb sorozatban, minél jobban integrált elemekből készül a termék, az egy darabra eső költség a legalacsonyabb lesz.
Sziasztok, építettem egy astabil kapcsolást 555-el. A kívánt frekit beállítottam (88 másodpercenként van felfutó él), de a legelső ciklus mindig 140s hosszú. A másodiktól beáll a kívánt időzítés. Ez miért van így?
Azért, mert bekapcsoláskor a kondenzátor nulláról indul. Menet közben már nem esik a feszültsége nullára, mert valahol kapcsol az 555-ös és újra elkezdi tölteni.
Sziasztok,
Egy kis segitseg kellene. Ezt raktam ossze egy probapanelen, de csak folyamatosan vilagit. Nem birok rajonni mi lehet a gond. Erdekes de ha a bazist levalasztom a kondi negativ labarol es a bazist csak megerintem akkor is kapcsol a tranzisztor es vilag a led. Atneztem mar ezerszer. Mi lehet a gond?
ok. meg is van. at kellett nezni ezeregyszer
|
Bejelentkezés
Hirdetés |




valaki segítsen nekem
Mekkora frekvenciát óhajtasz?







