Fórum témák
» Több friss téma |
Fórum » Autóelektronika
Témaindító: sufni-tunning, idő: Ápr 19, 2008
Témakörök:
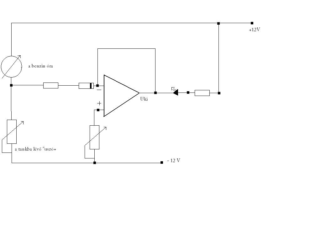
Szia!
Az óráról elég elég egy vezeték, az ami a tartályban lévő érzékelőhöz megy. Az ellenállás lehet 10K, a másik érték véletlenül maradt ott. Mehet stabilizált feszültségről úgy pontosabb lesz, csak nem akartam elbonyolítani! Viszont lényeges az IC bemenetén lévő 4,7Kohmos ellenállás, mindenképp építsd be! Az egész szerelésnél figyelj oda, mert a vezeték egyik vége a tartálynál van, nem feltétlen okos dolog ott szikrát gyártani!
Hát a generátor, önindító, stb. épp nem jelent túl sokat. Azt rengeteg autógyár a Bosch-tól veszi, meg néhány gyártó is (pl. Iskra) licenszeli a Bosch-tól. Ránézésre ugyanilyen generátor volt a Renault 4-ben, az összes Zastavaban, de még a Deutz traktorokon is.
sziasztok.
nekem 2001-es swiftem van. szeretnék tenni bele egy "álriasztót". vagyis, amikor leveszem a gyújtást, vagy kihúzom a kulcsot, akkor villogjon egy LED. honnan, hogyan lenne megoldható, hogy csak ekor kapjon áramot? másik: gyári központizárhoz is tennék egy LEDet, amikor zárom az ajtót, az ugyebár jelet küld a többi ajtónak a záráshoz. ezt szeretném megoldani, hogy villanjon fel nyitáskor és záráskor is.
Az álriasztó működtetéséhez egy váltóérintkezős relé a legegyszerűbb megoldás. A kulcs által kapcsolt pozitívról ( 15-ös ) működteted a relét, és azt az érintkezőpárt használod fel, mely feszmentes állapotban zárt. Ne felejtsd el a led áramkörét kisértékű lengőbiztosítékkal ellátni! A szükséges csatlakozási pontot a gy.k.-n kívül a biztosítéktáblán is megtalálod.
igen, valami ilyesmire gondoltam én is. csak nem tudom, hol, melyik vezetéket kellene megcsapolni.
A 15 az konkrétan a gyújtás? nekem egyel előbbi kellene, amikor már bekapcsol a rádió, de még nincs gyújtás. az hányas? (és hogy találom..) avagy... a gyári digit óra világítása megfelel kapcsolónak, másiknak meg az óra tápja?
Megfelel. A reléről ne felejtsd el az ellenpárhuzamos diódát.
Igen, az a gyújtás. De nem muszáj a bosch-számokat bogarászni, egy próbalámpával, voltmérővel 1 pillanat alatt kimérhető. Ha nincs kéznél egyik sem, kis izzó + két vezeték. Egyik testre, a másikkal meg "mérsz". Az órát én nem babrálnám. Működne, de ez elvi kérdés. Nem illik.
Lesz tranyó is?
![]() :OFF Bocs Zoli, nem bírtam ki. :ON
mi van a milyen tranyóval (mi is az a tranyó?)
most összezavartatok. akkor mi felejtős és mi nem, és mi oké?
Szerintem a legegyszerűbb, ha veszel egy villogó LED-et (ilyen is van) teszel rá egy 1k-s ellenállást, és rákötöd a 15-ös pontra, és egy +12V-ra. A 15-ös pont a gyújtás, így ha kiveszed a kulcsot, a gyújtástrafóról negatív fesz jön vissza, ezért fog villogni a LED.
ha leveszem a gyújtást, akkor a 15 az testet ad? ezt nem tudtam
de tudtommal, van egy olyan is, hogy amikor leveszem a gyújtást, csak azon pozitív van. de a nyitott ajtónál+benthagyott kulcsnál van egy hangjelző, azt pl csak aberakott kulcsnál, gyújtás előtt jelez. ezzel is össze lehetne hozni. de val szeg marad a "15" és +12V
Azzal is megtudod csinálni, de akkor tényleg kell relé. A gyújtáskapcsolóról jövő kábelek közt (asszem egy 6-os csati) megtalálod, de mérd ki, mert két féle gyújtás van, és csak az egyik megy a trafóra. Suzuki színekre már nem emlékszem, de német autókban ez fekete.
A másik problámádra meg az a legegyszerűbb, ha megkeresed a központizár motorjának két vezetékét. Ezen nyitás-záráskor váltott feszültség megy, így az egyik LED-et egyik-, a másik LED-et másik irányba kötöd (1k előtét ellenállással). Asszem a bal első ajtóban ilyen vezetéket nem találsz, mert abban általában nincs motor gyárilag.
A baloldali ajtót sem a jó isten zárja!
Ha polaritásváltással megy, legegyszerűbb oda 1 kétszínű, ámde csupán kétlábú LED 1 kohm-os előtéttel. Ez nyitáskor, záráskor egyaránt világít, ráadásul más-más színnel.
ennél a kétszínű lednél is csak egy ellenállás kell?
Persze. Az ellenállásnak teljesen mindegy, merre folyik rajta az áram.
Nem is a Jóisten dolga, hanem a vezetőé. Láttam pár távolkeleti autót amiben a bal első ajtóban csak a kapcsoló volt rákötve a zár rudazatra. Ha riasztóval akartad nyitni-zárni, akkor be kellett tenni egy motort ebbe az ajtóba. Suzukinál is szerintem ment így a spórolás.
OK, köszönöm.
De a tankba logo vezeték meg a szikra, á egyre bizonytalanabb vaygok, ér ez annyít? (költői kérdés )A risztóról(101 clipper) nem tudnátok valamit? A mozgás érzékelő nem igazán megy ![]() Valami leírást/kapcsolást keresnék.
Hello
A dudát kapcsoló relének már a biztosítóktól viszem az áramot, de még mindig valami baj van. Elindítom a riasztást, már szól végre a duda, de a 4. dudálás után ismét nem szól(csak a relé nyitásakor "nyög" eggyet a duda). Ezután kikapcsolom majd újra, most is kétszer-háromszor dudál, majd megint nem. Harmadik próbálkozás után már egyszer sem dudált, csak mindig a relé nyitáskor egy rövidet halkan szól. Az igazi duda-kapcsolóval szól rendesen. A relé is még jó. A relé pedig 12V-15A-es. Nem tudom mi lehet a baja. Érdekes az is, hogy a legelső próbálkozáskor sorbakötöttem ezzel az új tápvezetékkel(ami viszi a biztosítóktól az áramot a dudarelének) egy 10A-es biztit, és úgy se működött. Ezután hagytam ezt ki, és akkor már ment, de csak 4x. Üdv.
Ahogy nézem a Clipper 101-es nem tud alapból ultrahangos beltérvédelmet, tehát kiegészítő modulként lehet hozzá kapcsolva. Ez általában egy kis doboz, közel a riasztóhoz elrejtve, kb. 5 vezeték megy bele. Ebből kettő árnyékolt vezeték pici csatlakozóval, és 3 sima vezeték (piros, fekete, sárga). Van rajta 1-2 LED, poti amivel az érzékenységet állíthatod. Ha megtalálod, már könnyű megállapítani mi baja lehet, ha nem találod, akkor az a baj.
Az is lehet, hogy csak az ultrahangos szondák vannak a kocsidban, és csak lóg valahol a vezetékük.
Szia!
A bemenetre nem véletlenül raktam azt a 4.7K-os ellenállást! Ha azt belerakod nem lesz gond!
Hi
Idáig 3 dobozt nem tok mire jó, egyik a kormány oszlop mellet van na ezen van 2 led meg poti. De nem hiszem hogy imo lenne mert tök mindegy milyen kulcs van benne(pót kulcs). Akkor szerintem ez lesz az, majd rakok fel képet. Meg van még két doboz de az hogy mi, de akkár mindegy is lehet ![]() Kösz mégegyszer, majd ha elakadok majd kiabálok ![]()
Na csináltam képeket a dobozolról.
A "riasztó" képen van: - maga a riasztó meg a kapcsolok, amit nem tom mire jók. - Meg két nagy csatlakozo hasonli a scart csatira, de szerintem ez az ablak emelő elektronika, - és maga a szenzor amit keresek(azaz miért nem megy) Amiket nem tom hogy mire valok a doboz 1, 2 (kép). Ezeken nincs led, de viszont van benne poti. A doboz 1-be megy bele két db árnyékolt kábel talán ezt kellenne állítgatni? A szenzorból kilyövő kábel vastaksága jóval kisseb mint ami bele megy a doboz 1-be A ledes doboz az pedig szerintem egy dölésszög érzékelő, tehát annak szerintem semmi köze az ultrahangos belvédelemhez. A két szenzor vezetéket még nem néztem meg hova megy, csak akkor akarnám megbontanni a kárpított ha nincs semmi ötlett hogy meilyk lehet az ő elektronikája. Az IC-k tipusjelzőit lekaparták, de mert. Végülis akkár mind1 is lehet. Szóval ötletek várnék hogy hol és mék panelon keresem a hiba okát, előre is köszi.
Szóval:
-A riasztó DIP kapcsolói általában távkapcs tanításra, ki-be kapcsolási hang, önélesedés és hasonló funkciókra van. Leírás nélkül nem kapcsolgatnám, de biztos nem ezek miatt nem működik az ultrahang. -a csatlakozók az autó gyári csatlakozói, szerintem ez a hátramenő kötegé. -led.jpg egy ütés- emelésérzékelő. Ha azt akarod, hogy jól működjön rögzítsd valahová, hogy átvehesse a karosszéria rezgéseit. -doboz2 egy ablakhúzó elektronikának tűnik, a potikkal tudod állítani a lekapcsolás áramát. -doboz1 lesz valszeg az ultrahangos beltérvédelem doboza, de mintha hiányozna róla a test vezeték. Ez valami múltszázad közepi technika, elég "csehszlovák" Én a helyedben megpróbálnám egy izzós próbalámpával testet adni annak a szabad kivezetésnek. Ha test hiánya van, erre fel kellene élednie, és ha legyezel a szonda előtt kézzel, akkor esetleg kattognia kéne a relének. Lehet, hogy állítgatni kell a potin. Ha meg nem test pont az a kivezetés max világít a próbalámpa, de zárlatot nem okoztál.
Sziasztok!
Azt esetleg megtudja nekem mondani valaki, hogy a Cd tár milyen adatokat küld a rádiónak. Köszi.
Szia!
Régebbieknél volt többszálas sima vezérlés (start, stop, next, stb), ott csak az audio jeleket kültde a cd-tár. Az újabbak soros adatvezetéken kommunkiálnak általában 2-3 szálon (clk, datain, dataout). Erősen tipusfüggő, főleg a protokoll. De ha tényleg az Alpine-nál dolgozol, ott biztos van valaki aki választ tud adni.
Hi
Na megvettem a ketyeréket, és belemélyettem a dologba. Szóval nekünk a ME-t feszültségkövetésre kellenne beKöni, hogy az eredetti feszültséget(benzin óra) ne terheljük. Erre pedig teljesen más fajta kapcsolást találtam. Szóval ellentmondásba ütköztem a Te általad felrakot kapcsrajz ás a datasheet-eken találhatókón. De lehet hogy Én néztem be, nem kizárt Szóval csináltam valami kapcsolás féleségett ![]() Ezt kellenne megnézni! A dioda nem tom hogy hülyeség-e, de valahogy megkellene védenni az esetleges zárlati vagy más lehetséges hibáktól a benzin tankot! Ha teljesen baromsság akkor is várom a kritikát ![]()
Felesd el hülyeség amit irtam eggyel lentébb
![]()
Igen az Alpine-nál dolgozom de itt ilyennel nem foglalkozunk.
Azért kérdeztem mert e-bay -en lehet kapni egy ketyerét amit a rádió cd tár csatlakozójára kell kötni és SD, USB csatlakozós adathordozókról lehet zenét hallgatni. Pl. a pendrive-on a zenéket megfelelő mapákba fendezve úgy látja a rádió mintha a cd tárban lévő cdken a számokat látná. Konkrétan ez: XcarLink Házilag el lehetne készíteni? A fekete dobozka tartalma ismeretlen számomra. A rádióm csatlakozójának megvan kiosztása és a cd tár kábelének is |
Bejelentkezés
Hirdetés |





)





