Fórum témák
» Több friss téma |
Nem késtél el kissé a válasszal?
Igazad van István! Alaposan elkéstem a válasszal. Nagyon belemerültem az olvasásba, és nem vettem észre, hogy hol is tartok. Ezért elnézést kérek.
A birtokomba került pár AWI-s cucc . A fojtó elég érdekes mert együtt van a becsatolóval .A vasmag egy része lemez a másik pedig ferrit vas . Készítettem pár képet róla és a gyújtóról is .(REHM cucc ).
Sikerült megmérnem ismét. Rosszul emlékeztem és elnézést ezért mindenkitől. 63V körül van az üresjárati feszültség és 23V környékére esik vissza.
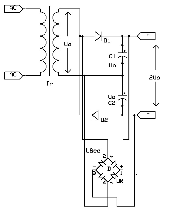
István, sikerült találni valami rajzot az ívfeszültség növeléséről? Válaszotokat előre is köszönöm.
Szia János!
Az ívfeszültség növeléséről már korábban többször is tettem fel rajzot, de ha nem találod meg itt a fórumon, akkor újból lerajzolom és felteszem.
Átnéztem jó néhány oldalt de nem találtam, megkérnélek hogy tedd fel ismét.
Vagy erre gondoltál?
http://www.hobbielektronika.hu/forum/files/18/18d770dbeaf5aaf3cfc9b...24.png
Nem erre gondoltam. Persze ez a kapcsolás is alkalmas gyújtófeszültség növelésére, de itt a feszültségemelkedés kétszeres,ami csak akkor jöhetne számításba,ha az alapfeszültség 50V alatt van.
Talán tud valaki segíteni - keresek WELDI TIG 210 AC/DC rajzot vagy képeket a vezérlő panelról . Minden infót szívesen fogadok a gépről .
Egy ESS UNIARC 5 típusú AWI-s gép rajzát azért én is közzéteszek hátha valakinek segít .
A panel csatlakozójáról, illetve a belsejéről is néhány fotó jól jönne. Hátha hasonlít valamilyen másik gépre.
Most nincs fényképem róla de majd készítek egy párat a napokban . Szerintem talán még a TIG 350-esnek is ugyanez a panelja .
Az előző hsz.-t elszúrtam mert módosítani akartam .... ami a lényeg a képen az UNIARC 5 panelje látható .
Ma készítettem pár képet - talán ez segít .
Lajoskám, sajnos ezt a kártyát nem ismerem. De ha nem égetően sürgős,megpróbálok keríteni hozzá rajzot, de ehhez a gépről minden adat kellene,illetve egy fotó a gép adattáblájáról. Akár privátban is küldheted.
Sziasztok!
Segítséget szeretnék kérni KND-201K (Viszék Kft) típ. hegesztő géppel kapcsolatban. Konkrétan 1 elektrolit kondenzátor értéke érdekelne! Köszi
Üdvözlet kolléga!!!!
Az általam áttanulmáyozott panelek közül 100 mikrofarad/63v a kondi értéke. Üdv : Maszek
Köszönöm szépen! Holnap kipróbálom! Hátha végre elkezd működni a gép min. 15 év pihenő útán!!!
Üdv.: Frommer
200V 200A
feszültség és áramerősség mérő, nem én árulom, nem azzért teszem ki ide, hanem ha valaki be akarja építeni a gépébe, innen sokkal olcsóbb, mintha itthon vásárolná meg. http://www.amazon.com/gp/product/B005HBCE7E/ref=as_li_ss_tl?ie=UTF8...HBCE7E
Üdv mindenkinek!
Nagy gondom van egy tig aparáttal.Hagyományos trafója van 80v szekunder feszültséggel.Elektronikus szabájzással(tirisztorokkal.A szikra képzője egy 3kv-os trafó,pár kondi,szikraközt egy motor gyertya kápezi,tekercs és ki a csatlakozókra. Az a gondom,hogy szikra vana pisztolyon(a bikát is ikütné,a kimenő fesz nyolcvan pár volt(ha nem tévedek),és mégsem akar ivet húzni(vagyis nagyritkán,akár többször is egymás után,azután megint semmi,csak az őrült szikrázás). Esetleg tudna valaki segiteni(elég sürgős a dolog)
Lemértem pontosan a trafó nyers váltó fesz 80V.
A tiristor kimenetén terhelés nélkül 89v van 2Kw melegitő szálas terhelés mellett a tirisztor kimenő feszültsége 62v-64v(a tirisztornál is közvetlen,meg a csipesz és a scipesz - hegesztőpisztoj hegye között is). A kimenet SKKT162/14E tirisztorpárból áll + DD17112k diódapárból áll. Lehetséges,hogy nem nyissa meg rendesen a tirisztorokat az elektronika?Ezért nem tud mindig ivet húzni? Hogy megjegyezzem,valaki már kétszer javitotta az elektronikus vezérlés részét.
MMA üzemmódban működik ? Nemrégen egyik barátom vett egy használt gépet . Sercegett a nagyfesz a pisztolynál , MMA-ban lehetett hegeszteni vele - csak a gázszelepet kellett rendbe tenni .
Itt egy kép az elektronikus vezérlő előlapjáról.Hátha segit
Ma reggel készitettem még kettő képet a paneljáról is.
Ez bizony mikrovezérlős-az a sok lábú IC gondolom az lehet,bár a típusjelzése nem látható. Ha koppintós üzemmódban jól működik,akkor a következő lépésként próbáld meg a nagyfeszt manuálisan kikapcsolni,miután az ív begyújtott. Elképzelhető,hogy az az áramköri rész hibásodott meg, amelyiknek feladata lenne a nagyfesz gyújtást kikapcsolni az ív begyyújtása után.
Üdv!
A legujabb megfigyelésem a dologgal kapcsolatban az,hogy ha először koppintással ivet fogok,igy valamelyest felmelegitem a pisztoj hegyét,akkor gond nélkül tudok ivet gyujtani koppintás nélkül(ahányszor csak akarok),mindaddig amig ki nem hül a hegye.Akár 2-3 perc pihenési idővel is a gyujtások között (lehet hogy 3-4 perc is eltelt a gyujtások között). Igen mikrovezérlős szabályzó PIC16F (ha jól tudom fejből akkor 874 es tipus,4Mhz es külső kvarcot használ). Tehát a nagyfesz megy,iv gyujtás után le is kapcsolja a nagyfeszt,csak amikor hideg a hegy,nem hajlandó ivet húzni.
Szia! Gondoltál már arra,hogy a volframot más színűre cseréld? Van a neten egy táblázat(csak most nem ugrik be hogy hol)ahol leírják hogy milyen színű volframelektróda mire való. Az elektróda színjelölése határozza meg a felhasználási területet .
Sziasztok!
Érdeklődnék, hogy trafós MMA (50-180A) hegesztő átalakítóható-e TIG hegesztővé? Ha igen, akkor ez mennyire bonyolult, milyen kiegészítés/módosítás szükséges? Köszi
Egy kicsikt konkrétabban, részletesebben gondolnám
|
Bejelentkezés
Hirdetés |























