Fórum témák
» Több friss téma |
Sziasztok!
Szerintetek a mellékelt 4 kivezetéses fojtó jó lenne egy MMA gép (Upri= 220V/380V, Uszek=65V, Iszek=180A/210A, P=7,2kVA, 60% bekapcs. idő) TIG -gé alakításához egy 200A -es egyenirányító diódahíd kíséretében? Köszi
Esetleg a vasmagja. Az adattábla szerint 50A a terhelhetősége maximum. Az üzemi freki 300Hz, tehát a menetszámok is ehhez vannak kiszámolva. A vas keresztmetszetét nem írtad le, de úgy számolj, hogy a főtrafó oszlop keresztmetszetének kb. a 70%-a kell a fojtónak .
Üdv!
Készül a 200A-es Ac-Dc Awi masina, bár az eddig eltelt idő alapján, még kell pár hónap, hogy elkészüljön, de gondoltam teszek fel pár képet, az eddigiekről. Az egész egy ATX-es számítógép házába van-lesz beleépítve, a ház elején a döntött rész, hozzá lett 3mm-es alulemezből építve, és a vezérlés, is az előlapra van felszerelve, hogy több hely maradjon belül a nagy áramú résznek és a hűtésnek, ami körülbelül 5kg alu (remélem elegendőnek fog bizonyulni).
Szia.
Esetleg a kapcsolási rajzot "közkincsé" tehetnéd.Régen foglalkoztat a téma,voltak próbálkozásaim AC hegesztésre ,de még az ív fogásig se jutottam el,a DC rész megy,habár itt is sántít a nagyfrek. gyújtás.Persze ez régi trafós megoldás. Kösz!
Welder
Szia! Itt fent van minden ami kell, (leírás stb) bár a szöveg angol. Én is ezt az oldalt másoltam le. Ha bármi nem tiszta kérdezz, amiben tudok természetes, hogy segítek, bár én is segítségre szorultam nemegyszer már! A Lay-eket is szívesen megosztom, bár még nem volt élesztve a kütyü. A nyáktrev ami hozzá tartozik, számomra használhatatlan volt, majd meglátod, hogy miért. Üdv! ![]() Hivatkozás beszúrásához a LINK gombot kérjük használni, javítottam. kobold A hozzászólás módosítva: Máj 12, 2013
Kedves kobold, elnézést a hibáért és köszi a kiigazítást!
Üdv!
Ezt átnéztem már párszor,de ez így nekem nagyon Kínai,lehet ki kéne nyomtatnom,hogy össze tudjam rakosgatni mi miért is van.Örülnék neki ha megosztanál bármit a gépel kapcsolatban.
Ezek voltak életem első géppel tervezett nyákjai, tudom lehetne zsúfoltabb, kisebb, stb, de a cél az volt, hogy tegye a dolgát, és nem a miniatürizálás.
Nekem ezek egymásra vannak csavarozva távtartókkal, így nem sok helyet foglalnak. A végfok nyákterve még nem végleges, ezért nem tettem fel. Kell hozzá, egy hal elemes áramérzékelő, ami az ac-dc funkció miatt nem váltható ki mással, sajnos. (controller jobb alsó sarok) Nekem IRFP4332 Fet-ek lesznek benne IGBT helyett. A foot pedál helyett építettem egy motoros potit egy stepmotorból, meg egy sztereo potiból, mert a munkakábelemről lehet vezérelni a hegesztőáramot. Kérdezz nyugodtan, ha valami nem tiszta, én is ezt tettem, és vannak rendes emberek, akik segítettek, mert másképp sehol sem tartanék! (És ezért nagyon hálás vagyok!!! Próbálom követni a példát.)
Van egy hiba a vezérlés1 jobb alsó sarkán az lm324- nek +-12volt kell!
Ez sajna nem lett javítva, még.
Hát ez nekem nagyon tetszik, gratula hozzá! Nagyon kíváncsi leszek a végeredményre!
Eddig mennyit költöttél rá és mennyi volt bonyolult építeni? Sikerült már kipróbálni? Vagy sok van még az hátra a befejezésig?
Hát, kíváncsian várom az élesztést,kösz a file-okat.Hogy van a gép galvanikusan leválasztva a hálózatról?Még mindig nem tiszta a működése.Vagy csak én siklottam el a lényeg felett
Hát a nyákok tervezése okozott némi fejtörést, és van amit már másképp csinálnék, de már nem akartam áttervezni. minimum háromszor néztem át a tervet, és eddig nem találtam több hibát csak amit leírtam. a vezérlést végülis már lehetne éleszteni, az bíztató jel, hogy a tápegység tökéletesen működik, meg van a 3-6-9-5-12--12-15v is, tehát ebben nem volt tervezési hiba.
Az anyagi oldala: az összes Ic, tranzisztor, ellenállás, kondi, stb, kijön 10 000Ft-ból, az IRFP4332-t 20db-t vettem, egy fórumtárstól 4000Ft, hűtőborda 5000FT, még kb 10 000Ft- lesz az inverter bele. És reménykedem, hogy a végén működni is fog, bár a szerző azt nyilatkozta, hogy már sokan utánépítették, és működik.
Ez tulajdonképpen egy Awi feltét amit egy egyenirányított hegesztőtrafó után szánt a szerző, csak én inverter után akarom tenni, aztán majd meglátjuk mi sül ki belőle.
Közben rájöttem jó magam is
,kicsit jobban átnéztem.Nagyfrekis gyújtás is a szerző leírása alapján készült?
Tehát 30 000Ft ból van egy kb. 100-200 ezer Ft -os gyári gépnek megfelelő sajátkészítésű AWI géped. Nem rossz. Nyilván lehetne a NYÁK -on szépíteni, de ha működni fog rendesen, akkor ez elhanyagolható. A melegedő alkatrészek vízhűtésén nem gondolkoztál?
(viccen kívül) Én nagyon kíváncsi vagyok már erre a cuccra, úgyhogy hajrá, sok sikert!
Még amikor el sem kezdtem építeni, már az volt a terv, hogy folyadékhűtéses lesz, és meg is van hozzá minden ami kellhet, csak úgy gondoltam először működjön, mert a hőcserélő aluminiumból kell, hogy legyen, amit awi-val kell össze varni. Gondoltam nem fizetek azért, hogy összehegesszék kb10 000Ft-ot, hanem ha összeáll a masina és jól működik, akkor majd ezzel megcsinálom.
Még pár hónap, és kiderül, hogy életképes -e. Egyébként, a költségekhez, hozzájön még 20 000, mert vettem egy vízhűtéses munkakábelt, meg kell még egy palack is, reduktor mondjuk van a Mig-hez otthon, az jó az awi-hoz is. Tehát kb 70-80 ropi a vége. Vannak akik azt mondják, "ennyiért már lehet venni boltban is, meg hogy az mégis csak gyári, stb" szerintem meg ha ez tényleg működik, úgy ahogy le van írva, akkor egy minimum 200-250 000Ft-os gép tudásával fog felérni, és nem mellékes az építés öröme sem.
Ezt így nem értem. Egy vízhűtési rendszerben nem igazán van amit hegeszteni kéne. A hőcserélő gyárilag kész, a csövezés valamilyen gumi/szilikon, stb. csőből célszerű, hűtőblokk pedig általában réz, már csak azért is, mert a hőcserélő rézcsövei nem férnek össze semmilyen alumíniummal ill. hatékonyabb is.
70-80k az már nem olyan szuper jó ár, de az tény, hogy jóval magasabb szintű géped lesz a végén, mintha vennél egy gyárit, pláne ha újonnan vennéd.
Hát a gép maga 30-40, csak palack, reduktor, stb ami ugye a másikhoz is kellene amit a boltban veszel.
A kapcsolóelemeket valamire fel kell csavarozni, amiben cirkulál a hűtőfolyadék, na ezt kell összehegeszteni (két db egyforma méretű hűtőbordát gondoltam egymásba fordítani, és azt összehegeszteni, és a két végére megy a két kivezetés), kell egy szivattyú ami forgatja a folyadékot, és egy radiátor ventilátorral a másik végére, az én elképzelésem szerint.
Szerintem a hűtés megoldása a legkisebb probléma,ha az elektronikai rész működő képes.Akkor ezek szerint a fetek vezérlése még nem lett élesztve?
Szerintem egy sokkal egyszerűbb, sokkal kisebb blokkal is megoldható lenne legalább olyan jól. A legegyszerűbb, hogy egy oválisra alakított rézcsőhöz fogatod őket. De mondjuk szebb és jobb ha egy vastagfalú zártszelvényhez csavarozod őket. Vagy valami hasonló.
De miután a radiátor/hőcserélő csövei szinte biztosan rézből vannak, nem volna célszerű azzal egy rendszerben alumíniumot használni, a két fém közti korrózió miatt. Egy példa hőcserélőre: link. Olcsó, nagy, szerintem ideális. Amúgy érdemes lenne nem csak a Te általad épített gép melegedő alkatrészeit, hanem a tápként szolgáló gyári hegesztőinverter melegedő alkatrészeit is vízhűtéssel hűteni. A munkakábel hűtéséhez pedig kell szerintem egy másik vízhűtőkör, de ott legalább nem kell hűtőblokk. Sokféle megoldás van erre a problémára, az biztos. nyekk: azért azt nem mondanám, hogy a hűtés a legkisebb probléma. Persze, hogy az a legfontosabb, hogy működjön a gép, a hegesztés. De szerintem egy ilyesmi (inverteres, félvezetős, stb.) gépnél elég fontos szerep jut a megfelelő hűtésnek, hogy egyáltalán normálisan használni lehessen a gépet ill. az élettartam se csökkenjen drasztikusan. A hozzászólás módosítva: Máj 14, 2013
300-350 A felett kell igazából vízhűtés, az alatt ritkán használják. Ha feltétlenül szükséges(nek ítéli valaki), akkor egy régebbi autó belső fűtő egysége csodálatos erre a célra. Ezek még nem aluból készültek ??? eljárással (sajtolás...), hanem rézből, sárgarézből, eléggé ellenálló és nyomástűrő kivitelben. Bármely bontóban, jó esetben MÉH telepen sokkal olcsóbban kapható, mint az összehegesztendő hűtőbordák.
Sokkal nagyobb hűtőfelülettel, hőleadással.
Jól beszélsz!
Már van otthon félre téve erre a célra egy Lada fűtőradiátor, ami még rézből van. De van VW ami aluminium. A hűtőbordával kapcsolatban lehet nem értetted az ötletem: a bordák befelé állnának, hogy minél nagyobb felületen érintkezzen a hűtőfolyadékkal, a külső megszokott helyre mennének a fetek, ez a tömb lenne összekötve a fűtőradiátorral. A folyadék, trafóolaj amit egy 12voltos audi üzemanyag szivattyú keringeltet. Azért, hogy télen sem legyen gond az olaj dermedése miatt, kapna egy hőmérő áramkört ami csak 50°-nál kacsolja a szivattyút, meg a ventillátort. Hát nagyjából ennyi az elgondolás.
Még nem volt élesztve a vezérlés, mert kb 70-80 szál vezeték bekötése akadályoz a dologban, pedig nagyon kíváncsi vagyok már, hogy megy vagy sem.
Az utóbbi pár hétben nem nagyon volt rá időm, de ami késik nem múlik!
Nem gyári inverter megy elébe, hanem egy "MACI", vagy valami teljes híd, és az is megy bele a dobozba az Awi mellé, vagyis fölé, meg ahova elfér majd. Már a Fet-ek meg vannak hozzá, meg a ferrit is, a többi, meg majd, ha a költségvetés engedi.
A hűtést úgy csináltam meg, hogy szerintem, így is bírnia kellene. A két szembefordított borda, 300mm hosszú, 150mm magas, 55mm és 35mm a zászlók hossza, a talpak pedig jó egy centi vastagok, és 5kg az egész, a végére meg megy egy 120mm-es aluházas, nagyfordulatú ventillátor.
Pisztoly hűtésére gondoltam.Persze ,hogy a félvezetők hűtése a legfontosabb.
Idézet: Ezért gondoltam, hogy inverterről lesz "táplálva" és azt is lehetne esetleg hűteni.„Ez tulajdonképpen egy Awi feltét amit egy egyenirányított hegesztőtrafó után szánt a szerző, csak én inverter után akarom tenni, aztán majd meglátjuk mi sül ki belőle.” Amúgy milyen bekapcsolási időkkel lehet azzal a géppel dolgozni? nyekk: ja, így már értem. Bár a pisztoly hűtése se rossz dolog, de tényleg nem olyan fontos. (bár munkakábel (pisztollyal együtt) függő, hogy mekkora terhelést bír, nyilván)
Persze, inverteről fog menni, mégpedig azt szeretném megépíteni hozzá, ami az inverteres hegesztőtrafó fórumon már sokan megépítettek, (maci).
A bekapcsolási idő, a hűtés minőségétől fog függeni, az én célom a közel 100%, de mint mondani szokták a "puding próbája az evés", majd kiderül, még először működjön!
Ja így már éééértem. Hardcore kis masina lesz.
Tehát úgy gondolod, hogy bírnia kell majd a folyamatos 200A -es terhelést? Mert az úgy nem gyenge. Amúgy nem lenne olcsóbb és egyszerűbb ha vennél egy hegesztőtrafót és azt használnád tápként?
Hát van trafóm otthon, de talicskában szállítható méretű, ennek meg az a lényege, hogy kb 7-8 kiló lesz, így sokkal mobilabb.
Azért a folyamatos 200A, szerintem csak álom lesz léghűtéssel, de azt szeretném, ha 150A-al folyamatosan lehetne használni, ez még sajna nagyon messze van.
Üdv.
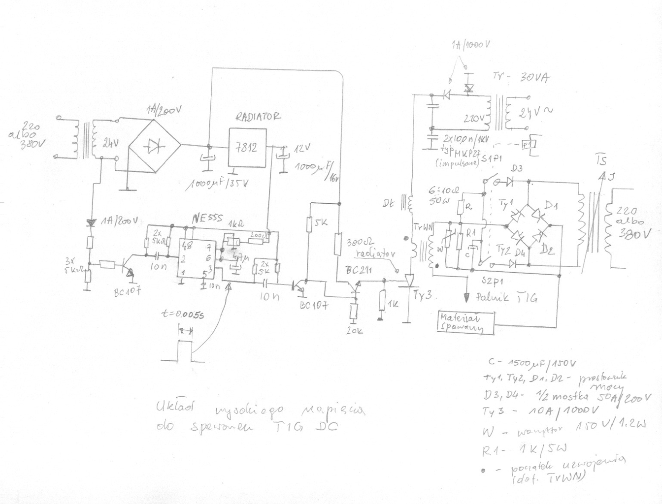
HF gyujtás,nálam müködik,DC üzemódban. |
Bejelentkezés
Hirdetés |










,kicsit jobban átnéztem.Nagyfrekis gyújtás is a szerző leírása alapján készült?
Sokkal nagyobb hűtőfelülettel, hőleadással.






