Fórum témák
» Több friss téma |
Valaki tud segíteni?
A mellékelt rajzon az R29 1megás (rajz alján jobbra)ellenállásnak mekkora a szerepe? Ez az egy ellenállás hiányzik, amúgy kész lenne a cucc. A TL072 5-ös +bemenet lábát húzza a testre. Ha ide jóval nagyobb, vagy semmilyen ellenállás nem kerül vajon tönkremegy, vagy csak a CLIP nem fog jól jelezni?..vagy elvileg a P7-tel utánna tudom majd állítani?
Huh, nem akarok hülyeséget mondani, de ha jól tudom az az ellenállás adja meg a műveleti erősítő bemenő impedanciáját. Milyen van ott kéznél? Szerintem betehetsz mást is, ami hasonló nagyságrendű.
Azért várjuk meg a többiek véleményét is!
Egyenáramúlag meghatározza potenciált. Funkcióban nem okoz problémát ugyanis, csak a clip áramkör nem fog nélküle működni és a hanghoz az nem kell.
330k -1 Megáig tehetsz oda ami van. Üdv Joe
Lassan alakul a cucc, remélem hétvégén beüzemelhetem.
A mindrange-select forgókapcsoló kondijait elhagytam valahol, lehet felporszivózta a párom.. Viszont amiért írok.. KNX1 névre hallgató kis kék billenőkapcsoló (hestore), na olyat ne vegyetek. Annyira hőre lágyuló a háza, hogy rögtön kiolvadnak a fülek forrasztáskor. Pedig nagyon vigyáztam. Eddig nem volt ilyan problémám ezzel a tipusú kapcsolóval. A forgókapcsoló 6mm-es tengelye sima.(nem ricnis) Olyan forgatógombot viszont nem találok ami csavarral lenne rögzíthető a tengelyre. Mit javasoltok, hogy rakjam rá a ricnis forgatógombot a sima tengelyre?
Működik a berendezés.
Még halknak tartom egy kicsit. A végfok érzékenységét még megpróbálom alakítani egy kicsit. Igazából nem tudom hogy a végfok érzékenységét, vagy az előfokot babráljam. Az előfokban a C15 kondit ha bekötöm, akkor a hangerő nem szabályozható rendesen, 3/4-ig a poti semmit se csinál, utánna pedig hirtelen hangosodik. Ha kikötöm minden jó. A SENS poti szintén semmit se csinál. Elvileg ezzel lehetne állítani a bemeneti érzékenységet nem? Akárhova tekerem semmi nem változik.. A LOW és HIGH bemenet között sincs semmi különbség.. Valahogy nagyobb erősítés kellene. Van ötletetek mi lehet?
Nekem gyanús a rajz.
A bemenetek szerintem fel vannak cserélve, a High az érzékenyebb bemenet. (hacsak nem az érzékenység van odaírva) De a nagyobb jelet fogadó (low) bemenet is csak 2-szer akkora jelet tud fogadni, mert felére van leosztva a jel. Ugyanígy vannak bekötve neked az aljzatok kapcsolói? Mert ha nem, akkor nem lesz különbség a bemenetek között. A C15 elvileg csak magas hangokat emel, ha bekapcsolod azt a kört, vagyis csengőbb lesz (lenne) tőle a gitár hangja, de ez nagyon függ a potméter állásától. Elég hülye megoldás. Nem zárlatos a kondi? Jó értékűt tettél bele? A rajz szerint 330 pF kell oda. A Sens potméternek kellene szabályoznia, mert földelt Source kapcsolásban megy az első fokozat, aminél a Source -kör ellenállásától függ az erősítés. A Gain potméternek is működnie kellene, mert a potméter a bekötés alapján hangerőt szabályoz, változtatható osztóként a jel útjában. Két földelt Source kapcsolású fokozat van az egész kapcsolásban, amin átmegy a jel. Annak elégnek kellene lennie, mert a gitárhangszedők elég nagy jelet adnak le. Végig kellene mérni a munkapontokat, szerintem valami miatt nem mennek rendesen nálad a Fet -es fokozatok.
A bemenetek nekem is gyanúsak voltak, elvileg így van bekötve, de át kell alakítanom, más ellenállást teszek majd be az egyikhez.
A GAIN poti müködik, de a SENS nem csinál változatlanul semmit. Nem értem hogy működik, mert a poti lényegében egy 220µF kondival van testelve. MIÉRT? A C15-öt máshova nem tudnám kötni? Mondjuk az EQ kapcsoló elé?
Elég baj, ha ilyet kérdezel, hogy miért van testre kötve a poti egyik lába egy kondin keresztül.
Ez az alapvető áramköri ismeretek hiányára utal. Ha egy földelt Emitteres, vagy FET esetén földelt Source kapcsolásnál az emitter ellenállás értékét csökkented, nő az erősítés. A kondi azért van ott, hogy egyenáramúlag le legyen választva a potméter, nehogy a munkapont is változzon a potméter állításával. Váltóáramúlag viszont rövidzár, vagyis a potméter állításakor változnia kell az erősítésnek. Kivéve, ha nem jó a potival sorbakötött kondi (kevés a kapacítása, szakadás...). A C15 kondenzátor elvileg jó ott, ahol van, de a hatását kb. fél potméter-állásnál fogod a legjobban hallani. Ha teljesen fel van tekerve a hangerő, olyan, mintha ott sem lenne, mert a poti rövidre köti. Máshová nem nagyon lehet tenni, ahhoz plusz egy fokozat kellene, hogy korrektül megcsinálja az ember. Az lett lespórolva, helyette ez a gagyi megoldás lett kitalálva.
Sziasztok!
Szeretnék építeni egy basszus erősítőt. Van itthon egy Beag tranzisztoros végfok, elé szeretnék egy basszus előfokot csinálni. Valamelyik Gallien Krueger-nek az előfokát szeretném elkészíteni. Tudna valaki ehhez kapcsolási rajzot adni, vagy keresni nekem? Nem tudom merre kezdjem a keresést. Egyáltalán működne ez a rendszer így?
Nem tudnál belinkelni egy konkrét Gallien előfokot, mert amiket találtam nem tudom melyik ez előfok, végfok része.
Nem igazán értek ehhez a témához, ezért nagyon megköszönném, ha belinkelnél nekem egyet. Nem én fogom megcsinálni, hanem az egyik ismerősöm aki villamosmérnök, azt mondta ő megcsinálja de csak akkor ha viszek neki egy konkrét rajzot, mert nincs ideje keresgetni.
A GK cuccok elég bonyolultak és sok bennük a felesleges dolog, pl. overdrive (bass-hoz minek?) viszont limiter meg nincs bennük. Érdemesebb egy saját igényeidnek megfelelő előfokot tervezni. Egyébként az Elektrotanyán sok gyári kapcsolási rajz letölthető, csak regisztrálni kell.
Akkor tudnál valami megfelelőt ajánlani?
Rockot játszok, passzív elektronikás basszon. Esetleg egy ampeg? Nagyon megköszönném, ha belinkelnél egy konkrét előfokot, ami nem túl bonyolult.
Kb mik lennének az igényeid? Milyen hangszínszabályozást szeretnél? Gyakorlásra kéne?
Itt egy jó kis SWR W.10-es, ennél ennél egyszerűbbet, csak erős kompromisszumok árán csinálhatsz (pl: Kreuzer)
A TDA 7294 végfok része nem kell hozzá, ha van végfokod.
Köszönöm a segítséget!
Ha jól gondolom a végfok a legalsó ábra, tehát az nem kell nekem. Nyák és beültetési rajzot hol találok hozzá? Mennyibe kerülnek kb. ehhez az alkatrészek ?
Szia, neked mi a véleményed a kreuzer preampról?
Idézet: Ezt hogy érted? Én is szeretnék egy hasonlót, de kezdek elbizonytalanodni! „ennél ennél egyszerűbbet, csak erős kompromisszumok árán csinálhatsz (pl: Kreuzer)”
Csináltam anno Kreuzer preampot és nem nagyon nyűgözött le. Az eredeti nyák egy katasztrófa és első indításra mindenféle gerjedést, zavart, stb-t produkált ahogy tekergettem a potikat. Aztán nagynehezen sikerült leegyszerűsítve normálisan megcsinálni (saját nyák), de továbbra sem ajánlom, mert könnyen lehet jobbat csinálni.
A kapcsolgatós középszabályzó helyett, érdemesebb egy rendes parametrikus EQ-t építeni. Érdemes az SWR cuccokat nézegetni, nagyon jók a megoldásaik. :yes:
Köszi. Talán 2 év kezdtem foglalkozni az elektronikával család mellett hobbyból. Sokmindent nem tudok, ezért kérdezek
![]() Tudom, hogy a kondi váltóáramúlag rövidzár. Ezek szerint mivel nem reagál az erősítő a poti tekergetésével a bemeneti érzékenységre, vagy a poti rossz vagy a kondi. A C15-tel az volt a bajom, hogy ha bekötöttem, a hangerőt nm tudam szabályozni. Na mind1, úgy tűnik hibásak az alkatrészeim. Remélem a héten lesz időm és leellenőrizhtem. Amúgy elég jól szól a cucc, bár még nincs kész. Teszek majd fel fotót is.
Nekem gyanús, hogy nem változik az érzékenység. A Fet -ek munkapontjait kellene ellenőrizni, vagy magukat a Fet -eket.
R13 cseréjével könnyen tudod változtani az erősítést.
Kiszedtem a T1 fet source 1,8K ellenállását, és semmi változás nincs. Ugyanúgy szól az erősítő, de semmit se változik a hangerő ha a potit tekergetem. Ezek szerint a fet zárlatos?
Munkaponti feszültségeket kell mérni. Abból kiderül, hogy megy-e a fokozat, vagy sem.
Hány V -ra van tervezve a kapcsolás? Nem üzemelteted véletlenül alacsonyabb tápfeszről az erősítőt, mint amekkoráról kellene? Mérj már feszültségeket a FET -eken!
15 Voltról megy a kapcsolás, ez lett megadva. A weboldalon irnak valamit a munkapont beállításról, de egy szót sem értek belőle.Bővebben: Link
A lényeg:
Neki a csöves cuccok meleg hangzása tetszik, azt próbálta meg ezzel a FET -es megoldással megközelíteni,mert a FET -eknek csövekhez hasonló a karakterisztikája. A tápfeszültség és a FET -ek függvényében kell beállítani a munkapontot. Azt írja, hogy neki a legjobb hangzás 3/4 Sensitivity poti állásnál volt, gitár használatánál pedig a Sensitivity potméter helyére átkötés kell. R5 és R10 ellenállásokat pedig a FET -ekhez kell belőni. Be kell tenni a helyükre egy trimmert, és a maximális vágatlan jelet kell velük beállítani a FET -ek Drain lábain nézve (szkóppal). A Midrage Select körről írj még, hogy a rajz közepén lévő fokozatkapcsolós megoldásra cserélhető, és mit kell hozzá átalakítani. De gondolom, most nem ez a lényeg, hanem a FET -ek munkapontjai.
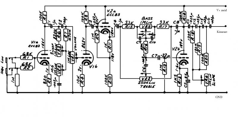
Hali!
Szerintem csinálj valami rendes előfokot. Anno kíváncsiságból én is megépítettem, először az eredetit, aztán saját nyákon is, de nem tartottam érdemesnek a további használatra. A csöves hangzásvilághoz pedig semmi köze sincs a cuccnak, karakterisztika ide vagy oda. Ha kell jó csöves előfok, azt tudok adni. A kombómba is olyan van, tavaly terveztem a Marshall JCM-800 Bass kapcsolásából kiindulva. Bevált dologról van szó, van róla rendes LAY, már három példány készült belőle és eddig mindenki dicsérte. Ne kínlódj ezzel a Kreuzerrel, nem ér annyit.
Esetleg ah afel tudnád tenni, kíváncsi lennék rá. Én építettem csöves előfokot a Marshall alapján, valóban kiváló, de nem összemérhető bonyolultságra és árra egy fetessel.
Hali!
Ha csak magát a modult számolod, akkor valóban sokkal drágább mint egy félvezetős, de ha az egészet nézed kompletten, tápegység, potik, doboz, stb, akkor sokkal jobb ár-érték arány érhető el vele, mint pl a Kreuzer-féle előfokkal. Mellékeltem a LAY-t és az eredeti kapcsolási rajz aktuális részét. A kimenetet kiegészítettem egy 4-es műveleti erősítővel, ez adja a kimeneti buffert, mivel TDA 7294-re megy (22k bemenő imp.) és a szimmetrikus kimenet szintén ezzel van megoldva. Utóbbi hangosításkor jön jól. A bemenetét átvezetős Jack aljzatokkal kell megoldani, ha valaki szeretné megépíteni, azzal szívesen konzultálok a továbbiakról.
MEgépíteném én is a csöves előfokot, de nekem csak ECC82, ECH81,és PCC88 csöveim vannak, nem tudom ezekkel működne-e kis átalakítással..
|
Bejelentkezés
Hirdetés |














