Fórum témák
» Több friss téma |
Köszönöm a választ! Így minden világos! Már egyszer meg lett tekerve, ment is jól, csak nagy prop-ot raktun rá és szegény nem bírta! Mindentől független gyárilag is gagyi a tekercselés és ezért akarok változtatni rajta!
Kiegészítés:
Összességében amikor én csináltam, a belefektetett munkaórák és csalódások miatt inkább vettem egy újat amivel sokkal jobban jártam mint ha tovább dolgozok az eredetivel. Vannak nagyon jó motorok olcsón, szét kell nézni a boltok között. A tekercselésről van egy külön topic az általam korábban linkelt fórumon, olvasgasd át. ![]() Ui: most látom, hogy sikerült segítenem, nagyon szívesen
Hello mindenkinek.
Van 1 elektromos kerékpárom , gyorsítaní szeretném Tornádó Trd 033 . vennék hozzá 800w bldc HUB motort de sajnos olyan vezérlőt nem találok ami ne lenne korlátozva. nem tudom hogy programozzák vagy mit lehetne csinálni hogy gyorsúljon. Jelenleg 300w os 48V os motor és vezérlő hajtja. Sebessége: 32km /h Cél: 50felett. A választ előre is köszönöm.
Elhiszed hogy nem véletlenül korlátozzák le a vezérlőket ?
Talán illegális gyorsulási versenyre akarsz járni vele ?
valami uniós hülyeség lehet nem tudom , de többre képes 800W 48V.
Persze Úniós hülyeség ! Segédmotorral mehetsz max 50 et DE ANNAK VAN HANGJA! belegondoltál már hogy hangtalanul odasuhansz egy éppen 50- el szabályosan haladó autó mellé ? Szerintem az egész családod csuklani kezd ! Nem is beszélek már az állandó életveszélyről amit evvel magadnak és másoknak okoznál! Ha a 19 es szám a nikk-edben az életkorodra utal , ennyi idős korodra már okosabbnak kéne lenned ! Ha gyorsan akarsz haladni vegyél motort vagy autót !A biciklinek bőven elég a 32 még talán sok is !
A 32 - őt gondolom km/h - ban érted, de amúgy az miért sok? Úgy jó hogyha szépen kényelmesen 30 - 60% - os kitöltéssel mész harmincal és akkor még van benne tartalék bőven. Én most akarom a bringámra rakni a 800w - os motort.
Egy jó verseny biciklivel is lehet menni 50 felett
Van több CD olvasóból kiszedett BLDC motorom, ezekhez kéne egy egyszerű meghajtó kapcsolás. A motorokon van 3 hall szenzor, ezek színusz jelet adnak ha megpörgetem a mocit, egyik motoron meg is vannak jelölve a fázisoknak megfelelően(U,V,W a fázisok és HGU, HGV, HGW a szenzorok), gondolom csak ki kéne erősíteni ezt a jelet és az megy a tekercsekre.
Üdv.
Keresgéletem interneten és a fórumok közt az RC autómhoz Brushless Motor szabályzó kapcsolási rajzot, de csak repülő motorhoz találtam. Mivel a legolcsóbb gyári ESC-k 13-15 ezer forintba is kerülnek, gondoltam PIC-cel és néhány FET-tel valahogy egyszerűbben megoldható. Ezek a Brushless motorok 7.2V -osak és kb 200W-osak. Gondolom a vevőről egy PMW jel jön, amit valami módon át kell alakítani a motorból kijövő 3 kábelre. Egy drágább Brushless szabályzó 400A-t is elbír (de gondolom ez csak a FET-től függ nagyrészt meg a Nyáktól). Szenzoros és szenzormentes megoldást is szívesen várnék, illetve ha a kapcsolás működésének elmélete is szerintem elférne ebben a fórumban. Köszönöm a segítséget.
Kicsit utánajártam a brushless motor működésének. Most lett pár kérdésem:
Az első ami csak félig tartozik a témához, de az RC autó brushless motorjai 2 vagy 4 pólusúak? (1 vagy 2 mágnes) Ami inkább a témába vág: A mellékelt kapcsolást kellene megcsinálnom, mert ez a H híd hajtja meg a motort. A motor 7.2V-ról működik, egész nagy frekvenciával és egész nagy árammal (40A). Ehhez minden bizonnyal FET-re van szükség. Ha valaki tudna egy FET-es kapcsolási rajzot és a FET típusát megírná hozzá, azt megköszönném. Sajnos FET-tel még nem dolgoztam. Ezután elkezdhetnék kísérletezni a brushless motor meghajtással és időzítéssel. EZEN a linken megtalálható a 2 pólusú és 4 pólusú brushless motor működésének és időzítésének animációja. Ez alapján indultam én is el a kutatásommal. Köszönök minden segítséget.
Szia!
A motor pólusszáma : tekercsek/3 tehát 6 tekercs az 2 pólus ( É -D) A feladat nem egyszerű! A 3 fázisú jelet előállítani úgy kell, hogy 2 tekercsre ráadod a kakaót, a 3." pihen" ahol nincs hall elem, ott 3 db műveleti erősítővel, vagy komparátorral kell figyelni, hogy a mágnes mikor ér a megfelelő pozícióba, és akkor kell "léptetni" a fázisokat.Tehát a pihenő tekercset kell figyelni. Aztán a névleges fordulatszámon kapja meg a moci a teljes feszültséget, és minél alacsonyabb a fordulatszám, arányosan kevesebb feszültséget kell adni a motorra. Ebből következik, hogy a PIC pwm kimenetét fel lehet használni erre a célra, de a 6db fet elé 6db és kapuval kell megoldani, hogy érvényes legyen minden fázisra az 1 db pwm jel. Szoftveresen nem oldható meg elég gyorsan szerintem. Aztán.. vezérlőjel: ha RC vevő van akkor az 1-2mSEC jelet ad ki. Felfutó élre elindul egy időzítő, és lefutó él után megszámolható az eltelt idő. ebből beállítható a pwm és a frekvencia.Mivel a vevők nem egyformák ezért inkább 1,2mSec legyen a z indulási küszöb,mert alaphelyzetben nem szabad járnia a motornak. Ha potméter a fordulat szabályzó akkor a PIC A/D konvertere kell. Kell még egy sönt ellenállás egy tranyóval, ha túlterhelés van (gép lezuhan propeller beakad) a motor azonnal álljon meg. Már "csak" az akkumulátor mélykisütését kell megakadályozni, szintén egy komparátor. Nos elég szép ezt leprogramozni PIC-be, de nem lehetlen. Én hobbiból 1-2 éve megcsináltam, de kipróbálásig nem jutottam. Legfeljebb nekigyűrkőzök megint.Van egy rajz is támpontnak azóta,erre csak nemrégiben akadtam rá. Csatolom. Még egy kis ráadás... A szabályzót csak az adó működése után szabad bekapcsolni, ha előbb kapcsolod be a szabályzót és utána az adót, akkor programozó módba kerül, és lehetőség van a fordulat és a hozzátartozó pwm beállítására, mert különböző KV értékű motorok vannak.Ezenkívül jeleznie kell még a szabályzónak, bekapcsolás után, hogy "élesítve" van, tehát csak óvatosan a gázkarral. Nos ezek az apróságok is csak programozási kérdések.Lépésről lépésre megoldhatók. üdv.:Foxi
Köszi. Ezen már el lehet indulni. Viszont találtam egy ilyen leírást. Benne van a szenzormentes brushless motor vezérlése PIC16F690-el, ha jól láttam kapcsrajz is és a PIC program is. Ha jól látom C-ben van, ahhoz sajnos nem nagyon értek de ígéretesnek tűnik.
Továbbá találtam egy TB6588FG típusú IC-t is, aminek a leírása itt található. Nem tudom ilyen IC-ket hol és mennyiért lehetne beszerezni, ennek még utána járok, de ez is ígéretesnek tűnik, egy IC BL motorhoz. Ha nem kerül annyiba mint egy komplett ESC, megéri kísérletezni vele. Üdv.
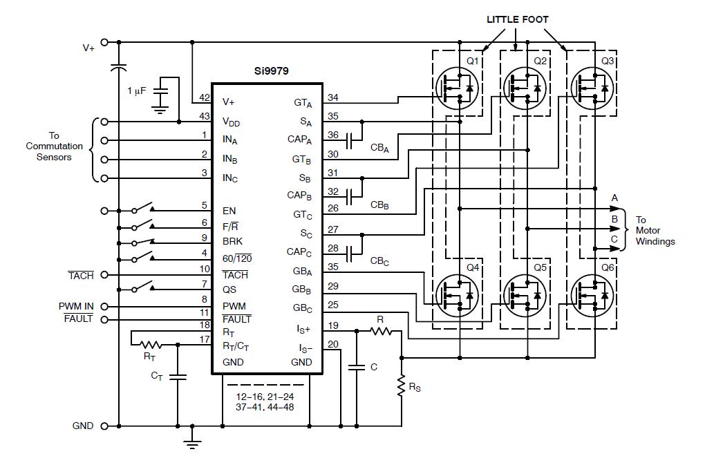
Sziasztok! Lenne egy Brushles motor vezérlő kapcsolásom, amin nem tudok egy pár alkatrésznek az értékét. Nevezetesen ezek a: "R" "C" "Rs" Semmilyen infót nem találtam róla. Pedig már átnéztem az összes evvel foglalkozó oldalt. Annyit tudtam kideríteni, hogy a "CDa"-"CDb"-"CBc" 33nF. Valaki tudna esetleg segíteni ebben? A vezérlő Típusa: SI9979. Mellékelek egy adatlapot. Előre is köszönöm!
Hali
Ezek az ertekek az alkalmazott terhelestol fuggenek.
Szia! Ez is már valami! Köszönöm! De hogyan kell a terhelés lapalján meghatározni az értékeket? Mert ezek az alkatrészek miatt már 3 hónapja nem jutok 1rőla 2-re
Valamint, ha még nem tudtam mivel meghajtani a motort, honnan tudom a terhelését?
A motor adataibol ki kell szamolni a max aramot, es a komparator Vref-bol kijon a Rs ellenallas erteke. Pl ha 10 amperre akarod az aramhatarolast, akkor Rs=Vref/Im, Rs=0.1/10= 10 mOhm. Az RC tag egy alulatereszto szuro ami kisimitja a csucsokat.
De nekem olyan motorjaim vannak, amiről csak annyit tudok hogy 24V-osak..
Ilyenkor mi a teendő? Az baj hogyha nagyobbra méretezem a vezérlőt mint kéne? Pl mi történik akkor ha 10A re van a vezérlő, de a motor csak pl.: 1A-t vesz föl?
De azert a motor tipusszama alapjan be lehetne hatarolni a teljesitmenyet, es ez alapjan meretezni a shunt ellenallast. Persze lehet hasznalani kisebb aramu motorra is, de nem biztos hogy sokaig. Fust, lava, hamu
Mondjuk eloszor a motor, utana a vezerles. Tulterheles eseten ez a kapcsolas azert ad rendesen a motornak, ha nincs jol belove az aramhatarolas.
De ha a tápfeszültséget jól választom meg, akkor hogyan terhelődik túl a motor?
Hali
Csak uresen akarod jaratni a motort?. Mert ugy biztos nem fog tulterhelodni.
Nem csak üresen... Terheléssel is. De nem teljesen értem! Azért kell jól méretezni hogy ne adjon több áramot mint kéne? Azaz a vezérlő korlátoz áramot is?
Ja, meg persze. Arrol beszelunk egy oraja, hogy hogyan kell meretezni a shunt ellenallast, es mire valo.
Na csa
Hi!
Van egy traxxas e-revo 1:16-os vxl autóm, szóval a szabályzó elfüstölt, és brushless motor hajtja, személy szerint ezeeket igy végig olvasva nézek, mint vak az újkapura, ezért inkább azt kérdezem, mivel szinte nem értek ebböl semit, piccek meg sünik jobra balra, egy kis pénzért ki az aki hajlandó lenne ezt megcsinálni nekem otthonában?, anyagköltséget+fáradozását állom, ha megtudok egyezni valakivel, aki ért hozzá és nem milliós összegben, akkor lehet belemnnék. Üdv: Br1aN
Üdv
Kívülről nem látszik rajta semmi? A hűtőbordát nem tudod lehúzni a FET-ekről? (levenni róla a hűtőbordát?) és csinálni róla pár fényképet? Lehet hogy csak a FET ment el benne. Ha az uC halt meg benne az igazából nem javítható, hacsak nem találsz egy ugyanilyen típust és megszerzed belőle a programot. Üdv.
Szia! Eddig azért nem foglalkoztam a dologgal mert készülés volt a vizsgára.. De ez elhárult
Így újra előveszem.. A panelt ma szeretném megcsinálni hozzá. Megtaláltam a motor eredeti vezérlőjét. Azon az Rs 0.1 Ohm. Ezt fogom alkalmazni ebben a vezérlőben is. Amit még nem tudok, hogy mi az értéke az R és a C nek. Annyit írtál róla hogy egy alul áteresztő szűrő. De mégis milyen nagyságban mozoghatnak az értékeik? Előre is köszönöm!
Hali
Probald meg 1k-10n parossal. Ebben a doksiban nem is hasznaljak.
Üdv!
Sajnos kicsit szemeteltem a "Léptetőmotor vezérlés" c. topicban, mielőtt megtudtam hogy a motorom nem step, hanem bldc. A meghajtandó motor egy IBM 07H5349 típusú szép hűtőventilátor motorja. Feliratai: Clifton Precision BOH-3565-3A-C VDC 340, RPM 3400 HP 0,31 A vezérlője IBM 31L7627, különösebb adatot nem találtam róla. A gyári meghajtását valószínűleg nem tudom felhasználni, a redundáns input csatijában 9 tű van beforrasztva, gondolom a táp mellett kap rendes vezérlést is (egy szervergépben volt hűtőventilátor, most elszívó szeretne lenni). A másik topicba sok hülyeséget írtam, aztán jobban utánanéztem a dolgoknak. Tudom, fordítva kellett volna 2 heti keresgélés, olvasgatás, guglizás és kolegákkal való konzultálás eredményeként összeszenvedtünk egy kapcsolást a meghajtására (szenvedés volt, nem értek ilyesmihez), és a véleményeteket, illetve tanácsotokat kérném a továbbiakhoz. 555 kör 1200 Hz-en járna, így kijön a fázisonként 200 Hz. A motor körülfordulása 24 lépés, azaz 4 teljes ciklus, így elméletileg 3000 1/min jön ki. G7N60C3D tip. igbt-t használnék, ez van az eredeti vezérlésben. illetve van még benne három IR2112S igbt meghajtó, és egy ml4411 jeladónélküli motor meghajtó, gyanítom, hogy ezeket is fel kellene használnom. A ww.zip-be tettem bele a képeket a gépről, illetve a fentebb írt ic-k adatlapjait, ne kelljen keresgetni már ha érdekel Titelek, illetve mellékelem az elképzelt új vezérlő vázlatát. |
Bejelentkezés
Hirdetés |








Valamint, ha még nem tudtam mivel meghajtani a motort, honnan tudom a terhelését?





