Fórum témák
» Több friss téma |
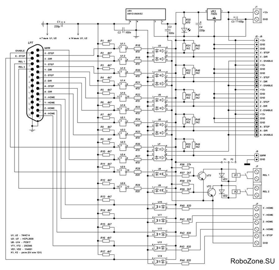
Én kb. 4 évvel ezelőtt építettem egy vezérlőkártyát és motormeghajtást, akkor kipróbáltam aztán pihentettem tegnap előttig
. Most összeraktam a mechanikával és tesztelgetem. Nekem P35-ös alaplapom van, egyenlőre jól működik. Ez alapján csináltam:
Sziasztok!
Nekem is épül egy lézeres cnc, Kit érdekel lesse meg, sajnos csak egy linket tudok mutatni mert ennyi képet nem tudok beilleszteni. Az én CNC-m
Ne görcsölj a logikai szinteken. Minden normális motor vezérlőben van schmitt trigger a bemeneten. ettől már 1.7V-os jelekkel is frankón logikai 1 -nek veszi a jelet a be vagy kimenet. és aszem 0.6V alatt 0 szintnek.
Nekem tökéletesen ment a cnc-m laptopról, P 4 gépről, P3 laptopról és Dual core gépról is. Mindben alaplapi LPT port volt. Többféle vezérlőm is volt. mindben volt schmitt trigger. Fog az menni ne aggódj.
Koszonom. Ez igy mar sokkal jobban hangzik. Ezer helyen riogatnak ezzel es en meg mar itt 3 oraja dugdozom az osszes gepet ossze vissza, hogy merjem a portok kimeneteit. Nem is ertettem, hogy miert nem ST-vel oldottak meg ezeket, es mar nyultam volna lassan az Eagle-hez, hogy csinalok egy panelt illeszteshez.
De most, hogy mondod mar siman osszerajhattam volna ennyi ido alatt a vezerlot meg a tapjat es akar ki is probalhattam volna. Probaltam nem kapkodva a tokeletessegre torekedni es ugy haladni, hogy tudjam mindent megtettem ahhoz, hogy a kovetkezo lepes mukodjon.
Megkérdezhetem milyen vezérlőd van? Csak, hogy tudjuk van-e benne schmitt trigger.
Köszönöm, igyekszem a legjobbat kihozni belőle.
Mekkora lézer lesz benne? Én is gondolkozok a lézer projekten.
Bár az első az orsócsere a gépemen, mert már megkopott kicsit. Aztán jöhetne egy 4W-os lézerecske. (Most még csak 1/8-as főorsóm van.)
Egyenlőre 2W-os kék próbálgatni, aztán bevadítok valami 50-100W-os lézerrel.
2W mennyiért? Vezérlővel együtt?
A Janimesterrel karácsony óta hegyezünk kapcsi tápot a kocsijába. Ő mondta, hogy lézeren gondolkozol te is.
Igen a Jancsi falubeli, a 2W-os kékség kb 30000ft ha otthon csinálod, vezérlő nem kell a Mach3 vezérli LPT-n keresztül.
Nem lehetne vezérelni PWM-el? Már mint az LPT-n keresztül. Csak azért, hogy irány váltáskor mikor már lassul a tengely akkor több lézer éri a felületet. Ilyenkor gyengíteni kéne a lézert nem? Hogy szokták ezt megoldani?
SMS-303 a cncplus-de oldalon elerheto par adat rola. Feljebb linkeltem csak eppen mobilrol vagyok. Az intel alaplap amugy szinten 3.3V-os de azon van sima PCI es beleraktam egy lpt kartyat. Ez mar csodalatos 5V-ot ad amit szkopon nezve Mach3-al vezerelve latok is szepen.
Megnéztem a vezérlődet. Sajnos nem ismerem. A leírásában nem szerepel az illesztésről semmi.
Próba szerencse.
Itt egeszen dicserik nemetorszagban. Apropo, a Triple Beast vezerlot ismeri valaki? Jo draga a listaara de errol viszont csak jokat hallottam. Sebesseget is dicseri mindenki es raadasul sokkal kecsesebb is.
Én a zsír új CNC-hez egy ősrégi IBM alapgépet használok. Ha tehetném, akkor se adnám oda egy csúcskategóriás mai gépért. Áh, kizárt. Ez az ősrégi konfig, ez leveri hatvanhatszor akármelyik új kínai szemetet.
Ha jól tudom ebben az esetben visszaveszi a teljesítményt a Mach3
Na igen, de 0 és 1 szint van. Nem? Ezt jó lenne finomítani. Vagy pwm-el veszi vissza?
Sziasztok! Egy hangyányit megint előrébb tudtam lépni. A segéd rudazatok azok majd a hegesztések után lekerülnek, helyükre mennek a csapágyházak és a motor, meg persze a golyósorsó.
Üdv mindenkinek volna egy két kérdésem, és a véleményetek érdekelne.
Szeretnék építeni egy gravírozó gépet nyák készítéshez, mivel én még ilyen nem készítette de szeretnék. Elkezdtem megtervezni, úgy döntöttem 8 és 10mm-es plexit-böl késziteném, a munka felület max írólap méretű lenne jó e hozzá ez az anyag és elég a 8-as lineáris tengely és nema 17 motorokkal. A hozzászólás módosítva: Jan 21, 2015
Plexiből? Hát szerintem halott ötlet. Az nagyon rugalmas. Sokan azt hiszik, hogy nyák gravírozáshoz nem kell komoly mechanika. Ha valaki nem olyan nyákot akar csinálni mint amit filctollal is meg lehetne rajzolni, akkor igenis baromi merev mechanika kell, egyébként használhatatlan lesz az egész.
Ezek a plexik LCD monitorbol lettek bontva egy 10mm vastag és 350mm X280mm méretű példányt nem igazán tudtam meghajlitani, talán egy fél mm-ert
A hozzászólás módosítva: Jan 21, 2015
Hát én még ilyet nem láttam, de egy ekkora méretű 18 mm vastag bútorlapot sem tudod meghajlítani, mégsem lehet belőle cnc-t építeni (többen is próbálták már).
De véleményt kértél és kaptál...A legtöbb kezdő abba a hibába esik, hogy megszületik a fejébe egy elképzelés, megkérdi itt, hogy jó lesz-e, mindenki azt mondja, hogy nem lesz jó, aztán a végén megsértve érzi magát, mert tulajdonképpen nem is véleményre, tapasztalatra volt kíváncsi, hanem megerősítést szeretett volna, de azt meg nem kapott. Persze nem azt mondom, hogy te is ebbe a csoportba tartozol, de ilyen is van.
Nem sértődtem meg, és köszönön a tanácsot.
![]()
A géped minden része legyen erősebb mint amit megszeretnél munkálni, az legyen csak 1 mm vastag anyag.
Értem akkor marad az alu 15-20mm vastagságú.
Ha A4 méretben gondolkodsz, akkor nem kell 15mm alunál vastagabb, de nem is lesz vele gondod. A 10 mm es is jó lesz neked. Legalább valami egyben tartja a többi alkatrészt.
A hozzászólás módosítva: Jan 21, 2015
Csak egy fél A4 méretü kell ez nekem bőven elég.
A hozzászólás módosítva: Jan 21, 2015
Azt csak hiszed.
![]() Kell a minimum A4. Vagy igazi célgépet kell készítened, például érme, medál stb megmunkálására, oda valóban elég egy kisebb munkaterület is.
Max 100 X100 mm-es nyáklapokhoz kell.
A hozzászólás módosítva: Jan 21, 2015
|
Bejelentkezés
Hirdetés |




. Most összeraktam a mechanikával és tesztelgetem. Nekem P35-ös alaplapom van, egyenlőre jól működik. Ez alapján csináltam: 
De most, hogy mondod mar siman osszerajhattam volna ennyi ido alatt a vezerlot meg a tapjat es akar ki is probalhattam volna. 



