Fórum témák

» Több friss téma
Fórum » Csöves erősítő készítése
 
Témaindító: seedz, idő: Márc 31, 2006
Témakörök:
Ne feledd betartani a fórum viselkedési szabályait, és a topik megmaradásának feltételeit. [link]
A téma átmenetileg fagyasztva lett, hozzászólni nem tudsz!
Lapozás: OK   1866 / 2208
(#) bta válasza mofesa hozzászólására (») Júl 6, 2016
10 év alatt legalább 20x módosított háromdobozos végfok belvilágával nincs mit büszkélkedni, nem éppen példaértékű darab. Fikáznám is keményen, ha meglátnám itt
És nagyon nem ez a lényeg.. megtanultam, hogy aminek a vártnál sokkal jobbra állt össze a hangja, azt nem szabad szétszedni és újjáépíteni.

2017 tavaszig be van tervezve egy kétkompresszoros hűtőgép vezérlése Arduinóval, azt majd megmutatom
(#) gcsabee válasza Ronen hozzászólására (») Júl 6, 2016
Töltsd le a Magyari Béla: Rádiótechnikai Zsebkönyvet Innen , a könyvek mappában találod. Az első kettő fejezetben nagyon sok hasznos információt fogsz találni.
(#) mofesa válasza bta hozzászólására (») Júl 6, 2016
Csak ne ess abba a hibába, hogy a sok módosítás alatt elfogyjon az életed (páran jártak már így), feltéve, hogy már késznek tekinted. Ha van lehetőség rá, én azért sok mindent kipróbálnék.

Idézet:
„2017 tavaszig be van tervezve egy kétkompresszoros hűtőgép vezérlése Arduinóval, azt majd megmutatom”


...és ennek milyen hangja lesz? Bocsánat, várjuk a fejleményeket.
(#) bta válasza bta hozzászólására (») Júl 6, 2016
Idézet:
„feltekersz <strike>21</strike> menetet, a vonalzóval mért tekercshosszt pedig elosztod <strike>hússzal</strike>”


Bocs, 20 menetes tekercs hosszát kell osztani 21-gyel, úgy jön ki ~ a szigetelés nélküli vezetékátmérő. Átmérőből keresztmetszetet remélhetőleg tudsz számolni..
(#) bta válasza mofesa hozzászólására (») Júl 6, 2016
Idézet:
„és ennek milyen hangja lesz?”

zzzzzzzzzzzzzzzzzzzzzzzzzzzzzzzzzzzzzzzzzzzz
.......................................................................................................................
(#) bta válasza crapgame hozzászólására (») Júl 7, 2016
Mondjuk azt megnézném, honnét guberál Grade 3 szigetelésű trafóhuzalt
(#) csavarkulcs hozzászólása Júl 7, 2016
Szerinteetek miért szebb a hangja az elektroncsövesnek mint a tranzisztoros erőlködőnek?
Szerintem azért mert a tranyós tüskeszerűen adja ki a hangokat, míg az elektroncsöves a nagy rétegkapacitása miatt, nem annyira fület zavaró jelet kapunk.
Magyarán: az elektroncsöves a fülünknek szépen torzít.
összehasznlító videjó
(#) granpa válasza csavarkulcs hozzászólására (») Júl 7, 2016
Kissé összeszedettebben, ha lehet. "bta"-nak igaza van, nem lézeng minden boltban ilyen drót! Nyomjál rá még egyszer légy szíves.
(#) Kingston hozzászólása Júl 8, 2016
Itt van pár könyv az elektroncsöves technikáról:
http://www.tubebooks.org/technical_books_online.htm
(#) Kingston hozzászólása Júl 8, 2016
itt meg pár régi rádióamatőr könyv a csöves kordból, érdemes elolvasni őket!
Bővebben: Link
Itt egy témába vágó könyv:
Hangfrekvenciás és Kimenő transzformátorok
(#) jani1987 hozzászólása Júl 9, 2016
A diódának értem a működését de a csöves egyenirányítónak nem. Mennyit kell az EZ80-ra ráküldeni, hogy a végén 250 legyen?

EZ80.pdf
    
(#) Kingston hozzászólása Júl 9, 2016
Sokkal könnyebb egy ilyen terhelési diagramból kiszerkeszteni. A kimenő feszültség függ a primer huzal ellenállástól, a szekunder huzal ellenállástól, a terhelő áramtól és a szekunder feszültségtől.
Ha 2x 250V a szekunder feszültség, a terhelő áram 90mA, és Rt=2x 200R, akkor lesz a kimeneten 250V egyen feszültség. Csöves egyenirányításnál meg van adva a maximális terhelő kapacitás értéke, ebben az esetben 50uF, ezt nem szabad túllépni, mert a töltőáram több lesz, mint amit a cső bír. Utána az RC szűrésnél lehet nagyobb kondikat betenni, csak az 1. számít.
Ha csak pld. 10mA kell, akkor legegyszerűbb a szekunder feszültséget csökkenteni.

80.jpg
    
(#) pucuka válasza Kingston hozzászólására (») Júl 9, 2016
Idézet:
„A kimenő feszültség függ a primer huzal ellenállástól, a szekunder huzal ellenállástól, a terhelő áramtól és a szekunder feszültségtől.”

Ha csak az ohmos ellenállásoktól függene, a görbesereg egyenesekből állna. Az egyenirányító cső belső ellenállása viszonylag nagy, és függ a terhelő áramtól is, ezért az egyenesek valójában görbék.
Abban igazad van, hogy az aktuális feszültség viszonyokat a görbesereg figyelembevételével kell megszerkeszteni.

jani1987:
A félvezetős, és a csöves egyenirányító működése között nem sok különbség van, alapvetően a belső ellenállás nagysága, (az egyenirányító cső belső ellenállása sokkal nagyobb) ill egy apróság a félvezető egyenirányítónak a küszöbfeszültsége sokkal nagyobb mint a csőé.
A hozzászólás módosítva: Júl 9, 2016
(#) rockersrac hozzászólása Júl 12, 2016
Sziasztok! A str280/40 csövet miben használták? Minek a tápegységében volt?
(#) Ronen hozzászólása Júl 12, 2016
Megvagyok Mostmár a búgás teljesen megszünt! Épp most is használatban a PCL86 csöves sztereó erősítő egy kérdés.: Az EL84 helyettesíthető PCL84-el? (tudom, a fűtése más volttal történik. De szon kívül különbözik-e valamibe a két cső egymástól?)
(#) (Felhasználó 116638) válasza Ronen hozzászólására (») Júl 12, 2016
Hasonlítsd össze az adatlapokat,és látható a különbség.
(#) mofesa válasza Ronen hozzászólására (») Júl 12, 2016
Más munkapont, illesztés, lábkiosztás. A PCL84 trióda-pentóda, semmilyen szempontból nem jó helyette. 6P14P -t rakhatsz a helyére, vagy egyes kapcsolásoknál, kisebb módosításokkal 6P1P -t.
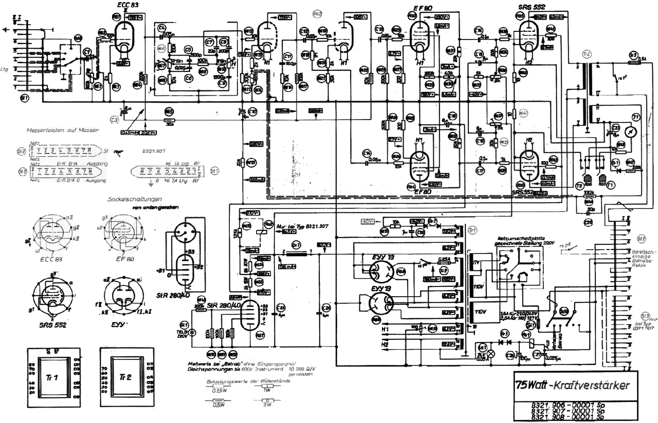
(#) Peter_S válasza rockersrac hozzászólására (») Júl 13, 2016
Pl. ebben:

V75.gif
    
(#) mc-4 hozzászólása Júl 14, 2016
Sziasztok!
Édesapám kincses kamrájában találtam egy BRG M5A szalagos magnót. Sajnos mechanikailag nem működik, viszont az erősítő része jó.Csövezése: EF86, ECC85, EL84, EM80-as valakinek van kapcsolási rajza hozzá?
Köszi!
(#) tomi52 válasza mc-4 hozzászólására (») Júl 14, 2016
Itt megtalálod.
(#) mc-4 válasza tomi52 hozzászólására (») Júl 14, 2016
Köszi!
Közben én is megtaláltam.Bővebben: megtaláltam.
A hozzászólás módosítva: Júl 14, 2016
(#) rockersrac válasza Peter_S hozzászólására (») Júl 14, 2016
Köszi! Ez pontosan mi is? Azt látom hogy erősítő, csak hogy miféle meg hogyféle, azt nem látom(pontosabban látom, csak fogalmam sincs, ugyanis kb egy kukkot nem értek németül. T_T )
(#) granpa válasza rockersrac hozzászólására (») Júl 14, 2016
Nem kell ehhez "Űbercíherül" tudni: A lényeg, hogy ezen cső többféle stabil feszültséget is tud biztosítani.
A hozzászólás módosítva: Júl 14, 2016
(#) Hetope válasza rockersrac hozzászólására (») Júl 14, 2016
Úgy kell elképzelned azt a csövet mint egy zenner dióda.
(#) rockersrac válasza Hetope hozzászólására (») Júl 14, 2016
Azt tudom hogy miképp működnek a gáztöltésű stabilizátor csövek, csak konkrétan nem tudtam kibogarászni azt hogy ami linkelve lett kép, miféle erősítőben volt használatos.
(#) Peter_S válasza rockersrac hozzászólására (») Júl 14, 2016
Ez egy 75W-os erősítő SRS552 (~ГУ-50) véggel, az StR280/40 itt a végcsövek segédrácsfeszültségét fogja meg, valamint további szűrés után eről a csőröl megy az előfok tápellátása is.
Négy darab 70V-os stabcsövet kapsz egy búrában, bár a linkelt kapcsolásban nincsen a stabilizátor minden lehetősége kiaknázva.

STV280-40.pdf
    
(#) rockersrac válasza Peter_S hozzászólására (») Júl 14, 2016
Ezeknek a csöveknek milyen a színe? Tudom hogy a vr150 lilás, a 75 narancssárga, de ezzel a ,,jószággal" még nem találkoztam.
(#) Peter_S válasza rockersrac hozzászólására (») Júl 16, 2016
Én sem láttam műlödés közben, narancsra tippelnék a feszültsége miatt.
Szép nagydarab cső, a börzén is volt.
(#) Abukodonozo hozzászólása Júl 16, 2016
Szervusztok!

Valaki egy fórumon árul egy érdekes szerzetet amin megakadt a szemem. Elmondása szerint egy single ended erősítő 6A6C orosz csövekkel építve. Ezzel a névvel keresve sajnos semmit nem találok a csövekről. Mellékelek egy képet, van valaki aki esetleg meg tudná mondani hogy milyen csövek ezek?

ezmiez.jpg
    
Következő: »»   1866 / 2208
Bejelentkezés

Belépés

Hirdetés
XDT.hu
Az oldalon sütiket használunk a helyes működéshez. Bővebb információt az adatvédelmi szabályzatban olvashatsz. Megértettem