Fórum témák
» Több friss téma |
Fórum » Csöves erősítő készítése
Ne feledd betartani a fórum viselkedési szabályait, és a topik megmaradásának feltételeit. [link]
A téma átmenetileg fagyasztva lett, hozzászólni nem tudsz!
Az attól függ, milyen frekvenciára, és milyen teljesítmény mellett.
Számolj, részlet a Magyari-könyvből.
Egyébként csak viszonyításképpen:
Az EBL21 PP deszkamodellem ami papíron 13W, az Indel TGL20/002 kimenővel gyengén muzsikál (7,8 cm^2), az M102/35-ös vassal összehasonlíthatatlanul jobban (12cm^2). Nem voltam rest előszedni a Jupiter hanggenerátor EL84 PP(?) véggel hajtott kimenőtrafóját, ez a kevés fellelhető infó szerint 8w 20Hz-200kHz, M102 vas 68mm pakettvastagsággal (23cm^2). Idézet: Azért van ennyire (M102) túlméretezve, hogy műszerhez méltóan alacsony maradjon a torzítás 20Hz/8W-nál is. „a kevés fellelhető infó szerint 8w 20Hz-200kHz, M102 vas 68mm pakettvastagsággal (23cm^2 ”
Sziasztok!
Szeretném a lent látható kapcsolási rajzon látható tápot úgy átalakítani, hogy a végfokcsövek (Vbb1) és a fázisfordító anódjának irányába (Vbb2) 350V, az előfokcsövek anódjára (Vbb1) pedig 330V-ot tudjak küldeni. Hogyan érdemes az RC szűrőket variálni, hogy úgy alakuljanak az értékek, ahogyan írtam és a végfok munkapontjának beállítása is megmaradjon? A hálótrafó szekunder oldalán 260 és 6.3VAC van. Nem pontosan ezt az erősítőt szeretném összerakni, ennek csak a végfok (mínusz fázisfordító)/táp részét venném alapul. Az előtte lévő rész egy Fender Bassman-szerű (3 ECC83-ra épülő) kapcsolás. Köszi előre is!
Szép napot!A mellékelt kapcsolási rajzról szeretném megtudni ,hogy a ferde,és egyenes vonallal jelzett ellenállások hány wattosak? Továbbá miért "B" azaz log.potméterek kellenek a hangszínszabályzóba? Köszönöm!
Szia! Itt megtalálod a régi jelölések magyarázatát.
Nagyon köszi!!
Az egy vonallal jelölt ellenállást elírták, nem 10, hanem 1 Wattos.
Tamás! A hangszínszabályzó kivitele miatt kell sztem log. poti. Ha visszacsatolt hangszín lenne, akkor inkább lin. potik lennének. A hozzászólás módosítva: Szept 13, 2016
Természetesen a leírásban el van rontva. Az 1 vonalas 1W-os.
Köszönet a segítségetekért!!Valóban a piktogramok logikáját követve úgy lesz!
A hozzászólás módosítva: Szept 13, 2016
Tisztelt Fótumtársak!
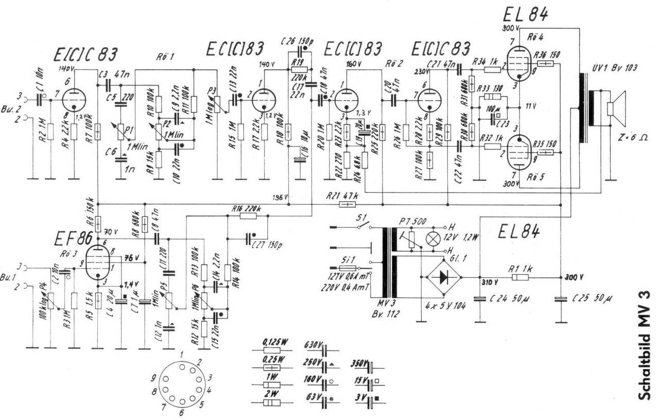
Hosszú betegeskedés, műtétek után (hasnyálmirigy daganat), most jutottam odáig, hogy folytassam, a már lassan egy éve elkezdett MV3 erősítő átépítését. A két trafó kivételével mindent szeretnék kicserélni. A NYÁK lemezt újra rajzoltam az eredeti alapján, mert az sajnos nagyon rossz állapotban volt. Vezető sávok felválva, össze barmolva, stb. Ismét közlöm az eddigi "barkácsolásomat", ne kelljen vissza lapoznotok, és továbbra is várom segítségeteket, véleményeiteket. Szeretnék ebbe a kapcsolásba beépíteni egy EM80-as kivezérlésjelzőt. (Ha már retro...) A kivezérlés panelt a napokban kimarattam, és az itthon fellelhető alkatrészeket bepakoltam. (A többi alkatrészt még be kell szereznem.) Szeretném kérni segítsetek hogyan tudnám az erősítőhöz csatlakoztatni, hogyan lehet bekötni a legegyszerűbben. Szeretném a kis erősítőt ellátni egy standby kapcsolóval, és egy GAIN lehetőséggel de ezt sem tudom hogyan lehetne megoldani. Át lesz építve egy másik dobozba, a régit már nem akarom felhasználni. Tudom nem igazán érdemes ennyit rááldozni, de nekem a szívemhez nőtt, ezért szeretném befejezni. Igaz csöves erősítőt még soha nem készítettem, ezt javaslataitoknál vegyétek figyelembe! Gyakorlatilag teljesen amatőrként, tudatlanként beszéljetek velem! Ez az egyetlen szórakozásom. Ami keveset tudok azt a Ti segítségetekkel tanulgattam. "BTA" kolléga javasolt diódákat (1200V-os IXYS DSEI) sehol nem tudom beszerezni ezért a mellékelt képen lévő greacz valamelyikét szeretném felhasználni. Melyik legyen szerintetek? Mellékelem a panel tervről, meglévő alkatrészekről, a képeket. Előre is köszönöm önzetlen segítségeiteket! Üdvözlettel: csibai
Az előző hozzászóláshoz még képek.
Üdvözlettel: csibai
A mellékelt panelterveden négy diódának van hely. Ha graetzet teszel be akkor át kell alakítani. Szerintem egyszerűbb lenne sima 1N-es diódát használni, a célnak az is megfelelne.
Köszi az észrevételt, az a része még nem végleges!
Üdv: csibai
Uhh, én ígértem neked EM80-at.
Megtaláltam, bakelit foglalattal. Kérem priviben a címed a postához. Használd egészséggel! Üdv: Orbánjózsi
Sziasztok! 6P14P Csövek beszerzésében tudna valaki segíteni? Jó lenne párokban összehozni őket.
Nehezen.. és használtan is drága. Ellenben "új" ,azaz 40, 50 éve dobozukból ki nem vett 6P1P-k elég olcsón kaphatóak pár száz FT/ db áron. Kompromisszumos megoldás lehet.
Egy időben a vatyin elég sok volt belőle, 1500Ft-ért adták darabját, bemérve, párba, kvadba válogatva. Mostanában meg alig bukkan fel. Be kell spájzolni már ebből is...
Sajnos a spájzolás a legjobb megodás.... Én is így tettem... Amikor rábukkanok, mindig megvesze kmindenből, mert ki tudja...
Kínai csövekkel mi a helyzet? Nagyon vacakok?
A külföldi és hazai aukciós portálokon mindig szokott lenni, utóbbiakon egyre kevésbé.
Aztán lehet új EL84-et is kapni Bővebben: Link Esetleg szerényebb alternatívaként szóba jöhet a 6AQ5 (7 lábú miniatűr) vagy a tesója a 6П1П (novál). Ezek gyakran előfurdulnak börzén és a neten is. Aztán van még a 6П6С ruszki cső oktál foglalattal, és a 6П15П (ezzel nincsen tapasztalatom, de bezsákoltam párat. Ug2=150-170V környékén jónak néz ki papíron). Ezek is olcsón fel szoktak bukkanni börzén. A hozzászólás módosítva: Szept 16, 2016
Atya ég!! ezeknek nagyon elszált az áruk!! Valami ruszkiba kell gondolkodnom.
A börzén normális áron veszel néhányat, párba válogatod, és örvendesz, hogy olcsón megúsztad.
Erre vidéken nagyon gyenge börzék vannak.Sajnos már bazár jellegűek. Talán majd egy Puskás Börze...... De az logisztikailag nem egyszerű (120Km)
Nem mondanám, hogy nagyon gyenge volt pl. a szarvasi börze a minap (bár szervezés csapnivaló volt). A csongrádin is voltunk; gyenge volt, de ott is lehetett "mazsolázni". A Nosztalgiára érdemes készülni, akkor nagy a felhozatal (nov. 19. a'sszem).
Többnyire úgysem a cső fáj, hanem a trafók...
Igen, a nosztalgia börzék nagyon jók, a többin félház sincs
valakinek tapasztalata hifi erősítő építéséhez EL-83 és 803S ? ilyeneket betudnék szerezni újakat 1000 Ft/db áron, tesla dobozos kivitel. De ha sok értelme nincsen, akkor nem ruháznék be rájuk.
A hozzászólás módosítva: Szept 16, 2016
Annyi orosz cuccod van, nem akad közöttük cső?
|
Bejelentkezés
Hirdetés |





















