Fórum témák
» Több friss téma |
Fórum » Csöves erősítő készítése
Ne feledd betartani a fórum viselkedési szabályait, és a topik megmaradásának feltételeit. [link]
A téma átmenetileg fagyasztva lett, hozzászólni nem tudsz!
Én is úgy tudom, hogy a fellülillesztést csak a triódák hálálják meg az alacsonyabb torzítással, amiért persze fizetnünk kell a kisebb kivehető teljesítménnyel...
Sziasztok!
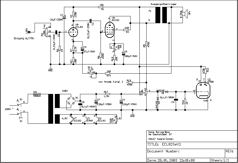
Érdeklődnék , a visszacsatolást árnyékolt vezetékkel kell kötni ? Most készítem első erősítőmet Még csak a levegőben él , talán megjönnek a csövek hozzá a héten .Sajnos EL84 párban nincs itthon .
Ha nem praktikus a konstrukcio, emiatt a viszacsatoló drótod sokat tekereg a saszéban , akkor megszórhatja az előfokot. Ebben az esetben pozitiv visszacsatolás kialakulhat aminek az eredménye gerjedés is lehet.
Normál körülmények között nem kell árnyékolt
Szia!
Köszönöm a gyors választ, gondolom , nem párba válogatott csövekkel nem érdemes elindítani .
Kedves moderátor, kérlek olvass vissza. Párba válogatott csövekről van szó, azt a börzén keresve sem találsz...
A visszacsatolás valóban a kimenetről indul, de nagy jelszinttel, aminek egy része kerül a bemenetre egy ellenálláson keresztül. Elég rossz konstrukció az amire itt ráül a zaj. Bár ahogyan olvasom a fórumon, Te amúgy is szereted ha búg a csöves
Kicsit félve reagálok ...
Én csináltam vcs-t árnyékolt vezetékkel, meg egyszerű "mezei" doróttal is .. lényeges különbséget nem tapasztaltam .... Ha megfelelő a kostrukció, akkor megfelelő helyen vezetve nem igen szed össze zajt, és ahogy íriod is elég nagyszintű jel megy rajta, általában katódra vezetik, ahol szintén viszonylag nagy jelfeszültségek vannak jelen, magát a v.cs ellenállást ( esetleg a v.cs komplexumot ) meg közvetlenül a "becsatolás" környezetében kell elhelyezni, és akkor valóban lehet a nagyjelű ( hangszóróról ) visszavezetett jelet egyszerű vezetéken "vinni" ...
A 6L6G illesztése 400 V környékén különböző G2 feszültségeknél 3500, és 6000 Ohm között van, így inkább alulillezstésről lehet szó,
A TK782/A vaskeresztmetszete 16 cm2, ebből gond nem hiszem, hogy lehet, a primert 0,2 mm-es CuZ-ből tekerték ez még bírja a 35 W-ot ( 45 w-os Fender kimenőt is 0,2 ből tekerték a Bandmasterhez, két db 6L6GC-hez ) Hangsúlyozom ! Egy ismerősöm készítette 6P3Sz-szel, TK782-vel végfokokat 35 W-ra 8 ohmmal, csak azt tudom, amit Ő mondott... elég nagy neve van a szakmában, nem hiszem, hogy kamuzik ( egyébként sem szokott, ismerem )
Na ezzel az árnyékoltal vezetni vcs-ét ? Félre értések vannak:
Nem a drót szedi össze a zajt, mert ahogy itt irják _helyesen_ a katódra vezetik általában. Ez kis impedencás pont, tehát nem érzékeny különösképpen a megszorásra. Ebből fakadóan visszont áram folyik rajta tehát sugároz. Na emiatt kelhet esetlegesen árnyékolni, hogy ne szórja meg a bemenetet
Igen , ezt akartam is írni, de gondoltam mégsem, hátha belekötnek, viszont ez megfelelő konstrukcióval elkerülhető, ha a v.cs vezetéke nem megy kisjelű fokozatok közelében, vagy olyan áramköri rész mellett, amit megszórhat, akkor ebből nincs gond.. ellenkező esetben viszont nem kívánatos gerjedések ( induktív úton létrejövő pozitív visszacsatolás ) léphetnek fel ...
Én sem használok árnyékolt kábelt a visszacsatoláshoz , szerintem nem is kell .
Még a bemeneti RCA csatikhoz is sima kábelt használok az esetek többségében . Jól megválasztott elrendezéssel legtöbb esetben megúszható az árnyékolt kábel használata .
Kis segítséget szeretnék kérni , összeraktam és van egy nagyon pici halk búgása
igaz még csak az asztalon él , dobozolás hiánya vagy pedig valami gikszer van a kapcsolásban ? Nagyon megköszönném a segítséget .
Janikám ! ez szép lett nagyon és ahogyan elnézem egy tenyérben el is fér .
A júliusi találkozóra el is hozhatod és ott meghallgassuk hogyan szól :Bővebben: Link
Köszönöm .
Ez volt a második erősítőm ami nem zárt dobozba , kirakott csövekkel készült , kb 4-5 éve .
Sziasztok!
Van 3db elektroncsövem, gondoltam kipróbálnék én is egy csöves erősítőt, még ha csak mono, akkor is. Az alábbi csövek vannak: -PCF201 -EBF89 -ECL82 Valami végtelenül egyszerű rajzra lenne szükségem, mert eddig csöves technikával még nem foglalkoztam. Azt sem tudom, hogy egyáltalán működnek-e még.
Jó mélyátvitelt írtam. Tudhat 35 W-ot, de hány hertzen?
Középsávban biztosan (gitár), de HIFI alkalmazáshoz már kicsi lehet.
Szia Jani,
Nem emlékszel mennyi volt a mélyátvitale a kis piccolodnak a -3dB-es ponton a 3,2ncm-es kimenővel, 50Hz? Csak kíváncsiságból kérdem, ne keress rá ha nem emlékszel, én sem tettem Ha addíg nem adod el, elhozhatnád a talira. Lesz másik piccolod ha túladsz rajta?
Igen 50Hz volt. Ha meglesz még akkor elviszem. Piccolo lehet, hogy lesz még egyszer. Most a pacsirta EL84 SE-hez van trafó készletem csöves egyenirányítással. Pacsirta hálózati meg két pacsirta kimenő. Van még egy EL84SE-hez 2db mono blokkoshoz 2db VT hálózati csöves egyennel és 2db SM65 kimenőnek (de a kimenőket meg kell tekerni). Harmadszor a PL82 PP. 2db 11-12cm2 es vas a kimenőknek és egy SU75A hiperszil a hálózatinak (ezeket is meg kell tekerni). Láthatod, hogy vannak terveim bőven.
Terv az van mindenkkinek bőven az tuti! Ezek közül nincs is olyan ami "Na ettől nincs az a pénz amiért megválnék" darab, mint nekem a PCL86 SE?
Gondolom az az 50Hz fülre kevesebbnek tünt vagyis többnek , szóval jobbnak nem?
Persze, fülre nem olyan mélyhiányos.
A következő most a pacsirta EL84 SE lesz, hogy legyen mit hallgani ha elviszik a piccolot. A 6P14P PP-t nem hallgatom nap mint nap, mert nem kell akkora teljesítmény. A stílusa a doboznak olyan lesz, mint a RIAA korrektoré. Felcsiszolt natúr alumínium sasszi, szegecselt foglalatok, két alumínium színű csavaros MM elkó, (hogy mejen a dobozhoz leszedem a kék köpenyt). Belül légszerelés csak régi retro magyar alkatrészekkel.
Kész lett végre a RIAA korrektor alja. Még lyukasztóval csinálok kicsi filc pogácsákat és azokat talpnak ráragasztom.
Nagyon csinos... és méginkább az lesz ha a találkozóra elhozod és kicseréljük azokat a csavarokat rozsdamentes belső imbuszosra vagy ha akarod süllyesztettre. Bocs hogy ráderőszakolom a véleményemet de majd meglátod hogy nem butaság :yes:
Rendben, nem vagyok semmi jónak elrontója.
Idézet: „Nagyon csinos... és méginkább az lesz ha a találkozóra elhozod és kicseréljük azokat a csavarokat rozsdamentes belső imbuszosra” Nekem nagyon jók lennének ilyen csavarok, már csak a csavarok hiányoznak a sztereó EL84 SE-mhez . Amilyet itt, Dombóváron kapni, elkezdtek rozsdásodni, pedig tavaly ősszel vettem
Kapsz te is a talin, végre nem olyan dologra van szükséged ami ritkaság és/vagy méregdrága (gondolok itt elsősorban az EM71-re)!
A talin bajos lesz kicserélni, mert addigra mindenképp el kéne készülnie a csövesemnek.
Idézet: „(gondolok itt elsősorban az EM71-re)!” Ezért meg elnézést kérek! |
Bejelentkezés
Hirdetés |


Még csak a levegőben él , talán megjönnek a csövek hozzá a héten .

igaz még csak az asztalon él , dobozolás hiánya vagy pedig valami gikszer van a kapcsolásban ? Nagyon megköszönném a segítséget .








