Fórum témák
» Több friss téma |
Fórum » Csöves erősítő készítése
Ne feledd betartani a fórum viselkedési szabályait, és a topik megmaradásának feltételeit. [link]
A téma átmenetileg fagyasztva lett, hozzászólni nem tudsz!
Általában az ehhez hasonló csövek típusszámából látszik, hogy hány részből állnak. Az első betű mindig a fűtés típusát jelöli.
Ha ezt két további betű követi (pl. ECC83), a cső két csőfelet tartalmaz, ha csak egy betű követi (pl. EF89), akkor csak egyet. Bővebben: Link
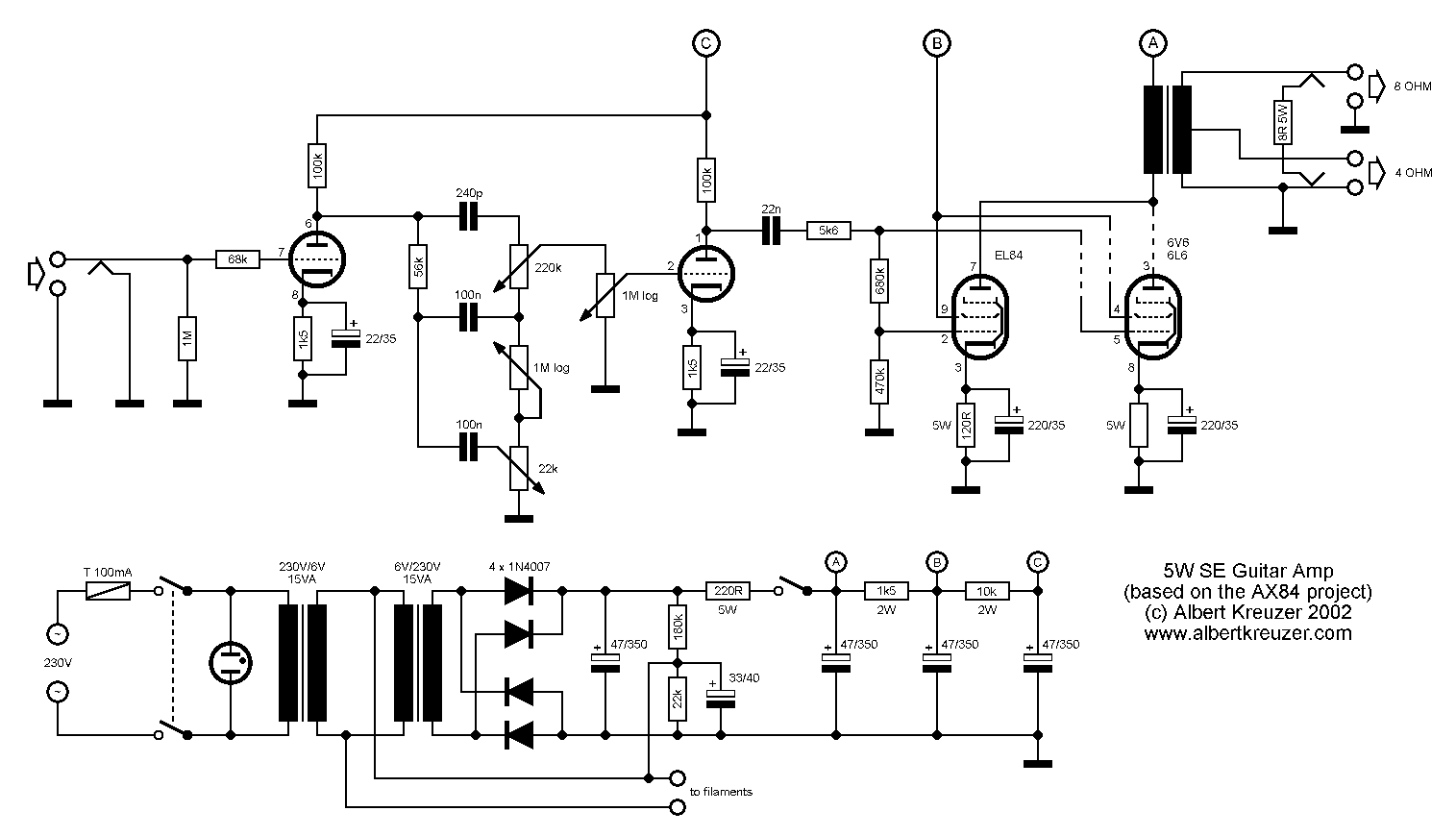
Tessék itt van neked a két 6 v-os trafok rajza egymással szemben, két csövel el84-ecc83. Itt egy fender rajz is,+ egy AX84 is.
Nekem eddig ez szólt a legjobban, és egyszerű is.
Az ARC VT-60, kicsit átalakítva. Tápegységnek sem kell az eredeti bonyolult, én sima graetz+siemens elkóról járattam. Viszont fontos az első cső egyenáramú fűtése, anélkül fél nap alatt sem tudtam egy kis maradék brummot eltüntetni, amit máig sem értek, mert viszonylag nagy jelszintű a bemenet. A 6P3SZ-E jóhangú, és lehet helyette bedugni próbaként bármelyik KTxx-et, sőt EL34-hez is jó a 4K illesztés. A sima 6P3SZ (6L6) viszont jobban szereti a nagyobb illesztő impedanciát. Mivel TK 782/a eredeti bekötéssel 8kohm/15ohm illesztésű, a 4kohm-ot 8 ohm-ra illeszti. De 360 V fölé már nem érdemes menni a tápfesszel, mert túlterhelheti.
Igazad van, fogalmam sincs mi köze a fűtés vezetékének a jelenségekhez, szerencsére észrevettem, hogy nem voltak összesodorva, mert az lett volna az utolsó amire gondoltam volna. Reggel szétszedtem megint, és ugyanazt csinálta.
Hajkeverő: Gitárhoz tervezték valószínűleg jó is lesz gitárhoz. Bemeneti ellenállását nem tudom pontosan, hülyeséget meg nem akarok mondani, de az tuti hogy jó nagy. ECC83 van az gitárerősítők nagy részében is. hgy: Eléggé valószínű, de nem tudom ellenőrizni szkóp nélkül. Olyankor búg a hangfal, meg torz a zene, a másik szobában bezavarja a tv-t.
Az "E" betüs tartós kicsit erősebb mint a sima 6P3sz, de ez jobban szól. csak nagyon sok köztüka selejtes. (fütésszivárgás, kornyadt karakterisztika,és nagy aszorásuk )
Egyértelmü, hogy gerjed.
A megszokott dolgokat kel végigprobálgatni l. vezrácsba 1-10kOhm, Katódba 1-10 Ohm. Ha szerencséd van megszünik
Nem biztos, hogy jobban szól a sima, csak mindenki rossz illesztéssel használta a 6P3SZ-E-t, mert az terjedt el róla (tévesen), hogy 5881, vagy ipari 6L6. Valójában semmi köze hozzájuk, alacsonyabb illesztés kell neki, leginkább egy gyöngített teljesítményű 6L6G-C-nek felel meg.
Én sem értettem, hogy a gyári 6L6 munkapontjában miért ad le csak félteljesítményt. Aztán kiszerkesztve és kipróbálva 6,6k helyett 3,5k-val illesztve már leadta az elvárt kakaót.
Biztos, hogy jobban szól, ha egézséges
Ha jobbfajta meghajtás van az EL 34-nél is, nyilván kisebb villany jön ki belőle Ezt már Mesa Boogitól kezdve az EA 057-ig számtalanszor kiprobáltam, kiprobáltuk
Egy kérdésem lenne a linkelt kapcsolási rajzokkal, a hangszóró elé miért van mindig transzformátor rajzolva? Tudom, hogy nem szabad bekapcsolni terhelés nélkül de a trafó mire kell?
Hali! mindenkinek!
Meg csináltam azt a nagyon egyszerű PL504 erősítőt aminek fen van a kapcs rajza. Hát elég szépen szól bár én csak 20v dc adtam neki. A kemény 2W-tal falakat lehet dönteni
Kapcsolási rajzot feltennéd?
Csőves végfok 20 V táppal, tranzisztoros meg 2x40-el. Nesze neked, hová jutott a világ...
Fűtésnek is 20V-ot kapott?
Üdv!
Sziasztok.Mivel a végét járom a dobozolásnak lassan jöhet a beszerelés,érdekelne eggy pár dolog.Bontottam több orosz csöves katonai adó vevőt és itt a huzalok mind többszálasak érdekelne,hogy alkalmazhatom-e őket az erősitőmbe vagy inkább a régi rádióból kibányászott huzalokat használjam?Tud valaki valamit ezekről a tápszürő trafókról?Elegendők-e fojtónak? A méretei 2 cm2 a cséve magassága 1.5 cm 0.31 mm huzallal tekerve.
Akkor összedobom én is.
Elég jól szól, bár most 24V-ról megy, mert ennyit tud a labortáp. Képkimenőt 1:1-ben bekötöttem, jó hangja van vele. Bár nem falat kell bontani vele, de PC-ről vezérelve nem torzít, pedig tolom neki, amit a WMP és a hangkártya tud.
Megkapta a RIAA korrektor a végleges belsőt. A katódhidegítő kondik is be vannak építve. Jó kis retro alkatrészekből épült fel.
Szuper lett !
Így már elegendő az erősítése és a hangja ...?
Igen, elegendő az erősítése és a hangja is szuper. A táp marad a jelenlegi nem stabilizált csak be kell azt is dobozolni. Anódfesz 3 lépcsős R-C szűrés. Fűtőfesz egyenirányítva 20000µF puffer.
PL82PP-vel kapcsolatban kérdezném, hogy 2x hány voltra tekerjem a hálózati trafó szekunderét? 220V-ot szeretnék egyenben nyugalmi árammal terhelten. Egyenirányítás 2db PY82 vel kétutasan lenne.
Köszi szépen. A kimenő számítással majd zaklathatlak?
Köszi Zolikám! Még csinálok neki perforált lemez fenéklapot.
Ha lehet olyan vezetékkel huzalozz, aminek a szigetelése min.400-600V-os.
Erre a célra tudom ajánlani a PTFE (teflon) szigetelésű , ezüstözött vezetékeket. Ruszki katonai cuccokban is sűrűn előfordul, de vásárolni is lehet. Fűtéshez ha lehet tömör erű vezetéket használj, minél nagyobb érátmérőjűt.(Nem árt ha a vezetékek ösze vannak sodorva egymással.) A fojtóidat mérd meg induktivitásra, minél magasabb ez az érték annál jobb.(3-4H már nem rossz) A 0,31-es huzal már jónak számit.(80-100mA) pl: egy GU50SE-hez már használható.
Köszi a rajzot!
Szeretnék néhány dolgot kérdezni ezzel kapcsolatban: A TK-782A kimenőim szekunderét átkötöttem, most mind a 4 párhuzamosan van, és így az erősítő eredeti állapotában (EL84-el megy) 4 Ohmos. Ha megcsinálom az átalakítást mondjuk 6L6, vagy KT88 csővel, akkor milyen irányban fog változni a szekunder impedancia? 2 Ohmos lesz? Azt nem értem még, hogy a primer Raa 8kOhm. Ha kisebb impedanciájú csövet teszek a trafóhoz attól még az Raa 8k-s marad nem? Csak felül lesz illesztve a kisebb impedanciájú cső. Mondjuk ez nem baj, úgy tudom a hangnak jót tesz. Vagy a cső lesöntöli a trafó impedanciáját?
Nem fogja a cső lesöntölni, felül lesz illesztve, ha a kimenő 8KRaa-s, akkor 4K-ra 2ohmot fog illeszteni. Ha 4 ohmmal terheled, akkor kisebb lesz a kimenő teljesítmény, de a torzítás is kisebb lesz.
Az áttétel a lényeg ! Az marad mindig fix, és legegyszerűbben nézve a hangszóród impedanciáját traszformálja a feszültségáttétel négyzetével, így a végcsövek ezt az impedanciát "látják"
á=ngyök(Ra/Rt) ; Ra a cső optimális illesztőellenállása ( PP-nél ugye Raa), Rt a hangszóróimpedancia... Ha a trafó eredetileg 8kOhm/15 Ohm volt, akkor az áttétel 23. Ezt a trafót sokan használják 6L6-hoz, ami kisebb Raa-t "kér", így 23-as áttétellel, 8 Ohmos hangszóróval az Raa 8*23^2 = 4,26 kOhm lesz , ami már jó lehet a 6L6 párhoz Egy ismerősöm 35 W-ot "szedett ki" két 6P3Sz csőből Tk782 trafóval 8 ohmos terheléssel tehát az eredeti bekötéssel, az eredeti áttételt megtartva lehet felhasználni 6L6-féle csövekhez, 8 ohmos hangszóróval! 4 ohm os hansgzóróval az Raa 2 kOhm körüli
Azt kérdezném, hogy valamelyikőtök ismeri-e a 812A jelű triódát? (kapcsolás és hogy mennyit érhet egy ilyen cső) Köszi
Csak az áramokkal kell vigyázni, mert a tekercsek a fokozott igénybevételnél jobban melegszenek.
Valamint 35 W-hoz, jó mélyátvitelt feltételezve már nagyobb vasmagkeresztmetszet szükséges. Pentódánál, sugártetródánál a felülillesztés sem jó torzítás szempontjából. lásd alsó ábra. Sőt, pont a kellemetlen 3. harmonikus növekszik |
Bejelentkezés
Hirdetés |




l. vezrácsba 1-10kOhm, Katódba 1-10 Ohm. Ha szerencséd van megszünik




