Fórum témák
» Több friss téma |
Hali!
Szereztem egy Unitra KZ 145 deluxe típusúcsöves orsós magnetofont. Engem csak a csöves végfok része érdekelne azt szeretném működésre bírni. Négy cső van benne: 1 ECL86, 1ECC81, 1EF86, és még egy ami ami elmosódott és csak egy 83-at vetem ki rajta. Az lenne a gondom hogy nem nagyon tudom beüzemelni vagyis van bemenete arra kötöttem is műsorforrást de elég gyatrán szól (2 bemenet van rajta egy olyan,hogy radio és egy olyan ami fölé egy hármasés 2 ~-jel van írva) semmi hangereje nincs csak nagyon halk és amikor a felvételt bakapcsolom (akkor megy a varázsszem is az elején) akkor meg sem szólal. Tudna valaki segíteni hogy hogyan üzemeljem be?
Az a 83 ECC83-as szerintem!Próbáld végigkövetni hol veszik el a jel nem esetleg a bemenetválasztó kapcsoló van eloxidálódv!Vagy egyéb kontakthiba mert nem mai darab!
Az a gondd, hogy egyáltalán nem értek ezekhez a magnetofonokhoz nem tudom hogy kéne szólásra bírni. Csak próbálgattam mindent és egyszer csak megszólalt
(Azért nem csak próbálgattam, de ahogy logikus let volna hogy szóljon úgy nem szólt )
"de elég gyatrán szól "
Ezt írtam ami igaz is még ha 2-3 wattos tud csak akkor is hangosabban kéne szólnia meg van csövesem ugyanilyen csővel (EAG AE110) hát ahhoz nem lehet hasonlítani pedig a belsejük nem sokban külömbözik. Ja az összes cső felfűt. Az EF86 mintha izzana de nem biztos .
Átalakitás nélkül nem fogod tudni használni(erösitönek).Felvételre kapcsolva azért nem szól csak a varázsszem müködik mert nincs un "felvételi együtthalgatás"(csak fejhalgatón).Ebben az üzemmodban a végfokozat átkapcsolodik "törlö oszcillátornak".
És mit kellene rajta átalakítani?
Amúgy gitárerősítőnek szeretném használni.
Az EF86 fűtését sötétben nézd, mert az elég "gyenge".
Kellene csőfejbekötés és az ECL 86 vezrácsát nézd meg "kézzel", van-e erős brumm ( ha nincs hanggenerátorod), aztán mehetsz visszafelé a megelőző ECC rácsokra.
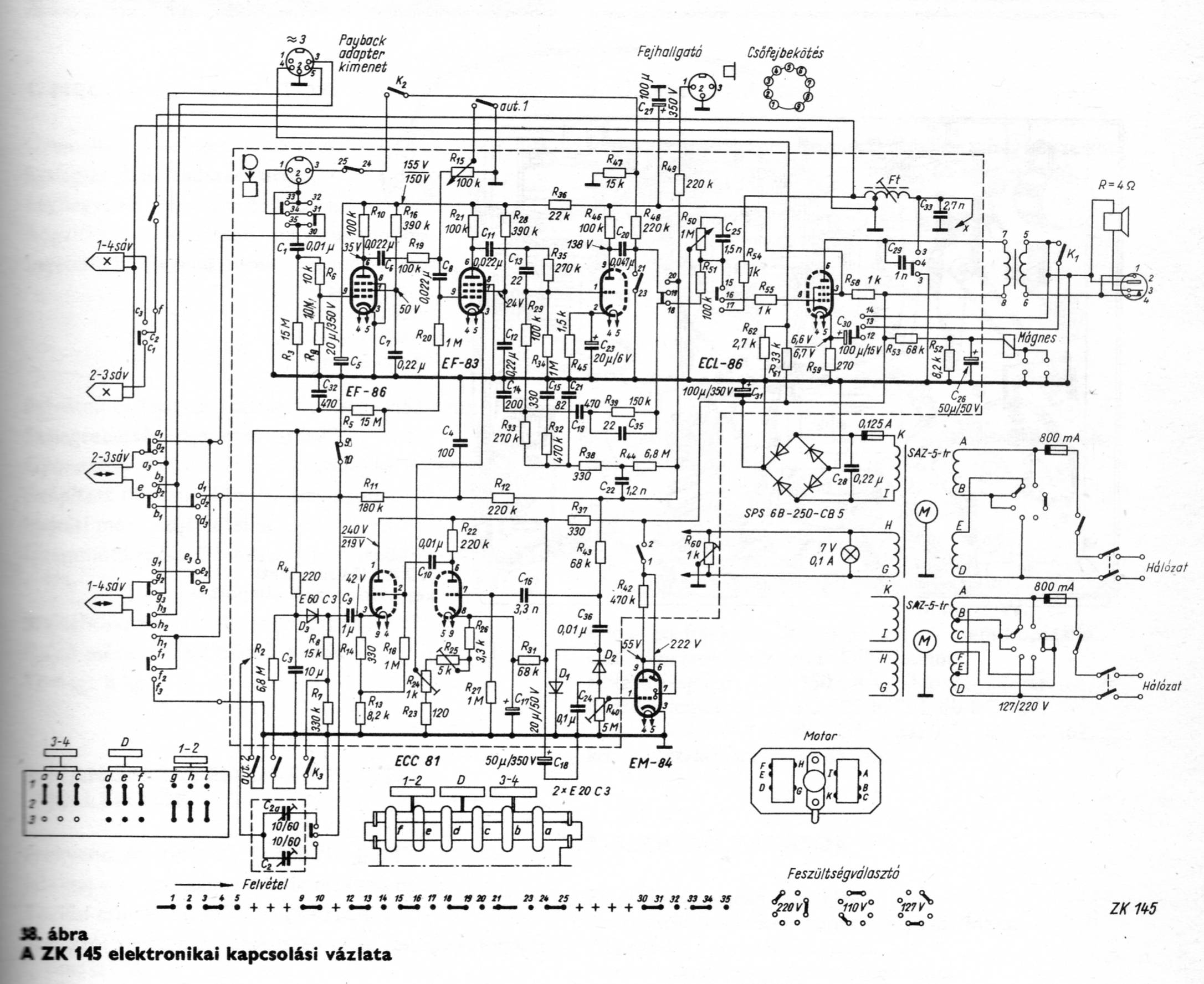
Itt a rajz, a két vezrácsot megjelöltem, itt próbálkozz.
Vigyázz, mert az anódok, stb. ráznak, hi...
A cső lábaihoz csak akkor férek hozzá ha az egészet szétszedem.
Nem nagyon merek amúgy olyan bátran közeledni felé levett fedlappal Az mit jelent, hogy "kézzel" ? Elmagyaráznád légyszives. Köszönöm a rajzot.
Hozzáérintesz egy szigetelt nyelű csavarhúzót vagy hasonló cuccot a trióda rácsához és figyelsz , van-e brumm... ha gyenge, akkor ujjheggyel is rányúlhatsz egy fémpálcával - ilyenkor már sokkal jobban megy.. meg ne ijedj, hi..
Természetesen azon legyen valami műagcső, nehogy máshoz is hozzáérjen.
Az átalakitás nem olyan egyszerü.Feltetem a kapcsolási rajzot segítégnek.
Ha van valami "sikerélmény", akkor deríts fel, merre megy a trióda vezérrácsa, melyik lesz a legközelebbi anód, amiről kap jelet, vagy az már mehet a nagyszintű rádiómenetről is. Próba...
Akkor még azt szeretném megkérdezni,hogy: Rákötöm akkor a rádió bemenetre a jelet a forgókapcsolót playre teszem és szólnia kéne?
A másik kérdésem hogy a másik bemenet az előerősített ? Mert az jó lenne a gitárhoz.
Hello, mp3maker!
Nekem nem volt fájlban, hi... most már van.. Squall! Hála a segítségnek , már bátran nekiállhatsz... erre a bemenetre ráteheted a gitárt lejátszás állásban, de pucold le a felesleges cuccokat és ne keverd össze a tuchel két szélső drótját. Itt már valami lesz talán.
Holnap ki is próbálom köszönöm mindenkinek a segítséget.
A rajzon amit adtál nem találom azt a bemenetet. Ezen 2 din dugó és 1 hangfalkimenet de holnap a fényben megnézem jobban .
Az elsö : nem
A második :Az nem bemenet hanem kimenet(a rajzon Playback adapter)A jel közvetlenül a fejekröl van kivezetve(vigyázz a csatlakozo 4-es pontján 200V van)
Bocs hogy értetlen vagyok.
Akkor most a rádió bemenetre kössem a gitárt vagy a jelet?
Igen 2 din van, (a hátulján)az egyik a playback adapter, a másik a fejhalgató
Aha értem most már.
Az a hátsó akkor a playback adapter most már megértettem a rajzról meg hogy segítettetek. Pedig nekem arrol szólt a zene úgy kötöttem be mint egy sima din dugót most már értem miért nem volt jó De akkor a fejhallgató most akkor rádióhoz mi köze van mert az van ráírva?
A rajzrészlet alapján az EF86-R6-C1 vonalat keresd meg és a C1-re direktben tedd rá a gitárt.. ha nem szól, akkor rádiót pl. és majd írd meg, mi lett.
Jó értem köszönöm.
Holnap nyugodtam kipihentem megcsinálom. Jó éjszakát!
Nem egyszerű a téma, az biztos... már 3 hibát láttam a rajzon - nagyon oda kell figyelni...
Szerinted lejátszáskor nem a C1-re megy a jel? A rádió-bemenetet felejtsük el, csak csupaszon a C1-ről beszélek. Úgy néz ki, talán az az út van. Vélemény?
Egy ötlet: a fejekröl a vezetéket leforrasztani,a playback adapter csatlakozora(kb 10-20mV) rákötni a gitárt,"D"-t benyomni,a magnot lejátszásra kapcsolni. Persze a "lejátszási korrekcio"benne marad a jel utjában(mély emelés)
Oké...
Ez a részlet zavar... ez a lejátszás állás talán? Rajzold be nekem, ha átvált felvételre, ha van még időd. Elvileg szinkronban megy a két kapcsoló az alsó ábra szerint ( ----> Felvétel)
Rádió állásban még halkabban szól épphogy csak ki lehet venni valamit.
Úgy kötöttem be hogy a dinnél középre a testet bal szélsőbe a jelet forgókapcsolót meg indíts vagy szünetre téve szól csak felvételnél semmi. Meegvan! Megnyomtam egyszerre az 1-2 és 3-4 feliratú gombot és szól rendesen. |
Bejelentkezés
Hirdetés |




(Azért nem csak próbálgattam, de ahogy logikus let volna hogy szóljon úgy nem szólt ) 




