Fórum témák
» Több friss téma |
Fórum » Csync szeparátor
Témaindító: normandale, idő: Márc 15, 2022
Témakörök:
Sziasztok,
Szeretném egy Garmin (black box) navigáció képét átjuttatni modern LCD kijelzőre. A gond az, hogy a Garmin R,G,B és composite sync jeleket ad ki. Az LCD képernyő meg R,G,B, horizontal sync és vertical sync jelet fogad be. Így egy nagy katyvasz, amit látok. Nem vagyok nagy szaki a témában, de aki ért hozzá az segítene, hogy mi a legjobb megoldás a csync jel szeparálására? a texas instrumentsnek van egy LM1881-es IC-je.Szerintetek ha kettes lábra (Composite video input) rákötöm a csync jelet, akkor készít belőle hsync és vcyncet? Illetve mivel 480P felbontásra lenne szükségem. Érdemes lenne használni inkább az LMH1981-es IC-t? Előre is köszönöm a konstruktív hozzászólásokat!
Hello! Műszakilag hiányosságok vannak írásodban!
A "kijelző" és az LCD monitor nem ugyanaz! Vannak különféle képernyőfelbontások, analóg és digitális jelek, szinkronjel frekvenciák és polaritások. Ha ezek mindegyike megfelelő lesz, akkor fogsz jó képet látni a "nagy katyvasz" helyett. Persze léteznek különféle videojel átalakítók, amelyek segíthetnek az összekötést megvalósítani. De ilyen felületes leírás alapján...
Tudnál írni LCD típust? Van adatlapja?
A hozzászólás módosítva: Márc 15, 2022
Ahogy uniman írta: a kijelző és a monitor nem ugyanaz.
Mindazonáltal írásodból azt gondolom, hogy LCD monitorról van szó, aminek R-G-B + H-sync és V-sync bemenetei vannak. A 1881 valószínűleg szeparálná a két szinkronjelet egymástól a videotartalom nélkül is. A nagyobb kérdés, hogy mit látsz az LCD-n 480x akárhány pixeles jelnél. (Ilyesmi csak régi - főleg NTSC szabványú - TV-játékoknál volt). Az LCD pixeljeinek száma hogyan fér össze a videojelével - parasztosan szólva.
Bocsánat a pongyola megfogalmazásért.
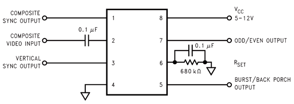
Egy kicsit pontosítanék, ahogy kértétek is. Amit szeretnék, az egy Garmin GVN54-as navigáció (mellékeltem a specifikációját) videó jelének a továbbítása egy Sainsmart 7 colos (800x480) LCD kijelző + VGA board felé. Pontosabban erről van szó Nem vagyok nagy spíler az elektronikában, de pár egyszerű mutatványt már csináltam. Az elgondolásom a következő és ebben kérném a nálam jóval okosabbak segítségét. Mivel a Garmin leírással ellentétben az 1-es és 13-as lábon nincs Composite Video jel, ezért úgy szeretném a kijelző felé vinni a jelet, hogy egy Csync bontás után kapnék egy Hsync és egy Vsync jelet, azt pedig be tudnám kötni a VGA board DSUB csatlakozójára, amivel elvileg szerintem megkapnám a navigáció képét. Mivel abszolút amatőr vagyok, ezért arra gondoltam, hogy készen veszek egy LMH1981-es nyákot, kivezetésekkel, minden finomsággal együtt. Ennek pedig ez a linkje És bekötném a garmin csatlakozó 4-es pinj-ét (video sync) az LMH1981-es lap Video IN-jébe, és kimenetként megkapom a Hsync, Vsyncet, amit majd a VGA board eljuttat az kijelzőre. A kérdésem, hogy vajon így kaphatok látható képet, vagy még így sem szerintetek?
Biztos megkérditek, hogy miért teszek bele ennyi munkát és pénzt egy 12 éves technikába?
Egy, mert érdekel. A korábbi verzióját a navinak (GVN-53) már összelőttem az autó gyári navi kijelzőjével. Ami tudta az 53-as redukált felbontását. De a 800x480-at már nem tudja. Viszont nem is volt bajom a Csync-el mert az fogadta azt a jelet. Az egyszerű megoldás az lenne, ha ki tudnám cserélni az autó navigációs LCD kijelzőjét egy 480p-s utángyártott kijelzőre, így megspórolnám a szinkron jel szeparációt. Na de itt jön a bukó, mert az autó 7 colos (18 éves) LCD-je 30pin-es szalagkábellel csatlakozik a vázhoz. De a megrendelhető kijelzők 7 col, 800x480-as felbontással csak 50 vagy 60 pines (most nem emlékszem pontosan) szalagkábellel csatlakoznak. Egyszerűen nincs olyan panel, amire ki tudnám cserélni. Legalábbis tudtommal.
A Garmin leírásában szerepel NTSC kompozit kimenet, a kijelzőében pedig az AV input, látszik is a sárga RCA alj a képen. Próbáltad már így bekötni?
A Garmin RGB video kimenetet ír, ami valószínűleg 15.6 kHz HSYNC jelet ad ki, míg a VGA monitorok minimum 31 kHz-t kérnek. (Régi, CRT monitorok egy része tudta a 15.6-ot.)
Próbáltam bekötni.
Az elődmodellel (GVN-53) működik is. A leírása alapján annak is ugyanazokon a pineken van a kompozit kimenete, mint az 54-esén. Na de az 54-esen bekötve nem ad videó jelet ugyanaz a kijelző, ami az 53-ason ugyanúgy bekötve tökéletesen dolgozik. Ezért nem számoltam ezzel a lehetőséggel. Pedig mennyire kézenfekvő lenne. Mellékeltem az 53-as kiosztását is, csak a rend kedvéért |
Bejelentkezés
Hirdetés |











