Fórum témák
» Több friss téma |
Üdv!
Nem igazán szeretnék senkit sem bántani, de mindenkinek van igaza. A probléma megoldása kb 6 hónapja volt a kezemben javításra egy váltóáramú tápegység gyanánt. Ebből következik hogy nem olcsó. Gyakorlatilag egy 2x konvertáló szinuszos konverter. Két helyen is alkalmaznak benne pwm vezérlést. Először a booster fesz beállításához (A kimenő táp amplitúdója állítható ezáltal 0-500 V pp közt. A köv. lépésben egy inverterrel (pwm vez. által) csinálnak igbt csoportokkal (3dbx4) szinuszos jelet, /ami kondi-fojtó páros nélkül nem menne/, melynek frekije DC-1kHz. Ennek kialakítása egy pic ben történik. Eredmény egy olyan táp ami 0-500v csúcs-csúcs és DC-1000Hz táp lcd-n felügyelve, kimenő teljesítmény, áram, fesz, kiírva, limitálható 2000VA-ig (Asszem még egy nagyobb modellük még van) árát nem tudom (nem 1000 €-s kategória), de hobbi szinten nem fognék már neki (55 éves vagyok lehet nem futná időmből... Ha valaki megépítené azért még megnézném a címlapon. (Elvileg megépíthető ez is 8-10 éves technika.)Esetleges összehozásához sok sikert! Joe
Összeraktam az említett kapcsolást. Amit a BSS elektronika oldalon találtam, hibás. A potméter nem kitöltési tényezőt változtat, hanem frekvenciát. A kitöltési tényező 50%-on van így. Egyébként ez a diódahidas elv jó lesz. A másik gond viszont az, hogy a FET elhalálozott, átment zárlatba. Lehet, hogy hamisítvány volt. 10A-s, de csak pár A-al terheltem.
Meg némi túlfeszültséggel... nem csoda, hogy tönkrement. Az, hogy miket találni az interneten, inkább nem minősíteném... csak egy javaslat: amíg nem tudod, hogy egy áramkör hogy működik, addig ne tegyél rá tápfeszültséget. A hibát ne másban keresd, hanem a saját hozzá nemértésedben! Ha ezt már kizártad, akkor esetleg gondolhatsz arra, hogy hamisítvánnyal próbálkoztál. De ha érted az áramkör működését, akkor ezt nagyon gyorsan kizárod...
A hozzászólás módosítva: Dec 22, 2014
A FET megkapta a négyszögjelet, működni működött, de nem úgy ahogy kéne, (kitöltési tényezőt nem tudok állítani) és nem sokáig. irf740 volt, annak bírnia kellett volna a feszültséget. Honnan kaphatott túlfeszültséget?
Korábban már írtam, a szórt induktivitások energiáját kénytelen a FET megenni. Ha ezt túl sűrűn kell megtennie, akkor felrobban a melegtől...
Hello! A mellékelt rajzon az lenne a kérdésem,hogy a motorral párhuzamosan kapcsolt diódának mi a szerepe? Eredetileg ez a kapcsolás egy kerékpárt hajtott. Elromlott a racsnija ami a járgány lassulásakor leválasztotta a motort a kerékről. Ha fixálom a kereket,tehát lassuláskor is hajtani fogja a motort,akkor a szénkefés motor által termelt fesz tönkre tudja-e tenni ezt a PWM szabályzót?
Szia!
Amikor a tranyó árama megszakad, a diódán keresztül folyik tovább a motor árama. Ebből adódik, hogy áram tekintetében tranyóval hasonló áramú és lehetőleg gyors diódát válassz. Ugyanaz a szitu, mint a reléken... csak itt a freki is beleszól. Ha elhagyod, annyi a tranyónak a 100 volt nagyságrendű tüskék miatt. A hozzászólás módosítva: Jan 19, 2015
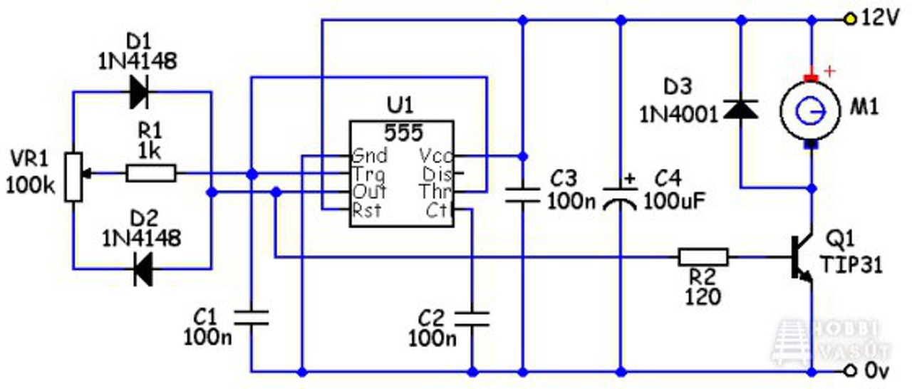
Megépítettem ezt a kapcsolást, de nem működik, csak melegszik az 555. Hol ronthattam el?
Biztos nem a linkelt kapcsolást építetted meg..
![]() Ellenőrizd: 555 1. láb GND, 4-8 láb +12 volt. ..- ezekhez képest a többi láb jó helyen van? Trig-Thres 2-6? R2 tényleg 120 ohm?
R2 nincs bekötve, mert még csak a szkóppal nézegetném a jelet, utána kötném be. Elvileg a 120 Ohm nem nagyon kell oda, legalábbis több kapcsolásban nem tesznek semmit az 555 és a FET közé. Egyébként 220V-ot fog szabályozni a FET.
Átnézem még.
Ha 220 voltot (?) kapcsolgat a fet, ezek után az se ártana, ha vázolnád... több okból is.
![]() Az 555-gate közé azért tegyél ellenállást, egyrészt az 555-öt védeni, másrészt a fet miatt ( GS) is. Freki ismeretében többet is írok.
A FET egyenfeszultseget kepes kapcsolni.
Ha a halozatot egyeniranyitod es puffereled, egybol kapsz egy ~320VDC-t. A valtohoz TRIAK-ot szokas hasznalni.
Erőművekben a segédüzem 220V DC szokott lennie. Mehet ez akár oda is.
Nem egyenirányítanak... Vannak sínre pattintható kivitelben profi szabályzók FET-tel, IGBT-vel.
Például
Ha annyira akarom, a FET body diódájával előmelegítek vmit (-) félhullámban, vezérelve pedig a (+) félhullámot kapcsolom... - extrém? de lehet..
Lehet, de egyenáramú összetevője is lesz a felvett áramnak és azt nem szereti az utca végén az oszloptrafó.
Az igaz... de jelen esetben nem 1 kW-ra gondoltam... csak 50 wattra pl...
Ha egy egész utca csak ennyire gondol, már baj van...
Csak nincs annyi hobbis egy utcában és mindegyik így játszik..
Sok eszköz működik diódás félhullámú teljesítménycsökkentéssel, a hajszárítóktól az olcsóbb hőlégfúvókig, azok pedig ~2kW-osak. 1 kW félhullámon. A statisztika, nagy számok törvénye segít a hálózatnak. Ha véletlenül nem jön össze (vagy éppen minden összejön egy fázison egy irányba), legfeljebb csattan valami.
Ha rakok közé egy 1k-t az megfelel? A FET graetz hídon keresztül üzemel. A 220V-ot szeretném vele kapcsolgatni pár khz-en, teljesítményszabályozó lesz. (És nem a triacos megoldást akarom, mert olyanom már van, és pont ez az újítás. Egyébként csak az építés öröme miatt építem, egy 750W-os sütőt fog szabályozni.)
Az IC egy kis trafóról kapja a feszt egyenirányítás után.
Attól függ. milyen és mekkora a freki. 3-5 kHz-ig el lehet menni normál diódákkal, csak nagyobb áramúakat kell tenni. Efelett a gyorsabb FR... és egyéb típusok használhatóak.
Egy sütőben annyira lomha a hőfokváltozás, hogy teljesen felesleges kHz tartományban dolgozni, ráadásul az elektromos "környezetszennyezés" is nagy lenne.
Bőven elég kis hiszterézissel kétpontszabályzás. Az 555 pedig ilyen megközelítésben nem is oké. Természetesen beállíthatod pár másodperces be-ki kapcsolásra és ugyanott vagy, mint kHz-en... így is, úgy is után kell "hangolni" mérés, visszaszabályzás nélkül. A hozzászólás módosítva: Jan 24, 2015
Az egésznek csak a kísérlet lesz a lényege, nem a folyamatos üzem.
Oda bármi jó, ami dióda...
( 555 kitöltés, D1, D2 ).Ha zárlatos bármelyik, akkor is kéne mennie poti tekergetésre vmelyik állásban. Mérd meg mindkettőt szakadásra, egyik láb kiemelve. A hozzászólás módosítva: Jan 24, 2015
Sziasztok! Építettem egy fet-es motorvezérlőt (pwm_ok kép), viszont pár másodperc alatt szépen megsült a 9V-os motorom (hiába a mindösze 10%-os kitöltési tényezőjű pwm a gate-en) a 20V-os akksi megtette a hatását
Ezért most a "regulator" képhez hasonló kapcsoláson gondolkodok. A tranzisztor helyére tenném a fet-et aminek a gate-jét továbbra is pwm-el nyitnám valamint a fesz szabályzó inputja elé tennék egy tranzisztort amit szintén a pwm jelről vezérelnék, hogy a pwm jel alacsony állásakor a fesz szabályzón keresztül ne follyon áram. Lehetséges ilyen módon tehermentesíteni a fesz szabályzót? Hasonló kapcsolása esetleg van valakinek?
Szia!
Kegyetlen elképzeléseid vannak... 9V-os motorhoz miért nem használsz 9V-os feszültséget? Miért kell 20V? Nem érdemes fordítva megülni a lovat.
20 V-os akksi áll rendelkezésre. A regulator képen lévő kapcsolást is megépítettem viszont úgy túl sok energiát fűt el a tranzisztor. A fesz szabályzót nem lehet az én elképzelésem szerint fet-tel kombinálni (mindkettőt közös pwm-ről kapcsolgatnám)?
A hozzászólás módosítva: Jan 30, 2015
|
Bejelentkezés
Hirdetés |




lehet nem futná időmből... Ha valaki megépítené azért még megnézném a címlapon. (Elvileg megépíthető ez is 8-10 éves technika.)








