Fórum témák
» Több friss téma |
Fórum » DCF77 óra
Nem rögtön talál jelet a legtöbb szerkezet, 1-2 perc is kellhet neki amíg rááll az adóra, utána szintén kell idő mire dekódolja a vett jelet.
2 hónapot kapott, egyik szobából másikba, ki a szabadba , jobbra balra forgatva semmi.
Idézet: „2 hónapot kapott” Annyi elég kell lennie. A hozzászólás módosítva: Nov 2, 2022
Az alábbi idézetet az általam használthoz nagyon hasonló mutatós (tehát nem digitális) óra használati utasításából másoltam ki.
Idézet: „• A DCF idő szinkronizálásának megkísérlése naponta hatszor történik meg automatikusan: 1:22, 5:22, 9:22, 13:22, 17:22 és 21:22 órakor mindaddig, amíg sikeres időjel vétel történik meg. • Sikeres első vételt követően az óra az ezt követő napokon naponta háromszor kísérli meg a szinkronizálást a DCF idővel (1:22, 3:22 és 5:22 órakor). Ez elég arra, hogy az időeltérés naponta 1 mp alatt maradjon.” A fentieket úgy értelmezem (ami egyébként valósznűleg egybevág a tapasztalatommal), hogy elem behelyezés után, az óra beáll 12:00-ra. Utána elindul, és mutat valamit. Amikor elér 1:22-höz, akkor megpróbálja a vett jelet dekódolni. Ha sikerül neki, akkor beáll a valós időre, mondjuk 4óra 33perc 28másodpercre. Ha nem sikerül, akkor megismétli a próbálkozásokat a fenti mutató állásoknál. Ha sehogy sem sikerül, akkor be lehet állítani manuálisan az időt, és úgy működik, mint egy sima kvarc óra. Azért a leírásban van egy kis bibi: mutatós óra lévén, nincs rajta 13; 17; 21 óra.
Sajnos, ilyen van. Nem tudni, hogy az adott példány hibás, vagy az egész konstrukció érzéketlen vevővel készült-e? A megvétel után sosem volt jó, vagy egy idő után elromlott?
Megvétel után kb 7-8 évet ment, de mivel mindig mutatta az időt ezért sose lett leellenőrizve , hogy valóban pontosan jár-e.
Ezidő alatt (mikor még jó volt) 1 elemcserére emlékszek de lehet, hogy nem csak 1 volt Áramkör megszakítás 1Hz-enSziasztok!Lenne egy kérdésem. Van egy 6 digites 7 szegmenses órám, amit egy régebbi projektből kicsit fejlesztettem és építettem. Azért lényeg mert a programfájlt azt nem tudom irni, csak beégetem és kész. A problémám az lenne, hogy az óra-perc, perc-másodperc között a két-két elválasztó pont az folyamatosan világít, így lett tervezve eredetileg. A pontok is mint a kijelzők kb. 100Hz-en frissitenek, tehát nem folyamatos az áramkör. Persze ez nem észrevehető. No, meg lehet-e oldani valamilyen egyszerű áramkörrel, hogy a pontokat meg lehessen villogtatni, mikor az bekapcsolva van (mert 3mp változik óra-hőmérséklet-óra-dátum), kb. 1-1,5 Hz-el. Így se rossz, csak eszembe jutott, hogy jobban nézne ki, ha villogna. Üdv: Ati
Pedig a programot kellene picit átírni.
Esetleg megnéznéd?
A jó program, azt emlékszem, hogy segítettek benne. Kicsit nagyobb méretű mint ami megvan forráskóddal együtt. Felteszem, esetleg megtudod módosítani?
Megvannak!
Azt nem tudom, benne van e a hőmérséklet korrigálás -2 celsius kell, mert a falon felül melegebb van.
Még valami eszembe jutott. Nem tudom benne van-e a fényerő szabályozás. Az nem kell bele ha benne van, ki kellene venni.
Aki segít/segítenek annak/azoknak nagyon köszönöm előre is.
m_temp.c is hiányzik.
Hőmérséklet korrigálás -1 celsius van benne, azt át lehet írni 2-re. Fényerőre nem találtam utalást.
Holnap reggel felrakom azt is.
Éjszakás vagyok, már nem tudom feltenni. De köszönöm, hogy foglalkozol vele. Így ránézésre meg tudod oldani a villogást?
Remélem így már fennt van minden.
Majdnem, csak a 3. és a 6. digit is villog. (A perc 1-es és a másodperc 2.-es), és amikor visszakapcsol az 5. digit -1-ben van. Ez lehet a 2.-ben is így van, de egy óráig nem járattam.
Egyébként a pont villogás nagyon jó, lehetne kicsit gyorsabb, 1,5Hz körüli. A hozzászólás módosítva: Szept 26, 2025
A hőmérséklet kijelzés most jó, annyi mint a digitális hőmérőn. A fényerőszabályzást egy PWM áramkörrel oldom meg, P-Mosfetet használva, csak a Mosfet drivert az Aliexpress-ről vettem meg és átvertek. Majd a hónap elején beszerzem.
Videón jobban látszik:
Ez a csomag egy működő órából való, nem tudom mennyi különbség van köztük. Elvileg a másik dcf77 fálj pedig egy jól működő szinkronizáló program.
Nem azért, mint ha annyira zavarna, de ha már úgy is programozás,
nem lehetne ezzel átmenni az arduinos topikba?
No a villogás már oké, de az egyes kijelzésnél fel-felvillan a teljes kijelző.
De, de mivel kezdő vagyok, azért kezdtem itt el. Mostmár nem itt lenne jó befejezni?
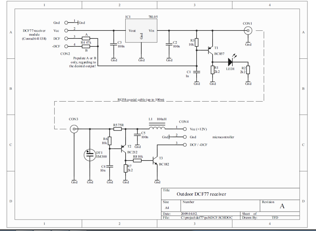
Mellékelem a kapcsolási rajzokat.
Küldök egy új display.c -t. Nézd meg légyszíves mit szólsz hozzá? Itt a timer-rel bármilyen időt be lehet állítani elvileg. Ha az időzítőt 333ms állítod az kb. 1,5Hz. Megpróbálod így lefordítani?
Szia, bocsi elirtam, nem 333ms, hanem 666ms.
Itt a videó:
Bocsi, hogy beleszólok.
Egy ilyen óra akkor néz ki jól, ha a kettöspont 0,5 sec-el villog. Azaz minden másodpercben felvillan 0,5 másodpercre és 0,5 másodperc sötét. Üdv. M.
Igen én is így gondolom, most dolgozunk rajta. Az előző 666ms nem jó azt elszámoltam
A hozzászólás módosítva: Szept 30, 2025
|
Bejelentkezés
Hirdetés |










