Fórum témák
» Több friss téma |
szia! Azt szeretném kérdezni hogy a képen amit fel raktál ott van egy germánium dióda (oa1161) az mivel helyettesíthető?
Nos, akkor sokadszorra még egyszer
Kell legelőször az, ami a mutatót meghajtja. Igazából kompletten volna a legjobb, vagyis pl. motor, skála, mutató együtt, azért, hogy már a szögelfordulás is adott legyen. Simpi mesternek teljesen igaza van abban, hogy járművekre strapabíró, ütésre / rezgésre viszonylag érzéketlen szerkezet kell, ezért írtam már én is motort. Ha ez megvan, akkor a "másik oldal", vagyis a bemenetek jellemzői (jelszintek, frekvencia stb.) szükségesek, és ezek alapján már neki lehet állni a töprengésnek. Viszont, most vett egy kollégám bontott műszerfalat a kocsijába (vezérlése hibás volt, de neki a keret kellett). 2800 Ft-ért ott volt benne mindkét említett mérő, csak át kell faragni az új helyére. Érdemes lehet bontóban szétnézni hasonló "csemege" után, jó a rossz is, mert tönkrement mérőt még csak kettétört műszerfalban láttam, mindig a vezérlésükben hibásodik meg valami.
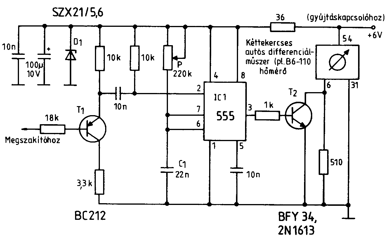
Üdv: meg építettem a kapcsolást (zárásszög és ford.számmérő)de valamiért nem csinál semmit. valaki meg csinálta már?Vagy valaki tudja hogy ha csinálok 555-el egy monostabil kapcsolást az jó lenne e a depresz műszerhez? Előre is köszönöm.
Ha a kimeneten egy kondit töltesz és feszültségosztóval leosztod ugy a feszt, hogy megfeleljen a depreznek akkor igen.
köszi a választ. esetleg tudnál egy ilyen kapcsolást?
Nekem olyan van ami után a LEDes egység van. Az is úgy működik, hogy minnél nagyobb a fesz annál több LEDet kapcsol be. Depreznél megkell mérni, hogy mekkora a műszer ellenállása, és úgy osztani le neki a feszültséget, hogy max fordulaton akkora áram foljon rajta keresztül, hogy max állásba mozdítsa a mutatót.
Mivel tudnám szétosztani a feszültséget? Azt tudom hogy a LEDek LM3914-es ICvel lehet meghajtani de ennél hogyan kell a feszt szétosztani?
2db sorbakötött ellenállással, vagy csak simán egy potmenciométerrel. Neked a potis megoldás lenne jobb, mert max fordulaton addig tekered amig nem áll a mutató is maxon.
Sorosan kapcsolt ellenállásokra jutó feszültség az ellenállások arányában oszlik meg. Ha potit tekered, akkor amennyivel csökken az ellenállása ez egyik oldaának, annyival nő a másik oldalon. Feszültség ugyanígy. Lerajzolom.
Szia!
Egy kis választék.
Még egy pár..
Rendben van! A téma egy részét sikeresen megoldottuk! Köszönet a segítőknek!!!
Már csak a kilóméteróra hiányzik... vagy azt is ezekkel a kapcsolásokkal meg lehet oldani?
Szia!
Ezeknek a kapcsolásoknak mindegy honnan kapják a jelet, csak jeladó kell a megfelelő helyre.
OK! Akkor meg van oldval a téma!
Csak azért h ne legyen vége még ilyen kis extrákról beszélhetünk mint pl.: demo mod (áram alá helyezés esetén felmegy maxra a mutató majd vissza), stb. Amúgy meg köszönöm szépen mindenki segítségét!!!
Sziasztok!
engem az érdekelne hogyan működtethetném a fordulatszámmérőt, ha nincs beszerelve.
elektromos, analóg kijelzésű, és 0-3500-ig mér. Ha csak simán 12 v feszültséget adok nem megy
Milyen gépen használták eredetileg?
jcb munkagép
már próbáltam, azért köszi
Akkor annak induktiv jeladója lehetett. Mindenképpen valamilyen szinuszhullámfélét vár a bemenetén. Elsőként próbára kösd rá a tápot, aztán valamilyen kis játék villanymotorral ki lehet próbálni a működést. A motorka kivezetései közül az egyiket testre, a másikat a bemenetre kösd, és kézzel óvatosan pörditsd meg a tengelyt. Ha jó akkor a mutató kitér. Azt ,hogy hány impulzust igényel fordulatonként, nem ilyen egyszerű meghatározni, de ha a próba sikeres volt, akkor visszatérünk rá.
köszi, akkor szerzek egy kis villanymotorkát, és jelentkezem
Közben eszembe jutott egy kézenfekvőbb megoldás: bicikli "dinamót" (ami valójában váltóáramú generátor) könyebben találsz-gondolom én, és azt kösd a fordulatmérőre, úgy ahogy a motorkát is javasoltam.
ez még jobb, motorkát lehet nehezebben találtam volna
Joshua!
Olyan forgótekercset kell szerezned műszerfalból aminek 3 kivezetése van, mert mint már említettétek ilyen sima műszerek nem valók járműre az erős vibrációk miatt meg a mutató kilengések stb... A 3 kivezetéses pedig ott tartja neked a mutatót ahol kell és gyorsan reagál nem csak fordulatszám emelkedésre hanem a csökkenésre is!!!
Én is egy ilyen ford.mérő építésén igyekszem.
Ez a kapcsolás szimpatikus nekem, de nem megszakítós motorra lesz hanem jeladósra és 6V helyett 12V-os rendszerre. ford.mérő Tud nekem valaki 1-2 tippet hogy alakítsam át?
Üdv !
Van egy simson s51b motorom ami tirisztoros a gyújtása és hozzá szeretnék építeni egy műszerfalat van egy psp kijelzőm amin azt szeretném meg jeleníteni jobb oldalt a sebességemet , bal oldalt a fordulatszámát a motornak legalul milyen meleg a motort blokk legfülöl a dátumot és nem ártana hogy a megtett távolságot is méri valahol, ha valakinek van ilyen eladó szolnok környékén , posta se gond vagy tud ilyenek kapcsolási rajozot csak más kijelzővel meg lehet valósítani nekem elég lenne ha csak a háttér villágítás kék a betűk meg fekete .
Ez nem lesz egyszeru eset, a kerdesedbol kitunik, hogy valoszinuleg elegge kezdo lehetsz.
A PSP kijelzot egeszem mashogyan kell meghajtani mint egy vezerlovel rendelkezo pontmatrixos vagy alfanumerkus kijelzot. En ez utobbit javasolnam, ha megelegszel kisebb meretu betukkel es szamokkal, akkor egy PIC es egy alfanumerikus LCD jo paros lehet. Szerintem erre a neten talalsz is forrasokat. (odometer+PIC+LCD esetleg +RPM keresoszavakkal) Mivel a motor kulteren hasznalatos, ezert a kijelzo lathatosaga ujabb gondot vet fel. Ejjel ne legyen tul fenyes, de nappal is meglasd azert. Arnyekolas+fenyeroszabalyzas. Ha mindenkeppen kell a nagymeretu szam, akkor esetleg vezerlos pontmatrix kijelzo. Itt mar a program bonyolultabba valik. De lehet esetleg ket piros erosfenyu ledes kijelzo meg a maradek infonak egy LCD. Ha viszont keszen akarsz venni, akkor az aprohirdetesekbe tedd. |
Bejelentkezés
Hirdetés |



















