Fórum témák
» Több friss téma |
Szia!
Sajnos ilyen szinten nem emlékszem 20 év távlatából. Az biztos, hogy a zónabemenetek (BE1 és BE2) a test felé működnek, de nem rövidzárral. Valamilyen értékű ellenállást (talán 10 kOhm) kell bekötni, és a hurok megszakadása okozza a riasztást.
Köszönöm szépen. A leírás nekem is megvolt, csak abban pont a fenti kérdések nem voltak világosak. A vége az lett, hogy muszáj voltunk kábelt venni hozzá, hogy sms üzenetet lehessen módosítani, plusz több funkció csak onnan érhető el...
Sziasztok,
A 1864-es kozponton beallitottuk az otthonmarado elesitest is (eddig csak tavozo elesites volt). Eddig a kod megadasaval a tavozot elesitettuk, innentol a kod megadasa az otthonmaradot elesiti (a kezelon a funkciogombok persze jol mukodnek, a megfelelot kivalasztva aktivalhato a tavozo vagy otthonnarado). Az, hogy a 4 jegyu kod megadasaval az otthonmarado indul azert gond, mert van egy GSM modul, ami kulcsos kapcsolonak van felprogramozva es eddig SMS-en keresztul lehetett elesiteni tavozot. Innentol az SMS-es elesites is csak az otthonmaradot elesiti, ami nem igazan jo, de nem tudok rajonni, mi a gond. Nincs valakinek esetleg otlete? Koszonom szepen a segitseget!
A 023 szekcióban a 8 opciónál beállítható a kulcsos kapcsoló éleítési módja. (Távozó módhoz ki kell kapcsolni!)
Azért nincs belépési késleltetés, mert amint vége a kilépési késleltetésnek rögtön kinyitod az ajtót. Ha lejár a kilépési idő, várj még 25 mp-et, és csak utána menj be, és jó lesz. Ez a DSC sajátossága. Visszalépési hibának hívják (013 szakasz 6.opció).
Ha sárga háromszögnél zónahibát mutat, de belelépve nincs semmi, akkor az azért van, mert egy korábban zónahibás zónát kivettél partícióból (202-20x szakasz), vagy nem használt zónatípusra programoztál (001-004). Táp el-vissza segít rajta.......
A visszalépés miatti hibáról és megszüntetéséről (ill. 013/6 lehetőségről) már három helyről kaptál infót. Én egy másik lehetőséget is felvetek:
Ha a nyitás érzékelődnél egy követő zóna is van, akkor az is riaszthat belépésnél, ha a nyitás érzékelőd nem jó, csak azt kell a riasztás után megnézned melyik zóna riasztott és ez eldönthető. A nyitásérzékelő is tönkre mehet, ezt épp ma halottam egy öreg, tapasztalt telepítőtől.
Vagy, ha túl profi a nyitásérzékelőd, és már résnyire nyitva az ajtó, de még mindig tartja a mágnes a reed-et, a mozgásérzékelő hamarabb észreveheti a mozgást. Egyébként MPi-c mond valamit.
Szia!
Hát a kábel bekötést le is rajzolhattam volna... Az viszont érdekelne, hogyha a kábelt lemezzel vettétek a lemezen melyik firmware van meg, mert amit találtam letölthető MAXread rpogramot, abban legfrissebbnek a 3.5 volt, holott mmár 3.7-est is láttam dobozban. Vagy ha valaki tudja honnan lehet 3.5-nél frissebbet beszerezni az szíveskedjen egy linket adni.
Sziasztok!
Abban szeretnék segítséget kérni, hogy szerintetek milyen központ lenne megfelelő egy olyan feladatra, ahol 2 épület van egymástól 20m távolságra, 4 zóna lenne 6 érzékelővel. Az egyik épület szinte minden nap éjjel nappal figyelve lesz a másik csak mikor a gazda nincs a közelben. Azt szeretnék még megoldani hogyha riasztás van akkor valamilyen formában kapjanak értesítést a mobiltelefonjukra(SMS vagy Hívás). Távfelügyelet sajnos nincs a közelben ami elérhető távolságban lenne mikor baj van. Segítségeteket előre is köszönöm.
Szia én egy 1616-os javasolnék és valami tell GSM-et de ha van rá keret akkor egy bentel GSM-et mert az akár tud zonánként is jelezni nem csak global.
Ha DSC, akkor 1616, két kezelő, két partíció. GSM kommunikátornak Tell mini GSM, vagy a fentebb említett GMAX GSM modul. Mindegyik tud zónánkénti SMS-t is. Sorosítást semmiképp nem javaslok, egyrészt elavult, másrészt nem tudod behatárolni, hogy melyik érzékelőről jött a riasztás, harmadszor nem lesz olcsóbb. A központ tud 6 zónát plusz a két kezelőn még két zónát, így van 8 zóna, bővítővel összesen16 zónát. Ha kevés, akkor 1864 javasolt DSC-ből.
Arra figyelj, ha több zóna van, mint nyolc, akkor vagy 16 zónás ledes kezelő, vagy LCD ikonos, vagy szöveges kezelő legyen, ellenkező esetben nem tudod kijeleztetni a 9-16 zónákat.
A 4.2-es verziójú központnál ez sajna így működik. 4.2-től ha jól emlékszem a 23-as szekció 8-as funkciójával állítható.
Amit sikerült venni az a a Wilarm vmelyik korábbi verziójának a szoftverét tartalmazta. A 3.5-ös lett a netről letöltve hozzá...
Koszonom a segitseget otthonmarado elesites es kulcsos kapcsolo ugyben. A problemam megoldodott
Kösz! Hátha még valaki tud valami frissebb forrást, ha nem, majd megkeresem a r.boltot...
Köszönöm a válaszokat!
Egyébként valóban erről lehet szó, majd mégnézem és megírom mi volt. Ha belépek (több mint 25 mp elteltével) akkor nem csipog hanem sípol és a rossz belépés üzenetet írja.
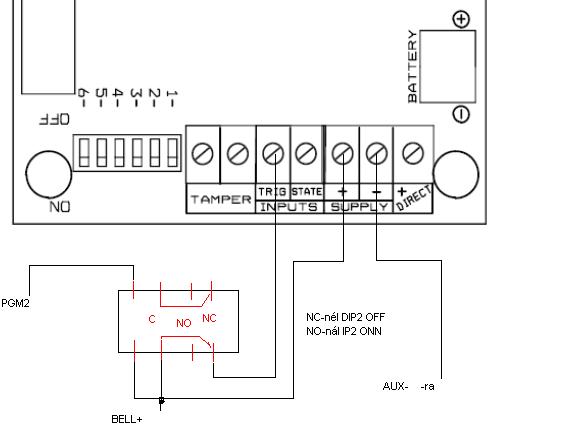
Bövítő modulokat pl: zx8sp paradox központokhoz ugy szerelem be, hogy a RED-BLACK az a AUX plusz-minusz, a GRN-YEL pedig a kezelőről jövő jel szintén hasonló felirattal?
Ugy képzelem el, hogy a bővítőn lévő jamper segítségével pedig megadom hogy A-B-C 3db bővitőt lehet hozzá fűzni ebből a fajtából.
Remélem valakinek segítségére lesz az az info, hogy Paradox SP4000-es központot a 307USB segitségével a WinLoad programmal sajnos nem lehet programozni, helyette a BabyWare nevezetű program használható. Igaz kicsit körülményesebb ahogy Én láttam, de minden megoldható vele legalább is ami nekem kellet az biztosan. Igaz egyikben sincs nagy tapasztalatom, de igyekszek
.
Sziasztok ! Tudna-e nekem valaki segíteni abban, hogy Dsc Pc2525h típusú riasztóközpontban milyen feszültségstabilizátor Ic van a sziréna áramakörön ? Sajnos egy rossz bekötés miatt elszállt az Ic. Ha más nincs Pgm-ről is lehetne vezérelni a szirénát csak attól tartok, hogy az 50 mAh. óra ami Pgm-en keresztül kimegy kevés lesz. A sziréna nagykereskedőjével még nem beszéltem ezügyben. Köszönöm szépen előre is !
Szia Tibor.
A PGM egy relét tökéletesen kihajt. Így a relén keresztül vezérelheted a szirénát.
Erre mondják kicsi a világ
. Épp a tőled vett központot kötöttem volna be egy Amc Iside szirénába és valamit nagyon nem jól értelmeztem a sziréna leírásában mert ahogy kiment a negatív indítójel a Bel- ról, egyből ki is olvadt a sziréna nyákja. Azt sikerült áthidalni, de a központ is sérült sajnos.
Igen, pont így.
Szerintem a BabyWare jobban átgondolt, mint a Winload. De ugyanez megfigyelhető a DLS programokkal is, a DLS4 összeszedettebb, mint a DLS2002. De véleményem szerint így is vacak.
Igen kicsi
A sziréna működik még? Tápláld meg egy aksiról és adj neki trigger jelet (plusz . Ha működik a sziréna akkor jöhet a központ: a BELL+ és BELL- csatlakozókba tedd a multimétert 20V-os DC feszültség méréstartományba állítva. 1-3 V szivárgást kell mérned nyugalmi helyzetben. Csinálj egy riasztást, fel kell ugrania 13V-ra. Ha ez nem történt meg akkor van ott egy TIP 32- vagy hasonló típusú tranzisztor, azt mérd ki, lehet az szállt csak el. Gondolom a BELL- -t a sziréna inputra kötötted. Ennél a szirénánál CSAK POZITÍV vezérléssel lehet játszani.
Még egy-két dolog, kettő vagy több kezelőt az előzőekből kiindulva ugyan oda kell kötni mint az elsőt?
Infrasorompot hogyan érdemes bekábelezni? Négyoldalas telephely, minden oldalt külön zónára, vagy sorba kötni és 1 zónára beállítani?
SZia!
A riasztókezelők buszos kommunkiációval beszélgetnek egymással, tehát a 4 vezeték kell nekik. Általában van egy limit, mennyit használhatsz egy buszon maximálisan - ez a központ kiválasztásánál szempont. Ha kültéri infrasorompóra gondolsz, nyilván külön a legjobb kezelni, mert akkor pontosan tudható a behatolás iránya. Ha ez nem fontos, csak az, hogy bejutott-e valaki - akkor elegendő az egy zóna -de tapasztalat, hogy ezzel utólag mindig csak a baj van. Hibaelhárításnál is csak a gondot szaporítja, mert ha egy ledöglik, tönkreteszik - a többi sem hasznos, mivel fel kell fűzni őket. Illetve egy telephelynél az is megtehető, hogy egy adód van és "relék" közbeiktatásával körberakhatod az épületet, akkor egy rendszert alkotnak (kültér esetén)
Sziasztok,
Ha egy DSC 1864-esre van tobb ikonos kezelo is kotve, akkor ugye eleg, ha az egyik kezelon kapcsoljuk be a tampert es az energaitakarekos modot? Konkretan arra gondolok, hogy a [016] az osszes kezelore vontakozik es nemcsak arra a kezelore, amirol beallitottuk? Koszonom szepen |
Bejelentkezés
Hirdetés |





