Fórum témák
» Több friss téma |
Paradox Esprit esetén a winload, vagy az Espload progi kell, kábel nincs, vonal szimuláció kell, és egy modem, mivel kizárólag telefonos kommunikációja van.
Vagyonvédelmi murphologia:Bővebben: Link
Azaz kábel van, ADP1 vonalszimulátornak hívják. De 2 db ellenállással állítólag helyettesíthető.
220 Ohm ellenállás 2db, ezek a ring-tip pontokra, erre rámegy 12V, és a ring-tip a PC modembe bele.
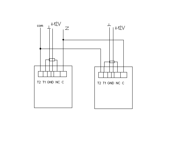
Amatőr lévén kérném a segítségeteket próbálok élesíteni egy dsc1565-2-őt van egy zóna amire kettő mozgásérzékelőt szeretnék kötni felrakok egy képet a kérdésem a következő elég hogy simán párhuzamosan kötöm vagyy máshogy kell kötni előre is köszönöm a válaszokat
Soros kötést kell alkalmazni, ha egy zónán két érzékelő van. Párhuzamos kötésnél csak akkor jelez, ha mindkét érzékelő egy időben érzékel mozgást. És soros kötésnél vagy felezed az eredeti ellenállások értékét, vagy egy darab ellenállást raksz be, a másik ellenállás nélküli.
De ha van szabad zóna a riasztón, inkább oda kössed be. esetleg kezelői zónára, ha az nincs használva.
ha ezek jók használd
a következő
még van egy pár de ide nem tudom feltenni a mérete miatt ha küldesz emil cimet szivesen elküldöm
a tipust nem irtad
Sziasztok segítséget szeretnék kérni van 1 DSC 1616 központ és 1555 kezelő mivel a lakásban nincs vezetékes telefonvonal ki szeretném kapcsolni ezt a funkciót mivel igy kijelzi hibaként hogy tudom? előre is köszönöm
Köszönöm a válaszokat még 1 problémám adódott a *2 megnyomása után mindig kidobja a telefonvonal üzemzavar hibát holott nincs is bekötve vagy ezt is zárni kellene? Vagy esetleg lehet tiltani valahogy a válaszokat köszönöm.
015 szekció 7-es led kikapcs, 380 szekció 1-es kikapcs.
Köszönöm...még annyit szeretnék kérdezni hogy a pgm kimenettel szeretnék 1 ledet müködtetni amikor bekapcsolom a riaztót ...azt hogy tudom beprogramozni hogy amikor bekapcsolom a rendszert a pgm 1 földre kapcsoljon és világítson a led?
Azért egy picit visszaolvashatnátok...
(#657406) PGM
Tisztelt Fórumozók!
Van valakinek tapasztalata az NS-128 DA kültéri szirénával, illetve bekötési rajza. Egy pc585-ös központhoz kellene felszerelnem. Előre is köszönöm!
A haladóban megírtam az NS 128 véleményem...
Sziaztok!
Nekem olyan gondom van, hogy egy dsc riasztót kellene újraprogramoznom, de kezelőről le van zárva,és hard reset után semáll vissza az üzembehelyezői kód alapértékre, igy nem tudom programozni! Aki telepitette, az külföldre költözött,tehát nem tudom megkérdezni a kódot! A kérdésem az lenne, hogy hogyan tudom kiolvasni, vagy kinullázni az üzembehelyezői kódot?! Esetleg az eepromtartalom újrairásával? Segitségeteket előre is köszönöm!
Első megoldás: Kuka, ballisztikus ívben.
Második megoldás: Irány a DSC Hungária, ide beviszed a központ panelt, és némi pénzmag fejében visszaállítják a gyári kódot. Meg ne próbáld saját magad buherálni, mert akkor a DSC sem vállalja. Olcsóbb egy reseteltetés, mint egy panel. A telepítőnek aki lezárta az
Az igazság az, hogy ilyen gondom már többször adódott, és eddig panelcserével orvosoltam, de mivel egyre több ilyennel találkozok ezért szeretnék valami megoldást keresni! Arra gondoltam, hogy a panel hátulján található eeprom tartalmát egy új központból kiolvasom,és azt a tartalmat irom bele a lezárt panelba!
Nem tudod kiolvasni, mivel védett a tartalma. Így beírni sem tudsz semmit. Ezért javasolt a DSC szerviz.
Mi is cserélni szoktuk, csak akkor vittük kikódoltatni, ha a tulaj ragaszkodott hozzá. (szerintem az a pár ezer Ft különbség megér egy új panelt.)
***
Ezt most töröltem. Írd le normálisan, hogy mit akarsz! Frankye
Hello
Hogyan resetelted? Ha a pgm1 és a zóna 1 egyet rövidre zárod akkor alaphelyzetbe áll! Ha nem megy írj segítek!
Sziasztok !
Az letezik ,hogy regi a 1565-2p panelem es meg nem tudja a pulsed modot a PGM-en ??? Be van neki allitva a [141]-be a 10110 (PGM1, ami 05-re van allitva, tehat kapcsol ha armed, a [164] pedig 002-re) de megis csak ugy mukodik mint egy kapcsolo es nem csak impulzust ad. Az erdekes az hogy a DLS szoftware-ben a [141]-be csak az elso 3 helynek van neve a tobbinek nincs (ertelem szeruen "future use"), de azert be lehet kapcsolni oket es letolti a penelba is. (megneztem kezelorol, be van allitva a 10110, mert mutattak a ledek. Ennek ellenere megse impulzusos hanem kapcsolokent mukodik. Lehet hogy a 05-os tipusu PGM nem is tud impulzusos lenni ? Elore is koszi !
Tud pulse módot, de nem minden kimeneti típus. Nem véletlen csak az első három opció állítható DLS-ben a 05-ös üzemmódnál. Hiába állítasz be neki kézzel pulsed módot, ha maga a funkció nem támogatja. Az impulzus üzemet csak a kimeneti parancs támogatja (*71 *72) Ez van, ez a panel csak ezt tudja. Nem is gyártják már.
Pl. a 1864 tudja az impulzus módot távozó élesítésnél. 555 ic-vel összeraksz egy monostabil multit, és van impulzus kimeneted.Bővebben: Link
Koszi Syn7h37ic !
A monostabil multi jo otlet, de el akartam kerulni hogy a PGM a beriasztas alatt foldon legyen. (mondjuk sok erv nincs ellene) Inkabb atraktam a GSM pagert kapcsolosra nem pedig impulzusra es mukodik. Ha minden igaz akkor sikerult megoldani vegre a GSMriasztoval valo egyuttmukodest. (akar kezelorol akar telefonrol tudom elesiteni/hatastalalnitani) Azert meg tesztelgetem. Meg egy kerdes (ha lehet), ha atrakom az osszes zonat csendesre (audible - no) ((csak teszteles celjabol)) akkor a PGM azert ad jelet (foldet) ha riasztas tortenik ?
Szia!
Igen, úgy! Ha jól tudom, ha le van zárva kezelőről, akkor a hardreset sem nulláza ki az üzembehelyezői kódot! Vagy rooszul tudom!? Esetleg van más megoldás is?
Ha 1616 - 1864 4.2 központról van szó, akkor szgépről be tudsz lépni kód nélkül is.
Bár gondolom régebbi cuccról van szó.
Sziasztok!
Van egy kis problémám. Van egy rendszerem (PC1616,RKZ155, LC100 PIR). A vezetékezés bekötése után bekötöttem a tápot (akku, majd hálózat). Ezek után a kezelőn a * 8 telepítői kód 499 telepítői kód 499-el engedélyeztem a PC link kapcsolatot. Ezek után csatlakoztattam a PC link kábelem a központra, illetve a számítógépre. Sajnos nincs soros (rs232) port a laptopomon, ezért beiktattam egy USB-soros adaptert. A DLS-ben beállítottam,hogy PC linket használjon kommunikációra. Egy szó, mint száz: a számítógépem nem tud csatlakozni a központra. Van valakinek ötlete, hogy mi lehet a probléma? |
Bejelentkezés
Hirdetés |











