Fórum témák
» Több friss téma |
Fórum » Egyfázisú villanymotor fordulatszám szabályozása
Témaindító: mikado, idő: Okt 25, 2005
Témakörök:
Szervusz! Nem tudni, hogy az áttétel jól van-e kiszámolva és a nyomaték így hogyan alakul a motorra nézve de félő, hogy a meglévő tömeg amit mozgásban kell tartania az már meghaladja a motor képességeit ha nem jár kiegyensúlyozottan. Az áramfelvétel sok mindent elárulna ha meg tudnád mérni, méretni egy lakatfogóval üresjáratban és hajtásláncban külön-külön.
Ezt a jelenséget a motor úgy produkálja hogy nincs semmi a tengelyén csak bedugom és bekapcsolom. A rezgés frekije elég magas és nem üt nagyot, azt is el tudom képzelni hogy ezek (ilyenek) de mondom nem vagyok benne azért biztos...
Hi Mesterek.
Tudnátok valamilyen kapcsolást ajánlani csiszoló gép fordult szabályzásához? Valószínű hogy kommutátoros motor van benne. Válaszokat segítséget előre is köszönöm!
A "valószínű", az kevés. Majd ha pontosan tudjuk...
Szia!
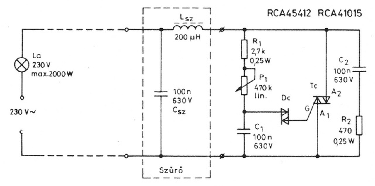
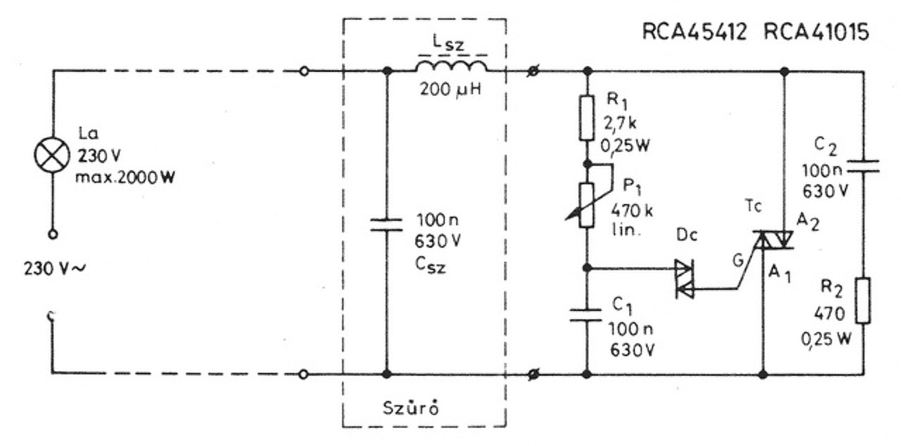
Ez nem egyfázisú motor, hanem univerzális, amihez jó a triakos teljesítményszabályzó.
Szia!
Köszönöm a segítséget, akkor valószínű hogy ez jó lesz hozzá?
Ok, köszi.
Egy kérdés, lehet hogy hülyeség. Utánanéztem hogy mi is az a diak, és zénerhez hasonlították aminek mind két irányban van letörési fezsültsége. Akkor ennek is van feszültség értéke mint a zénernek pl.:5,1V, mert a kapcsoláson nem látni.
Akkor a lentebb említett kapcsolásba pl.: egy db3, diak jó lesz?
Jó lesz a DB3. A diak azért speciális, mert a Z-diódával ellentétben nagyon határozottan törik le, gyakorlatilag átmeneti ellenálláscsökkenés nélkül.
Elkészült, köszönöm a segítséget Mindenkinek.
100W villanykörtével működik szépen, géppel még nem próbáltam.
Szia! Én is pontosan ezt a kapcsolást készülök megépíteni motor szabályzónak. Viszont kétfajta elrendezésűt lehet látni, az egyik ez, ahol a betápról megy közvetlenül a triak vezérlőelektronikája is, a másik ahol a betáppal sorosan van a terhelés és a triak elektronikája a triakkal párhuzamosan kapcsolódik, mint például skori kapcsolásában is: Középtájt vagy a képen.
A kérdésem, hogy ez az elrendezésbeli különbség befolyásolja a használható motor típust (kefés-univerzális, aszinkron) vagy más paramétert, például a második esetben a soros induktivitáson létrejövő fázistolás miatt?
A "végeredmény" szép, gondos, tetszetős munka! Nyák rajzot feltennéd?
Köszönöm!
Szia!
A triakos fázishasítós szabályzókkal a hálózati feszültség értékét változtatjuk a gyújtásszög állításával. A feszültség változtatásával elsősorban a kommutátoros (kefés) univerzális motorok fordulatszáma változtatható többé-kevésbé korrekten. Az aszinkron motorok fordulatszámát csak nagyon korlátozottan, elsősorban a felső tartományban lehet stabilan változtatni a feszültség módosításával. A vezérlő elektronikák kialakításának több szempontja van, nehéz röviden válaszolni a kérdésedre. Azon terhelések, amelyeknek nincs belső feszültsége, a triak kikapcsolt állapotában a vezérlő elektronikához képest olyan kicsi impedanciájúak, hogy érdemben nem befolyásolják annak működését. Viszont ha bekapcsol a triak, a közel nullára csökken a feszültségük, ez alaphelyzetbe hozza az időzítő áramkört, és ekkor már nincs disszipáció az egyes elemeken. Ilyen a hozzászólásodban feltett rajz is. Persze van ezeknek hátrányuk is, ilyen az úgynevezett "hiszterézis" jelensége, illetve ha olyan nagyra állítod a gyújtásszöget, hogy nem következik be a triak begyújtása, nem következik be az áramkör alaphelyzetbe állítása. Ezen problémák kivédésére több megoldás létezik, amit a Baxi hozzászólásában lévő rajzon, illetve a Skori oldalán lévő fényerőszabályzó kapcsolásokban részben megtalálhatunk. Ha érdekelnek a részletek, ajánlom Lóska Péternek a triakokról szóló könyveit. A zavarszűrő a rádiófrekvenciás tartományban hatásos, 50Hz-en érdemben nem befolyásolja az áramkör működését.
Szervusztok.
Egy számomra érdekes dolgot véltem felfedezni szombaton porszívó javítás közben. Nem volt nagy gond csak meg volt szakadva a kábel dobban a kábel. Szétszedéskor egyből kiszúrtam egy 14 lábú IC-t a szabályzó panelon.Meg a szokásos triac-ot a hűtőbordán. Gondoltam valami komoly PWM-es szaggatást kap a triac egy 556-os vagy valami más típusú IC-ről. Nos a komoly PWM-es szaggatás ( gyújtás) nem áll messze a valóságtól .Hát azt hittem az agyam eldobom egy PIC16F630 kontroller figyel a panelon. Holmi feszültség ejtős táplálással megoldva az üzemelése . Mondanom sem kell, hogy egy potival lehet a fordulatot szabályozni . Mindez egy régi L.DL-ös Lervia márkájú porszívóba rejtve.
A kép csak illusztráció, nem árulom a "gépet". Egy lejárt hirdetés képe
.
Nem csoda. A PIC16F630 sokkal olcsóbb, mint egy spéci triacvezérlő és ha jó a programja, pontosan ugyanazt produkálja.
![]() Esetleg még többet. Fordulatszámstabilizálás, túlpörgés elleni védelem, ... Igaz, ezekhez egyéb érzékelő is szükséges. A hozzászólás módosítva: Okt 5, 2014
Hát igen.Egy HAL jeladóval még nyomaték tartást is meg lehetne csinálni.
De minek, egy hajdan 7eFt volt porszívóba ?Minden estre fogtam a fejem ,hogy egy 5 Ft Diac helyet ezt találtam benne.
Sziasztok !
Valaki olyasmi triakos kapcsolási rajzot nem tudna linkelni, ami induktív elemekhez is jó ? Mert állítólag az alap triakos kapcsolások csak ohmos terhelésre jók, az induktívakat nem szeretik. Kösz !
Már megtaláltam, ahogy itt olvasgattam.
Párhuzamosan kell kötni a triakkal egy ellenállást kondenzátorral.
Amennyiben komoly induktivitásokkal dolgozik az ember, az ellenpárhuzamosan kötött tirisztorok a védettebbek az újragyújtás ellen. Előfordulhat, hogy nem lehet kikapcsolni a gyújtásszög vezérléssel az áramot triak esetén. Én jártam így...
Az RC tag az áram elterelését végzi a bekapcsoláskor.
Ellenpárhuzamos tirisztorokkal nagy hegesztőtrafókat lehet szabályozni, mindenféle oltóáramkör meg kondenzátor nélkül. Személyes tapasztalat.
Én a haranghúzó nagy mágneseknél használok ilyeneket 4-5 kW-osaknál.
Kisebbeknél is lehetőleg olyan szilárdtest relét használok, amelyek tirisztor kimenetűek. A lökőáramuk is nagyobb.
Mármint az történhet hogy nem lehet szabályozni a kapcsolással ha túl nagy az induktivitás ?
Szóval ha hibát okoz az induktivitás nagysága, akkor mi történik ? Meghibásodhat az áramkör ?
Az újragyújtás miatt valamekkora áram megszakítás nélkül folyik a terhelésen ha egyszer bekapcsoltuk a szabályozót.
Én húzómágneseknél akartam anno használni, hogy ne kelljen egy kopó alkatrészt használni - mágneskapcsolót, vagy relét - a két kisebb mágnes működött, a nagy nem kapcsolt ki, miután eltűnt a gyújtóimpulzus. Nem akartam ezen sokat agyalni akkor, maradt az elektromechanikus kapcsoló. Ráadásul, ha a triak melegszik, a téves gyújtás megszaporodik... A hozzászólás módosítva: Okt 14, 2014
Szia!
Ebben az esetben hanyagolnám nagyon a triacos vezérlést. Egyáltalán nem biztos, hogy a motorod szót fogad.. - a teljesítményt nem lehet lineárisan szabályozni mindenfajta egyfázisúnál, hamar lebökne... - a triacnak nem mindegy, milyen a gyújtóköre és I vagy III, IV. negyedben gyújtod, - az RC tag se véd meg minden ellen, - ha begyújtva marad a fázistolás miatt, mintha ott se lenne és 230-cal megy a motor.. Vagy ellenpárhuzamos tirisztorok, vagy kicsit pazarló, graetz hídban 1 tirisztor és egyszerű a gyújtás.. A hozzászólás módosítva: Okt 14, 2014
Szóval ha működik, akkor OK, ha meg nem, akkor sem csinál kárt.
Nagyszerű. |
Bejelentkezés
Hirdetés |









. Mondanom sem kell, hogy egy potival lehet a fordulatot szabályozni
. Mindez egy régi L.DL-ös
. 