Fórum témák
» Több friss téma |
Fórum » Egyfázisú villanymotor fordulatszám szabályozása
Témaindító: mikado, idő: Okt 25, 2005
Témakörök:
Hello! " A triakokat lehet párhuzamosítani?" NEM..
Minek kellene párhuzamosítani? Veszel nagyobb áramú példányt és kész. De a legtöbb még olcsó típus is tud 6-8A-t. Annál mihez kell több áram?
A 4-es
![]() Én már nyomatéktartót csinálnék, ha építeni kell.
Sajnos nem pesti vagyok és itt 'falun' vagy nincs vagy túlzottan drágán van. 2 tirisztor is megteszi ellenpárhuzamosan kötve közösítve a gatet nem? Van pl 2n6347 és 6403, de találtam olyat hogy alternator az mi a fene? A rajzjele olyan mint a triacnak: TODV840C516 a típusa, mondjuk az adatlap szerint elég combos darabok.
De hogy ne offoljak a zajszűrőnek akkor jó lesz a 25x15x10-es torroid mag? Csak egy tekercset tekerjek rá vagy két darabba bifilárisan? Gondolom olyan 1,2-1,5mm-es huzal megteszi és jó sok menet. (Nyomatéktartás meg minek egy szivattyúhoz? Még egy flexhez is felesleges.) A hozzászólás módosítva: Márc 31, 2015
Idézet: „ellenpárhuzamosan kötve közösítve a gatet nem” Így gyakorlatilag csináltál egy drótot... Hogy minek a nyomatéktartó kapcsolás? Ezt írtad pl.: Idézet: „Egyébként is jobb lenne egy fordulatszám változtatós kapcsolás, másra is jól jön ha mégsem jön össze.” Azért kíváncsi lennék arra a flexelésre, ahol üresjárásban egy különálló dobozon potival beállított negyed fordulattal hogyan dolgozna bárki. Ami persze nem nyomatéktartó, mert minek. Én már ettem is ilyet... A hozzászólás módosítva: Márc 31, 2015
Feltéve, hogy a zavarszűrő toroidot vetted ki(sárga v. sárga-fehér), 15-15(20-20) menet ellentétes irányban, 1.2mm-esből elég.
Sárga színű.
Nem lehet 2 tirisztorból egy triakot csinálni? Flexelésnél pl ha 4 vezetékes a kálel akkor a flex kapcsolója helyett lenne egy poti úgy húznám neki ahogy kell, de már kicsit eltértünk a témától. Egyelőre a szivattyú a cél.
Egy triak nem abból áll, hogy ellenpárhuzamosan van kötve két tirisztor. Ez annál komplikáltabb, egy integrált áramkör szintű dolog. A kéttirisztoros kapcsolás a mellékletben.
A hozzászólás módosítva: Márc 31, 2015
A két tirisztoros megoldás is jó lehet, de bonyolultabb vezérelni, de Te tudod. Első körben ha a zavarszűrőt kihagyod nem lesz probléma,először működjön az elvárt funkció, utána be lehet tenni egy kisebb zavarsz.
Ok-ok. Lassan elkezdem tervezni a nyákot majd felteszem véleményezésre.
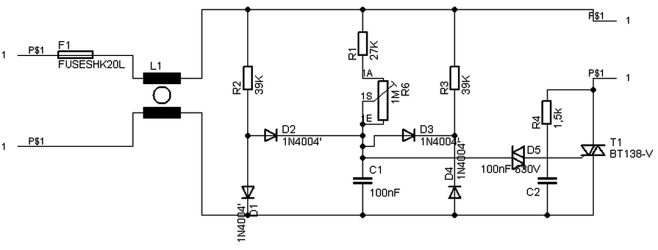
Helló!
A zavarszűrést akkor így kéne megcsinálni ugye?
Én tennék az L1 elé- és utána is egy-egy 10-220nF-os kondit, mert magában a tekercs még nem szűri ki a zavarjeleket.
Értem, pótoltam. Még egy kérdés milyen kondit érdemes tenni c1 és c2 illetve a tekercsekhez? Konkrétan minőség és feszültség érdekelne. A tekercsekhez a képen lévő kettő közül melyik a jobb 2-2 van mindkettőből, illetve van még 1974-es remix 100nF 630V?
c1 c2-nek sem jó a 400V dc-s? Adatlap szerint 200V ac-ig jó, bár nem értem hogy jön ki a 200V ac ha 400V dc, illetve a remixek c316-osak az mennyire számít jó kondinak érdemes ide elpazarolni?
A hozzászólás módosítva: Ápr 6, 2015
C1-nek nem kell nagy feszültségtűrésű, mert ott a diak korlátozza a maximális feszültséget.
Ok, ez a c316-os remix jó másra is, érdemes ide betenni?
Sziasztok, sajnos csak most jutottam el hogy kipróbáljam a megépített áramkört. 150-230 között lehet csak állítani a kimenetet. 100k potit kéne cserélni nagyobbra vagy a 100nF kondit kéne növelni, hogy lejjebb lehessen vinni a feszt? Kb. 100V-ig jó lenne.
Ez így ebben a formájában sima multiméterrel nem mérhető, illetve nem a fordulatszámnak megfelelő lesz a mért érték. Inkább kösd rá a motort és úgy próbáld. A 100n-s kondihozkb 220k poti kell. De talán járható út lenne a kondi értékének a csökkentése is, kb 68-82nF-ra. De a szabályozási tartomány erősen függ a triak gétáramszükségletétől is.
A hozzászólás módosítva: Ápr 26, 2015
Kösz. Lehet elég a 150V is, de elvileg amit a multival mérek az az effektív lenne nem? Nyilván a kapcsolási freki nem tesz jót a pontosságnak, de saccolásra sem jó? Egy izzót közöttem rá valamelyest csökkent a fényereje, de nem lehetett túlzottan állítani. Majd kipróbálom legfeljebb kicserélem 220K potira, bár legjobb lenne a kívánt értéknél fix ellenállást betenni.
Egyébként, hogy lehet ezt kiszámolni, hogy mekkora poti kell neki?
A rajzon 1M-ás poti van, amivel feltehetőleg át tudod fogni a teljes tartományt.
A legtöbb egyszerű műszer abszolút középértéket mér, nem valós RMS-t. Ki lehet számolni, de nem egyszerű. A 100nF-os kondenzátor töltődését kell kiszámolni a sorosba kötött fix ellenálláson és potméteren keresztül a hálózati feszültségről. A töltő feszültség szinuszos lefolyású, a kondenzátoron a feszültség emelkedése kb. y=1-cosx függvénnyel írható le. Ha a kondenzátoron a feszültség eléri a diak billenési feszültségét, akkor lesz gyújtás.
Tényleg valamiért 100K rémlett, de igazad van, akkor a probléma megoldva.
Sziasztok!
A kapcsolás működik, de egy kérdésem még lenne. Sajnos nem tudom beállítani ezt a villanymotort. Hova kéne forgatni a szénkeféket hogy a legideálisabb legyen? Ha a semleges zónából indulok akkor nagyon szikráznak a kefék, de kisebb áramot vesz fel, ha forgatom a keféket a forgásiránnyal ellentétes irányba csökken a szikrázás, de drasztikusan nő az áramfelvétel. Kb. 180V-ra állítva az áramkört a semleges zóra környékén 2,6A forgatva egészen 3,5A-ig fel lehet vinni. Semleges zónánál nagyon melegszik a kommutátor és az egész motor. Hogy kéne normálisan beállítani? Abban sem vagyok biztos hogy megfelelőek a szénkefék benne (850W-os niagara szivattyú). A hozzászólás módosítva: Máj 17, 2015
Az azért nem olyan drasztikus áramnövekedés. Mindenesetre optimumot kell keresni, az a jó beállítás, mikor nem szikrázik a motor, a legcsendesebb, (nem morog), ha túl vagy az optimumon, akkor elkezd lassulni, és a hangja is erősebb. Persze jó lenne a nyomatékát is mérni, ahol a legnagyobb a nyomatéka, esetleg a fordulatszáma is a legnagyobb, egy meghatározott állásban, szabályzás nélkül. Mondjuk, a kefehíd optimális állása is fordulatszám függő.
A hozzászólás módosítva: Máj 17, 2015
Mindenhol szikrázik. A semleges zónában rossz hangja volt és nagyon melegedett.
Sajnos házi körülmények között nyomatékot nem tudok mérni főleg h rajta van az egész szivattyú rész és a motor is le van fogatva elég bonyolult módon. A forgásiránnyal szembe forgatva csendesült és kevésbé szikrázik, de nőtt az áramfelvétel. Jó lenne tudni mekkora a a normális érték. Fülre beállíthatom, de jó lenne egy jobb megoldás. A legjobb lenne hogy ha menet közbe állítanám, de az elég nehézkes és nem egy életbiztosítás. Próbáljam beállítani oda ahol a leghalkabb és legkevésbé szikrázik? Kefével kapcsolatban mit tudsz mondani? Látszik a keféken egy pici elszíneződés gondolom a hőtől vagy a rossz kommutációtól. Érdemes megpróbálni bronzosabb kefével? A jelenlegi fényes szürkés fekete, de találtam itthon enyhén vöröses-szürkés bronzkefét.
Sziasztok!
Ebben a témában keresek. Esetleg van valakinek valami eredménye ilyen témában? Szeretnék egy egyfázisú aszinkron motorhoz PIC vezérelt frekiváltót és minden segítség jól jönne! Előre is köszönök minden tippet!
Szia!
Én még nem építettem, de néhány tippel talán segítek. Először is rengeteg megoldás létezik. Lehet tirisztorokkal/triakokkal is frekvenciaváltókat építeni, de a kérdésedből azt sejtem, hogy valamilyen IGBT-s/FET-es megoldásra gondolsz. Ezeknek is sokféle kialakítása létezik. Egy áttekintő cikk a sok közül: Bővebben: Link De rengeteg segítséget találhatsz a Microchip oldalán is: Bővebben: Link Bővebben: Link Ha már választottál topológiát, érdemes egy specifikációt összeállítani, ami az elvárásaidat tartalmazza, és az alapján választani/méretezni a főáramköri elemeket. Ezek már tovább határolják a többi elektronikai áramkört.
Sziasztok!
Keresem a legegyszerűbb megoldást a következő feladatra: egy kétsebességes (18 és 24 képkocka/mp) 8 mm-es filmvetítő sebességét akarom fokozatmentesen állítani a kettő között (a videokamera 20-as képfrekijével való manuális összehangolás céljából. Kontroll: a kép villózásának megszűnése). |
Bejelentkezés
Hirdetés |













