Fórum témák
» Több friss téma |
- Ez a felület kizárólag, az elektronikában kezdők kérdéseinek van fenntartva és nem elfelejtve, hogy hobbielektronika a fórumunk!
- Ami tehát azt jelenti, hogy a nagymama bevásárlását nem itt beszéljük meg, ill. ez nem üzenőfal! - Kerülendő az olyan kérdés, amit egy másik meglévő (több mint 17000 van), témában kellene kitárgyalni! - És végül büntetés terhe mellett kerülendő az MSN és egyéb szleng, a magyar helyesírás mellőzése, beleértve a mondateleji nagybetűket is!
Sziasztok! lenne két nagyon amatőr kérdésem, egy rendszer elemmel való tápellátásával kapcsolatban.
3.6 V-os elemet LDO feszültségszabályozóra kötök. A teljes rendszer erről a 2.5V-os kimenetről működik, semmi nincsen közvetlenül az elemre kötve. Ha kicserélem a 3.6V-os elemet egy 3.0V-os, de azonos kapacitású elemre (2000 mAh mindkettő), akkor a rendszer uptime ( = elem lemerülési időtartam) hogyan változik? második szituáció: 2 x 3.0V elem; a rendszer két részből áll: mikrokontroller (mindig bekapcsolva, 2.5V-ról megy), szenzorok (ritkán használva, 5V) Szerintetek itt az A vagy B verzióban bírná tovább a "fő"elem (BAT2 illetve BAT4) ? előre is kösz a segítséget
Hello,az lehet,hogy van benne izzóvédő áramkör de ha előre teszek egy kapcsolót nem értem,hogy miért világít jobban hátul az izzó.
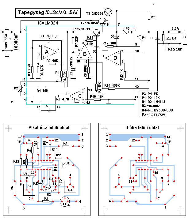
Sziasztok!
Azt szeretném tőletek kérdezni, hogy a mellékelve található labortáp kapcsolásban a T2 tranzisztor mennyivel melegedik kevésbé, mint a T3. A T3 most füstölt el nekem, mivel kis bordán volt. Arra szeretnék következtetni, hogy a mostanihoz képest, mekkora méretű hűtőre lenne szükségük. Köszi! Üdv!
Üdv Mindenkinek!
A napokban kezdtem el építeni egy keverőpultot 3 bemenettel. Már majdnem kész, csak a dizájnon töröm a fejem. Arra gondoltam, hogy raknék egy-egy LED-et a bemeneti RCA csatlakazók alá, amik akkor világítanak, ha van bemeneti jel. Ezt mivel tudnám megvalósítani?Köszönöm a segítséget: Balázs
Sziasztok!
Most ötletért fordulok hozzátok! A cél az elektronika népszerűsítése, kis sikerélmény szerzése laikusok számára. Olyan egyszerű kapcsolásokat keresek, amik valamennyire látványosak, mégis pár alkatrésszel összeforraszthatóak ( előre gyártott panelre ). Gondolok itt az 1 ledes villogótól egész a drawdio-ig. Ha valakinek van ötlete, ossza meg ha kérhetem. Köszi előre is
Én a 2 ledes astabilt ajánlom. Én havernak panelt is gyártottam rá, és elkészítettük, + kapott 5-öst technikából érte, ami kellet neki az év végi osztályzatért.
Igen, ilyenre gondolok, csak nincs sok ötletem, pedig kéne még pár, és a villogáson kívül is jó lenne valami, de nem vagyok elég kreatív.
Hello!
Gondolom azt a 200 Celsius fokot a katalógusból nézted ki. Tj-vel jelölték. Akkora hőmérsékletet a tranzisztor "belseje" visel el. A külső TO3 tok ennél alacsonyabb hőfokra melegedhet. A külső tok kb. 120 fokot még elvisel, de az már a felső határ környéke. Ilyenkor a tranzisztor belseje már közel járhet a felső határához. Tehát a lényeg, a tranzisztorokat mindig becsülettel kell hűtteni.
Hello.
Pár kapcsolás az oldalról. Ping-pong villogó Egyszerű 1 LED-es villogó http://www.hobbielektronika.hu/kapcsolasok/rendorsegi_villogo_attin...t.html Nézz szét itt az oldalon a kapcsolások között. Van rengeteg egyszerű kapcsolás, biztos találsz megfelelőt.
A konyvespolcomon talalsz 1-2 regebbi panelos konyvet kezdo elektromos zseniknek.
Köszi mindkettőtöknek, ilyeneket kéne összeszednem.
Sziasztok!
Nagyon kezdő kérdést szeretnék feltenni nektek, van egy ilyen erősítőm, és venniakarok hozzá 2 db hangdobozt, mivel stereo az erősítő. a kérdésem hogy a 2 féle hangdoboz közül melyik szólna jobban mennyivel: Első: 4 ohm 200/500W (sinus/zenei) 95dB hangnyomás. második: 8 ohm 150/400W (sinus/zenei) 95 dB hangnyomás. Gondolom hogy 4 ohm os jobban szólna, de lehet csak a másikat tudom megvenni, ezért kérném segítségeteket abban hogy mennyivel lenne rosszabb a 8 ohm os köszönöm előre is!
Az hogy hogy szól a hangszóró az impedanciának semmi köze. Az erősítő teljesítményét befolyásolja ha nem illeszkedik a hangszóró.
Szia!ű
Köszi a válaszod, most kicsit számoltam, tehát adott az erősítő ami : 4 ohm = 120W 8 ohm = 80 W és a hangszórók egyik 4 másik 8 ohm, és mindkettőnek 95 dB a hangnyomása. és az aszt jelenti hogy 1W/1m=95 db, és a teljesítmény hatványozásával ugye mindig 3 dB-vel nő, és most azt számoltam ki hogy a hangdobozok hangnyomása az erősítő teljes kivezérlése esetén: 4 ohm osnak= 115,810 dB 8 ohm osnak =114,875 dB De ha durván számolunk akkor is olyan 2 db eltérés lehet, az a kérdésem hogy most ezt jól számoltam vagy nagy baromságot csináltam? Tehát ez alapján mindegy lenne melyik fajta hangdobozt veszem meg ugye? köszi újra!
Nem tudom mit számolgatsz. Az általad megadott erősítöre oda van irva 4Ohm 120W 8Ohm -80W.
Ez a különbség.
8 Ohm-on kisebb az erősítőd teljesitménye.
Igen azt értem hogy kisebb a teljesítmény, de ara vagyok kíváncsi, hogy ez a külömbség mennyit számít a hengerőn, ha jól számoltam, majdnem ugyanolyan hangnyomással szól mindkét hangdoboz. Amúgy ennek a cikknek alapján számoltam.
Tehát azt mondja meg nekem veleki légyszives hogy mennyivel járnék rosszabbul ha a 8 ohm osat venném köszönöm!
Annyival hogy 120W - helyett 80W-ot ad le az erősítőd.
A cikkben leírtak alapján számolsz akkor konkrétan szinte teljesen ugyanazt a hangerőt érjük el mindkét hangdobozzal, egyikkel 114, másikkal 115 dB olvasd el a cikket! De valaki mondja már majd meg hogy jól számoltam-e az előbb.
Köszi szépen!
Sziasztok!
szeretnék csinálni, egy 2 helyről vezérelhető 1 fogyasztós (refi) kapcsolást.. A "probléma" az vele, hogy a 2 kapcsoló kb ~80méter távolságra van 1mástól, meg nem akarok 230-at vinni a kapu közelébe... (így a sima párhuzamos kapcsolás, legalábbis erősárammal kizárt...) Úgy szeretném megcsinálni, hogy gyenge árammal vezérelnék 1 mágneskapcsolót, ami impulzusra (kapcsoló megnyomásra) kapcsol, majd a következő impulzusra oldalana.. Hogyan tudnám ezt kivitelezni? Udv.: bdani
Hali!
Skory weblapján van egy pont neked való áramkör: Bővebben: Link Görgess lefele, és ott lesz, két relével van megoldva a problémád (szinte szóról szóra ugyan ilyen gondokat sorolt fel az áramkör tervezésénél).
Üdv ! Sajnos nem értem a csillag-delta kapcsolás működési elvét és annak megoldását ! Első éves vagyok az egyetemen és szeretném ha kezdő szinten magyaráznátok el !
Válaszaitokat előre is köszönöm ! Üdv Attila
Szia!
Egy egyetemistának való összefoglaló: Bővebben: Link
Sziasztok!
555-el készítek egy olyan időzítőt ami kb. 10 percig van magas szinten majd kb. percig alacsony szinten. A segédprogram alapján. R1=9M R2=900k C=100 uF Ebben az esetben a frekvencia 0,0013 Hz. Ez nem fog gondot okozni? Valahogy az 555-nél nem bírom megérteni, hogy tudok időt állítani, de valahogy nincs kapcsolatban a frekvenciával. Van nem értem. A fenti érték nem akkor lenne jó, ha a frekvencia 1 Hz lenne?
Hello!
Köszi szépen,hogy feltöltötted a "könyveket"! Elkezdtem olvasgatni és sok számomra hasznos dolgot találtam benne,így legalább nem kell mindent megkérdeznem.
Hello,2*15w os 12voltos izzót mekkora ellenállással lehet kiváltani?Köszi
Az erősítőd akkor van a legjobban kihajtva, ha 4ohmon van terhelve. Ha két azonos ládát kötsz rá, de az egyik 8ohmos, akkor 3dB-lel kisebb hangnyomásra lesz képes, ugyanarról az erősítőről, mint a 4ohmos. Kivételek vannak, pl A osztályú erősítőnél, de ebbe ne menjünk bele. Összegezve: Ha az erősítőd 4ohmon adja le a legnagyobb teljesítményét, akkor 4ohmos hangszórót keress hozzá. Vagy ha nem érdekel a max.teljesítmény, akkor teljesen mindegy, hogy milyen ládát veszel. Egyébként a 95dB szerintem csak papíron annyi, ne ebből indulj ki.
|
Bejelentkezés
Hirdetés |





Arra gondoltam, hogy raknék egy-egy LED-et a bemeneti RCA csatlakazók alá, amik akkor világítanak, ha van bemeneti jel. Ezt mivel tudnám megvalósítani?
Tehát a lényeg, a tranzisztorokat mindig becsülettel kell hűtteni.





