Fórum témák

» Több friss téma
Fórum » Elektronikában kezdők kérdései
- Ez a felület kizárólag, az elektronikában kezdők kérdéseinek van fenntartva és nem elfelejtve, hogy hobbielektronika a fórumunk!
- Ami tehát azt jelenti, hogy a nagymama bevásárlását nem itt beszéljük meg, ill. ez nem üzenőfal!
- Kerülendő az olyan kérdés, amit egy másik meglévő (több mint 17000 van), témában kellene kitárgyalni!
- És végül büntetés terhe mellett kerülendő az MSN és egyéb szleng, a magyar helyesírás mellőzése, beleértve a mondateleji nagybetűket is!
Lapozás: OK   183 / 4060
(#) Müszi válasza Hroot hozzászólására (») Márc 3, 2008 /
 
A kimenetére ráakasztasz egy tranyót, vagy FET-et
(#) Hroot hozzászólása Márc 3, 2008 /
 
oké összebuherálok valami rajzot aztán azt is felrakom oké?
(#) Hroot hozzászólása Márc 3, 2008 /
 
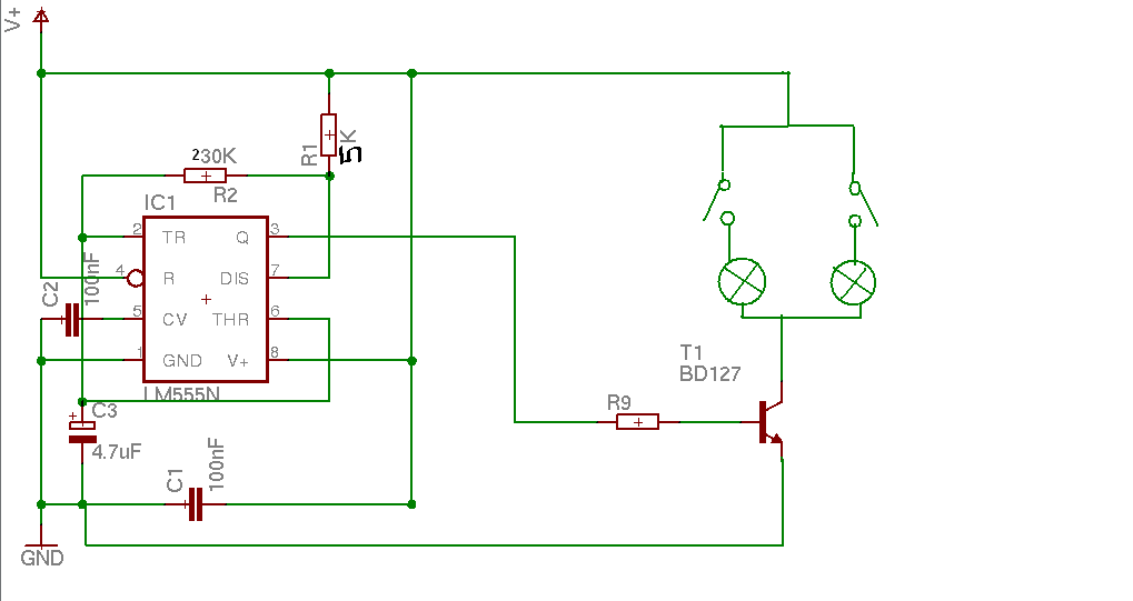
na el is készültem az égők elvileg 0.75s-t világít és 0.75s-t nem világít. Ha az egyik gomb le van nyomva akkor az világít amelyik előtt le van nyomva a gomb, és ha nincs lenyomva akkor meg nincs semmi

ledflash.png
    
(#) Balázs válasza Hroot hozzászólására (») Márc 3, 2008 /
 
A tranzisztor emittere tápfeszen van!
(#) Hroot válasza Balázs hozzászólására (») Márc 3, 2008 /
 
így valahogy?

ledflash.png
    
(#) Balázs válasza Hroot hozzászólására (») Márc 3, 2008 /
 
Nem! Még mindig tápfeszen van, csak most másik úton vitted oda. A földre kötsd!
(#) Frankye válasza Hroot hozzászólására (») Márc 4, 2008 /
 
Nem. Így valahogy.

flash.png
    
(#) Balázs válasza Frankye hozzászólására (») Márc 4, 2008 /
 
De neeem! Nézd meg jobban, az még mindig a táp. A föld a "C1 előtt" van.
(#) Hroot hozzászólása Márc 4, 2008 /
 
Ja értem szóval így:

ledflash.png
    
(#) fureszk válasza Balázs hozzászólására (») Márc 4, 2008 /
 
Így jó, nem?

gd.png
    
(#) fongab válasza fureszk hozzászólására (») Márc 4, 2008 /
 
Igen ez mát működhet.

Idézet:
„ha nincs lenyomva akkor meg nincs semmi”

Ez így nem igaz. A 555 mindig működik.

Idézet:
„Ha az egyik gomb le van nyomva akkor az világít amelyik előtt le van nyomva a gomb”


Ez se igaz. Ha mind a kettőt lenyomod mind a kettő világit. ha az egyiket bekapcsolód a másikat is belehet, kapcsolni.
(#) Hroot válasza fongab hozzászólására (») Márc 4, 2008 /
 
mármint úgy értem, hogy ha csak az egyik gomb van lenyomva akkor nekem csak az egyik fog világítani, vagy nem?
(#) Balázs válasza Hroot hozzászólására (») Márc 4, 2008 /
 
Igen, ez így már jó.
(#) fongab válasza Hroot hozzászólására (») Márc 4, 2008 /
 
Amelyik gomb le van nyomva az világit. Ha csak az egyik, akkor csak az egyik, világit. Ha mind a kettő, akkor mind a kettő világit.

Tehát nincs benne az hogy, elsőnek lenyomott gomb után, a másik márt nem világithat.

Az 555 folyamatosan megy. Ha a kapcsoló és égő összekötő vonalra beteszel egy diódát úgy hogy a jelöletlen fele menjen az összekötő vezetékre. Majd ezt a másik kapcsolónál is meg csinálód. Majd a két dióda jelölt részét összekötőd, és ez menne az IC –re akkor csak ha nyomod a gombot akkor megy az IC. Hátrány az első töltési idő hosszabb. Megnyomod a gombot nem világit le telik a feltöltődési idő világit, majd, nem világit, stb, stb.
Ami most a rajzon van, ott bármi lehet. Attól függ hogy az 555 hol tart. Kezdhet úgy, hogy világit, vagy nem világit, vagy csak kapcsolás utáni rész, valamelyik állapot töredéke.
(#) idavid hozzászólása Márc 4, 2008 /
 
hali,

sikerült egy régi diszkólámpából szereznem egy olyan trafót, ami két, különálló szekunderes. a primer 230V, a szekunderek mérve 11.8 V (ez gondolom 12V), illetve +/- 13 V. az lenne a kérdésem, hogy a +/1 13V jó e a szimmetrikus TDA2030-as tápjához (oda elvileg max. 12 V mehet, de ez gond? vagy a graetzen esik annyi feszültség, hogy jó legyen)? a másik, szimpla 12V ágra pedig egy előerősítős hangszínszabályzót, illetve egy kivezérlésjelzőt gondoltam, illetve egy ventillátort, mivel kis helyre építeném be a cuccot.
(#) kaqkk válasza idavid hozzászólására (») Márc 4, 2008 /
 
Ha jol tudom a tda 18v ot elbír. De! haa 12 v ot egyenirányítod puffereled az elkón a12v 1.41* ese jelenik meg alapon 16.9 . mérj rá ! szerintem jó lesz legalább 4700mikrofarádos kondit köss rá . Ja és nézd meg az ic adatlapját ,valószínűleg itt a HE -n is megtalálod.
(#) kaqkk válasza kaqkk hozzászólására (») Márc 4, 2008 /
 
Megnéztem 22 v a max megengedett tápfesz nyugodtan kösd a 13v os részre .Az is csak 18.33v lesz.
(#) ormandistvan válasza _ampervadasz_ hozzászólására (») Márc 4, 2008 /
 
Lenne még egy kérdésem az előző segítőkész kiegészített rajzoddal kapcsolatban.

555 timer astabilban
R1: 100Kohm
R2: 5Kohm
C: 220uF
így
T1: 16008.3ms -Nekem ez az idő kellene lekapcsolva
T2: 762.3ms -Ez pedig Bekapcsolva (relé behúzva)

Ebben az esetben elég ha rajzodon szereplő NPN tranyót lecserélm PNPre, igaz? Nem kell módosítás?

Köszönöm eddigi segítségedet is!!!
(#) _ampervadasz_ válasza ormandistvan hozzászólására (») Márc 5, 2008 /
 
Heló a kapcsolásodnál az értékeket jól számoltad ki az teljesen okés. A rajzon lévő n-p-n tranyó tökéletesen megfelel, azt nem kell kicserélned. Ez a tranyó csak arra van hogy a szilásrdtest relédet kapcsolgassa, és ne az 555-es ről kelljen közvetlenül kivezetni mert nem birná el a relé terhelését. (szint illeszti a kapcsoló jelet)
Ja de azért tudod hogy 12V-ról kell üzemeltetned! a 7805 ös IC csak stabilizálja 5V-ra az 555-öst mert ezt igényli. relébe meg könnyebb szerezni 12V -ost. Azt a 7805 IC elé kötöd adsz az egésznek 12V-os tápot s mükszik. Remélem sokat tudtm segíteni sok sikert az építéshez!
(#) _ampervadasz_ válasza ormandistvan hozzászólására (») Márc 5, 2008 /
 
ja a relédnek meg egy 1N4148 diódát rakjál mert láttam hogy nincsen semmi érték mellette feltüntetve. És ez fontos!
(#) Frankye válasza Balázs hozzászólására (») Márc 5, 2008 /
 
Nyertél!
(Nem szabad reggeli előtt elektronikával foglalkozni... )
(#) ormandistvan válasza _ampervadasz_ hozzászólására (») Márc 5, 2008 /
 
Köszönöm! A diódának én is 4148-asat szántam. csak a tranzisztoros témával voltam egy kis gondban. Kocsiba szánnám ezt a kapcsolást, ablektörlő vezérlésre, ugyhogy a 12V meg a relé adott gyárilag, ezt meg bekötöm elé vezérlésnek ha összejön.
Köszönöm!
(#) _ampervadasz_ válasza ormandistvan hozzászólására (») Márc 5, 2008 /
 
Ha bármi más kérdésed van csak nyugodtan... Sok sikert az építéshez!!! Illetve ott van az oldalam ott is találsz néhány kapcsolást ha érdekel még nincsen egy rahedli kapcsolás mert még nem volt annyi időm az oldallal foglalkozni de kerülnek fel azért f@xa dolgok. a forum 22 - 23 órakor lessz aktív mert azt még most pakolom konfigolom stb. http://www.interfesz.extra.hu
(#) jocokacska hozzászólása Márc 5, 2008 /
 
Heló!
Melyik a legkisebb és a legnagyobb kerámia kondenzátor amivel egy átlag kezdő talalákozhat. Azért kellene mert most rendszerezem az alkatrészeket.
A válaszokat előre is köszönöm! Üdv.: Jocó!
(#) kobold válasza jocokacska hozzászólására (») Márc 5, 2008 /
 
Az attól függ, mit épít az átlag kezdő Egy 555-ös időzítőhöz lehet, hogy 1 nF-os kell neki, tápvonalat szűrni meg 100 nF, ritkábban 470 nF. Ha tárhelyet készítenél, inkább legyen bővíthető, mert sose lehet tudni, mikor kell 2 db 18 pF-os is az első PIC-es próbához
(#) jocokacska válasza kobold hozzászólására (») Márc 5, 2008 /
 
Köszi szépen!
(#) marc hozzászólása Márc 6, 2008 /
 
Helló!
Remélem, jó helyen teszem fel a kérdést... Szóval az a helyzet, hogy egy régi építésű, sokadik-emeleti lakásban kéne kiépíteni a földvezetéket. Nincs semmi más, csak két villanyóra (egy normál, egy pedig éjszakai áramhoz). Az óráktól fázis és null jön. Olvastam olyat, hogy az óra után elosztom a null-t, egyikből földet csinálok, és utána sehol nem közösítem őket, akkor az jó nagyjából. Csináljam ezt? Vagy vmi más megoldás? (A vasrúd földbe leverése esélytelen...)
Am miután beszóltak nekem, hogy ne foglalkozzak ilyennel, hanem bízzam szakemberre, megkértem építész barátomat, hogy kérdezze már meg ezt egy villanyszerelő szakembertől, meg azt is, hogy mennyiért vállalna ilyet. No a "szakember" válasza az volt, hogy kössem rá a földet a vízvezetékre. Mondom király, de villanybojler van (lesz) bwaa... Azt csak nem földelhetem így... Szóval a szakemberesdi helyett inkább megcsinálnám magam, nem vagyok hülye, csak eddig még nem foglalkoztam ilyennel.
Előre is köszi!
(#) Dudus válasza marc hozzászólására (») Márc 6, 2008 /
 
Ha szabályosan akarod, akkor nem úszod meg , hogy kábelezz és földelőrudat leverj, majd ezt egyetlen bonthatatlan pontban közösítsd a szabványok betartása mellett a nullával is.

Ha barkácsolni kezdesz, akkor keress olyan eszközt ( pl. lift, központifűtés rendszer, amihez már villanyász kiépítette a földelést. Ekkor (nem a csőre kötve, hanem az ő földelőkábelét "megcsapolva") használhatod azt.

Ha nagyon barkácsolsz és víz/gáz/fűtéscsövet akarod felhasználni mindenképpen, használj FI relét!!!
(#) m.joco hozzászólása Márc 6, 2008 /
 
Hello
Csak azt szeretném kérdezni, hogy fej- illetve fülhallgatóknál az érzékenységet milyen távolságra értik a hangszórótól???
Üdv.
(#) _ampervadasz_ válasza marc hozzászólására (») Márc 7, 2008 /
 
hali a dolog úgy néz ki hogy a hálózati főelosztóból jön ki a kábel a fogysztásmérőkhöz Még előtte földpontra kötik a nullát,(közvetlenül földelt üzemivezető NEFH) és kiágaztatnak belőlle egy érintésvédelmi vezetéket (zöld/sárga, de a régi épületeknél piros) és ez közvetlenül megy be a lakás főelosztó táblájára! és nem az óra után ágaztatják le! (Csak a fázis megy keresztül az orán a nulla meg a fogyasztásmérőn belül össze van hidalva.) Na most ugye bejön a fázis nulla de most ez nem lényeg hiszen te a földelést akarod kiépíteni. Na most ha tényleg ki akarod építeni SZABÁLYOSAN akkor egy ÁVK (áramvédő kapcsoló) vagy zsargonnal FI-relét is kell alkalmaznod! Az ÁVK-n kerszetűl kell vinni a fázist nullát. A földelés már előtte ki van ágaztatava. Az ÁVK UTÁN A NULLÁT MEG AZ ÉRINTÉSVÉDELMET NEKÖSD ÖSSZE MÉG VÉLETLENÜL SEM, ÉS PL KONNEKTORBAN NE CSERÉLD ÖSSZE A NULLÁT A FÖLDELÉSSEL. Az ÁVK kiold mert nem a nullán folyik vissza az üzemi áram hanem az érintésvédelmen és emmiatt az ÁVK leold bármit is kapcsolsz be! Az érintésvédelmet minden kiterjedő fémes hálózatra rá kell kötni! Vagyis az számít fémes hálózatnak ami minden 3m nél szélesebb (fütés hideg melegvíz cső) és minden olyan fémeknél ami meghaladja a helyiség szintmagasságát (szintén meleg hideg fütés cső liftek főelosztó szekrények.) (egyedül a fémkorlátot nem kell földelni) Fontos a fürdő szobában kötelező a vizhaláózatot egyenpotenciálra hozni földelni ebbe bele tartozik a fürdőkád is! Na most ha nem tudod földelni, a zománcot ne sétsd meg mert ez is 5000V-ig szigetel De alul a perem alatt vagy a fém tartóra probáld meg rákötni! Na ha nem akarsz Fi-relét venni (mert a legolcsóbb is 16-17ezer forint) akkor is ne kösd össze a földelést a nullával stb. érintésvédelmi okok miatt. Ja amugy szerintem szintén szak emberre kéne biznod! Nem azért mert mintha nem értenél hozzá csak az a baj hogy anno nem végezték el szabályosan a villany szerelést nagyon sok épületben. PL.: sok helyen nem is volt földelés a nulla a konektorban összevolt hidalva vagy felcserélve vagy a földelésssel váltották ki a nullát! Ez még csak a szerencsésebbik helyzet ha el kezdesz turkálni a vezetékek között eltörhetnek mert régiek és biztosan aluminium vagy meghúzódik és elszakadhat a falban, van ilyen is és akkor keresheted hogy hol van a szakdás. Ha nállad nincsen földelés egyáltalán akkor az 100as hogy a többi vezetékkel sincs rendbe vmi. Ja vasrúd: azt akkor kell elvégezni ha nincsen egyetlen földelési pontja a háznak (de ilyen nincsen!!!!!), de azt a hálózati főelosztóban ott ahol az utszáról jön be a közcélú kisfeszültségű hálózat ott a nullát a földpontra kötötték egy szondán keresztűl, és ehhez kötötték hozzá a fütés meleg hidegvizes gáz csövet. Ezeket ugynevezett EPH sínre hozzák össze! Vagyis neked nem kell semmien földszondát leverni! Legfeljebb az alsó szomszédnak tudsz vele kedveskedni vagy örömert okozni.... Szándékosan veséztem ki ennyire a dolgot hogy tudd hogy hogyan jut be az áram a lakásodba és ha hasonló esetbe ütközöl akkor tudod mit kell tenned, és nem fusimunkát kell akkor végezned. Mert ok hogy müxik de az nem bizots hogy a szabványoknak megfelel szerintem keress azért ra a googlin az MSZ 2364 szabványnak ott vastagon minden le van irva mert az egy összesítő szabvány összefoglalja a régieket. De ez nem azzal egyenlő hogy a régieket nem kell betartani! Sok sikert a kiépítéshez!
Következő: »»   183 / 4060
Bejelentkezés

Belépés

Hirdetés
XDT.hu
Az oldalon sütiket használunk a helyes működéshez. Bővebb információt az adatvédelmi szabályzatban olvashatsz. Megértettem