Fórum témák
» Több friss téma |
- Ez a felület kizárólag, az elektronikában kezdők kérdéseinek van fenntartva és nem elfelejtve, hogy hobbielektronika a fórumunk!
- Ami tehát azt jelenti, hogy a nagymama bevásárlását nem itt beszéljük meg, ill. ez nem üzenőfal! - Kerülendő az olyan kérdés, amit egy másik meglévő (több mint 17000 van), témában kellene kitárgyalni! - És végül büntetés terhe mellett kerülendő az MSN és egyéb szleng, a magyar helyesírás mellőzése, beleértve a mondateleji nagybetűket is!
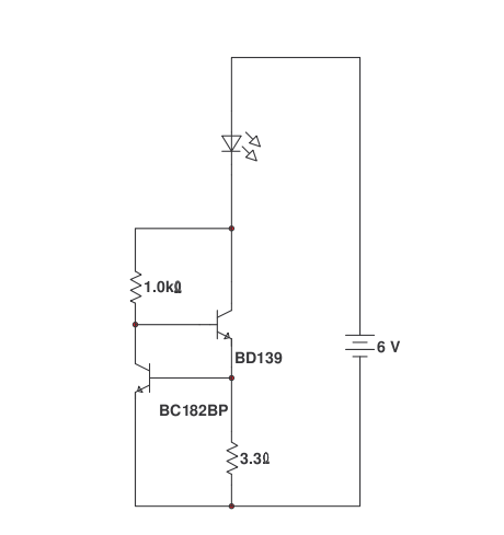
a piros azért világít mert anak alacsonyabba nyitófesze
üdv!
Hello!
Én a topik alattt, itt a He fórum, akkumulátorokkal foglakozó topikjaira gondoltam. Nyilván egy aksitöltő leírásban az akkumulátorok teljes lelki világát nem fogják minduntalan elmagyarázni. Szóval először tanulni, aztán cselekedni! Az aksi névleges feszültsége a 12V. Az, hogy 14,4V-ig feltöltjük, még nem jelenti azt, hogyott is kell maradjon. Általában a feltöltött aksin töltés után, terheletlenül, 12,5..12,8V feszültség mérhető. De ez is csak egy általános gyakorlati érték. Kisütött álllapotban is lépes mjdnem a 12V-ra visszajönni. Kicsit tanulmányozni kell a témához a valós feszültségforrások helyettesítő ábráit és működéseit. Akkor érthetőbbé válnak a "rejtélyek". (feszültségforrás-belsőellenállás-terhelés viszonyát) üdv! proli007
hello az lenne a kérdésem hogy ezen a rajzon a 2 bat85 helyett nem e lehetne használni 1n4148 at ?
itt a rajz
Az hangfrekit egyenirányít, de, jó lesz az is.
Hi
Az a kérdésem volna hogy egy erősítőnél a basszus tortyogását javítaná-e ha nagyobb áramerűsségű trafót raknék tápnak? (Természetesen házi gyártmányról van szó). Vagy csak nagyobb kondit rakjak a kimenethez ?
Ezzel a problémával én is szívtam, nagy eséllyel a jobban terhelhető trafó segít.
üdv!
A végfok hűtéscserére is, vagy extrahűtésre is szükséged lehet! Nagyobb teljesítményű transzformátor alkalmazása során odakell figyelni, a végfokozaton eldisszipálódó teljesítményre, ami hővé alakul 35-50%
Szevasztok! kérdésem! Sl10-es hőelemes pákámat tudom használni úgy ,hogy simán a trafóra kötöm a fütőszálját!Mert a forrasztóállomást megépítettem de nem működik viszont addig szeretném használni a pákát amíg nem jövök rá mi a gondja vagy újra nem építem! Gondolom ,hogy működik állomás nélkül is csak szeretném ha megnyugtatnátok hogy ha így fixre kötöm nem lesz semmi baja! előre is kösz!
Működni fog csak oda kell rá figyelni hogy ne melegedjen túl
Ha lehet ne legyen 16-nál nagyobb fesz rajta, mert nekem 24-el mivel kicsi hiba csúszott fejlesztéskor a vezérlésbe úgy felmelegedett hogy vörösleni kezdett a hegy.
Az nem olyan vészes mert kb. 420-430foknál már izzik a hegy, és az még az üzemi hőmérsékletbe bent van
Azt megfigyeltem, de egyszer odáig fajult a dolog hogy a szár is világított
Most dobozolom. Ha minden igaz még ma este kész lessz.
De lehet!
Nekem is az van benne. Ha jól emlékszem, akkor a bat85 schottky (gyos) dióda.
Sziasztok.Az baj ha műanyag dobozba teszek egy LM386-tal működő fejhallgató erősítőt??Nagyon zúgni fog??
köszi
köszke
Mi a különbség két elem között pl, egy AAA 800mAh és egy AA 800 mAh között?
Az ember első ránézésre azt hinné ugyanazt tudja a kettő akkor meg jóhogy a kisebbet veszem meg. A Bébi meg hasonló elemkről nem is beszélve. (nem értem miért kell 5000 Ft-os aksi a repülőmbe ami 1100mAh-ás 11 V-os miért nem elég mondjuk egy 9V-os meg egy 1,5 V-os) Na jó a motor 12A-t vesz fel és gondolom ez is számít, de tényleg ez az oka?
Vannak olyan készülékek amelyek méretük miatt kissebb elemet igényelnek, ha technikailag megvalósítható hogy kissebb legyen valami akkor nem fogják csak az elem miatt nagyobbra gyártani.
Az mp3lejátszómba például AA kell, maga a lejátszó vékonyabb és rövidebb mint egy AAA-s elem
Szia!
Erre s akpcsolásra gondolsz? Mert nekem 24V -al megy és semmi baja... tartja a hőfokot meg minden
Pont fordítva, az mp3-ba AAA -kell.
Bővebben: Link
Tud valaki adni egy 3 ledes villogó kapcsolást?Hasonló kellene mint az astabil multivibrátor
Lehetne. Csak felesleges. A típus nem igazán lényeges, alig 1-2 típus nem felelne meg.
Akkor jó, csak azért akarom pont azt a tipust, mert ebből van itthon
hogyan tudok külön kapcsólóval külön neont 220V-ról kapcsolni.
egy felső lámpa lessz belőle csak a neonok külön helyen lesznek és egy hálózatról szeretném őket használni mik kellenek hozzá már a fújtók megvannak kapcsolók megvannak,és a drtok is. mit tudnék kezdeni
Szia!
Ha úgy akarsz olyat mint az astabil multivibrátor, hogy egyszerre csak egy led világít, akkor ITT egy kapcsolás. Annyi módosítás kell hozzá, hogy ha nem akarod, hogy az órajel frekvenciájában is villogjon egy led, akkor kiveszed az 560ohm-os ellenállást, és a mellette lévő ledet. Természetesen csak 3 ledet raksz bele, az IC 2-es, 4-es, és 7-es lábára, a többit kihagyod, és a 10-es lábat összekötöd a 15-ös lábbal.
A külön kapcsoló alatt azt érted h több helyről?(legalább kettő) Ebben az esetben szükséged lesz két darab váltókapcsolóra! (106) Vagy ha nem ez, akkor mit takar a külön kapcsoló külön neont verzió? Vagy mi ebben a bonyolult?
Sziasztok!
Valakitől javításra kaptam egy ripityára tört dobozú tápegységet, amely egy energia-takarékos asztali lámpa tápegysége. Érdekelne a működése, mert úgy tűnik, hogy ez nem egy transzformátor csupán. A képek alapján tudna valaki valami magyarázattal szolgálni? Esetleg kapcs. rajzot is tud valaki adni? Előre is köszönöm: Göndör |
Bejelentkezés
Hirdetés |




köszi!
Most dobozolom. Ha minden igaz még ma este kész lessz.







