Fórum témák

» Több friss téma
Fórum » Elektronikában kezdők kérdései
- Ez a felület kizárólag, az elektronikában kezdők kérdéseinek van fenntartva és nem elfelejtve, hogy hobbielektronika a fórumunk!
- Ami tehát azt jelenti, hogy a nagymama bevásárlását nem itt beszéljük meg, ill. ez nem üzenőfal!
- Kerülendő az olyan kérdés, amit egy másik meglévő (több mint 17000 van), témában kellene kitárgyalni!
- És végül büntetés terhe mellett kerülendő az MSN és egyéb szleng, a magyar helyesírás mellőzése, beleértve a mondateleji nagybetűket is!
Lapozás: OK   2365 / 4052
(#) valaki2233 hozzászólása Aug 15, 2014 /
 
A polaritás mindegy azt megoldom magam.
A hozzászólás módosítva: Aug 15, 2014
(#) mikrokapcsolo válasza valaki2233 hozzászólására (») Aug 15, 2014 /
 
A válasz, a 4049-es ic, ami egy kupac invertert tartalmaz. Az inverter, mint a neve is mutatja, a bemenet ellentétét fogja adni, vagyis ha a te bemeneted 0, akkor a kimeneted 1 lesz. Ehhez az kell, hogy a kapcsolód a bemenetet + tápra húzza, és esetleg nem árt 10k-val lehúzni gnd-re is, hogy biztos legyen. Ha a bemeneted a kapcsolón keresztül + tápra, vagyis logikai 1-re van kötve, akkor a kimeneted 0 lesz. Ha bontod a kapcsolót, az az ellenálláson keresztül logikai 0 szintre kerül, így a kimeneted 1 lesz.
A hozzászólás módosítva: Aug 15, 2014

inv.png
    
(#) qvasz2 válasza valaki2233 hozzászólására (») Aug 15, 2014 /
 
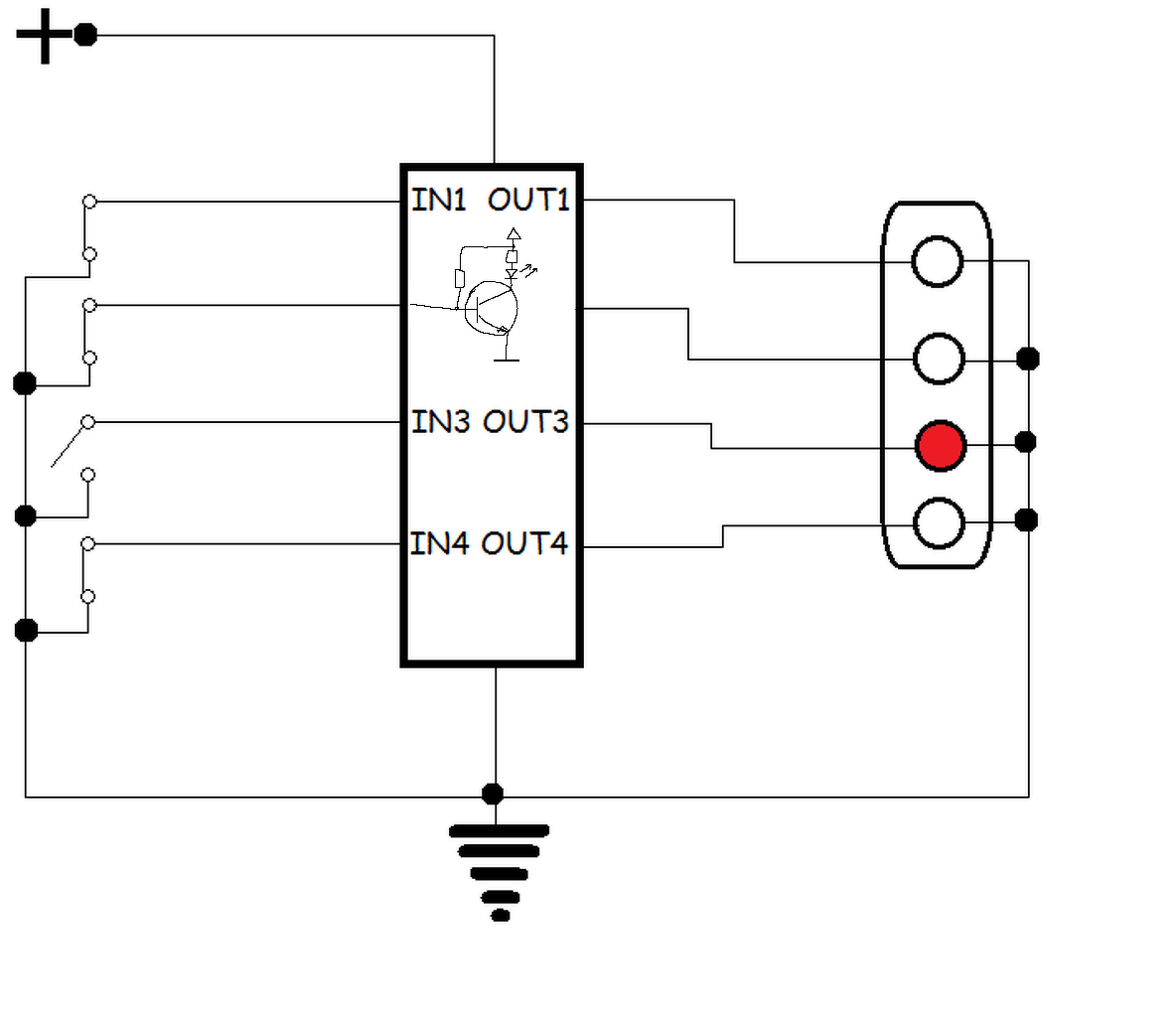
Rettenet bonyolult, minden érzékelő egy tranyóra megy. egyet berajzoltam neked.

kapcsc.png
    
(#) kerdes10 válasza Bakman hozzászólására (») Aug 15, 2014 /
 
erről van szó
(#) subway válasza proli007 hozzászólására (») Aug 16, 2014 /
 
Köszönöm a segítségeket, elkészült a gépem. Igaz kicsit megkésve jelentkeztem. Nem kommutátoros a szivattyú, így kellett neki az egyenirányítás is, de a trafó ami meghajtja 12V 1A indel nyáktrafó és idáig nem is melegedett, pedig volt járatva, hogy a beállítások végett. Még egyszer köszi mindenki.
Csatoltam egy fotót a félkész beállított gépről.
(#) Peet19 hozzászólása Aug 16, 2014 /
 
Sziasztok!
Tranzisztor bázis előtét ellenállását kellene kiszámolnom amire tettem egy kísérletet, de a véleményeteket kérném hogy jó-e vagy nem.
Egy BD137 -et és egy BU2525AF -et darlingtonba akarok kötni. A BD137 -nek a hFE -je 90, a BU 2525 -nek 12. Ezeket megszoroztram, így jött ki az 1080 -as hFE. A többi a mellékletben.
Ha nem jó, akkor egy kis segítség jól jönne.
Előre is köszönöm.
(#) -Bandi- hozzászólása Aug 16, 2014 /
 
Sziasztok!
Ha két transzformátort közel rakok egymáshoz, zavarni fogja egyik a másikat?
Mindkettő 230V a primeren de a szekunder az egyiknek 9V a másiknak 12V.
(#) ujfalusi válasza -Bandi- hozzászólására (») Aug 16, 2014 /
 
Nem zavarják egymást.
(#) -Bandi- válasza ujfalusi hozzászólására (») Aug 16, 2014 /
 
Köszönöm a gyors választ.
(#) proli007 válasza Peet19 hozzászólására (») Aug 16, 2014 /
 
Hello! Amit számoltál, alapvetően jó, de a bázisellenállásnál, az arra jutó feszültség a mérvadó, nem a terhelésre jutó feszültség. Mert ez itt csak akkor igaz, ha a kettő azonos. De ha pld. 12V-ot kapcsolsz, és a bázist 5V-ról szeretnéd meghajtani, már is kútba esett a dolog..
(Egyébként darlingtonnál, a két bázisnak is van 1,2..1,4V bázis-emitter feszültsége ami levonódik, még ha 12V-al kapcsolod is. Másik, hogy a darlingtonnak is lesz CE maradék feszültség 1V felett. Vagy is ennyivel kevesebb jut a terhelésre.)
(#) lmaresz hozzászólása Aug 16, 2014 /
 
Sziasztok!
LM3915-ös kivezérlésmérő építése során sajnos benéztem az IC első lábát így fordítva tettem bele... A +DC-t a 12-es láb kapta ami az egyik kimenete. Természetesen nem megy a cucc. Van esély hogy az IC még használható?
(#) Peet19 válasza proli007 hozzászólására (») Aug 16, 2014 /
 
Értem, köszi. Ugyan annyi jut a bázisra is mint a terhelésre, de egy kicsit még utána számolgatok.
Egy másik kérdésem lenne. A mellékletben jól vannak a zénerek? Azt szeretném hogy amikor megkapja a tekercs a 12V -ot akkor az áram (föntről lefelé) megy a pozitívtól a negatív felé, de ha megszakítom az áramot akkor a tekercs önindukciója miatt (visszafelé) indul meg az áram, így a polaritás is megváltozik abban az időpillanatban.
Azt szeretném hogy ha ez az önindukciós feszültség ha eléri a 400V -ot, akkor a zénerek nyissanak és a tekercsbe önmagába zárja rövidre az áramot.
Nem értem ezt a zéner bekötést.
Ha így rakom be ahogy a képen van, akkor alaphelyzetben záróirányban van, tehát ha jelen pillanatban eléri a 400V -ot akkor kinyit. De ha megfordul az áram az önindukció miatt, akkor meg már nem lesz záróirányú és simán átengedi ha elérte a dióda 0.6V nyitófeszültségét. A kettőnél 1.2V.
De ha nyitóirányba rakom be, akkor meg alaphelyzetben történik ugyanez, és a tekercs előtt megoszlik az áram? Vagy akkor nem is jut a tekercsre áram?

zener.png
    
(#) proli007 válasza Peet19 hozzászólására (») Aug 16, 2014 /
 
Ha a tekercsre szeretnéd tenni a zénert, akkor fordítva kell, de még egy soros diódára is szükség van, hogy csak zárófeszültséget kapjon a zéner.
(#) Peet19 válasza proli007 hozzászólására (») Aug 17, 2014 /
 
Azt hiszem kezdem már érteni. Ahogy átrajzoltam úgy jó lesz?

zener2.png
    
(#) gyulank hozzászólása Aug 17, 2014 /
 
Létezhet olyan elkó aminek a lába kijjebb húzható? Nem hiszem, de hátha. Egy alaplap tápbemeneténél véletlenül megnyomtam az egyik láb felől, és hosszabb lett az a lába, aztán visszanyomtam, rövidebb lett. A lap működik. Cserélni kell, mert elszakadt, vagy nem szakadt el?
(#) nedudgi válasza gyulank hozzászólására (») Aug 17, 2014 /
 
Ha nem is szakadt el, a kapacitása, üzembiztonsága változhatott. Jobb lenne kicserélni minél hamarabb.
(#) gyulank válasza nedudgi hozzászólására (») Aug 17, 2014 /
 
De hány mm-t mozoghat? Mert nem derékszögig dőltöttem, csak 1-2mm-t változott.
(#) mikrokapcsolo válasza gyulank hozzászólására (») Aug 17, 2014 /
 
Ez kb olyan, mintha elszakítasz egy madzagot, majd összekötöd. Ki kell cserélni, mert bizonytalan lehet a továbbiakban a lap működése. Egyébként elméletben 0 mm-t mozoghat.
(#) holex hozzászólása Aug 17, 2014 /
 
Sziasztok. Van egy trafó, azon van két graetz híd pufferkondenzátorokkal. Ilyen esetben szükséges összekötni a graetz hidak negatív pólusait, vagy alapból is közös potenciálon lesz a kettő?
(#) pucuka válasza holex hozzászólására (») Aug 17, 2014 /
 
Ha lerajzolod, rájössz. Ha ugyanazon a tekercsen van a két Greatz híd, akkor a kimeneteiket nem kötheted össze, egyiket sem.
(#) holex válasza pucuka hozzászólására (») Aug 17, 2014 /
 
De mért nen?
(#) pucuka válasza holex hozzászólására (») Aug 17, 2014 /
 
Lerajzoltad?
(#) holex válasza pucuka hozzászólására (») Aug 17, 2014 /
 
Igen, de nem lettem okosabb.
(#) gyulank válasza holex hozzászólására (») Aug 17, 2014 /
 
Minek van 2 Gr. híd? Miért akarod közösíteni? Miért nem elég az egyik?
(#) pucuka válasza holex hozzászólására (») Aug 17, 2014 /
 
Akkor azt nézd meg, hogy mi mivel lesz párhuzamosítva, esetleg szembekapcsolva, vagy rövidrezárva.
Ilyen módszerrel nem lehet +/- feszültséget előállítani, már ha ez a szándékod. Lehet viszont két ellentétesen polarizált diódás, egyutas egyenirányítással.
(#) holex válasza pucuka hozzászólására (») Aug 17, 2014 /
 
Nem ez a célom. Van egy trafó, a kimenete 24 voltos. Ezen két áramkör lesz: az egyik egy mikrokontrolleres áramkör, a másik pedig egy szervó motor (természetesen mindkettőhöz megvan a megfelelő DC-DC konverter. Mindkét áramkörhöz tartozik egy graetz híd. A kettőt azért kellett különválasztani, mert azt javasolták itt többen a fórumon, hogy ne közös tápról menjen a motor feszültségtüskéi miatt.
A gond az, hogy a mikrokontrolleres áramkör vezérli a szervót, ezáltal szükség van egy közös GND pontra. A pozitívakat természetesen nem közösíteném. Akkor azt mondod hogy a két áramkör GND-jét nem közösíthetem?
(#) pucuka válasza holex hozzászólására (») Aug 17, 2014 /
 
A GND -t nem közösítheted. De ugyanarról a combos 24 V -os tápról járathatod a két DC/DC konvertert, akkor már a megfelelő leválasztást is megoldottad.
De nem lenne egyszerűbb, ha a vezérlésnek a közös tápból állítanál elő egy stabilizált szűrt tápfeszültséget, míg a szervóra mehet a nyers tápfeszültség? A szükséges szétválasztás így is megoldható.
(#) holex válasza pucuka hozzászólására (») Aug 17, 2014 /
 
"ugyanarról a combos 24 V -os tápról járathatod a két DC/DC konvertert, akkor már a megfelelő leválasztást is megoldottad. "

És a Dc-Dc után már lehet közösíteni? Dehát a Dc-Dc nem is csinál semmit a GND-vel, a bemeneti GND galvanikus kapcsolatban van a kimenetivel. Ha utána lehet közösíteni, akkor előtte is, nem?
(#) gyulank válasza holex hozzászólására (») Aug 17, 2014 /
 
Azt írta, nem közösítheted. Akkor még a 2 párhuzamos egyenirányító kimeneteiről volt szó.
Most 1 egyenirányító végére kötött 2 párhuzamos DC/DC konverterről.
Ha a + ág le van választva, akkor hiába közös a -. Az már nem 1 áramkör.
(#) gyulank válasza mikrokapcsolo hozzászólására (») Aug 17, 2014 /
 
Na és milyennek kell lennie? Tolerancia, ESR? 820µF 6,3V +105°C FJ, és egy bekeretezett M-betű van rajta.
A hozzászólás módosítva: Aug 17, 2014
Következő: »»   2365 / 4052
Bejelentkezés

Belépés

Hirdetés
XDT.hu
Az oldalon sütiket használunk a helyes működéshez. Bővebb információt az adatvédelmi szabályzatban olvashatsz. Megértettem