Fórum témák
» Több friss téma |
- Ez a felület kizárólag, az elektronikában kezdők kérdéseinek van fenntartva és nem elfelejtve, hogy hobbielektronika a fórumunk!
- Ami tehát azt jelenti, hogy a nagymama bevásárlását nem itt beszéljük meg, ill. ez nem üzenőfal! - Kerülendő az olyan kérdés, amit egy másik meglévő (több mint 17000 van), témában kellene kitárgyalni! - És végül büntetés terhe mellett kerülendő az MSN és egyéb szleng, a magyar helyesírás mellőzése, beleértve a mondateleji nagybetűket is!
Ha a +-10V-os bemenet galvanikusan nem elválasztott, akkor nem jó megoldás a két 5k. Maximum akkor, ha differenciális a bement. De arra általában kicsi az esély. (Mert ugye még mindig nem tudni mi is ez..)
Hello! Természetesen jó hozz á a két külön trafó.
Pontosan azért kell mert készítettem proli007 segítségével egy esővíz tartály vezérlést és ebben van szivattyú, mágnesszelep kapcsolás, és hát, hogy biztosan a fázist kapcsolgassa a relé ne pedig a nullát.
Erre szerintem két megoldás van:
1.- Mikrokapcsolo által belinkelt csatlakozót kell alkalmazni. 2.- A relével ne csak a fázist kapcsold hanem a nullát is egyszerre. Ez így sokkal biztonságosabb. Bár én egy vízpumpa kapcsolgatását egy mágneskapcsolóra bíznám, szerintem a relének erre kicsik a kontaktjai(persze kérdés hogy mekkora teljesítményű a hajtómotor).
Vajon egy világító pc ventilátor tovább fog-e működni ha elvágom a ledekhez vezető vezetékeket?
az enyém is ilyen csak az pirosan világít
A megoldás, akkor egy nagy áramú, két áramkörös relé, nagyobb teljesítménynél már mágneskapcsoló, és mind a két vezetéket, ami a motorhoz megy, meg kell szakítani.
Ahhha.... ezt le tudnád rajzolni akár papírra is. Nekem általában úgy jobban megy a megértés folyamata
! Köszi!
Persze. Móriczka rajz, de a lényeg remélem kivehető.
üdv!
Vettem rezgőkvarcot , tudnátok adni olyan kapcsolást ami ledet villogtat annyi hertzen amennyi a kvarc sebessége? Tehát a ledet szeretném villlogtatni a kvarc segítségével. A neten bármi kapcsolást építek nem műköndek, szkóppal nézném az eredményt de semmi... Köszönöm a választ
Oh szuper! A Móricka rajzok a legjobbak.... nem kell agyonbonyolítani az életet! Igy már értem köszi!!!!
Pontosan milyen kvarcot vettél? Kép jó lenne róla, főleg ahol látszanak a rá nyomtatott adatok is.
Ez így biztos nem fog menni. Az a kvarc, amire gondolsz, az lehet egy mikrovezérlő, vagy egy hosszú digitális osztó órajele, de magát a villogtatást nem a kvarc oszcillátor végzi.
A legkisebb frekvenciájú kvarc, ami létezik az 4 kHz körüli, és jó nagy, és nem is igen beszerezhető. Ennek a frekvenciáján sem láthatod a villogást, mert túl gyors, a villogast úgy 10 Hz körülig láthatod.
Ez a kettő van nekem, ugyan ezek:
resonator crystal Azt se lehet megcsinálni hogy a tranzisztor bázisát vezérlem vele? Pucuka! Én nem mondtam hogy látni szeretném a ledet, meg azt se hogy a kvarccal akarom villogtatni. ![]() Egyszerűen csak azt szeretném hogy a led olyan sebességgel villogjon ahogyan a kvarc diktálja.És ha lehet ne olyan megoldás legyen hogy pl. egy IC-nek az órajelét adja a kvarc, hanem pl.: egy tranzisztor bázisát vezérli. Vagy ezek a kvarcok csak órajelként funkcionálnak? A hozzászólás módosítva: Aug 14, 2014
OK, de ha vettél pl. egy 32768-as órakvarcot, ezzel építhetsz egy oszcillátort, ami ugye a tranya bázisát vezérli, De ha nem osztod le, ez olyan nagy freki, hogy azt fogod látni, hogy folyamatosan világít a LED.
"vettél egy 32768-as órakvarcot, ezzel építhetsz egy oszcillátort"
Ez lenne a kérdés hogy hogyan kell ilyet építeni... ![]() Köszönöm a választ! A hozzászólás módosítva: Aug 14, 2014
Az "oszcillátor építése" témában megtudhatod.
Hát komolyan mondom köszi a frankó válaszokat, tutti jó ez forum.
Hello! Ha számunkra érthetetlenül teszed fel a kérdésedet, akkor nem biztos hogy választ kapsz. De tedd fel a kuglinak és itt válogass..
Felteszem a kérdést érthetően:
Hogyan kell oszcillátort építeni 32768 segítségével. Így érthető? Még mielőtt valaki jönne hogy nem látom a villogást nekem szuper szemem van és látom.OK?
Most kéne abbahagyni a fórum savazását, és utána nézni a megadott linkeken, hogy hogyan kell kvarcoszcit építeni, hm?
Nem savazom a forumot, csak feltettem egy kérdést AMIVEL több napnyi net túrás után, meg sok-sok próbálkozás után nem sikerült megbirkóznom.
Erre ilyen válaszokat kapok hogy "nem fogom látni a led villogását" ![]() De ha valaki segítene egy kapcsolási rajzzal amiben egy tranzisztor, kristály, led van, és a led annyiszor villog amennyi a kvarc frekvenciája akkor az klassz lenne
OK. Próbáld ki ebben a hozzászólásban linkelt első kapcsolást C4 nélkül.
Benéztél a megadott témába, megnézted az ott (téma képei) fellelhető kapcsolásokat? Valamint "Proli007" által javasolt helyen?
A hozzászólás módosítva: Aug 14, 2014
Parancsolj. A kimenetet rákötheted egy ellenállás közbeiktatásával egy tranzisztor bázisára, kép szerint. Az első rajzon nem szerepel a tápfeszültség, ami 5 V.
Mondjuk ennek a megtalálásához nem sokat kell túrni.
Bővebben: Link
Sziasztok!
Az lenne a kérdésem, hogy pl. az ilyen: Bővebben: Link alakú alkatrészeknek a helyét hogy és mivel vágjátok ki? Most csináltam egy akkumulátortöltőt és be kéne dobozolnom de még soha nem csináltam és hát látszik is a minőségen. Előre is köszönöm a tippeket Hibás link javítva. Használd a link gombot! -moderátor- A hozzászólás módosítva: Aug 16, 2014
A lemezre rárajzolod a kivágandó lyukat, megjelölöd a felerősítő csavarok helyét. A nagy lyukat körbefurkálod, és reszelővel szépen a rajzig kireszeled. Ha ügyes vagy, hátulról is szép lesz.
A felerősítő két lyukat a megfelelő méretű fúróval pontosan kifúrod. Ha szerzel bele M3 lencsefejű csavart, még szép is lehet.
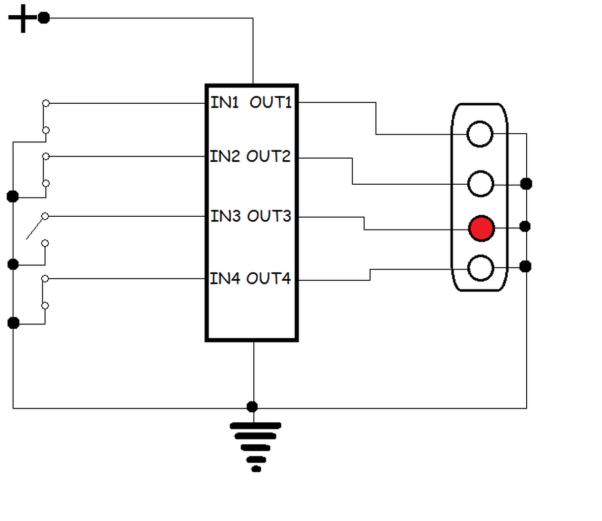
Valaki tudna linkelni vagy feltölteni kapcsolást az alábbi rajzhoz? Az lenne a koncepció, hogy ha az in-nen megszakad az áramkör akkor zárjon egy másikat ami az out lesz. Ha egy nyitásérzékelő megszakítja az áramkört akkor a led világítani fog, ezt szeretném elérni, kerestem neten mindenféle kapcsolást de egyik se volt jó. ha az in 1 megszakad akkor az out 1 zárjon, ha az in 2 megszakad akkor az out 2 zárjon, és így tovább. a fekete keret az áramkört jelöli.
A hozzászólás módosítva: Aug 15, 2014
|
Bejelentkezés
Hirdetés |





! Köszi! 






