Fórum témák
» Több friss téma |
- Ez a felület kizárólag, az elektronikában kezdők kérdéseinek van fenntartva és nem elfelejtve, hogy hobbielektronika a fórumunk!
- Ami tehát azt jelenti, hogy a nagymama bevásárlását nem itt beszéljük meg, ill. ez nem üzenőfal! - Kerülendő az olyan kérdés, amit egy másik meglévő (több mint 17000 van), témában kellene kitárgyalni! - És végül büntetés terhe mellett kerülendő az MSN és egyéb szleng, a magyar helyesírás mellőzése, beleértve a mondateleji nagybetűket is!
Sziasztok!
Ismét segítségetek kérném Arra volnék kíváncsi hogy van egy 12v os DC motorom adatai: Torque : 130 N*cm Power : 12V DC RPM : 60RPM Motorról kép Hogyan tudnám ennek a sebességét potméterrel szabályozni? Ha lehet akkor hogyan kössem össze ha nem akkor milyen potmétert szerezzek be? Ami itthon van potméter PC16SH-1M LIN POS16 LIN 100K B
Szia!
Két topikban is találsz megoldásokat: DC motor vezérlés DC motor ( lámpa ) pwm szabályzása A hozzászólás módosítva: Dec 12, 2015
Szia! Bocs hogy csak most válaszolok, de értem már, köszönöm. A 100Hz valóban magas egy kicsit, főleg hogy fontos lenne a mély hangok átvitele. Az alsó és felső határfrekvenciákat 1/2pi*R*C -vel számoltam. Ha C100nF, R100K ebből nekem 15,9Hz jön ki. Amit közvetlen utána raktam felüláteresztő az pedig R100K, C68pF. Ebből 23,4Khz-et számoltam. Akkor miért van az hogy már 100Hz-től csillapít?
Az RF szűrést hogy gondoltad? csináljak egy felüláteresztő szűrőt ami 30kHz felett vág?
Egy ilyen motornak az áramfelvétele igen magas, mert a belső ellenállása is viszonylag kicsi. Erre a célra a meglevő potencióméterek tökéletesen alkalmatlanok, a nagy ellenállásuk, és a kis teljesítmény tűrésük miatt. (az ellenállásuk százezerszer, milliószor nagyobb a szükségesnél)
A motorod áramfelvételéről is tudni kéne valamit, hogy konkrét tanácsot lehessen adni. Csak tájékozódásul, egy ilyesmi motornak az üresjárati árama 1,5 A körül van, ami teljes terhelés esetén felmehet akár 9 A -re is. Ahhoz, hogy ezt ellenállással szabályozni tudjad, ahhoz pár ohmos, igen nagyteljesítményű ellenállást (rheosztátot) kellene használnod, ami egy igen méretes darab. Az előtét ellenállásos szabályzásnak van egy óriási hátránya, ha a terhelés hatására nő a felvett áram, az előtét ellenálláson nő, a motoron csökken a feszültség, és mivel külső gerjesztésű motorról van szó, a nyomaték is csökkenni fog. A fentiek miatt ajánlotta kollégánk a két PWM -es topikot, mert a motorod fordulatszám szabályzását így tudod legkönnyebben megoldani.
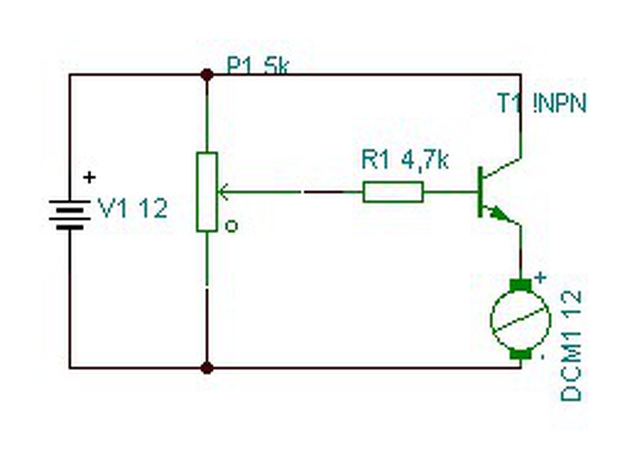
A tökéletes megoldás a javasolt PWM vezérlés. De ha nem gond a rossz hatásfok, és nem túl kényes a fordulatszám beállítás, és van megfelelő teljesítményű tranzisztorod, a kis teljesítményű potik is jók lehetnek így:
Sziasztok! segítségre lenne szűkségem. Mit lehet elrontani egy egyszerű kis 10 ledes futófényben? kapcsolási rajz és fényképek: link
Összeraktam a rajz alapján, de legjobb esetben is csak az egyik led (1.) ég és folyamatosan. Az ellenállások jók, illetve valamelyik kicsit kisebb, de gondolom az nem sok vizet zavar. A ledek is jók, már kicseréltem egyformákra. Minden alkatrész olyan mint a rajzban és jó helyeken vannak, hátul nem ér össze forrasztás. nem tudom mi lehet... Előre is köszönöm a segítségeket! A hozzászólás módosítva: Dec 12, 2015
Szia!
T1 és T2 helyére milyen tranyót tettél? A hozzászólás módosítva: Dec 12, 2015
BC179 PNP és BC338 NPN. Lehet, hogy rosszul van feliratozva a nyák és fordítva kellene?
Motort inkább a kollektor és a +12V közé, plusz egy védődióda.
A kép alapján jónak tűnik... T1 emittere be van forrasztva? Esetleg próbáld meg az IC 14. lábára kézzel kapcsolgasd a tápot, úgy léptet-e? Ha igen, akkor a tranzisztorok környékén lesz a probléma.
Jobb az emitter, mert kisebb a kimeneti ellenállása. De csak kisteljesítményű motorokhoz jó, mert nagyobb teljesítmények esetén ugyanaz a gond, mint előtét ellenállás esetén. Bonyolultabb kapcsolással (labortáp) el lehet érni hogy jó legyen a feszültség szabályzás, de ahhoz igen kis belső ellenállású táp kell. A védődióda mindenesetre ajánlatos.
Az előbb írtál 1,5 - 9 A-t, ahhoz nem nagyon jó.
Helló ezt a kapcsolást mekkora teljesítményű motorhoz lehet használni?
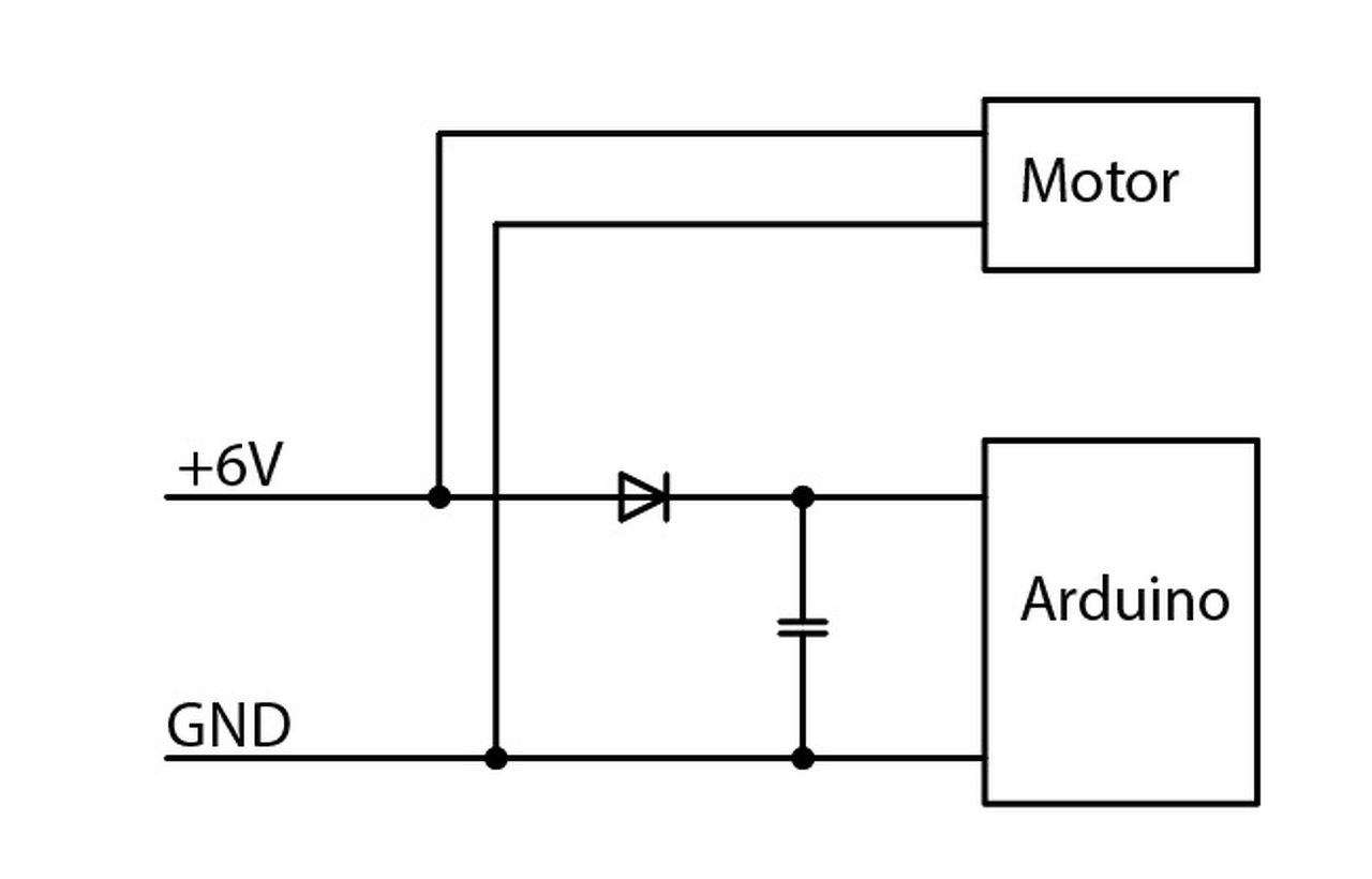
Egy Arduino alapú rendszer esetén a következő probléma merült fel. Van egy Arduinom, ami sok egyéb funkció mellett egy víz pumpa motor ki-be kapcsolását hivatott megoldani. A motor 6 Voltos, amit jelenleg egy az Arduino által vezérelt relay kapcsolgat, áram ellátására egy hálózati 6V 2A-es AC/DC adatper szolgál. Minden tökéletesen működik azonban lenne egy megoldandó feladat:
Szeretném egy közös tápról ellátni a motort és az Arduino-t is (erre elvileg a 6V tökéletesen alkalmas lenne), a relay aktiválásakor amikor a motor tápot kap az Arduino reseteL Biztosan csak valami alap elektronikát kellene beépítenem, kérem a hozzáértők segítségét!
Valószínüleg a motor indulási árama nagy, leesik a feszültség. Ez az alacsony feszültség nem bírja életben tartani az Arduinót.
Így próbáld meg (gyors rajz).
Sziasztok ! Kitudna válaszolni egy régi tárcsás telefon alkatrészeiből össze lehet állítani egy elektromos 12v működő csengőt?
Igen, de úgy emlékszem, a telefon csengető feszültsége 100V nagyságrendű volt, kicsit trükközni kell, hogy 12V-ról is megszólaljon.
Amekkora terhelhetőségű a felhasznált tranzisztor, de értelemszerűen nagyobb 1-2A feletti áram igény esetén már mindenképp PWM ajánlatos. Nem véletlenül van az emitterbe kötve, nem én találtam ki csak bemásoltam ide. Egyébként a komplementer változattal működik évek óta a fiam modellvasútja, csak ott van irányváltás is.
A hozzászólás módosítva: Dec 12, 2015
Helló
Laptop schematic olvasása közben elakadtam. Hogyan lehet megtalálni egy smd-t a panelen a schematic alapján?
Üdv!Az lenne a kérdésem , hogy a képen találhatò karácsonyfa égősor vezérlésén a négy darab tranzisztor képes 230 v-ot kapcsolni vagy hogy működik ez a dolog?Nem làtok olyan elemeket ami kevesebbet csinàlna a hàlózati feszültségből.Vagy esetleg az a négy db alkatrész nem tranzisztor hanem tirisztor vagy triak?Köszönöm előre is a válaszokat.
Tirisztorok lesznek azok, nem tranzisztorok. Esetleg a típusszámot próbáltad leolvasni?
Még nem olvastam le majd ha újra a kezem ügyébe kerül akkor megnézem
Jelenleg a mellékelt ábra szerint van megoldva, ez amit említettem, hogy nem működik. Multi méterrel próbáltam rámérni, hogy vajon a feszültség valóban leesik-e, aszerint kb. 0.1 voltot esik, de lehet annyira rövid idő alatt történik mindez, hogy nem képes kijelezni.
Próbáld ki úgy, ahogy rajzoltam. Elméletileg 1000 µF már bőven elég ahhoz, hogy ne induljon újra a kontroller. Csak úgy, általánosságban: éppen a fentiek miatt nem szerencsés egyazon tápegységről/tápkörről járatni a kontrollert, mint amelyikről nagyobb fogyasztók mennek.
A hozzászólás módosítva: Dec 13, 2015
Sziasztok.
Van valakinek valami ötlete hogy mivel tudnám helyettesíteni a BC173-at? Sajnos sehol egy boltban sem találok. A lényeg hogy kis zajú legyen Ic 100mA Uce 25V minimum. Előre is köszi a segítséget!
Szia! A helyettesítésnek van külön témája. Amúgy BC549.
Vagy válogass ezek közül: Bővebben: Link.
|
Bejelentkezés
Hirdetés |














